|
|
(21), (22) Заявка: 2006144608/09, 15.12.2006
(24) Дата начала отсчета срока действия патента:
15.12.2006
(43) Дата публикации заявки: 20.06.2008
(46) Опубликовано: 10.12.2009
(56) Список документов, цитированных в отчете о поиске:
УЭЙКЕРЛИ Дж. Проектирование цифровых устройств. – М.: Постмаркет, 2002, т.1, с.508. RU 2069009 C1, 10.11.1996. SU 997032 A1, 15.02.1983. SU 1594523 A1, 23.09.1990. JP 62204332 A, 09.09.1987. JP 63197227 A, 16.08.1988.
Адрес для переписки:
54040, Украина, г. Николаев, Крылова, 54, кв.229, Л.П. Петренко
|
(72) Автор(ы):
Петренко Лев Петрович (UA)
(73) Патентообладатель(и):
Петренко Лев Петрович (UA)
|
(54) СПОСОБ ПАРАЛЛЕЛЬНОГО ЛОГИЧЕСКОГО СУММИРОВАНИЯ АНАЛОГОВЫХ СИГНАЛОВ СЛАГАЕМЫХ, ЭКВИВАЛЕНТНЫХ ДВОИЧНОЙ СИСТЕМЕ СЧИСЛЕНИЯ, И УСТРОЙСТВО ДЛЯ ЕГО РЕАЛИЗАЦИИ
(57) Реферат:
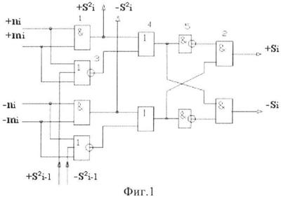
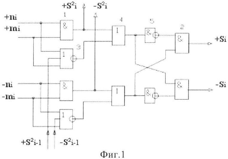
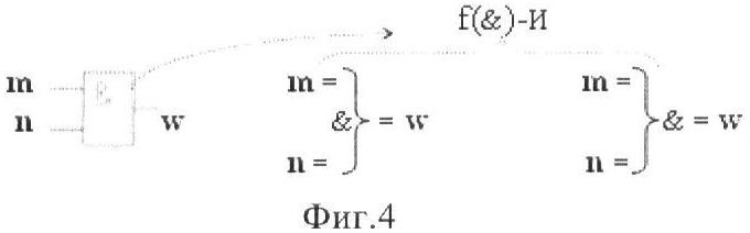
Изобретение относится к вычислительной технике и может быть использовано при построении арифметических устройств и выполнении арифметических операций, в частности процессов суммирования и вычитания. Техническим результатом является повышение быстродействия суммирования. Каждый разряд устройства параллельного логического суммирования аргументов аналоговых сигналов слагаемых эквивалентных позиционно-знаковой системе счисления f(+/-), выполнен в виде двух эквивалентных каналов формирования аналоговых сигналов положительной и условно отрицательной суммы +Si и -Si, каждый из которых включает два элемента И, элемент ИЛИ, элемент ИЛИ-НЕ, элемент НЕ.2 н.п. ф-лы, 6 ил.
Текст описания приведен в факсимильном виде.                                     
Формула изобретения
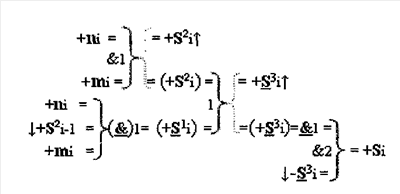
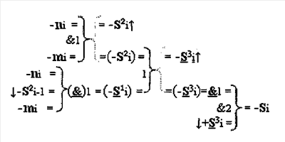
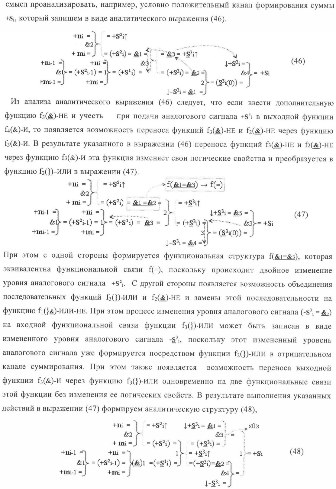
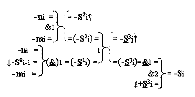
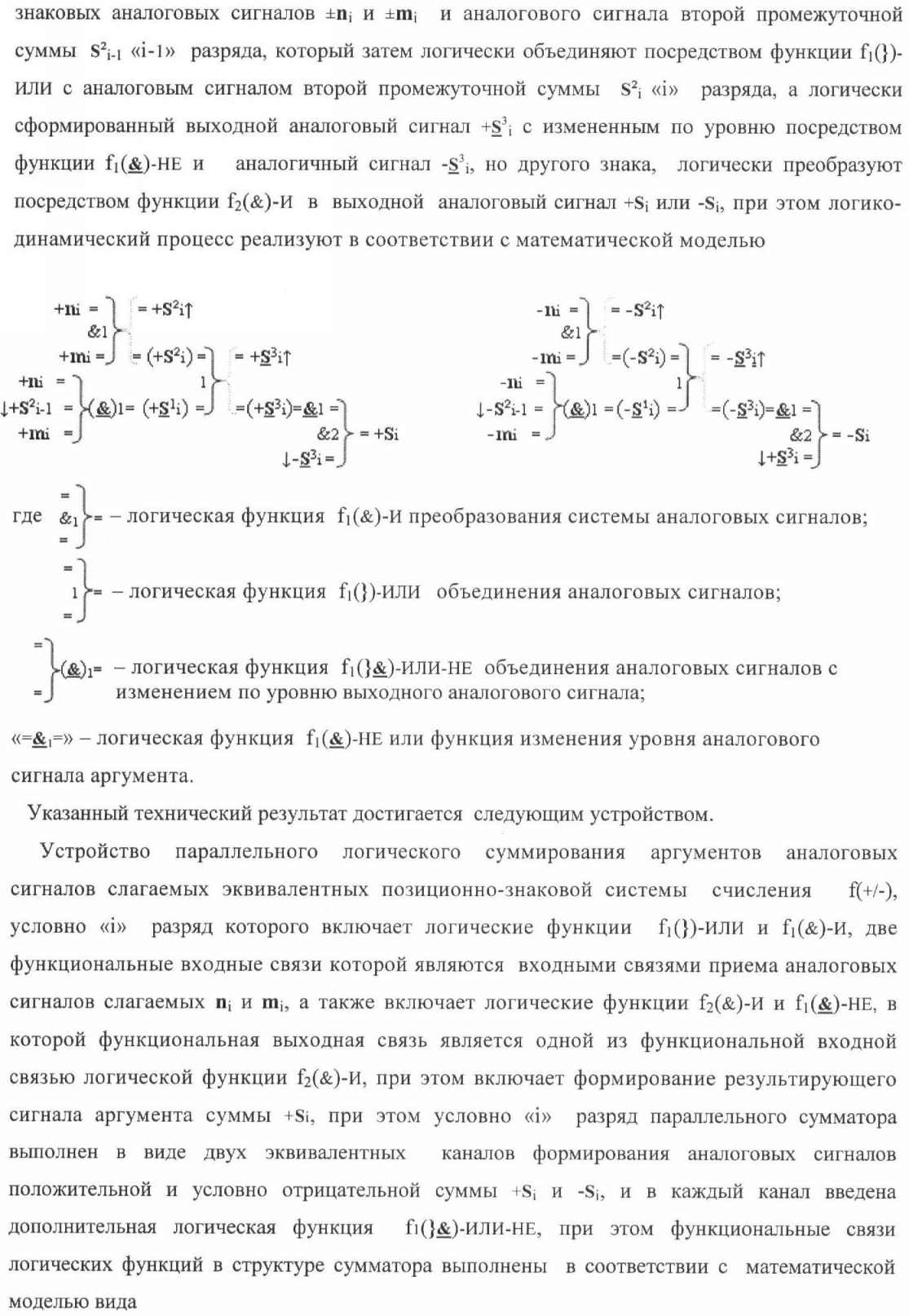
1. Способ параллельного логического суммирования аналоговых сигналов слагаемых, эквивалентных позиционно-знаковой системе счисления f(+/-), включающий выполнение в условно «i» разряде преобразований аналоговых сигналов слагаемых ni и mi, с условно высоким или активным уровнем сигнала либо условно низким уровнем сигнала или неактивным, при этом из входных аналоговых сигналов ni и mi логически формируют аналоговый сигнал первой промежуточной суммы S1 i и аналоговый сигнал второй промежуточной суммы S2 i посредством функций f1(})-ИЛИ и f1(&)-И, при этом формируют положительный выходной аналоговый сигнал суммы +Si, отличающийся тем, что в условно «i» разряде одновременно формируют как положительный +Si, так и условно отрицательный выходной аналоговый сигнал -Si посредством эквивалентных логических преобразований входных позиционно-знаковых аналоговых сигналов ±ni и ±mi, при этом в «i» разряде первой промежуточной суммы S1 i аналоговый сигнал логически формируют с измененным уровнем аналогового сигнала S1 i, посредством функций f1(}&)-ИЛИ-НЕ из входных позиционно-знаковых аналоговых сигналов ±ni и ±mi и аналогового сигнала второй промежуточной суммы S2 i-1 «i-1» разряда, который затем логически объединяют посредством функции f1(})-ИЛИ с аналоговым сигналом второй промежуточной суммы S2 i «i» разряда, а логически сформированный выходной аналоговый сигнал +S3 i с измененным по уровню посредством функции f1(&)-HE и аналогичный сигнал –S3 i, но другого знака, логически преобразуют посредством функции f2(&)-И в выходной аналоговый сигнал +Si или -Si, при этом логико-динамический процесс реализуют в соответствии с математической моделью
  где – логическая функция f1(&)-И преобразования системы аналоговых сигналов;
– логическая функция f1(})-ИЛИ объединения аналоговых сигналов;
– логическая функция f1(}&)-ИЛИ-НЕ объединения аналоговых сигналов с изменением по уровню выходного аналогового сигнала; «=&1=» – логическая функция f1(&)-HE или функция изменения уровня аналогового сигнала аргумента.
2. Устройство параллельного логического суммирования аргументов аналоговых сигналов слагаемых, эквивалентных позиционно-знаковой системе счисления f(+/-), условно «i», разряд которого включает логические функции f1(})-ИЛИ и f1(&)-И, две функциональные входные связи которой являются входными связями приема аналоговых сигналов слагаемых ni и mi, а также включает логические функции f2(&)-И и f1(&)-HE, в которой функциональная выходная связь является одной из функциональной входной связью логической функции f2(&)-И, при этом включает формирование результирующего сигнала аргументы суммы +Si, отличающееся тем, что условно «i» разряд параллельного сумматора выполнен в виде двух эквивалентных каналов формирования аналоговых сигналов положительной и условно отрицательной суммы +Si и -Si, и в каждый канал введена дополнительная логическая функция f1(}&)-ИЛИ-НЕ, при этом функциональные связи логических функций в структуре сумматора выполнены в соответствии с математической моделью вида
 
РИСУНКИ
|
|