|
|
(21), (22) Заявка: 2008103078/09, 28.01.2008
(24) Дата начала отсчета срока действия патента:
28.01.2008
(46) Опубликовано: 27.11.2009
(56) Список документов, цитированных в отчете о поиске:
RU 2307474 С1, 27.09.2007. SU 1046943 А1, 07.10.1983. RU 2231224 С2, 20.06.2004. RU 2208916 С1, 20.07.2003. WO 2005/006011 А1, 20.01.2005. US 4583048, 15.04.1986.
Адрес для переписки:
660074, г.Красноярск, ул. Киренского, 26, Политехнический институт СФУ, ПИО
|
(72) Автор(ы):
Бондаренко Валерий Николаевич (RU), Клевлин Александр Геннадьевич (RU)
(73) Патентообладатель(и):
Федеральное государственное образовательное учреждение высшего профессионального образования “Сибирский федеральный университет” (СФУ) (RU)
|
(54) КОРРЕЛЯЦИОННЫЙ ПРИЕМНИК ШУМОПОДОБНЫХ СИГНАЛОВ С МИНИМАЛЬНОЙ ЧАСТОТНОЙ МАНИПУЛЯЦИЕЙ
(57) Реферат:
Изобретение относится к радиотехнике и может использоваться в приемниках шумоподобных сигналов с минимальной частотной манипуляцией. Технический результат – повышение точности кодовой синхронизации приемников шумоподобных сигналов с минимальной частотной манипуляцией за счет применения когерентного временного дискриминатора. Корреляционный приемник содержит блок фазовой синхронизации (1), включающий фазовый дискриминатор (3) шумоподобного сигнала с минимальной частотной манипуляцией, первый петлевой фильтр (10) и подстраиваемый генератор (5) несущей частоты, а также блок кодовой синхронизации (2), включающий когерентный временной дискриминатор (1), второй петлевой фильтр (12), управляемый фазовращатель (13), делитель частоты (17), генератор кода (14), дешифратор (16) и синтезатор (15) опорных квадратурных сигналов. 2 ил.
Изобретение относится к области радиотехники и может использоваться в широкополосных системах радиосвязи и радионавигации с шумоподобными сигналами с минимальной частотной манипуляцией.
Известно устройство для корреляционного приема сложных фазоманипулированных сигналов, содержащее первый и второй перемножители, сигнальные входы которых объединены, а выходы подключены к блоку некогерентной обработки ортогональных сигналов и сумматору, к выходу которого подключены последовательно соединенные полосовой фильтр, третий перемножитель и блок слежения за задержкой, выход которого подключен к синхронизирующему входу блока некогерентной обработки ортогональных сигналов [Авторское свидетельство SU 1046943А, МПК Н04В 1/10, 07.10.83].
Однако известное устройство обладает невысокой помехоустойчивостью.
Наиболее близким техническим решением к предлагаемому является устройство для корреляционного приема шумоподобных сигналов с минимальной частотной манипуляцией, содержащее блок фазовой синхронизации, включающий фазовый дискриминатор, содержащий первый и второй перемножители, сигнальные входы которых объединены, а выходы подключены к попарно объединенным входам первого и третьего, второго и четвертого интеграторов, синхронизирующие входы которых подключены к выходам блока кодовой синхронизации, а выходы интеграторов соединены соответственно со входами третьего, четвертого, пятого и шестого перемножителей, опорные входы которых попарно объединены и подключены соответственно к выходам блока кодовой синхронизации, первый, второй, третий и четвертый накапливающие сумматоры, подключенные соответственно к выходам третьего, четвертого, пятого и шестого перемножителей, вычитатель и сумматор, входы входы которых подключены к выходам первого и второго, третьего и четвертого накапливающих сумматоров, решающий блок, подключенный к выходу вычитателя, седьмой перемножитель, сигнальный вход которого подключен к выходу сумматора, а опорный вход соединен с выходом решающего блока, последовательно соединенные петлевой фильтр и подстраиваемый генератор несущей частоты, квадратурные выходы которого соединены соответственно с опорными входами первого и второго перемножителей [Патент RU 2307474 С1, МПК H04L 27/227, 27.09.2007].
Недостаток известного устройства – невысокая точность кодовой синхронизации при малых значениях отношения сигнал/шум, обусловленная применением некогерентной системы слежения за задержкой сигнала.
Предлагаемое изобретение призвано решить задачу повышения точности кодовой синхронизации корреляционного приемника шумоподобного сигнала с минимальной частотной манипуляцией.
Поставленная задача решается тем, что в корреляционном приемнике шумоподобных сигналов с минимальной частотной манипуляцией, содержащем блок фазовой синхронизации, включающий фазовый дискриминатор, содержащий первый и второй перемножители, сигнальные входы которых объединены, третий, четвертый, пятый и шестой перемножители, вычитатель и сумматор, первый и второй интеграторы, решающий блок, выход которого соединен с опорным входом седьмого перемножителя, к выходу которого подключены последовательно соединенные первый петлевой фильтр и подстраиваемый генератор несущей частоты, квадратурные выходы которого соединены соответственно с опорными входами первого и второго перемножителей, блок кодовой синхронизации, включающий временной дискриминатор, к выходу которого подключены последовательно соединенные второй петлевой фильтр и управляемый фазовращатель, другой вход которого подключен к выходу делителя частоты, входом соединеного с первым квадратурным выходом подстраиваемого генератора несущей частоты, а также генератор кода и дешифратор, подключенный к дополнительным выходам генератора кода, согласно изобретению сигнальные входы третьего и пятого, четвертого и шестого перемножителей попарно объединены и подключены к выходам соответственно первого и второго перемножителей, выходы третьего и четвертого, пятого и шестого перемножителей объединены соответственно через вычитатель и сумматор, к выходам которых подключены первый и второй интеграторы соответственно, сигнальный вход седьмого перемножителя подключен к выходу второго интегратора, вход решающего блока соединен с выходом первого интегратора, в блок кодовой синхронизации введен синтезатор опорных квадратурных сигналов, подключенный по входу к прямому выходу генератора кода, инверсный выход которого соединен с опорным входом временного дискриминатора, включающего последовательно соединенные восьмой перемножитель, сигнальный вход которого подключен к выходу сумматора, а опорный вход является опорным входом временного дискриминатора, третий интегратор, синхронизирующий вход которого соединен с синхронизирующими входами первого и второго интеграторов и подключен к выходу дешифратора, девятый перемножитель, опорный вход которого подключен к выходу решающего блока, при этом выходы синтезатора опорных квадратурных сигналов соединены соответственно с попарно объединенными опорными входами третьего и шестого, четвертого и пятого перемножителей, а выход решающего блока является выходом корреляционного приемника.
Введение перечисленных узлов с описанными связями позволяет по сравнению с прототипом повысить точность кодовой синхронизации корреляционного приемника шумоподобного сигнала с минимальной частотной манипуляцией.
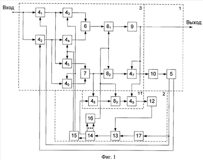
На фиг.1 приведена функциональная схема заявляемого устройства. Корреляционный приемник шумоподобных сигналов с минимальной частотной манипуляцией содержит блок 1 фазовой синхронизации, вход которого является входом корреляционного приемника, и блок 2 кодовой синхронизации. Блок 1 фазовой синхронизации содержит фазовый дискриминатор 3, включающий первый 41 и второй 42 перемножители, сигнальные входы которых объединены, а опорные входы подключены соответственно к квадратурным выходам подстраиваемого генератора 5 несущей частоты в блоке 1 фазовой синхронизации. Фазовый дискриминатор 3 содержит также третий 43, четвертый 44, пятый 45, шестой 46 и седьмой 47 перемножители, вычитатель 6 и сумматор 7, первый и второй интеграторы 81 и 82, решающий блок 9, а в блок 1 фазовой синхронизации входит первый петлевой фильтр 10, вход которого подключен к выходу седьмого перемножителя 47, а выход соединен со входом подстраиваемого генератора 5 несущей частоты. При этом сигнальные входы третьего 43 и пятого 45, четвертого 44 и шестого 46 перемножителей попарно объединены и подключены соответственно к выходам первого 41 и второго 42 перемножителей. Выходы третьего 43 и четвертого 44, пятого 45 и шестого 46 перемножителей объединены соответственно через вычитатель 6 и сумматор 7, к выходам которых подключены соответственно первый и второй интеграторы 81 и 82. Сигнальный вход седьмого перемножителя 41 подключен к выходу второго интегратора 82, опорный вход перемножителя 47 подключен к выходу решающего блока 9, входом соединенного с выходом первого интегратора 81, при этом выход решающего блока 9 является и выходом корреляционного приемника. Блок 2 кодовой синхронизации содержит последовательно соединенные временной дискриминатор 11, второй петлевой фильтр 12, управляемый фазовращатель 13 и генератор 14 кода, а также синтезатор 15 опорных квадратурных сигналов, дешифратор 16 и делитель 17 частоты. Временной дискриминатор 11 включает последовательно соединенные восьмой перемножитель 48, третий интегратор 83 и девятый перемножитель 49 причем сигнальный вход перемножителя 48 соединен с выходом сумматора 7, синхронизирующий вход интегратора 83 соединен с синхронизирующими входами интеграторов 81 и 82 и подключен к выходу дешифратора 16, опорный вход перемножителя 49 подключен к выходу решающего блока 9, а выход перемножителя 49 соединен со входом второго петлевого фильтра 12. Вход синтезатора 15 опорных квадратурных сигналов подключен к прямому выходу генератора 14 кода, инверсный выход которого соединен с опорным входом перемножителя 48, а к дополнительным выходам генератора 14 кода подключен дешифратор 16. Выходы синтезатора 15 опорных квадратурных сигналов соединены соответственно с объединенными попарно опорными входами перемножителей 43 и 46, 44 и 45. Сигнальный вход управляемого фазовращателя 13 подключен к выходу делителя 17 частоты, вход которого соединен с первым квадратурным выходом подстраиваемого генератора 5 несущей частоты.
Корреляционный приемник шумоподобных сигналов (ШПС) с минимальной частотной манипуляцией работает следующим образом. Входной шумоподобный сигнал поступает на перемножители А1 и А2, где перемножается с опорными квадратурными сигналами соответственно cos( 0t)и sin( 0t) частоты о, равной средней частоте ШПС. Указанные сигналы вырабатываются подстраиваемым генератором 5 несущей частоты блока 1 фазовой синхронизации. Квадратурные видеочастотные сигналы с выходов перемножителей 41 и 42 поступают на попарно объединенные сигнальные входы перемножителей 43 и 45, А4 и 46 соответственно, где перемножаются с опорными видеочастотными сигналами, формируемыми синтезатором 15 опорных квадратурных сигналов блока 2 кодовой синхронизации. При идеальной кодовой синхронизации опорные квадратурные сигналы являются точными копиями квадратурных видеочастотных компонентов I(t) и Q(t) принимаемого ШПС.
Результаты перемножения квадратурных составляющих входного и опорных сигналов объединяются в вычитателе 6 и сумматоре 7, образуя соответственно «косинусную» и «синусную» квадратурные составляющие, пропорциональные cos (t) и sin (t), где (t) – фазовая ошибка системы синхронизации (составляющие удвоенной частоты 0 подавляются при последующей обработке). Интеграторы 81 и 82 в квадратурных каналах фазового дискриминатора 3 осуществляют интегрирование поступающих на их входы квадратурных составляющих сжатого по спектру сигнала на интервалах, равных периоду Тп повторения ШПС. Сброс интеграторов 81 и 82 осуществляется с шагом Тп синхроимпульсами, вырабатываемыми дешифратором 16 блока 2 кодовой синхронизации.
Результаты z1~cos и z2~sin интегрирования в квадратурных каналах фазового дискриминатора 3 (не зависящие от времени в установившемся режиме) поступают на выходной перемножитель 47, формирующий сигнал ошибки zд( ), пропорциональный фазовому рассогласованию принимаемого ШПС и опорных сигналов частоты о. При этом составляющая z2 поступает на сигнальный вход перемножителя 47 непосредственно, а составляющая z1 поступает на опорный вход перемножителя 47 через решающий блок 9, осуществляющий преобразование вида sign(z1) (знаковая функция), благодаря чему исключается влияние цифровой модуляции ШПС D(t) [1,-1] на формирование сигнала ошибки zд( ). Выход решающего блока 9 является выходом корреляционного приемника (выход демодулятора цифрового сообщения D(t)).
Выходной сигнал петлевого фильтра 10, сглаживающего флуктуации сигнала ошибки zд( ), обусловленные действием шума, используется для управления частотой и фазой опорных сигналов, формируемых подстраиваемым генератором 5 несущей частоты.
Блок 2 кодовой синхронизации работает следующим образом. Сигнал с выхода сумматора 7 поступает на вход перемножителя 48, где перемножается с опорной инверсной кодовой последовательностью -d(t). Прямой код d(t) [1,-1] используется при формировании опорных видеочастотных сигналов I(t) и Q(t) в синтезаторе 15 опорных квадратурных сигналов. Оба кода (прямой и инверсный) формируются генератором 14 кода. Выходной сигнал перемножителя 48 интегрируется на интервалах, равных периоду Тп повторения ШПС, в результате чего на выходе интегратора 83 образуется сигнал ошибки, поступающий на сигнальный вход перемножителя 49. С помощью перемножителя 49 исключается влияние цифровой модуляции ШПС на формирование сигнала ошибки, пропорционального временному рассогласованию входного ШПС и опорных квадратурных сигналов I(t) и Q(t). Достигается это путем подачи на опорный вход перемножителя 49 оценки информационного символа с выхода решающего блока 9. Петлевой фильтр 12 сглаживает флуктуации сигнала ошибки, формируя управляющий сигнал для управляемого фазовращателя 13. Меандровый сигнал тактовой частоты fT=1/T формируется делителем 17 частоты путем деления несущей частоты f0:fT=fo/m,m – целое. На вход генератора 14 кода сигнал тактовой частоты поступает через управляемый фазовращатель 13. Формируемая генератором 14 кода кодовая последовательность (прямой код d(t)) поступает на вход синтезатора 15 опорных квадратурных сигналов, определяя знак приращения фазы /2 на интервалах, равных длительности Т элемента кода.
С выходов синтезатора 15 опорные квадратурные сигналы I(t) и Q(t) поступают соответственно на перемножители 43 и 46, 44 и 45 фазового дискриминатора 3 блока 1 фазовой синхронизации. Дешифратор 16, подключенный к генератору 14 кода, формирует синхроимпульсы с частотой повторения Fп=1/Тп для интеграторов 81, 82 и 83 фазового и временного дискриминаторов 3 и 11.
В установившемся режиме работы блоков 1 и 2 фазовой и кодовой синхронизации точность кодовой синхронизации определяется фазовой ошибкой системы синхронизации. При этом ошибка кодовой синхронизации (среднее квадратическое отклонение) в m раз меньше, чем в случае использования автономной системы кодовой синхронизации (устройство-прототип). Однако в силу периодичности дискриминационной характеристики (ДХ) фазового дискриминатора в установившемся режиме возможна статическая ошибка ст=±k (фиг. 2а). Для ее устранения (устранения многозначности фазовых измерений) в предлагаемом устройстве используется контур регулирования, включающий временной дискриминатор 11, петлевой фильтр 12 и управляемый фазовращатель 13. При наличии статической ошибки ст вырабатывается управляющий сигнал, пропорциональный временному рассогласованию (дискриминационная характеристика на фиг. 2б), под действием которого сигнал тактовой частоты сдвигается на kTo/2 (T0 – период несущей частоты) в сторону опережения или запаздывания в зависимости от величины и знака управляющего сигнала, поступающего на управляемый фазовращатель 13.
Пример реализации синтезатора опорных квадратурных сигналов с использованием накапливающего сумматора (аккумулятора фазы) и постоянного запоминающего устройства для хранения отсчетов квадратурных сигналов приведен в монографии [Цифровые системы фазовой синхронизации/ М.И.Жодзишский, С.Ю.Сила-Новицкий, В.А.Прасолов и др.; Под ред. М.И.Жодзишского. – М.: Сов. Радио, 1980. – С.55-57].
Предлагаемое устройство позволяет повысить точность кодовой синхронизации корреляционного приемника шумоподобных сигналов с минимальной частотной манипуляцией.
Формула изобретения
Корреляционный приемник шумоподобных сигналов с минимальной частотной манипуляцией, содержащий блок фазовой синхронизации, включающий фазовый дискриминатор, содержащий первый и второй перемножители, сигнальные входы которых объединены и являются входом корреляционного приемника, третий, четвертый, пятый и шестой перемножители, вычитатель и сумматор, первый и второй интеграторы, решающий блок, выход которого соединен с опорным входом седьмого перемножителя, к выходу которого подключены последовательно соединенные первый петлевой фильтр и подстраиваемый генератор несущей частоты, квадратурные выходы которого соединены соответственно с опорными входами первого и второго перемножителей, блок кодовой синхронизации, включающий последовательно соединенные временной дискриминатор, второй петлевой фильтр, управляемый фазовращатель, генератор кода, а также дешифратор, подключенный к дополнительным выходам генератора кода, другой вход управляемого фазовращателя подключен к выходу делителя частоты, входом соединенного с первым квадратурным выходом подстраиваемого генератора несущей частоты, отличающийся тем, что сигнальные входы третьего и пятого, четвертого и шестого перемножителей попарно объединены и подключены к выходам соответственно первого и второго перемножителей, выходы третьего и четвертого, пятого и шестого перемножителей объединены соответственно через вычитатель и сумматор, к выходам которых подключены первый и второй интеграторы соответственно, сигнальный вход седьмого перемножителя подключен к выходу второго интегратора, вход решающего блока соединен с выходом первого интегратора, в блок кодовой синхронизации введен синтезатор опорных квадратурных сигналов, подключенный по входу к прямому выходу генератора кода, инверсный выход которого соединен с опорным входом временного дискриминатора, включающего последовательно соединенные восьмой перемножитель, сигнальный вход которого подключен к выходу сумматора, а опорный вход является опорным входом временного дискриминатора, третий интегратор, синхронизирующий вход которого соединен с синхронизирующими входами первого и второго интеграторов и подключен к выходу дешифратора, девятый перемножитель, опорный вход которого подключен к выходу решающего блока, а выход которого является выходом временного дискриминатора, при этом выходы синтезатора опорных квадратурных сигналов соединены соответственно с попарно объединенными опорными входами третьего и шестого, четвертого и пятого перемножителей, а выход решающего блока является выходом корреляционного приемника.
РИСУНКИ
|
|