|
|
(21), (22) Заявка: 2008106336/09, 18.02.2008
(24) Дата начала отсчета срока действия патента:
18.02.2008
(46) Опубликовано: 27.11.2009
(56) Список документов, цитированных в отчете о поиске:
RU 2195765 C1, 27.12.2002. RU 2190924 C1, 10.10.2002. SU 1144186 A1, 07.03.1985. SU 379047 A1, 01.01.1973. JP 55128913 A, 06.10.1980.
Адрес для переписки:
644009, г.Омск-9, ул. Масленникова, 231, ФГУП ОНИИП
|
(72) Автор(ы):
Рябоконь Дмитрий Селиверстович (RU)
(73) Патентообладатель(и):
Федеральное государственное унитарное предприятие Омский научно-исследовательский институт приборостроения (RU)
|
(54) ПЬЕЗОЭЛЕКТРИЧЕСКИЙ ФИЛЬТР
(57) Реферат:
Использование: в радиотехнических устройствах, в частности, в качестве высокоселективного устройства на М+1 полос пропускания. Технический результат заключается в расширении функциональных возможностей. Фильтр содержит входной дифференциальный трансформатор, к каждому выводу дифференциальной обмотки которого подключен первый вывод пьезорезонатора, вторые выводы пьезорезонаторов попарно соединены и подключены к потенциальному выводу двухполюсника, содержащего соединенные параллельно катушку индуктивности и конденсатор, выходной дифференциальный трансформатор, у которого к каждому выводу дифференциальной обмотки подключен первый вывод пьезорезонатора, вторые выводы пьезорезонаторов попарно объединены и соединены с потенциальным выводом двухполюсника, средние выводы дифференциальных обмоток и низкопотенциальный вывод двухполюсника соединены с общей шиной, дополнительно содержит М пар входных пьезорезонаторов, М двухполюсников и М пар выходных пьезорезонаторов, при этом у каждой входной пары первые выводы пьезорезонаторов соединены с выводами дифференциальной обмотки входного трансформатора, а вторые попарно соединены и подключены к потенциальному выводу дополнительного двухполюсника соответственно, у каждой выходной пары первые выводы пьезорезонаторов соединены с выводами дифференциальной обмотки выходного трансформатора, вторые выводы попарно соединены и подключены к потенциальному выводу дополнительного двухполюсника соответственно. 1 ил.
Изобретение относится к радиотехнике и может быть использовано в радиотехнических устройствах, в частности, в качестве высокоселективного устройства на М+1 полос пропускания.
Известен пьезоэлектрический фильтр, содержащий входной дифференциальный трансформатор, у которого к каждому выводу дифференциальной обмотки подключен первый вывод пьезорезонатора, вторые выводы пьезорезонаторов попарно соединены и подключены к потенциальному выводу двухполюсника, содержащего соединенные параллельно катушку индуктивности и конденсатор. Содержит выходной дифференциальный трансформатор, у которого к каждому выводу дифференциальной обмотки подключен первый вывод пьезорезонатора, вторые выводы пьезорезонаторов попарно соединены и подключены к потенциальному выводу двухполюсника. Средние выводы дифференциальных обмоток и низкопотенциальный вывод двухполюсника соединены с общей шиной [1].
Известный фильтр является двухзвенным полосовым на среднюю частоту F.
В настоящее врнмя имеется необходимость в пьезоэлектрическом фильтре на Р полос пропускания, на Р средних частот.
Задача изобретения – расширение функциональных возможностей.
Это достигается тем, что пьезоэлектрический фильтр, содержащий входной дифференциальный трансформатор, у которого к каждому выводу дифференциальной обмотки подключен первый вывод пьезорезонатора, вторые выводы пьезорезонаторов попарно соединены и подключены к потенциальному выводу двухполюсника, содержащего соединенные параллельно катушку индуктивности и конденсатор, выходной дифференциальный трансформатор, у которого к каждому выводу дифференциальной обмотки подключен первый вывод пьезорезонатора, вторые выводы пьезорезонаторов попарно объединены и соединены с потенциальным выводом двухполюсника, средние выводы дифференциальных обмоток и низкопотенциальный вывод двухполюсника согласно изобретению соединены с общей шиной, содержит дополнительно М пар входных пьезорезонаторов, М двухполюсников и М пар выходных пьезорезонаторов, при этом у каждой входной пары первые выводы пьезорезонаторов соединены с выводами дифференциальной обмотки входного трансфороматора, вторые выводы попарно соединены и подключены к потенциальному выводу дополнительного двухполюсника соответственно, у каждой выходной пары первые выводы пьезорезонаторов соединены с выводами диффференциальной обмотки выходного трансформатора, вторые выводы попарно соединены и подключены к потенциальному выводу дополнительного двухполюсника соответственно, низкопотенциальные выводы у всех дополнительных двухполюсников соединены с общей шиной, у каждого двухполюсника паралелльно выводам включен ключ.
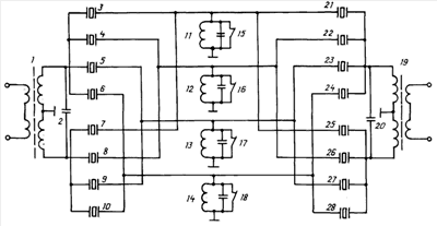
На чертеже приведена схема предлагаемого пьезоэлектрического фильтра. Фильтр включает входной дифференциальный трансформатор 1, к дифференциальной обмотке которого подключены конденсатор 2 и пьезорезонаторы 3, 4, 5, 6, 7, 8, 9 и 10. По выходу пьезорезонаторы попарно соединены и подключены к соответствующему двухполюснику, который содержит соединенные параллельно катушку индуктивности и конденсатор. Так, пьезорезонатор 3 объединен с пьезорезонатором 7 и соединен с потенциальным выводом двухполюсника 11, пьезорезонатор 4 объединен с пьезорезонатором 8 и соединен с потенциальным выводом двухполюсника 12, пьезорезонатор 5 объединен с пьезорезонатором 9 и соединен с потенциальным выводом двухполюсника 13, пьезорезонатор 6 объединен с пьезорезонатором 10 и соединен с потенциальным выводом двухполюсника 14.
У каждого двухполюсника параллельно выводам подключены ключи 15, 16, 17, 18 соответственно.
Фильтр включает выходной дифференциальный трансформатор 19. К дифференциальной обмотке подключены конденсатор 20 и пьезорезонаторы 21, 22, 23, 24, 25, 26, 27 и 28. По входу пьезорезонаторы попарно объединены и подключены к соответствующему двухполюснику. Пьезорезонатор 21 объединен с пьезорезонатором 25 и соединен с потенциальным выводом двухполюсника 11, пьезорезонатор 22 объединен с пьезорезонатором 26 и соединен с потенциальным выводом двухполюсника 12, пьезорезонатор 23 объединен с пьезорезонатором 27 и соединен с потенциальным выводом двухполюсника 13, пьезорезонатор 24 объединен с пьезорезонатором 28 и соединен с потенциальным выводом двухполюсника 14.
Фильтр работает следующим образом.
При разомкнутом ключе 15 и замкнутых ключах 16, 17 и 18 фильтр работает как полосовой на среднюю частоту F1.
При разомкнутом ключе 16 и замкнутых ключах 15, 17 и 18 фильтр работает как полосовой на среднюю частоту F2.
При разомкнутом ключе 17 и замкнутых ключах 15, 16 и 18 фильтр работает как полосовой на среднюю частоту F3.
При разомкнутом ключе 18 и замкнутых ключах 15, 16 и 17 фильтр работает как полосовой на среднюю частоту F4.
В первом случае пьезорезонаторы 4, 5, 6, 7, 8, 9, 10, 22, 23, 24, 26, 27 и 28 работают как режекторные, увеличивая затухание в полосе задерживания полосового фильтра на среднюю частоту F1.
Аналогично работают фильтры на средние частоты F2, F3, F-4. При разомкнутых ключах 15, 16, 17 и 18 фильтр имеет широкую полосу пропускания, равную четырем полосам. Возможны и другие комбинации.
Предлагаемый фильтр является многофункциональным.
Источники информации
1. “Широкополосные кварцевые фильтры с симметричной частотной характеристикой”. Министерство радиопромышленности СССР, Информационно-справочный листок 05616, февраль 1965 г.
2. “Широкополосный пьезоэлектрический дифференциально-мостовой фильтр с двумя резонаторами”. Омский институт инженеров железнодорожного транспорта. Проводная связь и радиосвязь на железнодорожном транспорте. Научные труды, том 76, 1966 г.
Формула изобретения
Пьезоэлектрический фильтр, содержащий входной дифференциальный трансформатор, у которого к каждому выводу дифференциальной обмотки подключен первый вывод пьезорезонатора, вторые выводы пьезорезонаторов попарно соединены и подключены к потенциальному выводу двухполюсника, содержащего соединенные параллельно катушку индуктивности и конденсатор, выходной дифференциальный трансформатор, у которого к каждому выводу дифференциальной обмотки подключен первый вывод пьезорезонатора, вторые выводы пьезорезонаторов попарно объединены и соединены с потенциальным выводом двухполюсника, средние выводы дифференциальных обмоток и низкопотенциальный вывод двухполюсника соединены с общей шиной, отличающийся тем, что содержит дополнительно М пар входных пьезорезонаторов, М двухполюсников и М пар выходных пьезорезонаторов, при этом у каждой входной пары первые выводы пьезорезонаторов соединены с выводами дифференциальной обмотки входного трансформатора, вторые выводы попарно соединены и подключены к потенциальному выводу дополнительного двухполюсника соответственно, у каждой выходной пары первые выводы пьезорезонаторов соединены с выводами дифференциальной обмотки выходного трансформатора, вторые выводы попарно соединены и подключены к потенциальному выводу дополнительного двухполюсника соответственно, низкопотенциальные выводы у всех дополнительных двухполюсников соединены с общей шиной, у каждого двухполюсника параллельно выводам включен ключ.
РИСУНКИ
|
|