|
(21), (22) Заявка: 2007147282/09, 18.12.2007
(24) Дата начала отсчета срока действия патента:
18.12.2007
(43) Дата публикации заявки: 27.06.2009
(46) Опубликовано: 27.11.2009
(56) Список документов, цитированных в отчете о поиске:
US 2006/0091952 A1, 04.05.2006. SU 1432726 A1, 23.10.1988. SU 1415423 A1, 07.08.1988. JP 63-253705 A, 20.10.1988.
Адрес для переписки:
346500, Ростовская обл., г. Шахты, ул. Шевченко, 147, ЮРГУЭС, патентная служба
|
(72) Автор(ы):
Прокопенко Николай Николаевич (RU), Конев Даниил Николаевич (RU), Хорунжий Андрей Васильевич (RU)
(73) Патентообладатель(и):
Государственное образовательное учреждение высшего профессионального образования “Южно-Российский государственный университет экономики и сервиса” (ГОУ ВПО “ЮРГУЭС”) (RU)
|
(54) КОМПЛЕМЕНТАРНЫЙ КАСКОДНЫЙ ДИФФЕРЕНЦИАЛЬНЫЙ УСИЛИТЕЛЬ
(57) Реферат:
Изобретение относится к области радиотехники и связи и может быть использовано в качестве устройства усиления аналоговых сигналов с широким динамическим диапазоном, в структуре аналоговых микросхем различного функционального назначения (например, операционных усилителях (ОУ), непрерывных стабилизаторах напряжения и т.п.). Технический результат – повышение статической точности и коэффициента усиления. Комплементарный каскодный дифференциальный усилитель (ККДУ) содержит первый (1) и второй (2) входные транзисторы (Т) одного типа проводимости, эмиттеры (истоки) которых соединены с эмиттерами (истоками) первого (3) и второго (4) выходных Т другого типа проводимости, причем базы (затворы) первого (3) и второго (4) Т объединены, первый (5) и второй (6) токостабилизирующие двухполюсники нагрузки, подключенные к коллекторам (стокам) соответствующих первого (3) и второго (4) Т, входной транзистор (7) выходного эмиттерного (истокового) повторителя (ЭП) напряжения, база которого соединена с коллектором (стоком) второго (4) Т, а эмиттер (исток) – связан с источником опорного тока (ИОТ) (8) и выходом (9) ККДУ. Эмиттер (исток) Т (7) выходного ЭП связан с ИОТ (8) через цепь смещения, объединенные базы (затворы) первого (3) и второго (4) Т соединены с коллектором (стоком) первого (11) дополнительного Т, эмиттер (исток) которого связан с эмиттером (истоком) второго (12) дополнительного Т, причем база (затвор) второго (12) дополнительного Т соединена с коллектором (стоком) первого (3) Т, а база первого (11) дополнительного Т связана с цепью смещения. 3 з.п. ф-лы, 8 ил.
Изобретение относится к области радиотехники и связи и может быть использовано в качестве устройства усиления аналоговых сигналов с широким динамическим диапазоном, в структуре аналоговых микросхем различного функционального назначения (например, операционных усилителях (ОУ), непрерывных стабилизаторах напряжения и т.п.).
Известны схемы дифференциальных усилителей (ДУ) на n-р-n и р-n-р транзисторах с так называемой «архитектурой входного каскада операционного усилителя µA741» [1-30] или комплементарных каскодных дифференциальные усилители (ККДУ). На их модификации выдано более 50 патентов для ведущих микроэлектронных фирм мира. Дифференциальные усилители данного класса, наряду с типовым параллельно-балансным каскадом [29-30], стали основным усилительным элементом многих аналоговых интерфейсов. Предлагаемое изобретение относится к данному подклассу устройств.
Ближайшим прототипом (фиг.1) заявляемого устройства является комплементарный каскодный дифференциальный усилитель, описанный в патентной заявке фирмы Texas Instruments США 2006/0091952, содержащий первый 1 и второй 2 входные транзисторы одного типа проводимости, эмиттеры (истоки) которых соединены с эмиттерами (истоками) первого 3 и второго 4 выходных транзисторов другого типа проводимости, причем базы (затворы) первого 3 и второго 4 выходных транзисторов объединены, первый 5 и второй 6 токостабилизирующие двухполюсники нагрузки, подключенные к коллекторам (стокам) соответствующих первого 3 и второго 4 выходных транзисторов, входной транзистор (7) выходного эмиттерного (истокового) повторителя напряжения, база которого соединена с коллектором второго 4 выходного транзистора, а эмиттер связан с источником опорного тока 8 и выходом 9 комплементарного каскодного дифференциального усилителя.
По аналогичной структуре выполнен также комплементарный дифференциальный усилитель в патенте фирмы Analog Devices 5406222 (фиг.2).
Существенный недостаток известного ККДУ состоит в том, что он имеет сравнительно большое напряжение смещения нуля (Ucм), а также невысокий коэффициент усиления по напряжению Kу=uвых/uвх.
Основная цель предполагаемого изобретения состоит в повышении статической точности ККДУ. Дополнительная цель – повышение коэффициента усиления дифференциального сигнала.
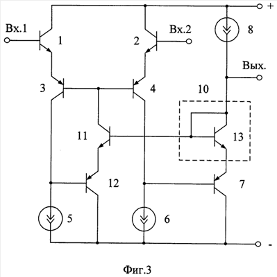
Поставленная цель достигается тем, что в дифференциальном усилителе фиг.1, содержащем первый 1 и второй 2 входные транзисторы одного типа проводимости, эмиттеры (истоки) которых соединены с эмиттерами (истоками) первого 3 и второго 4 выходных транзисторов другого типа проводимости, причем базы (затворы) первого 3 и второго 4 выходных транзисторов объединены, первый 5 и второй 6 токостабилизирующие двухполюсники нагрузки, подключенные к коллекторам (стокам) соответствующих первого 3 и второго 4 выходных транзисторов, входной транзистор 7 выходного эмиттерного (истокового) повторителя напряжения, база (затвор) которого соединена с коллектором (стоком) второго 4 выходного транзистора, а эмиттер (исток) – связан с источником опорного тока 8 и выходом 9 комплементарного каскодного дифференциального усилителя, предусмотрены новые элементы и связи (фиг.3) – эмиттер (исток) входного 7 транзистора выходного эмиттерного (истокового) повторителя связан с источником опорного тока 8 через цепь смещения, объединенные базы (затворы) первого 3 и второго 4 выходных транзисторов соединены с коллектором (стоком) первого 11 дополнительного транзистора, эмиттер (исток) которого связан с эмиттером (истоком) второго 12 дополнительного транзистора, причем база (затвор) второго 12 дополнительного транзистора соединена с коллектором (стоком) первого 3 выходного транзистора, а база первого 11 дополнительного транзистора связана с цепью смещения.
Схема усилителя-прототипа представлена на фиг.1 (фиг.2). На фиг.3 показано заявляемое устройство в соответствии с п.1, п.2 формулы изобретения.
На фиг.4 показана схема ККДУ, соответствующего п.3 и п.4 формулы изобретения.
На фиг.5 показана схема заявляемого устройства фиг.4 в среде компьютерного моделирования PSpice на моделях интегральных транзисторов ФГУП НПП «Пульсар», а на фиг.6 – ККДУ – прототипа.
На фиг.7 показаны результаты компьютерного моделирования сравниваемых схем фиг.5, фиг.6 – зависимости их коэффициента усиления по напряжению от частоты. На фиг.8 представлены графики, характеризующие зависимость коэффициента по напряжению от частоты сравниваемых схем для случая, когда двухполюсники 5 и 6 (фиг.3, фиг.4) идеальны, т.е. имеют нулевую выходную проводимость. Сопоставление графиков фиг.7 и фиг.8 позволяет оценить интервал изменения коэффициента усиления по напряжению в зависимости от схемотехнических особенностей двухполюсников 5 и 6 заявляемого устройства и ДУ-прототипа.
Дифференциальный усилитель фиг.3 содержит первый 1 и второй 2 входные транзисторы одного типа проводимости, эмиттеры (истоки) которых соединены с эмиттерами (истоками) первого 3 и второго 4 выходных транзисторов другого типа проводимости, причем базы (затворы) первого 3 и второго 4 выходных транзисторов объединены, первый 5 и второй 6 токостабилизирующие двухполюсники нагрузки, подключенные к коллекторам (стокам) соответствующих первого 3 и второго 4 выходных транзисторов, входной транзистор 7 выходного эмиттерного (истокового) повторителя напряжения, база которого соединена с коллектором второго 4 выходного транзистора, а эмиттер связан с источником опорного тока 8 и выходом 9 комплементарного каскодного дифференциального усилителя. Эмиттер (исток) входного 7 транзистора выходного эмиттерного (истокового) повторителя связан с источником опорного тока 8 через первую 10 цепь смещения, объединенные базы (затворы) первого 3 и второго 4 выходных транзисторов соединены с коллектором (стоком) первого 11 дополнительного транзистора, эмиттер (исток) которого связан с эмиттером (истоком) второго 12 дополнительного транзистора, причем база (затвор) второго 12 дополнительного транзистора соединена с коллектором (стоком) первого 3 выходного транзистора, а база первого 11 дополнительного транзистора связана с первой цепью смещения 10.
В соответствии с п.2 формулы изобретения (фиг.3) первая цепь смещения 10 комплементарного каскодного дифференциального усилителя содержит прямосмещенный р-n переход 13.
В устройстве фиг.4, в соответствии с п.3 и п.4 формулы изобретения, эмиттер (исток) входного транзистора 7 выходного эмиттерного (истокового) повторителя напряжения связан с источником опорного тока 8 и выходом комплементарного каскодного дифференциального усилителя 9 через последовательно включенные первую 10 и вторую 14 цепи смещения, общий узел которых соединен с базой (затвором) первого 11 дополнительного транзистора. При этом объединенные базы (затворы) первого 3 и второго 4 выходных транзисторов могут быть связаны со вспомогательным источником тока 15.
Рассмотрим работу заявляемого ДУ фиг.4.
В статическом режиме в схеме фиг.4 устанавливаются следующие токи и напряжения:
Iэ1=Iэ2, Iк3+Iб12=I5, Iк11 I15,
Iк4+Iб7=I6=I5, Iэ2=Iэ4 Iк4,
Uкб3 Uкб5, Uб5 Uб6, Iб12 Iб7,
где Iэ, Iк, Iб – ток эмиттера, ток коллектора и ток базы транзисторов;
Uкб – напряжение коллектор-база;
I5=I6 – токи двухполюсников 5 и 6.
За счет соответствующего построения цепи смещения 14 можно обеспечить нулевой потенциал на выходе 9 при введении 100% общей отрицательной обратной связи на вход Вх.(-)1.
Благодаря предлагаемой схемотехнике в заявляемом устройстве при несимметричном выходе реализуется симметричный статический режим по напряжению коллектор-база транзисторов 3 и 4, а также транзисторов 12 и 7. Данное обстоятельство является необходимым условием минимизации статических погрешностей в схеме фиг.4, зависящих от токов базы транзисторов 12 и 7, а также эффекта Эрли в транзисторах 3 и 4. В результате более чем на порядок уменьшается напряжение смещения нуля (Uсм), повышается коэффициент ослабления входных синфазных сигналов.
Замечательная особенность ККДУ фиг.4 состоит также в том, что его коэффициент усиления по напряжению Ку повышается более чем на 10-20 дБ (фиг.7, фиг.8) с одновременным увеличением площади усиления. Это связано с эффектом взаимной компенсации влияния на коэффициент усиления паразитных выходных проводимостей в цепи базы транзистора 7.
Таким образом, заявляемое устройство характеризуется существенными преимуществами в сравнении с прототипом. Полученные выше выводы подтверждаются результатами моделирования предлагаемой схемы в среде PSpice.
Литература
1. Патент США 3.786.362.
2. Патент США 4.030.044.
3. Патент США 4.059.808, фиг.5.
4. Патент США 4.286.227.
5. Авт. свид. СССР 375754, H03f 3/38.
6. Авт. свид. СССР 843164, H03f 3/30.
7. Патент США 3.660.773.
8. Патент США 4.560.948.
9. Патент РФ 2930041, H03f 1/32.
10. Патент Японии 57-5364, H03f 3/343.
11. Патент ЧССР 134845, кл. 21а2 18/08.
12. Патент ЧССР 134849, кл. 21а2 18/08.
13. Патент ЧССР 135326, кл. 21а2 18/08.
14. Патент США 4.389.579.
15. Патент Англии 1543361, Н3Т.
16. Патент США 5.521.552 (фиг.3а).
17. Патент США 4.059.808.
18. Патент США 5.789.949.
19. Патент США 4.453.134.
20. Патент США 4.760.286.
21. Авт. свид. СССР 1283946.
22. Патент РФ 2019019.
23. Патент США 4.389.579.
24. Патент США 4.453.092.
25. Патент США 3.566.289.
26. Патент США 4.059.808 (фиг.2).
27. Патент США 3.649.926.
28. Патент США 4.714.894 (фиг.1).
29. Матавкин В.В. Быстродействующие операционные усилители. – М.: Радио и связь, 1989.
30. М.Херпи. Аналоговые интегральные схемы. – М.: Радио и связь, 1983, стр.174, рис.5.52.
Формула изобретения
1. Комплементарный каскодный дифференциальный усилитель, содержащий первый (1) и второй (2) входные транзисторы одного типа проводимости, эмиттеры (истоки) которых соединены с эмиттерами (истоками) первого (3) и второго (4) выходных транзисторов другого типа проводимости, причем базы (затворы) первого (3) и второго (4) выходных транзисторов объединены, первый (5) и второй (6) токостабилизирующие двухполюсники нагрузки, подключенные к коллекторам (стокам) соответствующих первого (3) и второго (4) выходных транзисторов, входной транзистор (7) выходного эмиттерного (истокового) повторителя напряжения, база (затвор) которого соединена с коллектором (стоком) второго (4) выходного транзистора, а эмиттер (исток) связан с источником опорного тока (8) и выходом (9) комплементарного каскодного дифференциального усилителя, отличающийся тем, что эмиттер (исток) входного (7) транзистора выходного эмиттерного (истокового) повторителя связан с источником опорного тока (8) через первую (10) цепь смещения, объединенные базы (затворы) первого (3) и второго (4) выходных транзисторов соединены с коллектором (стоком) первого (11) дополнительного транзистора, эмиттер (исток) которого связан с эмиттером (истоком) второго (12) дополнительного транзистора, причем база (затвор) второго (12) дополнительного транзистора соединена с коллектором (стоком) первого (3) выходного транзистора, а база первого (11) дополнительного транзистора связана с цепью смещения.
2. Устройство по п.1, отличающееся тем, что цепь смещения содержит прямосмещенный р-n-переход (13).
3. Устройство по п.1, отличающееся тем, что эмиттер (исток) входного транзистора (7) выходного эмиттерного (истокового) повторителя напряжения связан с источником опорного тока (8) и выходом комплементарного каскодного дифференциального усилителя (9) через последовательно включенные первую (10) и вторую (14) цепи смещения, общий узел которых соединен с базой (затвором) первого (11) дополнительного транзистора.
4. Устройство по п.1, отличающееся тем, что объединенные базы (затворы) первого (3) и второго (4) выходных транзисторов связаны со вспомогательным источником тока (15).
РИСУНКИ
|