|
|
(21), (22) Заявка: 2008102675/09, 23.01.2008
(24) Дата начала отсчета срока действия патента:
23.01.2008
(43) Дата публикации заявки: 27.07.2009
(46) Опубликовано: 27.11.2009
(56) Список документов, цитированных в отчете о поиске:
Вестник ВЭлНИИ. Новочеркасск, 2005, 2(49), с.141-147. RU 2218646 C2, 10.12.2003. RU 2254659 C1, 20.06.2005. SU 1492401, 07.07.1989. EP 0491180 A, 24.06.1992.
Адрес для переписки:
346413, Ростовская обл., г. Новочеркасск, ул. Машиностроителей, 3, ОАО “ВЭлНИИ”
|
(72) Автор(ы):
Сметанкин Георгий Павлович (RU), Бурдюгов Александр Сергеевич (RU), Матекин Сергей Семенович (RU)
(73) Патентообладатель(и):
Открытое акционерное общество “Всероссийский научно-исследовательский и проектно-конструкторский инстиут электровозостроения” (ОАО “ВЭлНИИ”) (RU)
|
(54) УСТРОЙСТВО ПОДЗАРЯДА АККУМУЛЯТОРНОЙ БАТАРЕИ И ПИТАНИЯ БОРТОВОЙ СЕТИ ЭЛЕКТРОВОЗА
(57) Реферат:
Используется в качестве устройства для обеспечения бесперебойного питания нагрузки стабилизированным постоянным напряжением. Устройство предназначено для подзаряда электровозной батареи стабилизированным напряжением величиной, зависящей от температуры батареи, и обеспечения бортовой сети электровоза стабилизированным напряжением как при наличии, так и при отсутствии напряжения в контактной сети. Техническим результатом является повышение стабильности напряжения и эффективности подзаряда батареи в широком диапазоне температур окружающей среды. 1 ил.
Изобретение относится к электротехнике, в частности к устройствам для обеспечения бесперебойного питания нагрузки стабилизированным постоянным напряжением.
Известно устройство для питания бортовой сети электровоза [Беляев А.В., Посохов Е.О., Терехин С.В. Определение параметров схемы шкафа питания для электровоза 2ЭС4К: Вестник ВЭлНИИ. – Новочеркасск, 2005. – 1(48). – С.140-146], содержащее трансформатор, на вход которого поступает переменное напряжение прямоугольной формы частотой 400 Гц, один вывод вторичной обмотки соединен с катодом первого диода и с анодом первого тиристора, другой вывод вторичной обмотки соединен с катодом второго диода и с анодом второго тиристора, третий тиристор, анод которого соединен с катодами первого и второго тиристоров, с катодом третьего диода и с первым выводом первого дросселя, четвертый диод, катодом соединенный с катодом третьего тиристора и первым выводом второго дросселя, а анодом с отрицательным выводом аккумуляторной батареи (АБ), первым выводом конденсатора и первым выводом нагрузки, причем аноды всех четырех диодов объединены, второй вывод первого дросселя соединен с вторым выводом конденсатора, катодом четвертого тиристора и вторым выводом нагрузки, второй вывод второго дросселя соединен с положительным выводом АБ и анодом четвертого тиристора. При наличии питания на входе трансформатора устройство питает нагрузку (бортовую сеть) стабилизированным напряжением и подзаряжает АБ импульсами тока при снижении напряжения АБ ниже определенного уровня, а при пропадании питания переключает с помощью тиристора бортовую сеть напрямую на АБ. Однако низкая частота коммутации приводит к большим размерам магнитных элементов устройства, переключение бортовой сети на батарейное питание сопровождается провалом напряжения нагрузки, а подзаряд АБ короткими импульсами тока большой амплитуды отрицательно сказывается на сроке службы АБ.
Наиболее близким к предлагаемому техническому решению является устройство для заряда АБ и разряда АБ стабилизированным током на нагрузку [Сметанкин Г.П., Бурдюгов А.С., Матекин С.С. Автоматизированная зарядно-разрядная станция для обслуживания аккумуляторных батарей в электровозных депо: Вестник ВЭлНИИ. – Новочеркасск, 2005. – 2(49). – С.141-147], содержащее низкочастотный трехфазный выпрямитель, на вход которого подается трехфазное входное напряжение, блок питания, вход которого соединен со входом низкочастотного трехфазного выпрямителя, инвертор, вход которого соединен с выходом низкочастотного трехфазного выпрямителя, трансформатор, первичная обмотка которого соединена с выходом инвертора, высокочастотный выпрямитель, вход которого соединен с вторичной обмоткой трансформатора, формирователь зарядного тока, вход которого соединен с выходом высокочастотного выпрямителя, первый фильтр, вход которого соединен с выходом формирователя зарядного тока, формирователь разрядного импульса, один вывод которого соединен с выходом формирователя зарядного тока и входом первого фильтра, формирователь разрядного тока, вход которого соединен с выходом первого фильтра, аккумуляторную батарею, отрицательный вывод которой соединен с другим выводом формирователя разрядного импульса, датчик тока, один вывод которого соединен с положительным выводом АБ, другой – с выходом первого фильтра, второй фильтр, вход которого соединен с выходом формирователя разрядного тока, нагрузка, соединенная одним выводом с выходом второго фильтра, другим выходом с отрицательным выводом АБ, блок управления, соединенный с блоком питания, инвертором, формирователем зарядного тока, формирователем разрядного тока, формирователем разрядного импульса и датчиком тока, датчик напряжения, один вывод которого соединен с выходом первого фильтра, другой с блоком управления, пульт управления и индикации, соединенный с блоком управления. Устройство предназначено для заряда АБ и разряда АБ стабилизированным током на нагрузку.
Недостатком данного устройства является невозможность поддержания постоянного напряжения на нагрузке из-за отсутствия средств контроля напряжения на нагрузке и невозможность работы в отсутствие входного напряжения из-за того, что при этом не работает блок питания.
Задачей изобретения является создание устройства подзаряда АБ и питания бортовой сети, предназначенного для подзаряда АБ стабилизированным напряжением величиной, зависящей от температуры и заряженности АБ, и обеспечения бортовой сети электровоза стабилизированным напряжением как при наличии, так и при отсутствии входного напряжения.
Поставленная задача решается тем, что в известное устройство для заряда АБ и разряда АБ стабилизированным током на нагрузку, содержащее инвертор, датчик напряжения, аккумуляторную батарею, датчик тока, первый вывод которого соединен с первым выводом датчика напряжения, второй вывод соединен с положительным выводом АБ, блок питания, блок управления (БУ), соединенный с выходом блока питания, инвертором, третьим выводом датчика тока и третьим выводом датчика напряжения, пульт управления и индикации (ПУиИ), соединенный с БУ, и нагрузку, введены блок входного фильтра (БВФ), на входные выводы которого подается напряжение сети постоянного тока, а дополнительный вход соединен с блоком управления, положительный выход БВФ соединен с положительным входом инвертора, отрицательный выход соединен с отрицательным входом инвертора, первый дополнительно введенный датчик напряжения, первый вывод которого подключен к положительному выходу БВФ, второй вывод – к отрицательному выходу БВФ, а третий вывод – к БУ, трансформаторно-выпрямительный блок, входы которого соединены с выходами инвертора, положительный выход соединен с первым выводом датчика тока, отрицательный выход соединен с отрицательным выводом АБ, стабилизатор напряжения, положительный вход которого соединен с положительным выходом трансформаторно-выпрямительного блока, отрицательный вход соединен с отрицательным выходом трансформаторно-выпрямительного блока и вторым выводом датчика напряжения, отрицательный выход соединен с отрицательным выводом нагрузки, дополнительный выход соединен с БУ, дополнительно введенный датчик тока, первый вывод которого соединен с положительным выходом стабилизатора напряжения, второй вывод соединен с положительным выводом нагрузки, а третий вывод – с БУ, второй дополнительно введенный датчик напряжения, первым выводом соединенный с положительным выводом нагрузки, вторым выводом соединенный с отрицательным выводом нагрузки, а третим выводом – с БУ, датчик температуры, соединенный с БУ, блок последовательного интерфейса, соединенный с БУ, при этом входные выводы блока питания соединены с выводами АБ.
Введение в схему БВФ, трансформаторно-выпрямительного блока, первого введенного датчика напряжения и датчика температуры позволяет осуществлять подзаряд АБ стабилизированным напряжением различной величины, зависящей от температуры и заряженности АБ. Подключение блока питания к АБ позволяет сохранять работоспособность БУ при отсутствии входного напряжения. Введенные стабилизатор напряжения и второй введенный датчик напряжения позволяют осуществлять стабилизацию напряжения на нагрузке (бортовой сети) как при наличии, так и в отсутствие напряжения входной сети. Введенный датчик тока предназначен для защиты от перегрузки и короткого замыкания в нагрузке. Введенный блок последовательного интерфейса предназначен для связи с системой управления движением электровоза.
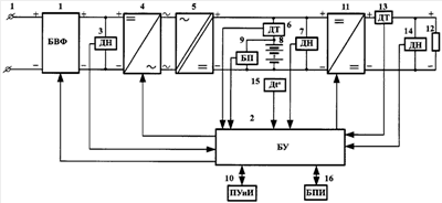
На чертеже представлена схема устройства подзаряда АБ и питания бортовой сети электровоза.
Устройство включает БВФ 1, входы которого предназначены для подачи напряжения сети постоянного тока, при этом дополнительный вход БВФ 1 подключен к БУ 2, первый дополнительно введенный датчик напряжения 3, первым выводом соединенным с положительным выходом БВФ 1, вторым выводом соединенный с отрицательным выходом БВФ 1, а третьим выводом – с БУ 2, инвертор 4, положительный вход которого соединен с положительным выходом БВФ 1, отрицательный вход соединен с отрицательным выходом БВФ 1, а дополнительный вход соединен с БУ 2, трансформаторно-выпрямительный блок 5, входы которого соединены с выходами инвертора 4, датчик тока 6, первый вывод которого соединен с первым выводом датчика напряжения 7 и положительным выходом трансформаторно-выпрямительного блока, второй вывод соединен с положительным выводом АБ 8, а третий вывод соединен с БУ 2, второй вывод датчика напряжения 7 соединен с отрицательным выводом АБ 8, третий вывод датчика напряжения 7 соединен с БУ 2, блок питания 9, выход которого соединен с БУ 2, а входные выводы соединены с выводами АБ 8, ПУиИ 10, соединенный с БУ 2, стабилизатор напряжения 11, положительный вход которого соединен с положительным выходом трансформаторно-выпрямительного блока 5, отрицательный вход соединен с отрицательным выходом трансформаторно-выпрямительного блока 5 и отрицательным выводом АБ 8, отрицательный выход соединен с отрицательным выводом нагрузки 12, дополнительный вход соединен с БУ 2, дополнительно введенный датчик тока 13, первый вывод которого соединен с положительным выходом стабилизатора напряжения 11, второй вывод соединен с положительным выводом нагрузки 12, а третий вывод – с БУ 2, второй дополнительно введенный датчик напряжения 14, первым выводом соединенный с положительным выводом нагрузки 12, вторым выводом соединенный с отрицательным выводом нагрузки 12, а третьим выводом – с БУ 2, датчик температуры 15, соединенный с БУ 2, блок последовательного интерфейса 16, соединенный с БУ 2.
Устройство работает следующим образом.
Блок питания 9, запитываясь от АБ 8, вырабатывает необходимые напряжения питания для БУ 2. Стабилизированное напряжение на нагрузке 12 обеспечивается стабилизатором напряжения 11, выполненным по схеме повышающе-понижающего широтно-импульсного модулятора (ШИМ). Сигнал датчика напряжения 14 поступает в БУ 2 и служит для определения величины рассогласования напряжения нагрузки 12 и уставки, заданной в БУ 2. В зависимости от величины и знака рассогласования БУ 2 формирует сигнал увеличения/уменьшения скважности ШИМа, поступающего в стабилизатор напряжения 11. Если напряжение АБ 8 меньше напряжения бортовой сети, стабилизатор напряжения 11 работает как повышающий ШИМ-преобразователь, если больше – как понижающий ШИМ-преобразователь. Сигнал датчика тока 13 поступает в БУ 2 и служит для определения перегрузки бортовой сети и защиты от короткого замыкания в нагрузке.
При появлении на входе устройства постоянного питающего напряжения начинает работать часть схемы, предназначенная для подзаряда АБ, включающая в себя БВФ 1, инвертор 4, датчик напряжения 7, датчик тока 6, трансформаторно-выпрямительный блок 5, датчик температуры 15. В функции БВФ 1 входят плавный заряд емкости входных конденсаторов БВФ 1 при появлении питающего напряжения на входе устройства, ограничение рабочих импульсных токов, протекающих через входные конденсаторы БВФ 1, и защита питающей сети от высокочастотных помех. Сигнал датчика напряжения 3, поступающий в БУ 2, служит для определения уровня напряжения на выходе БВФ 1 и момента отключения цепей плавного заряда емкости входных конденсаторов, расположенных в блоке БВФ 1.
Постоянное напряжение с выхода БВФ 1 поступает на вход инвертора 4, выполненного по мостовой или полумостовой схеме, который преобразует постоянное напряжение в переменное высокочастотное, поступающее затем в трансформаторно-выпрямительный блок 5, включающий в себя высокочастотный трансформатор, содержащий одну или более первичную обмотку и одну или более вторичную обмотку, одно- или двухполупериодные диодные выпрямители, подключенные к каждой из вторичных обмоток, и LC-фильтр, состоящий из индуктора, подключенного к выходу каждого диодного выпрямителя, и накопительного конденсатора. Трансформатор предназначен для гальванической развязки АБ 8 от входной сети и изменения амплитуды напряжения на вторичных обмотках по сравнению с напряжением на входе трансформатора, диодные выпрямители преобразуют переменное напряжение в импульсное однополярное напряжение, которое затем LC-фильтром преобразуется в усредненное постоянное. Напряжение, формируемое трансформаторно-выпрямительным блоком 5, поступает на стабилизатор 11 и АБ 8, подзаряжая таким образом АБ 8.
Сигнал датчика напряжения 7 поступает в БУ 2 и служит для определения величины рассогласования зарядного напряжения АБ 8 и уставки, заданной в БУ 2. В зависимости от величины и знака рассогласования БУ 2 формирует сигнал увеличения/уменьшения времени открытого состояния силовых ключей инвертора 4, что, в свою очередь, приводит к увеличению/уменьшению зарядного напряжения. Величина уставки, задающей зарядное напряжение, зависит от сигнала с датчика температуры 15, поступающего в БУ 2. Датчик температуры 15 установлен на АБ 8 и служит для задания зависимости зарядного напряжения АБ 8 от температуры батареи согласно техническим условиям (ТУ) на батарею.
Сигнал датчика тока 6 поступает в БУ 2 и служит для ограничения максимально допустимого зарядного тока АБ 8, указанного в ТУ на батарею. При достижении предельного зарядного тока БУ 2 уменьшает зарядное напряжение ниже уровня, определяемого уставкой для данной температуры АБ 8, и по мере спада зарядного тока (роста заряженности АБ 8) увеличивает зарядное напряжение до уровня уставки.
ПУиИ 10 предназначен для отображения информации о величинах токов и напряжений, вырабатываемых устройством, и считывания из памяти БУ 2 диагностической информации о возможных неисправностях устройства.
Блок последовательного интерфейса 16 предназначен для передачи в систему управления верхнего уровня получаемую от БУ 2 информацию о величинах входного, зарядного и выходного напряжений, зарядного и выходного токов, температуре АБ 8, состоянии устройства и получает от нее необходимые команды для БУ 2.
Понижающий и повышающий ШИМ-преобразователи работают поочередно в зависимости от соотношения напряжений АБ и нагрузки, обеспечивая поддержание напряжения на нагрузке 12 в заданных пределах без резких скачков при появлении/пропадании питающего напряжения.
Примененная в данном устройстве последовательность преобразований «входное напряжение-зарядное напряжение-бортовая сеть» позволяет исключить резких перепадов напряжения при появлении/пропадании входной сети на входе стабилизатора 11, т.к. напряжение на АБ 8 не может измениться скачком, что позволяет обеспечить бортовую сеть стабилизированным напряжением без скачков напряжения во всех режимах работы, при этом напряжение батареи может быть как больше, так и меньше напряжения бортовой сети электровоза. Зарядное напряжение, вырабатываемое устройством, зависит от температуры и заряженности АБ 8, что позволяет эффективно подзаряжать батарею в широком диапазоне температур окружающей среды.
Формула изобретения
Устройство подзаряда аккумуляторной батареи и питания бортовой сети электровоза, содержащее инвертор, датчик напряжения, аккумуляторную батарею, датчик тока, первый вывод которого соединен с первым выводом датчика напряжения, второй вывод соединен с положительным выводом аккумуляторной батареи, блок питания, блок управления, соединенный с выходом блока питания, инвертором, третьим выводом датчика тока и третьим выводом датчика напряжения, пульт управления и индикации, соединенный с блоком управления, и нагрузку, отличающееся тем, что в него введены блок входного фильтра, имеющий входные выводы для подключения напряжения сети постоянного тока, а дополнительный вход соединен с блоком управления, положительный выход блока входного фильтра соединен с положительным входом инвертора, отрицательный выход соединен с отрицательным входом инвертора, первый дополнительно введенный датчик напряжения, первый вывод которого подключен к положительному выходу блока входного фильтра, второй вывод к отрицательному выходу блока входного фильтра, а третий вывод к блоку управления, трансформаторно-выпрямительный блок, входы которого соединены с выходами инвертора, положительный выход соединен с первым выводом датчика тока, отрицательный выход соединен с отрицательным выводом аккумуляторной батареи, стабилизатор напряжения, положительный вход которого соединен с положительным выходом трансформаторно-выпрямительного блока, отрицательный вход соединен с отрицательным выходом трансформаторно-выпрямительного блока и вторым выводом датчика напряжения, отрицательный выход соединен с отрицательным выводом нагрузки, дополнительный выход соединен с блоком управления, дополнительно введенный датчик тока, первый вывод которого соединен с положительным выходом стабилизатора напряжения, второй вывод соединен с положительным выводом нагрузки, а третий вывод с блоком управления, второй дополнительно введенный датчик напряжения, первым выводом соединенный с положительным выводом нагрузки, вторым выводом соединенный с отрицательным выводом нагрузки, а третьим выводом с блоком управления, датчик температуры, соединенный с блоком управления, блок последовательного интерфейса, соединенный с блоком управления, при этом входные выводы блока питания соединены с выводами аккумуляторной батареи.
РИСУНКИ
|
|