|
(21), (22) Заявка: 2008140036/09, 09.10.2008
(24) Дата начала отсчета срока действия патента:
09.10.2008
(46) Опубликовано: 27.11.2009
(56) Список документов, цитированных в отчете о поиске:
US 2002205462 А, 08.08.2002. JP 2001-320225 A1, 16.11.2001. SU 1415288 A1, 07.08.1988. RU 2264009 C1, 10.11.2005. US 2008079647 A, 03.04.2008. US 7084822 A, 31.03.2005. JP 01-272208 A1, 31.10.1989. JP 62122304 A, 03.06.1989.
Адрес для переписки:
117393, Москва, ул.Профсоюзная, д.78, офис 2107, пат.пов. В.Н.Рослову, рег. 18
|
(72) Автор(ы):
ЖАЕХО Ли (KR), СЕНГВАН Ким (KR), Крылов Константин Станиславович (RU), Лукьянов Антон Сергеевич (RU), Кузнецов Владимир Владимирович (RU)
(73) Патентообладатель(и):
Корпорация “САМСУНГ ЭЛЕКТРОНИКС Ко., Лтд.” (KR)
|
(54) АНТЕННАЯ РЕШЕТКА С ИЗМЕНЯЕМОЙ ФОРМОЙ НАПРАВЛЕННОСТИ ИЗЛУЧЕНИЯ
(57) Реферат:
Изобретение относится к области радиотехники. Техническим результатом является расширение области использования, повышение технологичности и снижение стоимости изготовления. Антенная решетка содержит два диполя, установленные параллельно, и разъем, выполненный с возможностью электромеханического соединения первого диполя со вторым диполем в синфазном и противофазном положениях. 6 з.п. ф-лы, 7 ил.
Изобретение относится к радиотехнике, а более конкретно к антенным решеткам с изменяемой формой направленности излучения, и может применяться в различных радиоприложениях, таких как репитеры сотовой связи, Wi-fi (802.11 a, b, g, n), Wi-max (IEEE 802.16), TD-SCDMA, IEEE 802.16e TDD OFDMA, UWB радары и т.п.
Существует множество различных решений и конструкций антенных решеток, а также способов и устройств для изменения и формирования направленности их излучения. Однако применение большинства известных устройств управления излучением антенны неминуемо приводит к усложнению ее конструкции, стоимости и очень часто увеличивает энергопотребление системы в целом.
Бурное развитие и возросшее применение различных компактных цифровых радиоустройств, таких как эхорадарные датчики движения, радиоточки сетевого доступа (WAP), репитеры и базовые станции мобильной связи, потребовало разработки целого набора малогабаритных антенн с различной формой направленности излучения радиоволн, необходимых для формирования оптимальной зоны обслуживания.
Использование такого набора антенн при установке внутри здания и внутри помещений оказалось необходимым для обеспечения качественной радиосвязи в условиях зоны обслуживания со сложной конфигурацией.
Существует множество различных способов изменения формы направленности излучения радиоволн в антеннах (см., например, патент США 7084822 [1], выложенную заявку на патент США 2008/0079647 [2], патент Японии 2001-320225 [3]). Все они связаны с наличием электронных устройств управления, таких как ВЧ-коммутаторы, управляющая логика, фазовращатели и т.п. Существующие аналоги антенн с перестраиваемой формой направленности излучения радиоволн широко известны – это фазированные антенные решетки, механически наводимые узконаправленные антенны, группы узконаправленных антенн с коммутаторами. Все эти решения являются дорогими. Их применение для простых приложений привело бы к значительному удорожанию конструкции устройства и к появлению сложностей при автоматизации сборочного процесса.
Часто выбрать нужную форму направленности излучения радиоволн необходимо единожды, в процессе монтажа устройства. В этом случае мультиантенные системы с переключением формы направленности излучения и фазированные антенные решетки применять нецелесообразно. Часто в процессе монтажа системы предугадать возможные места установки и требуемые формы направленности излучения антенн не представляется возможным.
Наиболее близкой к заявляемому изобретению является антенная решетка, описанная в выложенной заявке США 2002/0105462 [4]. Она представляет собой антенну, состоящую из четырех монополей, 3 дБ гибридного моста, коммутирующего устройства и линий задержки. Помимо этого, антенна имеет два входа. Переключение формы направленности излучения антенной решетки осуществляют путем подачи сигнала на один из входов антенной решетки (при этом второй вход должен быть нагружен эквивалентной нагрузкой), а также с помощью коммутирующего устройства. Данная антенная решетка выбрана в качестве прототипа заявляемого изобретения.
К недостаткам антенной решетки прототипа [4] можно отнести то, что она неуниверсальна, так как для изменения формы направленности излучения требует наличия электронного коммутатора в передающем устройстве, что предъявляет к нему определенные требования. В антенной решетке прототипа используют 3 дБ гибридный мост, расчет и реализация которого представляют собой сложную задачу. Кроме того, данную антенную решетку нельзя применить для передающих устройств, имеющих один выход, без встраивания в нее дополнительного блока коммутации, который удорожает конструкцию.
В большинстве случаев невозможно предугадать, какая форма направленности излучения радиоволн антенны потребуется для работы в каждом конкретном приложении. В свою очередь, изготовление антенного устройства с избыточным количеством возможных форм направленности сделает конструкцию на порядок дороже.
Разумеется, существуют приложения, в которых не требуется изменять одну единственную форму направленности излучения антенны (всенаправленную, секторную, узконаправленную и т.п.). Но, как показывает практика, все чаще встречаются случаи, когда одной-единственной, стандартной формы направленности недостаточно.
Задача, на решение которой направлено заявляемое изобретение, заключается в разработке антенной решетки с легко изменяемой формой направленности излучения, которая, в свою очередь, будет дешевой, технологичной и не вызовет трудностей при установке.
Технический результат достигается за счет создании антенной решетки с изменяемой формой направленности излучения радиоволн, содержащей два диполя, установленные параллельно, отличающейся тем, что она дополнительно содержит разъем, выполненный с возможностью электромеханического соединения первого диполя со вторым диполем в синфазном и противофазном положениях.
Таким образом решается проблема создания решетки с увеличенной универсальностью применения, причем такая антенная решетка имеет один вход, который позволяет применять решетку в большинстве приемопередающих устройств; с упрощенной конструкцией для изменения формы направленности излучения радиоволн за счет возможности соединения пользователем одного из диполей с другим через разъем в двух положениях: на 0° (синфазно) или на 180° (противофазно) относительно друг друга; а также с уменьшенной стоимостью и технологичностью изготовления за счет отсутствия сложных компонентов, расчет которых занимает существенное время и требует дополнительных финансовых затрат: все компоненты антенны изготавливают на одной единственной печатной плате.
Для функционирования антенной решетки имеет смысл, чтобы разъем был выполнен в виде 2-проводной линии.
Для функционирования антенной решетки имеет смысл, чтобы она дополнительно содержала трансформаторы импедансов, подключенные к разъему и к одному из диполей.
Для функционирования антенной решетки имеет смысл, чтобы она дополнительно содержала токопроводящий рефлектор, расположенный под диполями.
Для функционирования антенной решетки имеет смысл, чтобы она содержала разъемную печатную плату, которая состоит из двух частей, причем на первой части платы расположены соединенные между собой первый диполь и первая часть разъема, а на второй части платы расположены соединенные между собой второй диполь и вторая часть разъема, при этом разъем выполнен с возможностью соединения частей печатной платы, а также соединения первого диполя со вторым диполем в синфазном и противофазном положениях.
Для функционирования антенной решетки имеет смысл, чтобы первая часть разъема была выполнена в виде вилки, а вторая часть разъема была выполнена в виде розетки.
Для функционирования антенной решетки имеет смысл, чтобы все ее элементы были выполнены из металлизированной пластмассы.
Представленная в настоящем описании антенная конструкция, состоящая из двух параллельных диполей длиной  /2, установленных над рефлектором, обладает сравнительно большим усилением Ga +10dBi, а наличие разъема, соединяющего диполи, позволяет изменять форму направленности излучения радиоволн антенной решетки в азимутальной плоскости путем перекоммутации фазы питания диполей на 0° или на 180° относительно друг друга, единожды, в процессе установки антенны с учетом конфигурации помещения.
Это позволяет формировать два различных типа азимутальной формы направленности излучения: в виде одного направленного луча, перпендикулярного плоскости апертуры антенной решетки, и в виде двух перпендикулярных лучей, расположенных под углом 45° к той же плоскости.
Для лучшего понимания предложенного изобретения далее приводится его подробное описание с соответствующими чертежами.
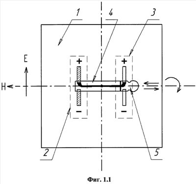
Фиг.1 (вид 1.1) – Схема (вид сверху) варианта выполнения антенной решетки с синфазным питанием согласно изобретению.
1 – рефлектор антенны, выполненный из листовой латуни, меди, алюминия, металлизированной пластмассы. Возможно подключение рефлектора к оплетке питающего кабеля. Рефлектор расположен на расстоянии L /4 от диполей.
2 – первый полуволновой диполь, расположенный на первой части разъемной печатной платы и соединенный с трансформаторами импедансов.
3 – второй полуволновой диполь, расположенный на второй части разъемной печатной платы.
4 – часть печатной платы с первым диполем и трансформаторами импедансов.
5 – часть печатной платы со вторым диполем.
Фиг.1 (вид 1.2) – Схема (вид сверху) варианта выполнения антенной решетки с противофазным питанием согласно изобретению.
1 – рефлектор антенны, выполненный из листовой латуни, меди, алюминия, металлизированной пластмассы. Возможно подключение рефлектора к оплетке питающего кабеля. Рефлектор расположен на расстоянии L /4 от диполей.
2 – первый полуволновой диполь, расположенный на первой части разъемной печатной платы и соединенный с трансформаторами импедансов.
3 – второй полуволновой диполь, расположенный на второй части разъемной печатной платы.
4 – часть печатной платы с первым диполем и трансформаторами импедансов.
5 – часть печатной платы со вторым диполем.
Фиг.2 – Схема (вид сбоку) варианта выполнения антенной решетки с трансформаторами импедансов согласно изобретению.
1 – рефлектор антенной решетки, выполненный из листовой латуни, меди, алюминия, металлизированной пластмассы. Возможно подключение к оплетке питающего кабеля. Рефлектор расположен на расстоянии L /4 от диполей.
2 – первый полуволновой диполь, расположенный на первой части разъемной печатной платы и соединенный с трансформаторами импедансов.
3 – второй полуволновой диполь, расположенный на второй части разъемной печатной платы.
4 – часть печатной платы с первым диполем и трансформаторами импедансов.
5 – часть печатной платы со вторым диполем.
6 – вилка двухпроводного разъема, расположенная на части 4 печатной платы и соединенная с первым полуволновым диполем 2.
7 – розетка двухпроводного разъема, расположенная на части 5 печатной платы и соединенная со вторым полуволновым диполем 3.
8 – коаксиальный питающий кабель.
Фиг.3 – Электрическая схема антенной решетки согласно изобретению.
2 – первый полуволновой диполь, установленный на части 4 печатной платы вместе с трансформаторами импедансов.
4 – часть печатной платы с первым диполем и трансформаторами импедансов.
5 – часть печатной платы со вторым диполем.
6 – вилка двухпроводного разъема, расположенная на части 4 печатной платы и соединенная с первым полуволновым диполем 2.
7 – розетка двухпроводного разъема, расположенная на части 5 печатной платы и соединенная со вторым полуволновым диполем 3.
8 – коаксиальный питающий кабель.
9 – микрополосковая линия делителя СВЧ мощности.
Фиг.4 – Диаграммы направленности излучения антенной решетки согласно изобретению.
10 – форма направленности излучения радиоволн, полученная при синфазном соединении и питании диполей.
11 – форма направленности излучения радиоволн, полученная при противофазном соединении и питании диполей.
Фиг.5 (вид 5.1) – Схема варианта применения антенной решетки при синфазном соединении и питании диполей согласно изобретению.
10 – форма направленности излучения радиоволн, полученная при синфазном соединении и питании диполей.
12 – WAP с интегрированной антенной.
13 – помещение.
Фиг.5 (вид 5.2) – Схема варианта применения антенной решетки при противофазном соединении и питании диполей согласно изобретению.
11 – форма направленности излучения радиоволн, полученная при противофазном соединении и питании диполей.
12 – WAP с интегрированной антенной.
13 – помещение.
Схема предложенного антенного устройства приведена на Фиг.1 (1.1 и 1.2) и Фиг.2. Устройство представляет собой антенную решетку, состоящую из двух параллельных диполей 2 и 3 длиной 1 /2, установленных над рефлектором 1. Питание диполей осуществляют через симметрирующие трансформаторы импедансов, расположенные на разъемной печатной плате 4. К частям 4 и 5 печатной платы крепят симметричные диполи 2 и 3. Разъемное соединение диполей дает возможность изменять форму направленности излучения радиоволн антенной решетки в азимутальной плоскости Фиг.4 диаграммы 10 и 11. Для изменения формы направленности излучения радиоволн отключают часть 5 платы, см. Фиг.1 (вид 1.1), с диполем 3 от части 4 платы с трансформатором импедансов, поворачивают диполь 3 вместе с частью 5 платы на 180°, см. Фиг.1 (вид 1.2), относительно диполя 2 и части 4 платы и подключают обратно к части 4 и диполю 3. Благодаря данной операции происходит перекоммутация фазы питания диполя 3, см. Фиг.1 (вид 1.2), и форма направленности излучения, см. Фиг.4, меняется с 10 на 11.
Таким образом, при синфазном соединении и питании, см. Фиг.1 (вид 1.1), диполей 2 и 3 усиление антенной решетки составляет Ga +10 dBi, а направленность излучения имеет форму, показанную на Фиг.4 позиция 10.
При противофазном питании, см. Фиг.1 (вид 1.2), диполей 2 и 3 усиление антенной решетки составляет Ga +8 dBi, а направленность излучения имеет форму, показанную на Фиг.4 позиция 11.
Предпочтительным вариантом выполнения предложенной антенной решетки является конструкция, приведенная на Фиг.1 (вид 1.1). Данная конструкция состоит из двух параллельных диполей 2 и 3 длиной  /2, установленных над рефлектором 1 на расстоянии L /4 (см. Фиг.2). Ширина или диаметр диполя выбирается в зависимости от требуемой рабочей полосы частот. Один диполь 2 расположен на части 4 разъемной печатной платы, на которой также установлены трансформаторы импедансов, а второй диполь 3 расположен на части 5 разъемной печатной платы. Электрическая схема питания антенной решетки приведена на Фиг.3. Данную антенную решетку питают от приемника/передатчика по коаксиальному кабелю сопротивлением 50 Ом через микрополосковый делитель 9 СВЧ мощности, затем поделенную СВЧ мощность подают на дипольные антенны через симметрирующие трансформаторы импедансов, которые также предпочтительно выполнять в виде микрополосковых линий. На части 4 печатной платы Фиг.2 расположена вилка 6 двухпроводного разъема, соединенная с диполем 2. На части 5 печатной платы Фиг.2 расположена розетка 7 двухпроводного разъема, соединенная с диполем 3. Вилка 6 и розетка 7 разъема позволяют подключать часть 4 печатной платы и диполь 2 к части 5 печатной платы и диполю 3 в положении 0° или 180° относительно друг друга для синфазного (вид 1.1 на Фиг.1) или противофазного (вид 1.2 на Фиг.1) питания.
Рефлектор антенной решетки 1 выполнен из тонкой металлической пластины. Возможно выполнение рефлектора 1 из пластмассы методом штамповки из полимеров, с последующей металлизацией поверхности. Этот способ является наиболее дешевым, технологичным и является предпочтительным для массового производства.
Диполи 2 и 3 выполняют из медных или латунных трубочек либо из пластиковых стержней с последующей метализацией. Но предпочтительным вариантом реализации является изготовление диполей на печатной плате вместе с симметрирующими трансформаторами сопротивлений. Это позволяет изготовить всю антенную решетку за один технологический процесс.
После изготовления антенную решетку помещают в пластиковый корпус, выполненный из радиопрозрачной пластмассы, в котором предусмотрена возможность простого съема защитной крышки антенны.
При необходимости, закрывающую антенну крышку снимают и устанавливают форму направленности излучения радиоволн 10 или 11 (Фиг.4). Установку требуемой направленности производят за счет установки второго диполя 3 на 0° или на 180° относительно первого 2, а именно путем отсоединения диполя от разъема, изменения ориентации диполя на 180° и вновь присоединения к разъему в новой ориентации. После изменения направленности излучения антенны крышку устанавливают обратно.
Предложенная антенная решетка (виды 1.1 и 1.2 на Фиг.1) имеет две (или более) формы направленности, диаграммы которых приведены на Фиг.4, а для их переключения не требуется каких-либо дополнительных электронных устройств управления и коммутации и, как следствие, нет необходимости в электропитании. Выбор направленности излучения происходит единожды, в процессе монтажа антенного устройства. Необходимая форма направленности излучения радиоволн переключается простой установкой одного из диполей на 0° (вид 1.1 на Фиг.1) или 180° (вид 1.2 на Фиг.1) относительно другого. Пример варианта установки антенны в прямоугольном помещении приведен на Фиг.5 (вид 5.1). Здесь точка 12 доступа WAP установлена так, что позволяет полностью осуществить радиопокрытие требуемой зоны 13, используя однолучевую форму 10 направленности. Другой пример приведен на Фиг.5 (вид 5.2), в этом случае точка 12 доступа WАР установлена в углу Г-образного помещения, и в этом случае применена 2-лучевая форма направленности, что позволило обеспечить хорошее перекрытие зоны обслуживания.
В связи с вышесказанным основные преимущества предложенного изобретения – это простота, малые габариты, энергонезависимость и дешевизна конструкции антенной решетки с изменяемой формой направленности излучения, что позволяет использовать одну антенную решетку вместо двух и более.
Предложенное изобретение является дешевым, так как производится простыми технологическими методами из дешевого сырья, не содержит в себе активных компонентов, не требует электропитания, после изготовления не требует настройки или подгонки. Сборка предложенной антенной решетки не требует специальных навыков и может производиться при сборке устройства, частью которого оно является.
Хотя указанный выше вариант выполнения изобретения был изложен с целью иллюстрации настоящего изобретения, специалистам ясно, что возможны разные модификации, добавления и замены, не выходящие из объема и смысла настоящего изобретения, раскрытого в прилагаемой формуле изобретения.
Формула изобретения
1. Антенная решетка с изменяемой формой направленности излучения, содержащая два диполя, установленные параллельно, отличающаяся тем, что дополнительно содержит разъем, выполненный с возможностью электромеханического соединения первого диполя со вторым диполем в синфазном и противофазном положениях.
2. Антенная решетка по п.1, отличающаяся тем, что разъем выполнен в виде двухпроводной линии.
3. Антенная решетка по п.1, отличающаяся тем, что дополнительно содержит трансформаторы импедансов, подключенные к разъему и к одному из диполей.
4. Антенная решетка п.1, отличающаяся тем, что дополнительно содержит токопроводящий рефлектор, расположенный под диполями.
5. Антенная решетка по любому из пп.1-4, отличающаяся тем, что содержит разъемную печатную плату, которая состоит из двух частей, причем на первой части платы расположены соединенные между собой первый диполь и первая часть разъема, а на второй части платы расположены соединенные между собой второй диполь и вторая часть разъема, при этом разъем выполнен с возможностью соединения частей печатной платы и соединения первого диполя со вторым диполем в синфазном и противофазном положениях.
6. Антенная решетка п.5, отличающаяся тем, что первая часть разъема выполнена в виде вилки, а вторая часть разъема выполнена в виде розетки.
7. Антенная решетка п.5, отличающаяся тем, что все ее элементы выполнены из металлизированной пластмассы.
РИСУНКИ
|