Патент на изобретение №2374662

Published by on




РОССИЙСКАЯ ФЕДЕРАЦИЯ



ФЕДЕРАЛЬНАЯ СЛУЖБА
ПО ИНТЕЛЛЕКТУАЛЬНОЙ СОБСТВЕННОСТИ,
ПАТЕНТАМ И ТОВАРНЫМ ЗНАКАМ
(19) RU (11) 2374662 (13) C1
(51) МПК

G01S7/40 (2006.01)

(12) ОПИСАНИЕ ИЗОБРЕТЕНИЯ К ПАТЕНТУ

Статус: по данным на 17.09.2010 – действует

(21), (22) Заявка: 2008115820/09, 21.04.2008

(24) Дата начала отсчета срока действия патента:

21.04.2008

(46) Опубликовано: 27.11.2009

(56) Список документов, цитированных в отчете о
поиске:
RU 2066459 C1, 10.09.1996. RU 1723543 A1, 30.03.1992. RU 2169379 C1, 20.06.2001. US 3732568 A, 08.05.1973. EP 1162475 A1, 12.12.2001. US 4656481 A, 07.04.1987.

Адрес для переписки:

140182, Московская обл., г. Жуковский, ул. Туполева, 2а, ОАО Московский научно-исследовательский институт “АГАТ”

(72) Автор(ы):

Вексин Сергей Игоревич (RU),
Петров Николай Борисович (RU)

(73) Патентообладатель(и):

Открытое акционерное общество Московский научно-исследовательский институт “АГАТ” (RU)

(54) ИМИТАТОР СИГНАЛОВ ДОПЛЕРОВСКИХ ЧАСТОТ И ПОМЕХ

(57) Реферат:

Заявленное изобретение – имитатор доплеровских частот и помех – относится к области радиолокации и может быть использовано в контрольно-измерительной аппаратуре (КИА) и стендах полунатурного моделирования. Достигаемым техническим результатом изобретения является увеличение диапазона моделируемой дальности до цели за счет расширения динамического диапазона доплеровских сигналов и помех, повышение точности установки выходной мощности с одновременной миниатюризацией устройства. Указанный результат достигается благодаря введению в состав устройства дополнительных элементов: генератора частоты помехи, инвертора фазы, источника частоты полосы помехи, управляемого переключателя полосы помехи, фазового манипулятора и интерфейсного адаптера с соответствующими связями. 1 ил.

Предлагаемое изобретение относится к области радиолокации и может быть использовано в контрольно-измерительной аппаратуре (КИА) и стендах полунатурного моделирования.

Известен имитатор радиолокационных сигналов, содержащий генератор радиосигналов, генератор помехи (широкополосной), сумматор, управляемые цифровые аттенюаторы, что позволяет имитировать сигнал цели и широкополосную шумовую помеху, однако не дает возможности имитировать узкополосную шумовую помеху и уводящую помеху по скорости [G01S 7/40, авторское свидетельство 544288 от 1972 г.].

Известен также имитатор радиолокационных сигналов, выбранный в качестве прототипа, содержащий последовательно соединенные генератор доплеровских частот, аттенюатор сигнала и сумматор, а также генератор узкополосной помехи, включающий генератор псевдослучайных сигналов и аттенюатор помехи, генератор широкополосной помехи, включающий аттенюатор помехи, и выполненный в виде отдельного канала генератор уводящей помехи. Это дает возможность имитировать как широкополосную, так и узкополосную шумовую помеху, а также уводящую помеху по скорости [G01S 7/40, патент 2066459 от 28.06.82 г.].

Недостаток данного устройства – уводящая по скорости и широкополосная помеха не могут накрыть сигнал цели во всем динамическом диапазоне. Так, при формировании уводящей помехи по скорости мощность сигнала помехи равна мощности сигнала цели (помеха вырабатывается в канале N+1, идентичном каналу цели N), тогда как должна превышать ее при равных коэффициентах аттенюаторов. Для заградительной помехи выходной спектр генератора псевдослучайных сигналов не переносится на частоту помехи. При этом энергетика помехи размазывается в полосе в несколько мегагерц, тогда как для проверяемой с помощью КИА аппаратуры необходимо иметь возможность изменять полосу шумовой помехи в диапазоне от нескольких килогерц до нескольких сотен килогерц. Сокращение динамического диапазона доплеровского сигнала и помех уменьшает точность установки уровня выходной мощности КИА. Кроме того, в прототипе генерацию узкополосной шумовой, широкополосной шумовой и уводящей по скорости помех выполняют разные элементы устройства, что увеличивает его массогабариты.

Целью изобретения является увеличение диапазона моделируемой дальности до цели за счет расширения динамического диапазона доплеровских сигналов и помех, повышение точности установки выходной мощности с одновременной миниатюризацией устройства.

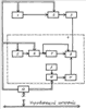
Указанная цель достигается тем, что в известный имитатор доплеровских частот и помех, содержащий последовательно соединенные генератор доплеровских частот, аттенюатор сигнала и сумматор, а также генератор помехи, содержащий аттенюатор помехи и генератор псевдослучайных сигналов, дополнительно введены интерфейсный адаптер, а в генератор помехи – последовательно соединенные источник частоты полосы помехи и управляемый переключатель полосы помехи, выход которого соединен с входом генератора псевдослучайных сигналов, и последовательно соединенные инвертор фазы и фазовый манипулятор, второй вход которого соединен с выходом генератора псевдослучайных сигналов, а выход – со вторым входом сумматора, а также генератор частоты помехи, выход которого соединен с входом аттенюатора помехи, выходы которого соединены со входом инвертора фазы и с третьим входом фазового манипулятора, при этом выходы интерфейсного адаптера соединены со входами генератора доплеровской частоты, генератора частоты помехи и вторыми входами аттенюатора сигнала, аттенюатора помехи и управляемого переключателя полосы помехи. На чертеже приведена блок-схема устройства, где:

1 – генератор доплеровских частот;

2 – аттенюатор сигнала;

3 – сумматор;

4 – генератор помехи;

5 – генератор частоты помехи;

6 – аттенюатор помехи;

7 – инвертор фазы;

8 – фазовый манипулятор;

9 – источник частоты полосы помехи;

10 – управляемый переключатель полосы помехи;

11 – генератор псевдослучайных сигналов;

12 – интерфейсный адаптер.

Устройство работает следующим образом: гармонический сигнал цели с выхода генератора доплеровских частот 1 масштабируется аттенюатором сигнала 2 и складывается на сумматоре 3 в соотношении 1:(2-3) с масштабируемым сигналом помехи с выхода генератора помехи 4. При этом сигнал помехи формируется следующим образом: гармонический сигнал с выхода генератора частоты помехи 5 масштабируется аттенюатором помехи 6 и поступает на вход фазового манипулятора 8 либо напрямую, либо через инвертор фазы 7 со сдвигом на 180 град. Источник частоты полосы помехи 9 предназначен для задания максимальной ширины полосы помехи. Управляемый переключатель полосы помехи 10 производит деление частоты полосы помехи в соответствии со значением управляющего кода, возможна нулевая выходная частота – постоянный сигнал. Поделенная частота поступает на вход генератора псевдослучайных сигналов 11 (сдвигового регистра с обратными связями), формирующего псевдошумовой сигнал с линейчатым спектром, ширина полосы которого пропорциональна значению входной тактовой частоты регистра.

Фазовый манипулятор 8 переносит псевдошумовой спектр на частоту генератора шума с исключением несущей: при уровне логической «1» с выхода сдвигового регистра коммутируется масштабированная частота шума, при уровне логического «0» – масштабированная частота шума, сдвинутая на 180 град. При больших значениях входной тактовой частоты генератора псевдослучайных сигналов формируется широкополосная шумовая помеха, при малых значениях вырабатывается узкополосная шумовая помеха, при нулевом значении частоты спектр вырождается в гармонический сигнал для генерации уводящей по скорости помехи.

Интерфейсный адаптер 12 преобразует сигналы управляющего интерфейса в сигналы управления компонентами устройства: генератором доплеровских частот 1, аттенюатором сигнала 2, генератором частоты помехи 5, аттенюатором помехи 6 и управляемым переключателем полосы помехи 10. Таким образом задаются соответственно частота и амплитуда сигнала цели, частота, амплитуда и ширина полосы помехи. Кроме того, через интерфейсный адаптер происходит выдача слова состояния устройства.

Увеличение диапазона моделируемой дальности до цели вследствие расширения динамического диапазона доплеровских сигналов и помех происходит благодаря введению в состав генератора помех дополнительных элементов (5 – генератор частоты помехи; 7 – инвертор фазы, 9 – источник частоты полосы помехи, 10-управляемый переключатель полосы помехи, 8 – фазовый манипулятор), шумовой спектр генератора псевдослучайных сигналов переносится на частоту помехи, близкую или равную частоте цели, и вся энергетика помехи сосредоточена в полосе не более нескольких сотен килогерц (в прототипе ширина заградительной помехи составляет несколько мегагерц).

Точность установки уровня выходной мощности контрольно-измерительной аппаратуры повышается благодаря тому, что расширение динамического диапазона эквивалентно увеличению разрядности аттенюатора сигнала, с помощью которого может регулироваться уровень выходной мощности КИА за счет изменения индекса амплитудной модуляции. Увеличение разрядности аттенюатора сигнала эквивалентно увеличению точности.

Миниатюризация устройства достигается тем, что все виды помех (узкополосная шумовая, широкополосная шумовая и уводящая по скорости) формируются одним универсальным генератором помех, а выбор конкретного типа помехи выполняется подачей управляющего кода через интерфейсный адаптер. В наибольшей степени это проявляется, когда изображенное на чертеже устройство выполнено только на цифровых компонентах, размещаясь в 1-2 микросхемах.

Устройство может быть выполнено либо на смешанных цифровых и аналоговых компонентах, либо только на цифровых компонентах.

При реализации устройства на смешанных цифровых и аналоговых компонентах его функциональные узлы выполнены на отдельных микросхемах: синтезаторы DDS (Direct Digital Synthesis – прямого цифрового синтеза), элементы ПЛМ (программируемая логическая матрица) или ПЛИС (программируемая логическая интегральная схема), аналоговые ключи, операционные усилители. Генераторы (синтезаторы) доплеровских частот 1 и частоты помехи 5 выполняют алгоритм DDS. Они выполнены на специальных микросхемах и содержат накапливающий сумматор, синусное ПЗУ (постоянное запоминающее устройство) и выходной ЦАП (цифроаналоговый преобразователь). Аттенюаторы сигнала 2 и аттенюаторы помехи 6 выполнены на умножающих ЦАП, инвертор фазы 7 и сумматор 3 выполнены на операционных усилителях, фазовый манипулятор 8 представляет собой электронный ключ. Источник частоты полосы помехи 9 выполнен в виде отдельного RC-генератора. Интерфейсный адаптер 12, управляемый переключатель частоты помехи 10 и генератор псевдослучайных сигналов 11 являются элементами ПЛМ или ПЛИС.

При реализации устройства на чисто цифровых компонентах все указанные на чертеже функциональные узлы являются элементами ПЛМ или ПЛИС, причем генераторы доплеровских частот 1 и частоты помехи 5 содержат накапливающий сумматор и синусное ПЗУ, а источник частоты полосы помехи 9 представляет собой делитель тактовой частоты или отдельный RC-генератор.

Введение в состав устройства дополнительных элементов (5 – генератор частоты помехи; 7 – инвертор фазы, 9 – источник частоты полосы помехи, 10 – управляемый переключатель полосы помехи, 8 – фазовый манипулятор) обеспечивает достижение цели изобретения – увеличение диапазона моделируемой дальности до цели за счет расширения динамического диапазона доплеровских сигналов и помех, повышение точности установки выходной мощности КИА с одновременной миниатюризацией устройства.

Формула изобретения

Имитатор сигналов доплеровских частот и помех, содержащий последовательно соединенные генератор сигналов доплеровских частот, аттенюатор сигналов доплеровских частот и сумматор, а также генератор сигналов помехи, содержащий аттенюатор сигналов помехи и генератор псевдослучайных сигналов, отличающийся тем, что в него дополнительно введены интерфейсный адаптер, предназначенный для преобразования сигналов управляющего интерфейса в сигналы управления частотой и амплитудой имитируемого сигнала цели, частотой, амплитудой и шириной полосы частот имитируемого сигнала помехи, при этом в генератор сигналов помехи введены последовательно соединенные источник сигнала с частотой полосы помехи, предназначенный для задания максимальной ширины полосы сигнала помехи, и управляемый переключатель частоты в полосе сигнала помехи, предназначенный для деления указанной частоты в соответствии со значением управляющего кода, выход которого соединен с входом генератора псевдослучайных сигналов, предназначенного для формирования псевдошумового сигнала с линейчатым спектром, введены также последовательно соединенные инвертор фазы и фазовый манипулятор, предназначенный для переноса спектра псевдошумового сигнала на частоту сигнала помехи с исключением несущей, второй вход которого соединен с выходом указанного генератора псевдослучайных сигналов, а выход – со вторым входом сумматора, введен также генератор сигналов с частотой помехи, выход которого соединен с входом аттенюатора сигналов помехи, выход которого соединен со входом инвертора фазы и с третьим входом фазового манипулятора, при этом соответствующие выходы интерфейсного адаптера соединены с входами генератора сигналов доплеровских частот, генератора сигналов с частотой помехи и вторыми входами аттенюатора сигналов доплеровских частот, аттенюатора сигналов помехи и управляемого переключателя частоты в полосе сигнала помехи.

РИСУНКИ

Categories: BD_2374000-2374999