Патент на изобретение №2374185

Published by on




РОССИЙСКАЯ ФЕДЕРАЦИЯ



ФЕДЕРАЛЬНАЯ СЛУЖБА
ПО ИНТЕЛЛЕКТУАЛЬНОЙ СОБСТВЕННОСТИ,
ПАТЕНТАМ И ТОВАРНЫМ ЗНАКАМ
(19) RU (11) 2374185 (13) C2
(51) МПК

C02F3/10 (2006.01)
B01J8/00 (2006.01)
B82B1/00 (2006.01)

(12) ОПИСАНИЕ ИЗОБРЕТЕНИЯ К ПАТЕНТУ

Статус: по данным на 17.09.2010 – действует

(21), (22) Заявка: 2005141750/12, 08.07.2004

(24) Дата начала отсчета срока действия патента:

08.07.2004

(30) Конвенционный приоритет:

08.07.2003 DE 10330959.4
08.07.2003 DE 10361996.8

(43) Дата публикации заявки: 27.08.2006

(46) Опубликовано: 27.11.2009

(56) Список документов, цитированных в отчете о
поиске:
WO 03/045848 A2, 05.06.2003. DE 19705896 C1, 25.06.1998. WO 92/06043 A1, 16.04.1992. SU 1728134 A1, 23.04.1992. RU 2144004 C1, 10.01.2000.

(85) Дата перевода заявки PCT на национальную фазу:

08.02.2006

(86) Заявка PCT:

DE 2004/001491 20040708

(87) Публикация PCT:

WO 2005/005326 20050120

Адрес для переписки:

190068, Санкт-Петербург, ул. Садовая, 51, оф. 303, “Патентика”, пат.пов. М.И.Ниловой, рег. 378

(72) Автор(ы):

УПХОФФ Кристиан (DE)

(73) Патентообладатель(и):

ГЕОРГ ФРИЦМАЙЕР ГМБХ ЭНД КО. КГ (DE)

(54) БИОРЕАКТОР

(57) Реферат:

Изобретение относится устройствам, используемым для очистки сточных вод. Биореактор содержит контейнер, имеющий, по меньшей мере, одно отверстие для протекания подлежащих очистке стоков. Внутри контейнера размещен наполнитель с большим объемом пор и смесь микроорганизмов, разлагающих органические загрязняющие агенты. Смесь микроорганизмов содержит долю фотосинтетически активных микроорганизмов и долю светящихся микроорганизмов. Помимо микроорганизмов смесь дополнительно содержит наночастицы. Обеспечивается надежное разложение органических загрязняющих агентов в сравнительно простом с аппаратной точки зрения реакторе, 3 н. и 20 з.п. ф-лы, 10 ил.

Данное изобретение относится к биореактору в соответствии с ограничительной частью п.1 формулы изобретения, смеси микроорганизмов, подходящей для такого биореактора, а также к комплекту оборудования для модернизации малогабаритных установок для очистки сточных вод, которые имеют в своем составе такой биореактор.

Когда город или поселок не в состоянии соорудить для владельца недвижимости отдельный отвод к коллективной канализационной системе, последнему, как правило, приходится сооружать малогабаритную установку для очистки сточных вод, если обязанности по переработке сточных вод возлагаются на него. Такие малогабаритные установки для очистки сточных вод располагаются на рассматриваемом участке земли и обычно служат для очистки внутренних стоков. После пропускания сточных вод через такую малогабаритную установку для очистки, очищенные стоки либо просто оставляют просачиваться в землю – там, где земля способна их впитать, либо отводят в ближайший открытый водоем.

Для механической очистки стоков часто применяют многокамерные отстойники (отстойные резервуары), в которых нерастворенные вещества удаляются из сточных вод путем осаждения их на дно или флотации (всплывания на поверхность). Многокамерные отстойники можно, например, сооружать в виде двух- или трехкамерных резервуаров, в которых камеры образуют общий резервуар и соединены друг с другом таким образом, что вода может протекать через камеры очищенной от осевших или всплывших нерастворенных веществ.

Старые дома и участки земли часто оборудованы такими многокамерными отстойниками, производительность очистки которых, однако, не удовлетворяет, как правило, требованиям законодательства. Вследствие высоких инвестиционных затрат на сооружение новых малогабаритных установок для очистки сточных вод, включающих ступени механического и биологического разделения (очистки), часто предпочитают модернизацию существующих многокамерных установок путем введения ступени биологического разделения.

Важнейшим требованием для современных очистных установок является надежное разложение органических загрязняющих агентов в сточных водах, загрязненном воздухе или в твердых отходах, таких как загрязненные структуры, в системе пор которых за время прошлых затоплений скопились нефтяные остатки от утечек топлива коммунально-бытового назначения.

В заявках DE 10062812 А1 и DE 10149447 А1 предложено разлагать эти нежелательные органические компоненты жидкостей и твердых веществ при помощи смеси микроорганизмов, которая содержит долю фотосинтетически активных организмов и долю светящихся микроорганизмов. Эту смешанную культуру с большим успехом применяли для очистки коммунально-бытовых и промышленных стоков, а также для обезвреживания структур, загрязненных нефтяными остатками.

В опубликованной позднее заявке на получение патента DE 10253334 описана возможность дальнейшего улучшения данной смешанной культуры микроорганизмов путем ее модификации, заключающейся в том, что в клетки органических загрязняющих агентов в процессе разложения вводят фотосенсибилизаторы, а затем, путем стимуляции этих фотосенсибилизаторов светом, вызывают образование синглетного кислорода или других радикалов, которые ускоряют разложение органических компонентов.

Однако оказалось, что в конкретных приложениях эти смешанные культуры микроорганизмов не проявляют необходимой для надежного разложения органических компонентов эффективности.

Задачей изобретения является, напротив, создание биореактора, позволяющего надежно разлагать органические загрязняющие агенты в жидкостях в сравнительно простом с аппаратной точки зрения реакторе. Изобретение далее направлено на получение смешанной культуры микроорганизмов, пригодной для применения в таком биореакторе.

Поставленная задача достигается посредством биореактора, характеризующегося комбинацией признаков пункта 1 формулы, посредством смешанной культуры микроорганизмов, характеризующейся признаками независимого пункта 18, а также посредством набора для модернизации очистной установки, характеризующегося признаками п.23.

В соответствии с данным изобретением предложен биореактор, который содержит контейнер с отверстиями, выполненными с возможностью протекания через них стоков, загрязненных органическими веществами. Внутри контейнера размещен наполнитель, который в дальнейшем будет называться «носитель». Наполнитель имеет большую удельную площадь поверхности, на которой происходит расщепление и переработка биологических компонентов стоков. В соответствии с данным изобретением также предусмотрена культура микроорганизмов, которая обладает способностью к разложению этих органических компонентов и которая находится внутри контейнера. Эти микроорганизмы иммобилизованы в виде биопленки в пористой системе носителя, так что, благодаря эффективной поверхности обмена вещества, становится возможной чрезвычайно эффективная биологическая переработка.

Носитель предпочтительно размещен в контейнере в виде спирали с возможностью вращения либо носителя относительно контейнера, либо контейнера относительно носителя. Посредством соответствующего управления потоком и/или путем нанесения на контейнер покрытия (которое будет обсуждаться ниже), а также благодаря спиральной форме носителя носитель или весь контейнер можно заставить вращаться, что улучшает смешивание и биологическую переработку по сравнению с обычными конструкциями.

Носитель может быть либо выполнен из нанесенного на подложку материала, имеющего пористую систему, либо, с другой стороны, материал, обладающий большой удельной поверхностью, но, возможно, не очень механически прочный, можно ввести в пространство между двумя прочными перегородками, которые будут таким образом определять прочность носителя. В принципе, также возможно изготовить носитель из пористого материала, например керамического материала, обладающего большой удельной площадью поверхности.

В предпочтительном примере практической реализации данного изобретения пористый носитель представляет собой вспененный материал, например пенополиуретан, который покрыт материалом, который обладает каталитической активностью или и/или обеспечивает большую сорбционную поверхность, например активированным углем или древесным углем.

В соответствии с этим примером практической реализации данного изобретения предпочтительно, чтобы основная поверхность носителя (который предпочтительно имеет спиралевидную форму) была покрыта материалом, способствующим образованию биопленки, например активированным древесным углем, а другая основная поверхность носителя – веществом носителя, содержащим смесь микроорганизмов. В этой структуре с одной стороны образуется биопленка, в то время как с другой стороны на слое с добавлением микроорганизмов образованию биопленки препятствует каталитическая активность.

Микроорганизмы, необходимые для биологической переработки, либо предварительно иммобилизуют в системе пор носителя посредством соответствующего управления процессом, либо непрерывно подают в процесс.

В предпочтительном примере практической реализации данного изобретения фотокаталитический слой наносят как на внутреннюю поверхность стенки контейнера, так и на наружную поверхность стенки контейнера в форме полос, причем эти полосы могут проходить в продольном направлении биореактора, т.е. в случае цилиндрического биореактора эти полосы проходят параллельно его продольной оси.

Отверстия в контейнере предпочтительно выполняют путем штампования, причем заусенцы от штампования направлены внутрь, в замкнутое внутреннее пространство биореактора. Благодаря этим сравнительно острым заусенцам, образовавшимся в результате штампования, образуются дефекты покрытия, на которых в процессе работы формируется биопленка.

Эффективность биореактора можно далее повысить путем нанесения по меньшей мере частичного покрытия из фотокаталитического материала, например оксида титана или оксидов индия и олова, на стенки контейнера и/или носитель.

Контейнер может быть выполнен в форме цилиндра с открытым нижним торцом либо в форме воронки. В последнем случае сужающиеся книзу боковые стенки контейнера снабжают отверстиями для стоков, а нижний торец делают закрытым. Т.е. в последнем случае в нем имеет место поток в основном в радиальном направлении, в то время как в первом случае стоки протекают через него в основном в продольном направлении снизу вверх.

Для применения в очистной установке биореактор выполнен таким образом, что он имеет некоторую плавучесть, благодаря чему он может плавать в камере, например, многокамерного отстойника. Предпочтительно фильтр-корзину закрепляют на направляющей с возможностью скольжения в вертикальном направлении, что дает возможность адаптации к различным уровням жидкости.

Как уже упоминалось, микроорганизмы можно ввести в материал носителя. В предпочтительном способе реализации микроорганизмы связаны в хитозане или биополимере, а носитель, предпочтительно представляющий собой пенополиуретан, покрытый активированным древесным углем, пропитан этой смесью.

Смесь микроорганизмов в соответствии с данным изобретением содержит, кроме того, в дополнение к фотосинтетически активным микроорганизмам, долю нанокомпозитных материалов, включающую предпочтительно центральную часть из пьезоэлектрического материала, поверхность которой покрыта фотокаталитически активным слоем.

В предпочтительном примере практической реализации нанокомпозитный материал имеет волокнистую структуру с длиной волокон от 20 до 100 нм и диаметром от 2 до 10 нм.

Фотокаталитически активное покрытие снабжено множеством отверстий для образования полярных участков. В описанной выше волокнистой структуре полюса формируются на концах.

Биореактор в соответствии с данным изобретением можно с минимальными сложностями использовать для модернизации малогабаритной системы очистки сточных вод, однако его также можно применять независимо в виде одной из ступеней очистной установки.

Другие полезные улучшения данного изобретения являются предметом нижеследующих зависимых пунктов формулы изобретения.

Далее будет дано более подробное объяснение предпочтительных примеров практической реализации изобретения со ссылками на схематические изображения, где:

Фиг.1 представляет собой схематическое изображение многокамерного резервуара с модернизированной ступенью биологической очистки.

На Фиг.2 показан биореактор для ступени биологической очистки в соответствии с Фиг.1.

Фиг.3 представляет собой сечение биореактора, изображенного на Фиг.2.

Фиг.4 представляет собой схематическое изображение другого примера практической реализации биореактора для модернизированной малогабаритной установки очистки сточных вод в соответствии с Фиг.1.

Фиг.5 представляет собой изображение другого примера практической реализации биореактора цилиндрической формы.

Фиг.6 представляет собой вид наполнителя биореактора, изображенного на Фиг.5.

Фиг.7 представляет собой детальное изображение стенки фильтровального бака биореактора, изображенного на Фиг.5.

Фиг.8 представляет собой сечение стенки, изображенной на Фиг.7.

Фиг.9 представляет собой схематическое изображение электромагнитного поля, образующегося вокруг частицы нанокомпозитного материала во время работы биореактора.

Фиг.10 представляет собой диаграмму процесса фотодинамического разложения, имеющего место при применении биореактора в соответствии с данным изобретением.

На Фиг.1 показано сечение малогабаритной установки очистки сточных вод 1, которая включает ступень механической очистки, которая представлена трехкамерным отстойным резервуаром 4. Такие многокамерные отстойные резервуары до сих пор можно найти во многих владениях, особенно в сельской местности. В принципе, этот резервуар представляет собой нечто вроде контейнера 6, разделенного перегородкой 8 на три камеры, из которых на Фиг.1 показаны только первая камера 10 и еще одна камера 12. Подлежащие очистке стоки поступают в трехкамерный отстойник через впуск 14, попадая в первую камеру (не показана), и могут через каналы 16 в перегородках 8 перетекать в следующую камеру 12, а из нее – в последнюю камеру 10. Вещества, которые могут оседать, оседают под действием силы тяжести в отдельных камерах 10, 12, в то время как всплывшие вещества остаются на поверхности жидкости 18. Слив 20 выбирают таким образом, чтобы отстой и всплывшие вещества оставались внутри камер 10 и 12, а очищенные сточные воды вытекали без этих загрязняющих агентов.

Для биологической обработки в камере 10 в качестве набора для модернизации на стадии биологической очистки предусмотрен биореактор 2. Главной составной частью этого биореактора является контейнер или фильтр-корзина 22, которая в конкретном представленном примере имеет форму поплавка, т.е. она обладает достаточной плавучестью, чтобы плавать в подлежащих биологической очистке стоках. Для придания фильтру-корзине 22 заданного положения в камере 10 установлена вертикальная направляющая 24, которую можно, например, закрепить на перегородке 8 и/или на боковых стенках трехкамерного отстойного резервуара 6 (см. пунктирные линии на Фиг.1). Фильтр-корзина 22 установлена с возможностью скольжения вдоль этой вертикальной направляющей 24 в направлении Х на Фиг.1, и таким образом, она может, подобно поплавку, перемещаться вниз и вверх внутри камеры 10 в зависимости от уровня жидкости.

Внутри фильтра-корзины 22 предусмотрены каталитически активные поверхности, на которых конкретные микроорганизмы образуют биопленку. В представленном примере практической реализации смесь микроорганизмов состоит из доли фотосинтетических микроорганизмов и доли светящихся организмов. При этом происходит взаимодействие фотосинтетических микроорганизмов и светящихся бактерий, в результате которого свет, испускаемый светящимися бактериями, стимулирует фотосинтез в фотосинтетических микроорганизмах. В процессе фотосинтеза микроорганизмы используют сероводород и воду, а выделяют серу и кислород соответственно. Они, кроме того, способны связывать азот и фосфат, а также разлагать органические и неорганические вещества. Примеры конкретных составов этих смешанных культур микроорганизмов можно найти, обратившись к заявкам на получение патента DE 10062812 А1 и DE 10149447 А1 того же заявителя. Поскольку ссылка на эти заявки уже дана, нет необходимости в описании этих составов, и после описания примеров практической реализации данного изобретения будут даны пояснения только важнейших этапов процесса фотодинамического разложения.

Взаимодействие смеси микроорганизмов и каталитических поверхностей фильтра-корзины 22 приводит к фотодинамическому разложению органических веществ. Фотодинамическое разложение веществ описано, например, в заявке DE 10253334 А1 того же заявителя.

Устройство фильтра-корзины 22 будет далее объяснено со ссылкой на Фиг.2 и Фиг.3.

В примере практической реализации, представленном на этих фигурах, фильтр-корзина 22 имеет в боковой проекции (Фиг.1) приблизительно воронкообразную геометрию, такую, что его диаметр уменьшается в направлении вниз от поверхности жидкости 18, образуя конус. Боковые стенки фильтра-корзины 22 в представленном примере практической реализации выполнены из нержавеющей стали и могут быть, по меньшей мере, частично покрыты фотокаталитически активным покрытием. Фотокаталитически активное покрытие может, как показано на Фиг.2 штрихпунктирной линией и штрихпунктирной линией с двумя штрихами, быть образовано на внутренней стороне боковой стенки фильтра-корзины и/или на внешней стороне боковой стенки фильтра-корзины. В представленном примере практической реализации фильтр-корзина выполнена из нержавеющей стали V4a и снабжена покрытием из оксида титана. Вместо оксида титана можно также использовать оксиды индия и олова и т.п. Наружная боковая стенка фильтра-корзины снабжена множеством отверстий 26, благодаря которым подлежащие биологической стабилизации стоки могут попадать из камеры 10 в фильтр-корзину 22. Нижний торец 28 фильтра-корзины закрыт, благодаря чему поток внутри фильтра-корзины происходит в основном в радиальном направлении. Верхний торец фильтра-корзины также может быть закрыт. В случае, если этот верхний торец расположен над поверхностью жидкости, закрывать его не обязательно. Внутри полости фильтра-корзины 22 помещен сменный наполнитель 30, который в горизонтальной проекции (Фиг.3) имеет спиралевидную форму. В представленном примере практической реализации наполнитель 30 состоит из материала носителя, который может представлять собой, например, пластину винтовой формы из нержавеющей стали. Спиралевидная форма приспособлена к воронкообразному устройству фильтра-корзины 22, т.е. диаметр спирали увеличивается в осевом направлении снизу вверх. Таким образом, спираль лежит в форме винтовой линии внутри воронки, причем ее диаметр увеличивается кверху наподобие циклона.

На этот винтообразный носитель из нержавеющей стали с обеих сторон нанесен вспененный материал, например пенополиуретан, покрытый активированным древесным углем или смешанный с ним, и, необязательно, с нанокомпозитным материалом. Результатом применения пенополиуретана является образование системы пор, стенки которых покрыты активированным древесным углем таким образом, что создается большая поверхность обмена веществом.

Система пор, покрытая активированным древесным углем и нанокомпозитными частицами, образует сравнительно большую поверхность роста для образования биопленки, в которой происходят описанные выше процессы.

В улучшенном варианте данного изобретения на одну сторону наполнителя в форме спирали 30 нанесено описанное выше покрытие, содержащее активированный древесный уголь, в то время как другая сторона дополнительно покрыта фотокаталитически активным слоем, например оксидом титана, который наносят на слой активированного древесного угля или на пористый материал (например, пенистый материал). Этот фотокаталитически активный слой ускоряет описанный выше фотодинамический процесс, однако эти фотокаталитические поверхности затрудняют образование биопленки, поэтому последние образуются на поверхности, покрытой только активированным древесным углем. В принципе, также возможно нанести фотокаталитически активный слой и поверхность роста (активированный древесный уголь) «частично», т.е. только в конкретных участках стенки с расположением «бок о бок».

Вместо конструкции с расположенным в середине носителем и покрытием на обеих сторонах также можно использовать пористую массу (пену), которая сама по себе не обладает достаточной прочностью. С целью повышения прочности наполнителя эту основу затем помещают между двойными стенками носителя, который, в свою очередь, может быть изготовлен из нержавеющей стали или какого-либо другого подходящего материала, например кислотостойкого пластика и т.д.

Упомянутые в начале микроорганизмы можно вводить в центр наполнителя в форме спирали 30 посредством шланга для воды. Однако также возможно вводить эти микроорганизмы в пористую систему уже в процессе изготовления наполнителя вместе с нанокомпозитными материалами. Испытания, в которых данные микроорганизмы и нанокомпозитные материалы растворяли в хитозане, а затем эту смесь с добавлением нанокомпозитных материалов наносили на наполнитель, например, путем пропитывания, дали многообещающие результаты. Этот прием позволяет избежать необходимости постоянной подачи микроорганизмов, можно просто менять наполнитель 30 через регулярные промежутки времени.

Фильтр-корзина 22 закреплена с возможностью вращения на вертикальной направляющей 24 при помощи подшипников 34. В принципе, также возможен вариант, при котором только наполнитель 30 установлен с возможностью вращения, в то время как фильтр-корзина 22, а точнее кожух корзины, прочно прикреплен к вертикальной направляющей 22, и, таким образом, возможно вращение наполнителя 30 относительно кожуха.

Повышение температуры и образование газа в процессе описанного в начале биологического разложения и особенно образование переменного электрического поля внутри фильтра-корзины 22 вызывают вращение фильтра-корзины или наполнителя 30, благодаря чему достигается, с одной стороны, тщательное перемешивание подлежащих очистке стоков внутри фильтра-корзины 22, а с другой – улучшение потока через фильтр-корзину 22, причем наполнитель 30, имеющий винтообразную волнистую конфигурацию, поддерживает поток стоков.

Упомянутое выше электрическое поле генерируется в ходе фотодинамического процесса и поддерживается активным покрытием 32 фильтра-корзины 22, а также введением наноструктур, функция которых будет объяснена позже со ссылкой на Фиг.9. Если энергии, образующейся в ходе процесса биологического разложения, недостаточно для того, чтобы заставить наполнитель 30 или фильтр-корзину 22 вращаться, последнюю можно дополнительно присоединить к отдельному приводному механизму для сообщения ей вращающего момента, который вызовет вращение.

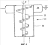
На Фиг.4 показан пример практической реализации фильтра-корзины 22 биореактора 2, которая имеет, в отличие от описанного выше примера практической реализации, не воронкообразную, а цилиндрическую форму.

В этом случае также на одну или обе стороны кожуха 36 фильтра-корзины 22 нанесено фотокаталитически активное покрытие (оксид титана или оксид индия и олова). Внутри этого цилиндрического кожуха 36 также установлен винтообразный наполнитель 30, который образован носителем, имеющим пористую структуру, который покрыт каталитическим слоем, например активированным древесным углем. Как и в описанном выше примере практической реализации, здесь также возможно нанести фотокаталитически активный слой из оксида титана, оксида индия и олова «частично» или на конкретные части стенки наполнителя 30.

Конкретно в представленном примере практической реализации носитель, в свою очередь, выполнен в виде многослойной конструкции («сэндвич»). Собственно носитель представляет собой решетчатое изделие из винилацетата толщиной от двух до трех миллиметров, при этом винтовая структура образована двумя решетчатыми поверхностями, между которыми, как в описанном выше примере практической реализации, размещен полутвердый пенополиуретан с открытыми ячейками и покрытием из активированного древесного угля. На прутья решетки, образованные на обращенной вниз стороне винта, нанесен фотокаталитический слой, причем шаг решетки на этих обращенных вниз главных поверхностях составляет приблизительно 10-12 мм. На прутья решетки, образующие обращенную вверх главную поверхность винта, покрытие не наносят. Шаг решетки здесь составляет приблизительно 25-30 мм.

На обращенной вниз стороне винта пенополиуретан покрыт гелеобразным материалом на основе хитозана. В этот хитозан внедрены нанокомпозитные материалы, которые соответственно образуют систему пьезоэлектрической керамики из коротких волокон цирконата-титаната свинца (PZT) с фотокаталитическим покрытием. Кроме того, одновременно в хитозан внедрены микроорганизмы, выполняющую обычную для очистных установок функцию и биофизическую функцию. На верхней стороне среднего слоя пенополиуретана в катионно-активном лактате хитозана расположены только аэробные микроорганизмы.

Как уже было описано в начале, образование биопленки на верхней стороне спирали происходит очень быстро, а образованию биопленки на нижней поверхности многослойной конструкции препятствует фотокаталитическая активность, сопровождаемая более интенсивным образованием газа (водорода и кислорода). Внутренняя и внешняя стороны стенки цилиндрического фильтра-корзины 22 в свою очередь покрыты, как и в описанном выше примере практической реализации, постоянным фотокаталитическим слоем.

В этом примере практической реализации внешний диаметр винтообразного наполнителя 30 также увеличивается в направлении снизу вверх. В отличие от описанного выше примера практической реализации фильтр-корзина 22, представленная на Фиг.4, снабжена нижним торцом в форме поперечного разреза, который обеспечивает поступление подлежащих очистке стоков: кожух 36 непроницаем для воды, и таким образом жидкость в фильтр-корзину поступает в осевом направлении, а не в радиальном, как в примере практической реализации, описанном в начале.

Предварительные испытания показали, что пенополиуретан 30 в наполнителе обеспечивает достаточную плавучесть фильтра-корзины 22. В случае, если плавучесть будет недостаточной, можно снабдить верхнюю часть фильтра-корзины 22 поплавком 38, охватывающим цилиндрический кожух 36, как показано на Фиг 4.

Вместо покрытого активированным древесным углем пенополиуретана также можно использовать подходящий керамический материал с достаточным объемом пор.

Преимущество примера практической реализации, представленного на Фиг.4, состоит в значительном упрощении изготовления кожуха 36 и уменьшении потерь давления, ожидаемых в случае осевого сквозного потока.

Ниже будет описан другой пример практической реализации биореактора 2 со ссылками на фигуры с 5 по 8.

В этом примере практической реализации биореактор 2 выполнен в форме цилиндра и содержит цилиндрическую фильтр-корзину 22 с открытым торцом. Фильтр-корзина в данном примере практической реализации изготовлена из перфорированной металлической пластины, предпочтительно из нержавеющей стали. Вместо кожуха с отверстиями также можно использовать замкнутый кожух без отверстий, открытый только на торцах. Трубчатая фильтр-корзина 22 имеет, например, длину около 110 см и диаметр 35 см. Предпочтительно круглые отверстия 26, образованные в трубчатом кожухе, имеют в представленном примере практической реализации диаметр 8 мм, а расстояние между их центрами составляет 12 мм.

Фильтр-корзина 22 содержит внутри имеющий винтовую форму наполнитель 30, который в представленном примере практической реализации имеет постоянный внешний диаметр, причем фильтр-корзина 22 выполнена таким образом, что ее внутренний диаметр лишь незначительно превышает внешний диаметр D винтового наполнителя.

В представленном примере практической реализации наполнитель 30 состоит из прочной опоры 40, образованной стальной трубой 42, расположенной вдоль продольной оси фильтра-корзины 22, и из круглых прутьев 44, расположенных на опоре в виде спирали. Эти прутья поддерживают слой пенополиуретана в форме спирали. Круглые прутья 44 расположены под прямым углом к оси стальной трубы 42 и едва доходят до перфорированной боковой стенки фильтра-корзины 22. Слой полиуретана 46 (в соответствии с изображением на Фиг.6) расположен под круглыми прутьями 44 и, таким образом, удерживается в направлении сквозного потока (снизу вверх на Фиг.6).

В представленном примере практической реализации фильтр-корзина 26 зафиксирована, а наполнитель 30 установлен внутри него с возможностью вращения.

В описанном выше примере практической реализации на слой полиуретана 46 нанесен каталитически активный слой, предпочтительно – покрытие из активированного древесного угля. Нижняя основная поверхность слоя 46, обращенная в сторону от круглых прутьев 46, дополнительно покрыта биополимером, например полимером молочной кислоты. В этом биополимере расположены микроорганизмы, которые были описаны в начале, и нанокомпозитные материалы. В качестве материала носителя в дополнение к полимеру молочной кислоты или вместо него можно также применять сахарные мелассы или лактат хитозана. Смесь микроорганизмов в соответствии с данным изобретением содержит, кроме того, микроэлементы, такие как, например, алюминий, кальций, кобальт, медь, железо, магний, марганец, молибден, калий, никель, селен, медь, цинк и/или хром.

Смесь микроорганизмов может, кроме того, содержать обычные для очистных установок микроорганизмы.

Как уже было описано, образование биопленки на верхней стороне спирального наполнителя 30 происходит очень быстро, а образованию биопленки на нижней поверхности слоя препятствует фотокаталитическая активность, сопровождаемая более интенсивным образованием газа (водорода и кислорода).

Фотокаталитическое покрытие фильтра-корзины 22 также поддерживает фотодинамическое разложение органических веществ. Как особенно хорошо видно на увеличенном изображении в соответствии с Фиг.7, фотокаталитически активный слой, например диоксид титана, нанесен как на внутреннюю поверхность боковой стенки фильтра-корзины, так и на наружную поверхность боковой стенки фильтра-корзины. Этот слой полностью покрывает внутреннюю поверхность боковой стенки, т.е. поверхность, обращенную к наполнителю 30, в то время как на наружную поверхность (в соответствии с Фиг.5 и Фиг.7) диоксид титана нанесен полосами 48 таким образом, что остаются участки без покрытия 50. Эти участки без покрытия 48, 50 тянутся в продольном направлении вдоль фильтра-корзины 22. В представленном примере практической реализации ширина полос 48 примерно соответствует четырем расстояниям между соседними отверстиями 26 (дырками), в то время как ширина участков без покрытия 50 значительно меньше и примерно соответствует расстоянию между двумя соседними отверстиями 26.

Благодаря каталитическому покрытию фильтра-корзины 22 и описанному выше покрытию винтового наполнителя 30 вокруг биореактора образуется сравнительно сильное электромагнитное поле, что позволяет снимать напряжение или использовать его для приведения в движение наполнителя 30 внутри фильтра-корзины 22 или всего фильтра-корзины 22.

Другая особенность биореактора 2 изображена на Фиг.8. Соответственно, круглые отверстия 26 в представленном примере практической реализации предпочтительно выполняют путем штампования (перфорирования), причем заусенцы 52, образующиеся в результате штампования (перфорирования), выступают внутрь, т.е. по направлению к наполнителю 30. Описанное выше фотокаталитически активное покрытие 32 из диоксида титана в этом примере практической реализации наносят после вырубки отверстий 26. Оказалось, что покрытие часто не адгезируется вокруг чрезвычайно острых заусениц 52, которые из-за этого остаются без покрытия. Неожиданно выяснилось, что биопленка предпочтительно адгезируется на этих заусенцах без покрытия 52 в ходе работы биореактора 2, т.е. эти участки без покрытия выступают в качестве зон роста для образования биопленки на внутренней поверхности боковой стенки реактора, что дополнительно улучшает переработку органических веществ.

Механизмы, лежащие в основе образования электромагнитного поля, можно объяснить, обратившись к схематическому изображению на Фиг.9.

На Фиг.9 в крайне упрощенной форме изображена вытянутая наночастица из волокон PZT (цирконат-титанат свинца). Этот волокнистый пьезоэлектрический материал вначале поляризуют в постоянном электрическом поле в направлении, обозначенном стрелкой. Затем на длинное волокно наносят слой диоксида титана путем, например, погружения и удаления излишков данного материала. Проводят сушку при температуре 450°С, в ходе которой слой диоксида титана переходит в фазу анатаза, в которой он обладает фотокаталитической активностью.

После этого процесса нанесения покрытия отдельные частицы вносят в переменное электромагнитное поле таким образом, чтобы торцы 58 снова лишились покрытия. На эти лишенные покрытия участки на следующем этапе изготовления наносят алюминий или что-либо подобное (например, путем распыления), и таким образом в готовом виде наночастица 56 состоит из «колпачков» на торцах-полюсах, покрытия из диоксида титана и центральной пьезоэлектрической части.

Во время работы биореактора торцы-полюса 60 и 62, образованные алюминиевыми «колпачками», ионизируются благодаря размещению катионов (слева на Фиг.9) и анионов (справа на Фиг.9) – продуктов метаболизма микроорганизмов. Эта ионизация полюсов-торцов 60 и 62 приводит к образованию сравнительно сильного электромагнитного поля, линии которого 64 изображены на Фиг.9.

Благодаря тому, что площадь полюсов-торцов сравнительно мала, можно наблюдать значительное усиление поля на этих полюсах-торцах 60 и 62. Результатом этого «электрического эффекта острия» является ударная ионизация молекул газа благодаря уже существующим носителям заряда, которые сильно ускоряются вблизи двух полюсов-торцов 60, 62. Одновременно с этим разрядом образуется «электрический ветер», который «дует» по направлению от двух полюсов-концов 60 и 62: следовательно, наночастица 56 действует как «протонный насос», который спонтанно испускает протоны, что вызывает появление лучей голубого света 64 и лучей красного света 66 на этих полюсах-торцах 60 и 62.

В соответствии со схематическим изображением на Фиг.10 на первом этапе фотодинамического разложения происходит флокуляция (образование хлопьев) включений (органических компонентов), в процессе которой высвобождается энергия.

Для того чтобы преодолеть поверхностное натяжение на границе раздела между органическими компонентами и стоками, микроорганизмы продуцируют био-ПАВы, т.е. поверхностно-активные вещества биологического происхождения, (как например, желчная кислота), что приводит к ацидификации поверхности контакта. Эти био-ПАВы представляют собой продуцируемые микроорганизмами поверхностно-активные вещества, которые обладают стабилизирующим действием и позволяют бактериям входить в контакт с загрязняющими агентами и растворять их. Ацидификация поверхности контакта вызывает увеличение проводимости граничной поверхности. На границе раздела между флокулой и жидкостью образуются, благодаря изоморфному обмену атомов решетки, отрицательные поверхностные заряды, что вызывает накопление катионов из электролита (слой Штерна). В образующемся в результате слое диффузия ионов приводит к постепенному снижению концентрации катионов и повышению концентрации анионов.

В качестве дополнительных составляющих к смеси микроорганизмов добавляют нанокомпозитные материалы. Это пьезоэлектрическая керамическая система, которая состоит из коротких волокон PZT, имеющих длину от 20 до 50 мм. Эти короткие волокна покрыты фотокаталитически активным слоем. В качестве материла покрытия использован диоксид титана. Собственные колебания этих элементов в диапазоне от 50 до 500 кГц вызывают фосфоресценцию – вид люминесценции, при котором, в отличие от флюоресценции, испускание света происходит с временной задержкой. В результате этого возбуждения испускается энергия в форме излучения с длинами волн преимущественно в диапазоне от 354 до 450 нм.

Высвобождение энергии колебаний вызывает путем возбуждения фосфоресценцию у грибов и биокаталитическую реакцию биолюминесценции у бактерий (vibrio fischeri). Эта биолюминесценция вызывает высвобождение флуоресцирующего белка (актиния ® anemonia sculata), который флуоресцирует ярко-красным (633 нм) в голубом свете.

Микроорганизмы выделяют цветные пигменты, например Monacus pururus, Limicola-Nadson (клеточный краситель 2145), Pseudomonas fluorescence. При участии бактериохлорофилла (цианобактерия) проходит реакция хлорофилла А, дающая интенсивную зеленую флуоресценцию на длине волны 684 нм. Благодаря взаимодействию с голубым люминесцентным свечением происходит перенос электронов и выделение кислорода у пурпурных бактерий. Вследствие синтеза порфирина у цианобактерий в комбинации с микроводорослями вида Chlorella vulgaris и хитозана лактатом, а также вследствие поглощения голубого люминесцентного света (от 469 до 505 нм) PpIX (протопорфирин IX) заряжается наподобие маленькой батарейки и может, следовательно, перенести часть энергии на обычный кислород. Эти «клетки-производители биотоплива» кроме того используют метаболизм углеводов путем переноса электронов с углеводного в кислородный метаболизм с помощью биологических катализаторов.

Параллельно с обогащением энергией кислорода, образующегося в процессе фотосинтеза, высвобождается химически активный синглетный кислород.

В ходе этого «процесса немеханического клеточного расщепления» выделяется большее количество органического материала и достигается высокая степень расщепления при существенно белее низком потреблении энергии, особенно с грамположительными бактериями.

Вследствие полного бескислородного разложения органических веществ в поле напряженностью от 1200 до 1500 мВ имеет место частичная минерализация. Это поле устанавливается между ярко-красным флуоресцентным светом (633 нм) и зеленой флуоресценцией хлорофилла (634 нм).

В ходе минерализации происходит спонтанная гуминификация, при которой загрязняющие агенты и их метаболиты стабилизируются биологически и не могут быть реиммобилизованы вновь.

В заключение происходит полная минерализация микроорганизмами в минеральные (неорганические) химические соединения. В результате азот, фиксированный ранее в биомассе в процессе фотосинтеза, высвобождается вновь в форме углекислого газа (цикл углерода), а органически связанные азот, сера и фосфат отщепляются в форме окисленных или восстановленных неорганических соединений (цикл азота, цикл серы) и, таким образом, вновь становятся доступны в качестве питательных веществ (минеральные вещества, питательные соли).

Посредством ступени биологической очистки в соответствии с данным изобретением возможно уменьшить долю органических веществ на сухой остаток (TS) в фильтре-корзине (биореактор) до менее чем 10% сухого остатка благодаря разложению ингибирующего вещества и выделению кислорода и энергии. Например, химически активный синглетный кислород, выделяющийся благодаря обогащению энергией кислорода, наиболее эффективно окисляет остатки гормонов и антибиотики. За несколько секунд органические вещества подвергаются переработке (разлагаются) и затем обезвреживаются. С другой стороны, биопленка на верхней поверхности винтообразной вставки разлагает вещества, растворенные в стоках.

Таким образом, в данном изобретении раскрыт биореактор, имеющий в своем составе фильтр-корзину, внутри которой расположен наполнитель, состоящий из пористого носителя, обладающего большой удельной площадью поверхности. В этой фильтре-корзине находится смесь микроорганизмов, которая предпочтительно включает долю фотосинтетически активных микроорганизмов и долю светящихся микроорганизмов, что делает возможным фотодинамическое разложение органических веществ. В соответствии с данным изобретением смесь микроорганизмов дополнительно содержит долю фотокаталитически активных наночастиц.

Список позиционных обозначений

1 малогабаритная установка для очистки сточных вод
2 ступень биологической очистки
4 ступень механической очистки
6 трехкамерный отстойник
8 перегородка
10 камера
12 камера
14 впуск
16 отверстие
18 уровень жидкости
20 сток
22 фильтр-корзина
24 вертикальная направляющая
26 отверстие
28 торец
30 наполнитель
32 покрытие
34 подшипник
36 кожух
38 поплавок
40 опора
42 стальная труба
44 круглый прут
46 слой пенополиуретана
48 полоса
50 участки без покрытия
52 заусенец от штампования
54 биопленка
54 наночастица
58 торец
60 полюс-торец
62 полюс-торец
64 голубой свет
66 красный свет

Формула изобретения

1. Биореактор для обработки загрязненных коммунально-бытовых или промышленных стоков или жидкостей, загрязненных органическими загрязняющими агентами, в частности, для малогабаритной установки для очистки сточных вод, при этом указанный биореактор содержит микроорганизмы, разлагающие органические загрязняющие агенты, при этом указанный реактор содержит контейнер (22), имеющий, по меньшей мере, одно отверстие (26) для протекания подлежащих очистке стоков, внутри контейнера размещен наполнитель (30) с большим объемом пор, а также смесь микроорганизмов, характеризующийся тем, что указанная смесь микроорганизмов содержит долю фотосинтетически активных микроорганизмов и долю светящихся микроорганизмов, и, помимо микроорганизмов, дополнительно содержит наночастицы.

2. Биореактор по п.1, характеризующийся тем, что наполнитель (30) имеет форму спирали.

3. Биореактор по п.2, характеризующийся тем, что диаметр спиралевидного наполнителя (30) увеличивается по оси в направлении к поверхности жидкости.

4. Биореактор по п.1, характеризующийся тем, что наполнитель (30) содержит слой подложки, на который нанесен вспененный материал.

5. Биореактор по п.1, характеризующийся тем, что наполнитель (30) выполнен, предпочтительно, в форме решетчатой структуры с двойными стенками, между которыми расположен пористый материал.

6. Биореактор по любому из пп.1-3, характеризующийся тем, что наполнитель состоит из керамического материала с большим объемом пор.

7. Биореактор по любому из пп.4 или 5, характеризующийся тем, что вспененный материал, предпочтительно полиуретановая пена, покрыт каталитически активным слоем, например активированным углем или подобным материалом.

8. Биореактор по п.7, характеризующийся тем, что микроорганизмы нанесены на поверхность наполнителя (30) или микроорганизмы введены в середину фильтра-корзины (22).

9. Биореактор по п.8, характеризующийся тем, что микроорганизмы аккумулированы в веществе носителя, например хитозане или биополимере, например, таком как полимере молочной кислоты.

10. Биореактор по п.9, характеризующийся тем, что наполнитель (30) снабжен, с одной стороны, смесью микроорганизмов, а с другой – слоем, способствующим образованию биопленки, например, активированным древесным углем.

11. Биореактор по любому из пп.2-5 или 8-9, характеризующийся тем, что стенки контейнера (36) и/или поверхности наполнителя (30) покрыты фотокаталитически активным слоем.

12. Биореактор по п.11, характеризующийся тем, что фотокаталитически активный слой представляет собой слой оксида титана или оксидов индия и олова.

13. Биореактор по п.11, характеризующийся тем, что фотокаталитический слой нанесен, в основном, непрерывно на внутреннюю поверхность боковой стенки контейнера (22) и, частично, на наружную поверхность боковой стенки.

14. Биореактор по п.13, характеризующийся тем, что фотокаталитический слой нанесен полосами, которые, предпочтительно, проходят в продольном направлении.

15. Биореактор по любому из пп.2-5, 8-9 или 12-14, характеризующийся тем, что отверстия (26) контейнера (22) перфорированы таким образом, что заусенцы от перфорирования (52) выступают внутрь, а фотокаталитическое покрытие (32) нанесено после перфорирования.

16. Биореактор по любому из пп.1-5, 8-9 или 12-14, характеризующийся тем, что контейнер (22) имеет форму цилиндра и снабжен, по меньшей мере, на одном из торцов отверстием для прохождения жидкости.

17. Биореактор по любому из пп.1-5, 8-9 или 12-14, характеризующийся тем, что контейнер (22) или наполнитель установлены с возможностью вращения.

18. Смешанная культура микроорганизмов для разложения органических компонентов жидкостей, в частности, для применения в биореакторе по любому из пп.1-17, содержащая долю фотосинтетически активных микроорганизмов и долю светящихся микроорганизмов в биологическом растворе, а также долю нанокомпозитных материалов с пьезоэлектрической активностью, поверхность которых покрыта фотокаталитически активным слоем.

19. Смешанная культура по п.18, характеризующаяся тем, что нанокомпозитный материал имеет волокнистую структуру с длиной волокон от 20 до 100 нм и диаметром от 2 до 10 нм.

20. Смешанная культура по п.18 или 19, характеризующаяся тем, что слой покрытия содержит оксид титана или оксиды индия и олова.

21. Смешанная культура по п.18 или 19, характеризующаяся тем, что покрытие нанокомпозитных материалов имеет множество отверстий для образования полюсов.

22. Смешанная культура по п.19, характеризующаяся тем, что покрытие нанокомпозитных материалов имеет обрыв с обоих концов, и соответствующие полюса (60, 62) формируются на двух концах.

23. Набор для модернизации малогабаритной установки для очистки сточных вод, включающий биореактор (2) по любому из пп.1-17 и смесь микроорганизмов по любому из пп.18-22.

РИСУНКИ

Categories: BD_2374000-2374999