|
|
(21), (22) Заявка: 2008130837/28, 25.07.2008
(24) Дата начала отсчета срока действия патента:
25.07.2008
(46) Опубликовано: 20.11.2009
(56) Список документов, цитированных в отчете о поиске:
RU 2210111 C1, 10.08.2003. RU 2255372 C2, 27.06.2005. US 5273288 A, 28.12.1993. CN 1617176 A, 18.05.2005.
Адрес для переписки:
197082, Санкт-Петербург, П-82, ул. Ждановская, 13, Военно-космическая академия имени А.Ф. Можайского
|
(72) Автор(ы):
Дикарев Виктор Иванович (RU), Малиборский Сергей Станиславович (RU), Семёнова Галина Александровна (RU)
(73) Патентообладатель(и):
Государственное образовательное учреждение высшего профессионального образования “Военно-космическая академия имени А.Ф. Можайского” (RU)
|
(54) ЭЛЕКТРОННЫЕ ШАХМАТНЫЕ ЧАСЫ
(57) Реферат:
Изобретение относится к области часовой промышленности и может быть использовано в электронных шахматных часах, используемых для контроля времени в шахматной партии между удаленными соперниками в режиме реального времени, и направлено на повышение помехоустойчивости и достоверности приема, обработки и передачи информации о ходах и времени на обдумывание. Этот результат обеспечивается за счет того, что используется дуплексная радиосвязь и сложные сигналы с комбинированной фазовой манипуляцией и амплитудной модуляцией. Электронные шахматные часы для этого содержат блок питания, блок формирования хронирующих импульсов, блок обработки информации, переключатель часов, средство для индикации времени соперников, линию связи, блок приема-передачи информации, средство для индикации очередного хода удаленного соперника, блок сверки хода удаленного соперника, блок задания режима учета времени обдумывания хода соперников, видеопередающее устройство, средство для визуального изображения удаленного соперника, средство для учета погрешностей и сбоев, средство для индикации сбоев, задающий генератор, формирователь модулирующего кода, фазовый манипулятор, формирователь модулирующей функции, амплитудный модулятор, первый гетеродин, первый смеситель, усилитель первой промежуточной частоты, первый усилитель мощности, дуплексер, приемопередающую антенну, второй усилитель мощности, второй гетеродин, второй смеситель, усилитель второй промежуточной частоты, амплитудный ограничитель, синхронный детектор, перемножитель, полосовой фильтр и фазовый детектор. 2 ил.
Предлагаемое устройство относится к электронным часам и может быть использовано в электронных шахматных часах, используемых для контроля времени в шахматной партии между удаленными соперниками в режиме реального времени с использованием дуплексной радиосвязи и сложных сигналов с комбинированной фазовой манипуляцией и амплитудной модуляцией (ФМн-Ам).
Известны электронные цифровые часы, содержащие последовательно включенные датчик эталонных сигналов времени и счетчики времени, которые через соответствующие дешифраторы соединены с соответствующими индикаторами (авт. свид. СССР 1439524, G04G 1/00, 1986).
Известны электронные часы с автоконтролем, содержащие соединенные последовательно генератор эталонной частоты, делитель, счетчик времени и устройство вывода, а также устройство ввода, выход которого подключен к второму входу счетчика времени, и блок сигнализации (авт. свид. СССР 1372275, G04G 3/00, 1985).
Известны электронные шахматные часы, содержащие счетчик периодических сигналов, переключатель ходов, клавиатуру, логический блок, два измерителя обратного времени, измеритель обратного числа ходов, причем выходы датчика периодических сигналов, переключателя ходов и первый выход клавиатуры соединены с первым, вторым и третьим входами логического блока соответственно, первый, второй и третий выходы логического блока соединены соответственно с первыми входами первого и второго измерителей обратного времени и измерителя обратного числа ходов, первые выходы которых подсоединены к четвертому, пятому и шестому входам логического блока соответственно, а вторые выходы – к входам соответствующих индикаторов (авт. свид. СССР 1642443, G04G 3/00, 1989).
Известны электронные шахматные часы, которые обеспечивают возможность ведения игры с удаленным соперником в режиме реального времени (патент РФ 2210111, G07С 1/28, 1999), которые и выбраны в качестве прототипа.
До сих пор для осуществления такой игры требовался посредник, который принимал по линии связи информацию об очередном ходе соперника, воспроизводил этот ход на доске и переключал шахматные часы. Все это затрудняло организацию и ход подобных соревнований, вносило большие погрешности и практически исключало возможность проводить шахматные соревнования в режиме реального времени.
Устройство-прототип лишено указанных недостатков и обеспечивает возможность ведения игры с удаленным соперником в режиме реального времени с использованием линии связи. При этом шахматные часы выполняют не свойственные им ранее функции, а именно осуществляют прием, обработку и передачу информации о ходах и времени на обдумывание соперника.
Эффективность дистанционной игры в шахматы соперников, удаленных друг от друга на значительное расстояние, во многом определяется качеством линии связи, то есть помехоустойчивостью и достоверностью приема, обработки и передачи информации о ходах и времени на обдумывание соперников.
Технической задачей изобретения является повышение помехоустойчивости и достоверности приема, обработки и передачи информации о ходах и времени на обдумывание соперников, удаленных на значительное расстояние путем использования дуплексной радиосвязи и сложных сигналов с комбинированной фазовой манипуляцией и амплитудной модуляцией.
Поставленная задача решается тем, что электронные шахматные часы для игры с удаленным соперником, содержащие, в соответствии с ближайшим аналогом, последовательно соединенные блок питания, блок формирования хронирующих импульсов, блок обработки информации, который через переключатель часов связан со средством для индикации времени соперников, средство для индикации очередного хода удаленного соперника и блок сверки хода удаленного соперника, выход которого соединен со входом средства для индикации времени соперников, последовательно подключенные ко второму выходу блока питания видеопередающее устройство, блок приема-передачи информации, вход-выход которого связан с блоком обработки информации, и средство для визуального изображения удаленного соперника, последовательно подключенные к выходу блока задания режима учета времени обдумывания хода соперников блок обработки информации, средство для учета погрешностей и сбоев и средство для индикации сбоев, отличаются от ближайшего аналога тем, что блок приема-передачи информации выполнен в виде последовательно включенных задающего генератора, фазового манипулятора, второй вход которого через формирователь модулирующего кода соединен с выходом блока обработки информации, амплитудного модулятора, второй вход которого через формирователь модулирующей функции соединен с выходом видеопередающего устройства, вход которого соединен с вторым выходом блока питания первого смесителя, второй вход которого соединен с выходом первого гетеродина, усилителя первой промежуточной частоты, первого усилителя мощности дуплексера, вход-выход которого связан с приемопередающей антенной, второго усилителя мощности, второго смесителя, второй вход которого соединен с выходом второго гетеродина, усилителя второй промежуточной частоты, амплитудного ограничителя и синхронного детектора, второй вход которого соединен с выходом усилителя второй промежуточной частоты, а выход подключен к средству для визуального изображения удаленного соперника, последовательно подключенных к выходу амплитудного ограничителя перемножителя, второй вход которого соединен с выходом первого гетеродина, полосового фильтра и фазового детектора, второй вход которого соединен с выходом второго гетеродина, а выход подключен к блоку обработки информации, причем частоты Г1 и Пр2 первого и второго гетеродинов разнесены на значение второй промежуточной частоты Г2– Г1= Пр2, блок приема-передачи информации первого соперника излучает сложные сигналы с комбинированной фазовой манипуляцией и амплитудной модуляцией на частоте 1= Пр1= Г2, а принимает – на частоте 2= Г1, а блок приема-передачи информации второго соперника, наоборот, излучает сложные сигналы с комбинированной фазовой манипуляцией и амплитудной модуляцией на частоте 2, а принимает – на частоте 1.
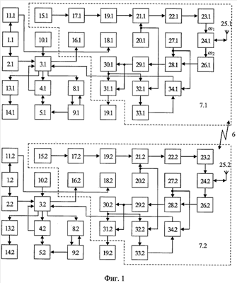
Структурная схема электронных шахматных часов представлена на фиг.1. Частотная диаграмма, иллюстрирующая процесс преобразования сигналов, изображена на фиг.2.
Электронные шахматные часы для игры с удаленным соперником содержат последовательно соединенные блок 1.1 (1.2) питания, блок 2.1 (2.2) формирования хронирующих импульсов, блок 3.1 (3.2) обработки информации, который через переключатель 4.1 (4.2) часов связан со средством 5.1 (5.2) для индикации времени соперников, средство 8.1 (8.2) для индикации очередного хода удаленного соперника и блок 9.1 (9.2) сверки хода удаленного соперника, выход которого соединен со входом средства 5.1 (5.2) для индикации времени соперников, последовательно подключенные ко второму выходу блока 1.1 (1.2) питания, видеопередающее устройство 11.1 (11.2), блок 7.1 (7.2) приема-передачи информации, вход-выход которого связан с блоком 3.1 (3.2) обработки информации, и средство 12.1 (12.2) для визуального изображения удаленного соперника, последовательно подключенные к выходу блока 10.1 (10.2) задания режима учета времени обдумывания хода соперников блок 3.1 (3.2) обработки информации, средство 13.1 (13.2) для учета погрешностей и сбоев и средство 14.1 (14.2) для индикации сбоев.
Блок 7.1 (7.2) приема-передачи информации выполнен в виде последовательно включенных задающего генератора 15.1 (15.2), фазового манипулятора 17.1 (17.2), второй вход которого соединен через формирователь 16.1(16.2) модулирующего кода с выходом блока 3.1 (3.2) обработки информации, амплитудного модулятора 19.1 (19.2), второй вход которого через формирователь 18.1 (18.2) модулирующей функции соединен с выходом видеопередающего устройства 11.1 (11.2), второй вход которого соединен с выходом первого гетеродина 20.1 (20.2), усилителя 22.1 (22.2) первой промежуточной частоты, первого усилителя 23.1 (23.2) мощности, дуплексера 24.1 (24.2), вход-выход которого связан с приемопередающей антенной 25.1 (25.2), второго усилителя 26.1 (26.2) мощности, второго смесителя 28.1 (28.2), второй вход которого соединен с выходом второго гетеродина 27.1 (27.2), усилителя 29.1 (29.2) второй промежуточной частоты, амплитудного ограничителя 30.1 (30.2) и синхронного детектора 31.1 (31.2), второй вход которого соединен с выходом усилителя 29.1 (29.2) второй промежуточной частоты, а выход подключен к средству 12.1 (12.2) для визуального изображения удаленного соперника, последовательно подключенных к выходу амплитудного ограничителя 30.1 (30.2) перемножителя 32.1 (32.2), второй вход которого соединен с выходом первого гетеродина 20.1 (20.2), полосового фильтра 33.1 (33.2) и фазового детектора 34.1 (34.2), второй вход которого соединен с выходом второго гетеродина 27.1 (27.2), а выход подключен к блоку 3.1 (3.2) обработки информации.
Причем частоты Г1 и Г2 первого 20.1 (20.2) и второго 27.1 (27.2) гетеродинов разнесены на значение второй промежуточной частоты
Г2– Г1= Пр2,
блок 7.1 приема-передачи первого соперника излучает сложные сигналы с комбинированной фазовой манипуляцией и амплитудной модуляцией на частоте 1= Пр1= Г2, а принимает – на частоте 2= Г1, а блок 7.2 приема-передачи информации второго соперника, наоборот, излучает сложные сигналы с комбинированной фазовой манипуляцией на частоте 2, а принимает – на частоте 1.
Устройство работает следующим образом. Через линию связи 6 на вход блока 7.1 приема-передачи информации первого соперника, играющего черными фигурами, поступает сигнал о ходе, произведенном удаленным соперником, и значение времени на обдумывание ходов удаленного соперника. После обработки этого сигнала в блоке 3.1 обработки информации этот ход воспроизводится средством 8.1 для индикации хода удаленного соперника в предварительном режиме, например, в виде мигающего изображения. Первый игрок на своем времени воспроизводит этот ход на шахматной доске. В блоке 9.1 сверки производится сверка выполненного первым игроком хода с тем, который получен по линии связи 6, после чего блок 9.1 дает сигнал в средство 8.1 для индикации хода удаленного (второго) соперника на прекращение мигающего режима индикации хода, а также на вход средства 5.1 для индикации времени соперников, где индицируется значение времени на обдумывание ходов у удаленного (второго) соперника.
Когда первый игрок выполнит свой очередной ход и переключит часы, то информация о произведенном им ходе и его времени со средства 5.1 для индикации времени через переключатель 4.1 часов поступает на вход блока 3.1 обработки информации, который автоматически производит проверку соответствия произведенного хода правилам шахматной игры, после чего информация о произведенном первым игроком ходе и его времени поступает на вход формирователя 16.1 модулирующего кода блока 7.1 приема-передачи информации, где преобразуется в цифровой модулирующий код M1(t).
Одновременно задающий генератор 15.1 формирует высокочастотное гармоническое колебание
uС1(t)=UC1·Cos( Ct+ C1), 0 t TC1,
где UС1, С, С1,ТС1 – амплитуда, несущая частота, начальная фаза и длительность колебания,
которое поступает на первый вход фазового манипулятора 17.1, на второй вход которого подается модулирующий код М1(t) с выхода формирователя 16.1. На выходе фазового манипулятора 17.1 образуется сложный сигнал с фазовой манипуляцией
 
где k1(t)={0, } – манипулированная составляющая фазы, отображающая закон фазовой манипуляции в соответствии с модулирующим кодом M1(t), причем К1(t)=const при k ЭЭ и может изменяться скачком при t=k Э, то есть на границах между элементарными посылками (k=1,2, ,N1-1);
Э,N1 – длительность и количество элементарных посылок, из которых составлен сигнал длительностью ТC1(ТC1= Э·N1),
который поступает на первый вход амплитудного модулятора 19.1. Часы позволяют вести визуальный контроль поведения удаленного соперника. Видеопередающее устройство 11.1 через формирователь 18.1 модулирующей функции передает видеоинформацию на второй вход амплитудного модулятора 19.1. На выходе последнего образуется сложный сигнал с комбинированной фазовой манипуляцией и амплитудной модуляцией (ФМн – AM)

где m1(t) – модулирующая функция, содержащая аналоговую информацию,
который поступает на первый вход первого смесителя 21.1, на второй вход которого подается напряжение первого гетеродина 20.1

На выходе смесителя 21.1 образуются напряжения комбинационных частот. Усилителем 22.1 выделяется напряжение первой промежуточной (суммарной) частоты

где 
– первая промежуточная (суммарная) частота,

Это напряжение после усиления в усилителе 23.1 мощности через дуплексер 24.1 поступает в приемопередающую антенну 25.1, излучается ею в эфир на частоте
1= Пр1= Г2, улавливается приемопередающей антенной 25.2 блока 7.2 приема-передачи информации второго соперника и через дуплексер 24.2 и усилитель 26.2 мощности поступает на первый вход смесителя 28.2, на второй вход которого подается напряжение uГ1(t) гетеродина 27.2. На выходе смесителя 28.2 образуются напряжения комбинационных частот. Усилителем 29.2 выделяется напряжение второй промежуточной (разностной) частоты

где 
– вторая промежуточная (разностная) частота;

которое поступает на вход амплитудного ограничителя 30.2 и на первый (информационный) вход синхронного детектора 31.2. На выходе амплитудного ограничителя 30.2 образуется напряжение

где U0 – порог ограничителя,
которое представляет собой сложный ФМн-сигнал на второй промежуточной частоте и поступает на второй (опорный) вход синхронного детектора 31.2 и на первый вход перемножителя 32.2.
На выходе синхронного детектора 31.2 образуется низкочастотное напряжение

где 
пропорциональное модулирующей функции m1(t). Это напряжение поступает на вход средства 12.2 для визуального изображения удаленного первого соперника.
На второй вход перемножителя 32.2 подается напряжение гетеродина 20.2

На выходе перемножителя 32.2 образуется напряжение 
где 


которое представляет собой ФМн-сигнал на частоте Г1 гетеродина 27.2.
Это напряжение выделяется полосовым фильтром 33.2 и поступает на первый (информационный) вход фазового детектора 34.2, на второй (опорный) вход которого подается напряжение uГ1 гетеродина 27.2.
На выходе фазового детектора 34.2 образуется низкочастотное напряжение

где 
пропорциональное модулирующему коду М1(t). Это напряжение поступает на вход блока 3.2 обработки информации, где определяется информация о произведенном первым игроком ходе и его времени. Полученная информация обрабатывается в блоке 3.2 обработки информации таким же образом, как и в блоке 3.1 обработки информации первого игрока и как это описано выше.
Для передачи очередного хода и его времени второго игрока, играющего белыми фигурами, с помощью задающего генератора 15.2 формируется высокочастотное гармоническое колебание

которое поступает на первый вход фазового манипулятора 17.2, на второй вход которого подается модулирующий код M2(t) с выхода формирователя 16.2, который формируется так же, как и модулирующий код М1(t) первого игрока. На выходе фазового манипулятора 17.2 образуется сложный сигнал с фазовой манипуляцией (ФМн)

где k2(t)={0, } – манипулированная составляющая фазы, отображающая закон фазовой манипуляции в соответствии с модулирующим кодом M2(t), причем
k2(t)=const при k ээ и может изменяться скачком при t=k э, то есть на границах между элементарными посылками {k=1,2, ,N2-1);
э,N2 – длительность и количество элементарных посылок, из которых составлен сигнал длительностью ТC2(ТC2= э-N2),
который поступает на первый вход амплитудного модулятора 19.2. На второй вход амплитудного модулятора 19.2 подается видеоинформация с выхода формирователя 18.2 модулирующей функции. На выходе амплитудного модулятора 19.2 образуется сложный сигнал с комбинированной фазовой манипуляцией и амплитудной модуляцией (ФМн – AM)

где m2(t) – модулирующая функция, содержащая аналоговую информацию,
который поступает на первый вход смесителя 21.2, на второй вход которого подается напряжение uГ2(t) гетеродина 20.2. На выходе смесителя 21.2 образуются напряжения комбинационных частот. Усилителем 22.2 выделяется напряжение третьей промежуточной (разностной) частоты

где 
– третья промежуточная (разностная) частота;

Это напряжение после усиления в усилителе 23.2 мощности через дуплексер 24.2 поступает в приемопередающую антенну 25.2, излучается ею в эфир на частоте
2= Пр3= Г1, улавливается приемопередающей антенной 25.1 блока 7.1 приема-передачи информации первого соперника и через дуплексер 24.1 и усилитель 26.1 мощности поступает на первый вход смесителя 27.1. На выходе смесителя 28.1 образуются напряжения комбинационных частот. Усилителем 29.1 выделяется напряжение второй промежуточной (разностной) частоты

где 
– вторая промежуточная (разностная) частота;

которое поступает на вход амплитудного ограничителя 30.1 и на первый (информационный) вход синхронного детектора 31.1. На выходе амплитудного ограничителя 30.1 образуется напряжение

где U0 – порог ограничения,
которое представляет собой сложный ФМн-сигнал на второй промежуточной частоте и поступает на второй (опорный) вход синхронного детектора 31.1 и на первый вход перемножителя 32.1.
На выходе синхронного детектора 31.1 образуется низкочастотное напряжение

где 
пропорциональное модулирующей функции m2(t). Это напряжение поступает на вход средства 12.1 для визуального изображения удаленного второго соперника.
На второй вход перемножителя 32.1 подается напряжение uГ1(t) гетеродина 20.1. На выходе перемножителя 32.1 образуется напряжение

где 
2= Пp2+ Г1,
которое представляет собой ФМН-сигнал на частоте Г2 гетеродина 20.1. Это напряжение выделяется полосовым фильтром 33.1 и поступает на первый (информационный) вход фазового детектора 34.1, на второй (опорный) вход которого подается напряжение uГ2(t) гетеродина 27.1. На выходе фазового детектора 34.1 образуется низкочастотное напряжение
uH4(t)=UH4·Cos k2(t), 0 t TC2,
где 
пропорциональное модулирующему коду M2(t). Это напряжение поступает на вход блока 3.1 обработки информации о произведенном вторым игроком ходе и его времени.
Блок 10.1 (10.2) задания режима контроля времени, выход которого соединен с входом блока 3.1 (3.2) обработки информации, позволяет задавать требуемый режим контроля времени, например, контроль с накоплением времени за каждый выполненный соперником ход.
Часы позволяют вести визуальный контроль поведения удаленного соперника. Часы могут быть снабжены средством 13.1 (13.2) для учета погрешностей и сбоев при передаче информации, которое производит контроль правильности индицирования значений времени с учетом времени прохождения сигналов по линии связи 6. В случае сбоев в линии связи 6 либо в иных нештатных ситуациях средство 13.1 (13.2) выдает сигнал на средство 14.1 (14.2) для индикации сбоев.
Таким образом, предлагаемые электронные шахматные часы по сравнению с прототипом обеспечивают повышение помехоустойчивости и достоверности приема, обработки и передачи информации о ходах и времени на обдумывание соперников, удаленных друг от друга на значительное расстояние. Это достигается использованием дуплексной радиосвязи и сложных сигналов с комбинированной фазовой манипуляцией и амплитудной модуляцией (ФМн – AM).
Указанные сигналы обладают высокой помехоустойчивостью, энергетической и структурной скрытностью. Свойства, присущие ФМн – AM-сигналам, делают их весьма перспективными при обмене информацией между шахматными игроками, удаленными друг от друга на значительное расстояние, в первую очередь, для обеспечения работы линии связи «над помехами», разделения сигналов по форме при их работе в общем участке диапазона частот. Указанные сигналы позволяют применять перспективный вид селекции – структурную селекцию.
Энергетическая скрытность сложных ФМн – AM-сигналов обусловлена их высокой сжимаемостью во времени и по спектру при оптимальной обработке, что позволяет снизить мгновенную излучаемую мощность. Вследствие этого сложный ФМн – AM-сигнал в точке приема может оказаться замаскированным шумами и помехами. Причем энергия сложного сигнала отнюдь не мала, она просто распределена по частотно-временной области так, что в каждой точке этой области мощность сигнала меньше мощности шума и помех.
Структурная скрытность сложных ФМн – AM-сигналов обусловлена большим разнообразием их форм и значительными диапазонами изменений параметров, что затрудняет оптимальную, или хотя бы квазиоптимальную, обработку сложных ФМн – AM-сигналов априорно неизвестной структуры с целью повышения чувствительности приемника.
Следует также отметить, что блоком приема-передачи информации первого соперника, играющего черными фигурами, сложные ФМн – AM-сигналы излучаются на частоте 1= Пр1= Г2, а принимаются на частоте 2= Пр3= Г1. А блоком приема-передачи второго соперника, играющего белыми фигурами и удаленного на значительное расстояние, наоборот, сложные ФМн – AM-сигналы излучаются на частоте 2, а принимаются на частоте 1. Причем частоты Г1 и Г2 гетеродинов разнесены на значение второй промежуточной частоты Г2– Г1= Пр2. Это обстоятельство позволяет осуществлять между игроками надежную дуплексную радиосвязь и исключить взаимное воздействие передатчиков на приемники.
Формула изобретения
Электронные шахматные часы для игры с удаленным соперником, содержащие последовательно соединенные блок питания, блок формирования хронирующих импульсов, блок обработки информации, который через переключатель часов связан со средством для индикации времени соперников, средство для индикации очередного хода удаленного соперника и блок сверки хода удаленного соперника, выход которого соединен со входом средства для индикации времени соперников, последовательно подключенные к второму выходу блока питания видеопередающее устройство, блок приема-передачи информации, вход-выход которого связан с блоком обработки информации, и средство для визуального изображения удаленного соперника, последовательно подключенные к выходу блока задания режима учета времени обдумывания хода соперников блок обработки информации, средство учета погрешностей и сбоев и средство для индикации сбоев, отличающиеся тем, что блок приема-передачи информации выполнен в виде последовательно включенных задающего генератора, фазового манипулятора, второй вход которого через формирователь модулирующего кода соединен с выходом блока обработки информации, амплитудного модулятора, второй вход которого через формирователь модулирующей функции соединен с выходом видеопередающего устройства, вход которого соединен с вторым выходом блока питания, первого смесителя, второй вход которого соединен с выходом первого гетеродина, усилителя первой промежуточной частоты, первого усилителя мощности, дуплексера, вход-выход которого связан с приемопередающей антенной второго усилителя мощности, второго смесителя, второй вход которого соединен с выходом второго гетеродина, усилителя второй промежуточной частоты, амплитудного ограничителя и синхронного детектора, второй вход которого соединен с выходом усилителя второй промежуточной частоты, а выход подключен к средству для визуального изображения удаленного соперника, последовательно подключенных к выходу амплитудного ограничителя перемножителя, второй вход которого соединен с выходом первого гетеродина, полосового фильтра и фазового детектора, второй вход которого соединен с выходом второго гетеродина, а выход подключен к блоку обработки информации, причем частоты Г1 и Г2 первого и второго гетеродинов разнесены на значение второй промежуточной частоты Г2– Г1= Пр2, блок приема-передачи информации первого соперника излучает сложные сигналы с комбинированной фазовой манипуляцией на частоте 2= Пр1= Г2, а принимает на частоте 2= Г1, а блок приема-передачи информации второго соперника, наоборот, излучает сложные сигналы с комбинированной фазовой манипуляцией и амплитудной модуляцией на частоте 2, а принимает – на частоте 1.
РИСУНКИ
|
|