|
|
(21), (22) Заявка: 2008122082/02, 02.06.2008
(24) Дата начала отсчета срока действия патента:
02.06.2008
(46) Опубликовано: 20.11.2009
(56) Список документов, цитированных в отчете о поиске:
RU 2189003 C2, 10.09.2002. US 3876169 A, 08.04.1975. GB 1331046 A, 19.09.1973.
Адрес для переписки:
300001, г.Тула, Щегловская засека, Государственное унитарное предприятие “Конструкторское бюро приборостроения”
|
(72) Автор(ы):
Кузнецов Владимир Маркович (RU), Капустин Анатолий Сергеевич (RU), Шабловский Владимир Иванович (RU), Ефремов Алексей Вячеславович (RU), Галкин Валерий Викторович (RU), Витюков Юрий Владимирович (RU), Махонин Владимир Владимирович (RU), Горбунов Борис Александрович (RU), Феруленков Александр Владимирович (RU)
(73) Патентообладатель(и):
Государственное унитарное предприятие “Конструкторское бюро приборостроения” (RU)
|
(54) РАДИОУПРАВЛЯЕМАЯ ЗЕНИТНАЯ РАКЕТА С ТЕЛЕМЕТРИЧЕСКОЙ СИСТЕМОЙ РЕГИСТРАЦИИ ЕЕ ОСНОВНЫХ ПАРАМЕТРОВ
(57) Реферат:
Изобретение относится к области ракетной техники и может быть использовано в различных ракетных комплексах с радиокомандной системой управления. Технический результат – обеспечение многоканальной передачи информации и ее регистрации на наземном приемном пункте при пусках боевых ракет в процессе их испытаний и отработки. В радиоуправляемой зенитной ракете, содержащей отделяемую стартовую ступень, маршевую ступень с функциональными блоками, аппаратурой управления, приемником радиокоманд с антенным устройством и источником питания с отрывным проводником, согласно изобретению в кормовой части маршевой ступени установлен бортовой телеметрический передающий модуль. Модуль состоит из последовательно соединенных аналого-цифрового преобразователя сигнального контроллера и многолитерного радиопередатчика с фазоимпульсной модуляцией несущей частоты, соединенного через устройство коммутации с полосковой антенной маршевой ступени и через устройство согласования с антеннами стартовой ступени. При этом управляющий вход устройства коммутации соединен с отрывным проводником. 2 ил.
Изобретение относится к области ракетной техники и может быть использовано в различных комплексах с радиокомандной системой управления.
Известна радиоуправляемая зенитная ракета (патент России 2189003 от 10.09.2002 г., Бюл. 25), содержащая стартовый двигатель, маршевую ступень с функциональными блоками и приемником радиокоманд с антенным устройством и источником питания, стартовый двигатель выполнен отделяемым, а антенное устройство – в виде трех ветвей, одна из которых установлена внутри кормовой части маршевой ступени с выходом на задний торец и соединена с одним из входов приемника радиокоманд, две другие ветви антенного устройства диаметрально противоположно расположены в наружных приливах обтекателя, расположенного между маршевой ступенью и двигателем и закрывающего переднюю часть стартового двигателя, и соединены фидерными системами одинаковой длины с другим входом приемника радиокоманд посредством последовательно соединенных микрополоскового тройника и переключательного СВЧ-диода, при этом источник питания приемника радиокоманд соединен с переключательным СВЧ-диодом проводником, механически соединенным с отделяемым стартовым двигателем.
Данная конструкция радиоуправляемой зенитной ракеты при всех своих достоинствах, а именно: надежное управление ракетой на сверхзвуковых скоростях в условиях воздействия на канал управления корпуса двигателя и его факела, а также в условиях радиопомех на маршевом участке траектории полета ракеты, имеет существенный недостаток, а именно: не обеспечивает информацией наземный приемный пункт управления о состоянии параметров функционирования основных функциональных блоков и узлов ракеты в полете.
Задачей предлагаемого изобретения является обеспечение многоканальной передачи информации и ее регистрации на наземном приемном пункте при пусках боевых ракет в процессе их испытаний и отработке в режиме реального времени.
Указанная задача достигается тем, в радиоуправляемой зенитной ракете с телеметрической системой регистрации ее основных параметров, содержащей отделяемую стартовую ступень с функциональными блоками, аппаратурой управления, приемником радиокоманд с антенным устройством и источником питания с отрывным проводником, согласно изобретению в кормовой части маршевой ступени установлен бортовой телеметрический передающий модуль (БТПМ), состоящий из последовательно соединенных аналого-цифрового преобразователя, сигнального контроллера и многолитерного радиопередатчика с фазоимпульсной модуляцией несущей частоты, соединенного через устройство коммутации с полосковой антенной маршевой ступени и через устройство согласования с антеннами стартовой ступени, при этом управляющий вход устройства коммутации соединен с отрывным проводником, в входы аналого-цифрового преобразователя соединены с выходами функциональных блоков и аппаратуры управления, управляющий вход многолитерного радиопередатчика с фазоимпульсной модуляцией несущей частоты соединен с одним из выходов аппаратуры управления, выход приемника радиокоманд с антенным устройством соединен со входом аппаратуры управления, второй вход которой соединен цифровым каналом связи с наземной аппаратурой управления.
Сущность предлагаемого изобретения заключается в том, что данная конструкция радиоуправляемой зенитной ракеты обеспечивает устойчивую многоканальную передачу информации о параметрах функционирования блоков боевой ракеты как на стартовом, так и на маршевом участках полета ракеты за счет введения в состав ракеты БТПМ, состоящего из последовательно соединенных сигнального контроллера с аналого-цифровым преобразователем регистрируемых параметров, формирующим информационные пакеты в двоичном коде, и многолитерного радиопередатчика с фазоимпульсной модуляцией несущей частоты, соединенного через устройство коммутации с полосковой антенной маршевой ступени и антеннами стартовой ступени с устройством согласования, установленными на механизме отделения стартового двигателя. При этом переключение литерных частот телеметрического передающего модуля производится по сигналу из аппаратуры управления, который вырабатывается по адресу ракеты, полученному по информационному каналу с наземным приемным пунктом управления, а для увеличения достоверности передаваемой информации и защиты от помех и шумов, вызванных влиянием стартовой ступени, информационные пакеты передаются циклическим кодом с исправлением ошибок с повторной передачей важных параметров с временным смещением и последующим их сравнением и выделением в наземной аппаратуре при обработке наиболее достоверного пакета данных как при одиночном пуске ракеты, так и при залповой стрельбе за счет переключения частоты монолитерного радиопередатчика по сигналам аппаратуры управления.
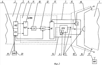
Предлагаемое изобретение поясняется чертежами. На фиг.1 приведена конструкция ракеты, а на фиг.2 – функциональная схема радиоуправляемой ракеты с телеметрической системой регистрации ее основных параметров, где:
1 – стартовая ступень с механизмом отделения;
2 – маршевая ступень;
3 – функциональные блоки (ФБ);
4 – аппаратура управления (АУ);
5 – приемник радиокоманд с антенным устройством (ПРК);
6 – источник питания (батарея) (Б);
7 – отрывной проводник;
8 – кормовая часть маршевой ступени;
9 – бортовой телеметрической передающий модуль (БТПМ);
10 – аналого-цифровой преобразователь (АЦП);
11 – сигнальный контроллер (СК);
12 – многолитерный радиопередатчик с фазоимпульсной модуляцией несущей частоты (РП);
13 – устройство коммутации (УК);
14 – полосковая антенна маршевой ступени;
15 – устройство согласования (СУ);
16 – антенны стартовой ступени;
17 – наземный приемный пункт (НПП);
18 – место стыковки ступеней;
19 – цифровой канал связи;
20 – наземная аппаратура управления (НАУ).
Устройство и принцип действия радиоуправляемой зенитной ракеты с телеметрической системой регистрации ее основных параметров заключается в том, (см. фиг.1, 2), что ракета состоит из отделяемой стартовой ступени 1, маршевой ступени 2 с функциональными блоками 3, аппаратурой управления 4, приемником радиокоманд с антенным устройством 5 и источником питания 6. В кормовой части маршевой ступени 8 установлен БТПМ 9, состоящий из последовательно соединенных аналого-цифрового преобразователя 10, сигнального контроллера 11, многолитерного радиопередатчика с фазоимпульсной модуляцией несущей частоты 12, соединенного через устройства коммутации 13 с полосковой антенной 14 маршевой ступени 2 и через устройство согласования 15 с антеннами стартовой ступени 16. При этом управляющий вход устройства коммутации 13 соединен с отрывным проводником 7, а входы аналого-цифрового преобразователя 10 соединены с выходами функциональных блоков 3 и аппаратуры управления 4. При этом управляющий вход многолитерного радиопередатчика с фазоимпульсной модуляцией несущей частоты 12 соединен с одним из выходов аппаратуры управления 4, выход приемника радиокоманд с антенным устройством 5 соединен со входом аппаратуры управления 4, второй вход которой соединен цифровым каналом связи 19 с наземной аппаратурой управления 20. В момент пуска до выхода ракеты из пускового контейнера из наземной аппаратуры управления 20 по цифровому каналу связи 19 на аппаратуру управления 4 поступает цифровая информация, включающая в себя адрес ракеты, при этом в аппаратуре управления 4 запоминается адрес ракеты и вырабатывается аналоговый сигнал, который передается на управляющий вход многолитерного передатчика с фазоимпульсной модуляцией несущей частоты 12, в котором в зависимости от величины управляющего сигнала переключается несущая частота радиопередатчика. При пуске второй ракеты по цифровому каналу связи 19 поступает информация о втором адресе второй ракеты, при этом аппаратура управления 4 второй ракеты запоминает второй адрес и вырабатывает аналоговый сигнал второй ракеты и также передает его на вход многолитерного радиопередатчика с фазоимпульсной модуляцией несущей частоты 12 второй ракеты. Таким образом, одна или более ракет, находящихся в процессе наведения на цель, излучают информацию на различных литерных частотах. С выходов функциональных блоков 3 и аппаратуры управления 4 ракеты сигналы в аналоговом виде поступают на аналого-цифровой преобразователь 10, где преобразуются в двоичный код, поступающий на сигнальный контроллер 11, формирующий информационные пакеты, которые последовательно поступают на многолитерный радиопередатчик с фазоимпульсной модуляцией несущей частоты 12, соединенный устройством коммутации 13 через согласующее устройство 15 с антеннами стартовой ступени 16 на механизме отделения стартовой ступени 1 и полосковой антенной 14 маршевой ступени 2 и излучаются в направлении наземного приемного пункта 17. Управление устройством коммутации 13 осуществляется снятием электропитания с батареи 6 за счет обрыва отрывного проводника 7, механически связанного с механизмом отделения, при отделении стартовой ступени 1 от маршевой ступени 2 по месту стыковки ступеней 18.
Телеметрическая система регистрации основных параметров радиоуправляемой зенитной ракеты работает следующим образом: в момент пуска ракеты при выходе блока питания на режим по цифровому каналу связи между ракетой и наземной аппаратурой управления на бортовую аппаратуру ракеты передается код адреса ракеты, который одновременно является и кодом установки литерной частоты БТПМ. Номер адреса ракеты и номер литерной частоты системы регистрации синхронно запоминаются на ракете в аппаратуре управления, при этом приемник радиокоманд реагирует только на свой адрес и декодирует только свою посылку, а радиопередатчик БТПМ излучает присвоенный номер литерной частоты. Таким образом, при наличии в наземном приемном пункте системы регистрации нескольких селективных каналов приема от каждой ракеты принимается своя информация, тем самым обеспечивая беспомеховый прием информации от нескольких ракет одновременно. На стартовом участке полета ракеты в условиях воздействия корпуса стартового двигателя и факела обеспечивается уверенный прием сигналов при маневрах ракеты за счет вынесения антенн, установленных на механизме отделения стартового двигателя, за пределы маршевой ступени.
При отделении стартового двигателя обрывается отрывной проводник, механически соединенный с механизмом отделения стартового двигателя, в результате чего с устройства коммутации антенных устройств снимается напряжение питания выход и БТПМ переключается на полосковую антенну маршевой ступени. В процессе полета БТПМ каждой находящейся в процессе наведения ракеты на своей литерной частоте излучает информационные пакеты в двоичном коде о каждом регистрируемом параметре. Информационные коды каждого параметра формируются за счет того, что с функциональных блоков ракеты на последовательно соединенные аналого-цифровой преобразователь и сигнальный контроллер поступает информация с каждого блока, где преобразуется в цифровой двоичный код.
Таким образом, формируется цифровая последовательность кодов, поступающая через БТПМ, антенную систему и наземный приемный пункт системы регистрации, в котором производится прием информации, ее обработка и визуализация в режиме реального времени, что имеет неоценимое значение для достоверного анализа результатов испытаний и определения причин отказов наземной аппаратуры или самой ракеты.
Формула изобретения
Радиоуправляемая зенитная ракета с телеметрической системой регистрации ее основных параметров, содержащая отделяемую стартовую ступень, маршевую ступень с функциональными блоками, аппаратурой управления, приемником радиокоманд с антенным устройством и источником питания с отрывным проводником, отличающаяся тем, что она снабжена антеннами стартовой ступени и полосковой антенной маршевой ступени, при этом в кормовой части маршевой ступени установлен бортовой телеметрический передающий модуль, состоящий из последовательно соединенных аналого-цифрового преобразователя, сигнального контроллера и многолитерного радиопередатчика с фазоимпульсной модуляцией несущей частоты, соединенного через устройство коммутации с полосковой антенной маршевой ступени и через устройство согласования с антеннами стартовой ступени, при этом управляющий вход устройства коммутации соединен с отрывным проводником, входы аналого-цифрового преобразователя соединены с выходами функциональных блоков и аппаратуры управления, управляющий вход многолитерного радиопередатчика с фазоимпульсной модуляцией несущей частоты соединен с одним из выходов аппаратуры управления, выход приемника радиокоманд с антенным устройством соединен с входом аппаратуры управления, второй вход которой соединен цифровым каналом связи с наземной аппаратурой управления.
РИСУНКИ
|
|