|
|
(21), (22) Заявка: 2007145629/09, 11.12.2007
(24) Дата начала отсчета срока действия патента:
11.12.2007
(43) Дата публикации заявки: 20.06.2009
(46) Опубликовано: 27.10.2009
(56) Список документов, цитированных в отчете о поиске:
СЛОКА В.К. Схемы разрешения с применением мешающих сигналов. – М.: Радиотехника и электроника, 1978, с.57-66. RU 2237978 С2, 10.10.2004. WO 95/16314 А2, 15.06.1995. EP 0521525 A2, 07.01.1993. US 6140869 A, 31.10.2000.
Адрес для переписки:
109390, Москва, ул. Артюхиной, 30, кв.32, В.И. Щетинину
|
(72) Автор(ы):
Чекмарёв Михаил Васильевич (RU), Щетинин Владимир Иванович (RU)
(73) Патентообладатель(и):
Чекмарёв Михаил Васильевич (RU), Щетинин Владимир Иванович (RU)
|
(54) УСТРОЙСТВО РАЗРЕШЕНИЯ ФАЗОКОДОМАНИПУЛИРОВАННЫХ СИГНАЛОВ
(57) Реферат:
Изобретение относится к радиотехнике и может использоваться в радиолокационных станциях для разрешения-обнаружения фазокодоманипулированных сигналов, кодированных М-последовательностями, отраженных от целей с существенно отличающимися эффективными поверхностями рассеяния. Достигаемый технический результат – устранение пиков неоднозначности во взаимнокорреляционной функции. Устройство содержит блок оценки времени задержки, Q-канальный линейный фильтр разложения, перемножители, первый восстанавливающий сумматор, блок формирования стробов, согласованный фильтр, второй канал, который содержит блок инверторов и перекрестных связей, введенные перемножители и второй восстанавливающий сумматор, а также сумматор, регистр сдвига, согласованный фильтр. При этом в блок оценки времени задержки входят регистр сдвига, блок весовых коэффициентов, сумматор и пороговая схема. Входной сигнал, состоящий из аддитивной смеси видеочастотных видеоманипулированных сигналов с разными амплитудами и задержками, кодированных М-последовательностью, поступает на вход блока оценки времени задержки, где после согласованной фильтрации во временной области сигнал подается на пороговую схему, при превышении порога с пороговой схемы подается сигнал для начала работы на блок формирования стробов. Сигнал с последнего выхода регистра сдвига блока оценки времени задержки поступает на вход Q-канального линейного фильтра разложения, сигнал раскладывается на ортогональные составляющие и передается на соответствующие перемножители и блок инверторов и перекрестных связей, где формируются зеркальные импульсные характеристики сигналов Q-канального линейного фильтра разложения, с помощью блока формирования стробов и перемножителей осуществляется вырезание составляющих сильного мешающего сигнала, а с помощью восстанавливающих сумматоров восстанавливается структура сигнала. 10 ил.
Изобретение относится к радиотехнике и может использоваться в радиолокационных станциях для разрешения-обнаружения фазокодоманипулированных сигналов, кодированных М-последовательностями, отраженных от целей с существенно отличающимися эффективными поверхностями рассеяния.
Известно устройство разрешения фазокодоманипулированных сигналов с линейными фильтрами разложения, содержащее блок оценки времени задержки, Q-канальный линейный фильтр разложения (где Q – число, кратное степени два), блок формирования стробов, перемножители, восстанавливающий сумматор, согласованный фильтр, причем входом устройства является вход линейного фильтра разложения и вход блока оценки времени задержки, а выходом устройства является выход согласованного фильтра, блок оценки времени задержки соединен с блоком формирования стробов, Q выходов которого соединены со вторыми входами соответствующих перемножителей, Q выходов линейного фильтра разложения соединены с первыми входами соответствующих перемножителей, выходы перемножителей соединены с соответствующими входами восстанавливающего сумматора, который соединен с согласованным фильтром [1].
Однако известное устройство разрешения имеет на выходе пики неоднозначности во взаимнокорреляционной функции.
Целью изобретения является устранение пиков неоднозначности во взаимнокорреляционной функции.
Для достижения поставленной цели в устройство разрешения ФКМ сигналов с линейным фильтром разложения, содержащее блок оценки времени задержки, Q-канальный линейный фильтр разложения, блок формирования стробов, перемножители, первый восстанавливающий сумматор, согласованный фильтр, причем входом устройства является вход линейного фильтра разложения и вход блока оценки времени задержки, а выходом устройства является выход согласованного фильтра, блок оценки времени задержки соединен с блоком формирования стробов, Q выходов которого соединены со вторыми входами соответствующих перемножителей, Q выходов линейного фильтра разложения соединены с первыми входами соответствующих перемножителей, выходы перемножителей соединены с соответствующими входами первого восстанавливающего сумматора, который соединен с согласованным фильтром, введен второй канал, который содержит блок инверторов и перекрестных связей, Q перемножителей и второй восстанавливающий сумматор, также в устройство введен сумматор и регистр сдвига, причем Q выходов блока линейного фильтра разложения соединены с соответствующими Q входами блока инверторов и перекрестных связей, Q выходов которого соединены с первыми входами соответствующих перемножителей, вторые входы перемножителей соединены с соответствующими добавленными Q выходами блока формирования стробов, выходы премножителей соединены с соответствующими входами второго восстанавливающего сумматора, который соединен со вторым входом введенного сумматора, первый восстанавливающий сумматор соединен с введенным регистром сдвига, который соединен с первым входом введенного сумматора, который соединен с согласованным фильтром.
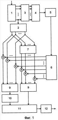
На фиг.1 представлена структурная схема устройства; на фиг.2 – структурная схема блока инверторов и перекрестных связей; на фиг.3: а), б) – прямая и зеркальная матрица импульсных характеристик блока 2 линейных фильтров разложения, в) – блок инверторов и перекрестных связей для примера Q=8, N=127 и образующего полинома для построения М-последовательности f(х)=х7 х6 х5 х2; на фиг.4: а) – эпюры, поясняющие работу устройства разрешения фазокодоманипулированных сигналов для случая Q=4, N=15 и образующего полинома для построения М-последовательности f(х)=х4 х 1, б) – матрица импульсных характеристик блока 2 линейного фильтра разложения для рассматриваемого примера; на фиг.5, 8, 9 – эпюры, поясняющие работу устройства разрешения фазокодоманипулированных сигналов для случая Q=4, N=15 и образующего полинома для построения М-последовательности f(x)=х4 х 1; на фиг.6 – структурная схема блока 2 линейного фильтра разложения для рассматриваемого примера; на фиг.7: а) – эпюры, поясняющие работу устройства разрешения фазокодоманипулированных сигналов для рассматриваемого примера, б) – структурная схема блока 7 инверторов и перекрестных связей для рассматриваемого примера; на фиг.10 – сопоставительная оценка прототипа и предлагаемого устройства по µ-критерию (отношение пика выходного сигнала к максимальному боковому лепестку) в зависимости от временного положения сильного (мешающего) сигнала по отношению к слабому (полезному) сигналу.
Устройство содержит регистр 1 сдвига, блок 2 – Q-канальный линейный фильтр разложения, блок 3 весовых коэффициентов, сумматор 4, пороговую схему 5, причем связка регистра сдвига 1, блока 3 весовых коэффициентов, сумматора 4 и пороговой схемы 5 является блоком оценки времени задержки, блок 6 формирования стробов, блок 7 инверторов и перекрестных связей, 2·Q перемножителей 8, первый и второй сумматор 9 восстанавливающий, регистр 10 сдвига, сумматор 11, согласованный фильтр 12 (фиг.1).
Блок 7 инверторов и перекрестных связей содержит Q/2 инверторов 13 и перекрестные связи (фиг.2).
Регистр сдвига 1 содержит один вход, который является входом устройства, N ячеек сдвига и N выходов, где N – период М-последовательности, выходы регистра сдвига соединены с соответствующими входами блока 3 весовых коэффициентов, последний выход регистра 1 сдвига соединен также с блоком 2 линейного фильтра разложения.
Блок 3 весовых коэффициентов содержит N входов и N выходов, весовые коэффициенты определяются импульсной характеристикой зондирующего сигнала. Выходы блока 3 перекрестных связей соединены с соответствующими входами сумматора 4.
Сумматор 4 имеет N входов и один выход, который соединен с пороговой схемой 5.
Пороговая схема 5 имеет один вход и один выход. Выход пороговой схемы 5 является выходом блока оценки времени задержки и соединен с блоком 6 формирования стробов.
Блок 2 линейного фильтра разложения содержит один вход и Q выходов. Выходы блока соединены с соответствующими входами блока 7 инверторов и перекрестных связей, а также с первыми входами первых Q перемножителей.
Блок 6 формирования стробов имеет один вход и 2·Q выходов. Первые Q выходов блока соединены со вторыми входами первых Q перемножителей 8, а вторые Q выходов блока соединены со вторыми входами вторых Q перемножителей 8. Выходы первых Q перемножителей 8 соединены с соответствующими входами первого сумматора 9 восстанавливающего, а выходы вторых Q перемножителей 8 соединены с соответствующими входами второго сумматора 9 восстанавливающего.
Блок 7 инверторов и перекрестных связей имеет Q входов и Q выходов. Выходы блока соединены с соответствующими первыми входами вторых Q перемножителей.
Первый и второй сумматор 9 восстанавливающий имеет Q входов и один выход. Выход первого сумматора 9 восстанавливающего соединен с входом регистра 10 сдвига, а выход второго сумматора 9 восстанавливающего соединен со вторым входом сумматора 11.
Регистр 10 сдвига имеет один вход и один выход и содержит k ячеек сдвига, где k зависит от времени установления процесса фильтрации в блоке 2 линейных фильтров разложения [1].
Сумматор 11 имеет два входа и один выход, который соединен со входом согласованного фильтра 12.
Согласованный фильтр 12 имеет один вход и один выход. Выход согласованного фильтра 12 является выходом устройства.
Инверторы 13 и перекрестные связи блока 7 инверторов и перекрестных связей располагаются таким образом, чтобы обеспечить зеркальность матрицы импульсных характеристик блока 2 линейного фильтра разложения во втором канале предлагаемого устройства. Построение блока 7 инверторов и перекрестных связей рассмотрим на примере для Q=8, N=127 и образующего полинома для построения М-последовательности f(х)=х7 х6 х5 х2. Матрица импульсных характеристик блока 2 линейного фильтра разложения представлена на фиг.3, а. Если первую строку исходной матрицы оставить без изменения, вторую строку исходной матрицу подвергнуть инверсии и переместить на место седьмой строки, третью строку исходной матрицы переместить на место шестой строки, четвертую строку исходной матрицы подвергнуть инверсии и оставить на своей позиции, пятую строку исходной матрицы подвергнуть инверсии и оставить на своей позиции, шестую строку исходной матрицы переместить на место третьей строки, седьмую строку исходной матрицы подвергнуть инверсии и переместить на место второй строки и восьмую строку исходной матрицы оставить без изменения, то получится матрица зеркальная исходной (фиг.3, б). Таким образом, для данного примера блок 7 инверторов и перекрестных связей представлен на фиг.3, в.
Работа предлагаемого устройства рассматривается для случая обработки аддитивной смеси из двух видеочастотных фазокодоманипулированных сигналов, кодированных пятнадцатиэлементной М-последовательностью с образующим полиномом f(x)=x4 x 1:
-1-1-1-11-11-1-111-1111,
Q=4, N=15, амплитуды сигналов отличаются в четыре раза, а сами сигналы сдвинуты относительно друг друга на 4 длительности элементарной дискреты фазокодоманипулированного сигнала (фиг 4, а). Матрица импульсных характеристик блока 7 линейных фильтров разложения для рассматриваемого примера представлена на фиг.4, б. Поскольку схема устройства линейна, то можно рассмотреть каждый сигнал в отдельности.
Связка регистра 1 сдвига, блока 3 весовых коэффициентов и сумматора 4 является согласованным фильтром во временной области. Сигнал на выходе сумматора 4 представлен на фиг.5. Далее сигнал поступает на пороговую схему 5. Порог в пороговой схеме 5 устанавливается на сильный (мешающий сигнал).
С последнего выхода регистра 1 сдвига сигнал поступает на блок 2 линейных фильтров разложения. Для данного примера блок 2 линейного фильтра разложения представлен на фиг.6 [1]. В состав блока 2 линейного фильтра разложения входит регистр 14 сдвига, который имеет один вход, являющийся входом блока 2 линейных фильтров разложения, пять ячеек сдвига, три выхода которого для данного примера берутся со второй, четвертой и пятой ячейки сдвига. В блок 2 линейных фильтров разложения также входят шесть инверторов 15, соединенных соответствующим образом и расставленных согласно матрице импульсных характеристик блока 2 линейного фильтра разложения, и Q=4 сумматоров 16. Сигналы на выходе второго канала (для примера) блока 2 линейных фильтров разложения представлены на фиг.7, а. Сигналы после блока 2 линейного фильтра разложения поступают на блок 7 инверторов и перекрестных связей и на соответствующие первые входы первых четырех перемножителей.
Блок 7 инверторов и перекрестных связей для данного примера представлен на фиг.7, б. Сигналы на выходе блока 7 инверторов и перекрестных связей, для рассматриваемого канала, представлены на фиг.8, а. Далее сигналы поступают на соответствующие первые входы вторых четырех перемножителей. Одновременно с этим по сигналу с пороговой схемы 5 при превышении порога сильным сигналом во входной смеси блок 6 формирования стробов через свои выходы в соответствующие моменты времени передает на перемножители 8 обнуляющие сигналы для обнуления составляющих сильного сигнала. Здесь для «прямого» канала обнуляются следующие позиции составляющих: первая, вторая, пятая, одиннадцатая, двенадцатая, четырнадцатая (фиг.7, а), а для «зеркального» канала следующие позиции: одиннадцатая, двенадцатая, четырнадцатая, шестнадцатая, семнадцатая, двадцатая (фиг.8, а). Следует отметить, что после пятнадцатой позиции, для «прямого» канала, обнуление составляющих сильного сигнала не имеет смысла, поскольку они компенсируются в первом сумматоре 9 восстанавливающем, а для «зеркального» (введенного) канала – с первой по пятой позиции, так как они компенсируются во втором сумматоре 9 восстанавливающем.
Далее соответствующие сигналы поступают на первый и второй сумматор 9 восстанавливающий, где сигналы по всем соответствующим каналам суммируются. Сигналы после первого и второго сумматора 9 восстанавливающего представлены на фиг.8, б.
После первого сумматора 9 восстанавливающего сигнал поступает на регистр 10 сдвига, который обеспечивает задержку сигнала на пять дискрет, далее сигналы поступают на сумматор 11, где суммируются. Сигнал после сумматора 11 представлен на фиг.9, а. Далее сигнал поступает на согласованный фильтр 12, где производится его согласованная обработка. Сигнал после согласованного фильтра представлен на фиг.9, б.
Анализ известного и предложенного устройства показывает, что в рамках оценки качества работы устройств по µ-критерию (отношение пика выходного сигнала к максимальному боковому лепестку) в зависимости от временного положения сильного (мешающего) сигнала по отношению к слабому (полезному) сигналу ( t) предложенное устройство имеет выигрыш как в числовых значениях (при t=-50 µ=2,2 раза), так и по виду характеристики по данному критерию – она выравнивается (фиг.10).
Литература
1. В.К.Слока. Схемы разрешения с применением мешающих сигналов. – М.: Радиотехника и электроника, 1978, сс. 57-66.
Формула изобретения
Устройство разрешения фазокодоманипулированных сигналов, содержащее блок оценки времени задержки, Q-канальный линейный фильтр разложения, где Q – число, кратное степени два, блок формирования стробов, перемножители, первый восстанавливающий сумматор, согласованный фильтр, причем входом устройства является вход блока оценки времени задержки, а выходом устройства является выход согласованного фильтра, выход блока оценки времени задержки соединен с входом блока формирования стробов, Q выходов которого соединены со вторыми входами соответствующих перемножителей, Q выходов Q-канального линейного фильтра разложения соединены с первыми входами соответствующих перемножителей, выходы перемножителей соединены с соответствующими входами первого восстанавливающего сумматора, отличающееся тем, что последний выход регистра сдвига блока оценки времени задержки соединен с входом Q-канального линейного фильтра разложения, введен второй канал, который содержит блок инверторов и перекрестных связей, Q перемножителей и второй восстанавливающий сумматор, также в устройство введен сумматор и регистр сдвига, причем Q выходов Q-канального линейного фильтра разложения соединены с соответствующими Q входами блока инверторов и перекрестных связей, Q выходов которого соединены с первыми входами соответствующих введенных перемножителей, а вторые входы введенных перемножителей соединены с соответствующими добавленными Q выходами блока формирования стробов, выходы введенных перемножителей соединены с соответствующими входами второго восстанавливающего сумматора, выход которого соединен со вторым входом введенного сумматора, выход первого восстанавливающего сумматора соединен с входом введенного регистра сдвига, выход которого соединен с первым входом введенного сумматора, выход которого соединен с входом согласованного фильтра, блок инверторов и перекрестных связей выполнен обеспечивающим зеркальность матрицы импульсных характеристик Q-канального линейного фильтра разложения в введенном канале.
РИСУНКИ
|
|