|
|
(21), (22) Заявка: 2008118580/09, 08.05.2008
(24) Дата начала отсчета срока действия патента:
08.05.2008
(46) Опубликовано: 27.10.2009
(56) Список документов, цитированных в отчете о поиске:
SU 1795441 A1, 15.02.1993. RU 2060536 C1, 20.05.1996. SU 657428 A1, 15.04.1979. JP 59032040 A, 21.02.1984. JP 10307708 A, 17.11.1998.
Адрес для переписки:
355004, г.Ставрополь, ул. Лермонтова, 103, кв.68, С.А. Турко
|
(72) Автор(ы):
Турко Сергей Александрович (RU), Турко Александра Сергеевна (RU), Стасенко Анастасия Сергеевна (RU), Турко Людмила Федоровна (RU)
(73) Патентообладатель(и):
Общество с ограниченной ответственностью научно-производственное объединение “Сатурн” (RU)
|
(54) ГЕНЕРАТОР ДИСКРЕТНЫХ ЭКСПОНЕНЦИАЛЬНЫХ ФУНКЦИЙ
(57) Реферат:
Изобретение относится к автоматике и вычислительной технике и может быть использовано в системах передачи и обработки информации, при построении фильтров и функциональных преобразователей, в системах управления, а также для анализаторов и синтезаторов сигналов. Техническим результатом является расширение функциональных возможностей за счет формирования комплексных дискретных экспоненциальных функций. Устройство содержит тактовый генератор, счетчики емкостью N, где N – размерность системы функций, умножитель, блок вычисления по модулю N, дешифратор, блоки элементов И, сумматоры, блок задания отсчетов тригонометрической функции, состоящий из источника напряжения, N умножителей напряжения, N нелинейных устройств с косинусоидальной характеристикой, N нелинейных устройств с синусоидальной характеристикой. 1 ил., 1 табл.
Изобретение относится к автоматике и вычислительной технике и может быть использовано в системах передачи и обработки информации, при построении фильтров и функциональных преобразователей, в системах управления, а также для анализаторов и синтезаторов сигналов.
Известен генератор функций Уолша, содержащий генератор тактовых импульсов, два счетчика, элемента И и блок сумматоров по модулю два (см. авторское свидетельство СССР 6574S8, кл. G06F 1/02, 1974).
Однако указанный генератор имеет сравнительно узкие функциональные возможности, что вызвано формированием только функций Уолша, которые имеют ограниченный набор значений периодов, равный 2n, а также недостаточное для многих применений число значений функций Уолша.
Наиболее близким по технической сущности к предлагаемому изобретению является генератор базисных функций, содержащий генератор тактовых импульсов, два счетчика по модулю N (где N – размерность системы функций), умножитель, блок вычисления по модулю N, дешифратор, N блоков элементов И, N-входовый сумматор и блок задания отсчетов тригонометрической функции, состоящей из источника напряжения, N умножителей напряжения, N нелинейных устройств с косинусоидальной характеристикой, N нелинейных устройств с синусоидальной характеристикой, N двухвходовых сумматоров, причем выход тактового генератора соединен со счетным входом первого счетчика по модулю N, выход переполнения первого счетчика соединен со счетным входом второго счетчика, информационные выходы первого и второго счетчиков соединены с входами умножителя, выход умножителя соединен с входом блока вычисления по модулю N, выход блока вычисления по модулю N соединен с входом дешифратора, i-й выход дешифратора соединен с управляющим входом i-го блока элементов И, входы умножителей напряжения подключены к выходу источника напряжения, выходы i-х умножителей напряжения подключены к входам i-х нелинейных устройств с косинусоидальной характеристикой и i-х нелинейных устройств с синусоидальной характеристикой, выходы i-х нелинейных устройств подключены к входам i-х двухвходовых сумматоров, выходы которых являются выходами блока задания, отсчетов тригонометрической функции, информационный вход i-го блока элементов И соединен с i-м выходом блока задания отсчетов тригонометрической функции, выход i-го блока элементов И соединен с i-м входом N-входового сумматора, выход сумматора является выходом генератора (см. авторское свидетельство 179544-1 от 23.10.89, кл. G06F 1/02).
Однако указанный генератор имеет узкие функциональные возможности, поскольку формирует только модели дискретных экспоненциональных функций и не способен генерировать комплексные дискретные экспоненциональные функции.
Целью изобретения является расширение функциональных возможностей генератора за счет формирования комплексных дискретных экспоненциональных функций.
Поставленная цель достигается тем, что в известный генератор, содержащий генератор тактовых импульсов, два счетчика по модулю N (где N – размерность системы функций), умножитель, блок вычисления по модулю N, дешифратор, N блоков элементов И, N-входовый сумматор и блок задания отсчетов тригонометрической функции, состоящий из источника напряжения, N умножителей напряжения, N нелинейных устройств с косинусоидальной характеристикой, N нелинейных устройств с синуносоидальной характеристикой, причем выход тактового генератора соединен со счетным входом первого счетчика по модулю N, выход переполнения первого счетчика соединен со счетным входом второго счетчика, информационные выходы первого и второго счетчиков соединены с входами умножителя, выход умножителя соединен с входом блока вычисления по модулю N, выход блока вычисления по модулю N соединен с входом дешифратора, i-й выход дешифратора соединен с управляющим входом i-го блока элементов И, входы умножителей напряжения подключены к выходу источника напряжения, выходы i-х умножителей напряжения подключены к входам 1-х нелинейных устройств с косинусоидальной характеристикой и i-х нелинейных устройств о синусоидальной характеристикой, введены N дополнительных блоков элементов И и дополнительный N-входовый сумматор, причем i-й выход дешифратора соединен с управляющим входом i-го дополнительного блока элементов И, выход i-го нелинейного устройства с косинусоидальной характеристикой, являющийся выходом блока задания отсчетов тригонометрической функции, соединен с входом i-го блока элементов И, выход i-го нелинейного устройства с синусоидальной характеристикой, являющийся выходом блока задания отсчетов тригонометрической функции, соединен с входом i-го дополнительного блока элементов И, выход i-го блока элементов И соединен с i-м входом N-входового сумматора, выход которого является выходом формирования действительной части комплексной дискретной экспоненциальной функции, выход i-го дополнительного блока элементов И соединен с i-м входом дополнительного N-входового сумматора, выход которого является выходом формирования мнимой части комплексной дискретной экспоненциальной функции.
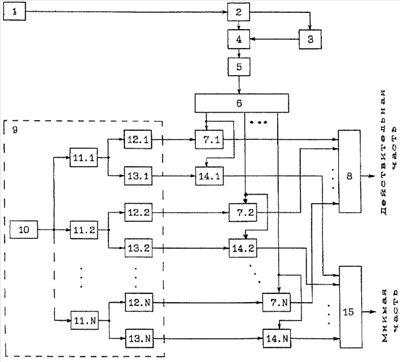
На чертеже представлена структурная схема генератора дискретных экспоненциальных функций.
Генератор дискретных экспоненциальных функций содержит тактовый генератор 1, счетчики 2 и 3 емкостью N (где N – размерность системы функций), умножитель 4, блок 5 вычисления по модулю N, дешифратор 6, блоки 7 элементов И, сумматор 8, блок 9 задания отсчетов тригонометрической функции, состоящий из источника 10 напряжения, умножителей 11 напряжения, нелинейных устройств 12 с косинусоидальной характеристикой, нелинейных устройств 13 с синусоидальной характеристикой, а также дополнительные блоки 14 элементов И и дополнительный сумматор 15.
Дискретные экспоненциальные функции (ДЭФ) можно представить в виде:

причем обе их переменные р и х принимают целочисленные значения р,х=0, 1, 2, , N-1 так, что число функций в системе равно числу отсчетов каждой функции N. Вследствие этого, а также в силу линейной независимости ДЭФ, система ДЭФ является полной (см. Трахтман A.M., Трахтман В.А. Основы теории дискретных сигналов на конечных интервалах. – М.: Сов. радио, 1975, с.54, соотношение 2.12).
Введем обозначение

при этом

Для частного случая N=8 матрица ДЭФ имеет вид

Поскольку ДЭФ являются N-периодическими функциями, то эту матрицу можно переписать с минимальными фазами, образующимися после вычитания из рх целого числа 2

Система ДЭФ может определяться на любом интервале N как четном, так и нечетном. Например, при N=5 матрица ДЭФ с минимальными фазами имеет вид:

(см. Трахман А.М., Трахман В.А. Основы теории дискретных сигналов на конечных интервалах. – М.: Сов. радио, 1975, с.56).
ДЭФ являются комплексными функциями (см. Трахман A.M., Трахман В.А. Основы теории дискретных. сигналов на конечных интервалах. – М.: Сов. радио, 1975, с.55).
Известный генератор базисных функций, являющийся прототипом (см. авторское свидетельство 1795441 от. 23.10.89, кл. G06F 1/02) обладает узкими функциональными возможностями, поскольку не может формировать комплексные ДЭФ, а генерирует всего лишь модели ДЭФ, которые имеют вид:

где М – означает модель дискретной экспоненциальной функции.
Однако в системах передачи и обработки информации, при построении фильтров, для анализа и синтеза сигналов необходимо использовать комплексные ДЭФ, имеющие в соответствии с (1) действительную и мнимую части. Задачу формирования комплексных дискретных экспоненциальных функций выполняет предлагаемый генератор дискретных экспоненциальных функций.
Генератор работает следующим образом. В исходном состоянии одноразрядный счетчик 2 по модулю N и одноразрядный счетчик 3 по модулю N сброшены в нуль.
Под действием импульсов с выхода генератора 1 тактовых импульсов, поступающих на вход счетчика 2, счетчик 2 последовательно меняет свое состояние из “0” в “N-1”. В течение этого времени счетчик 3 по модулю N находится в состоянии “0”. В результате на выходе умножителя 4 (например, для случая m=5) сформируется последовательность:

При поступлении на вход одноразрядного счетчика 2 по модулю N импульса с порядковым номером N счетчик 2 сбрасывается в нуль, а импульс с его выхода переполнения поступает на вход одноразрядного счетчика 3 по модулю N, который меняет свое состояние из “0” в “1”. При поступлении на вход счетчика 2 последовательности импульсов с выхода генератора 1 тактовых импульсов на выходе перемножителя 4 сформируется последовательность:

Таким образом через N2 тактов работы генератора 1 тактовых импульсов на выходе умножителя 4 будет сформирована матрица:

При поступлении этих последовательностей на вход блока 5 вычисления по модулю N на его выходе сформируется матрица:

Дешифратор 6 преобразует одноразрядный N-ичный код в N-разрядный унитарный (унитарным называется такой код, в каждом наборе которого единичное значение принимает лишь один из разрядов).
Таким образом, дешифратор 6 осуществляет управление блоками 7 элементов И, которые в случае аналогового представления сигналов могут быть представлены блоками аналоговых ключей (см. положительное решение по заявке 4751879/24 (129446) от 23.10.89, кл. G06F 1/02, стр.1).
Напряжение с выхода источника 10 напряжения, равное 2 , поступает на входы умножителей 11 напряжения. Коэффициент умножения i-го умножителя 11 напряжения равен Ki i-1/N, например, при N=5, K1=0, K2=1/5, К3=2/5 и т.д.
Таким образом, в случае N=5 на выходе умножителя 11.1 напряжения формируется 0, на выходе умножителя 11.2 – напряжение 2 /5, на выходе умножителя 11.3 – напряжение 4 /5, на выходе умножителя 11.4 – напряжение 6 /5, на выходе умножителя 11.5 – напряжение 8 /5.
Указанные значения напряжений поступают на входы соответствующих нелинейных устройств 12, имеющих характеристику Ивых=cosИвх, и на входы соответствующих нелинейных устройств 13, имеющих характеристику Ивых=sinИвх, выходы которых подключены к входам соответствующих блоков 7 элементов И и к входам соответствующих дополнительных блоков 14 элементов И.
В соответствии с управляющими сигналами, поступающими с выходов дешифратора 6 на управляющие входы блоков 7 и 14 элементов И, косинусоидальные составляющие ДЭФ подаются на входы сумматора 8, а синусоидальные составляющие ДЭФ подаются на входы дополнительного сумматора 15. Вследствие этого на выходе сумматора 8 формируется действительная часть соответствующей комплексной ДЭФ, а на выходе сумматора 15 – мнимая часть соответствующей комплексной ДЭФ в порядке построчного перебора элементов матрицы (6).
Например, в случае N=5 согласно (1) получаем отсчеты для формирования комплексных ДЭФ, представленные в таблице.
Соответствующая матрица номеров i, формируемых дешифратором 6, представляется в виде

Использование изобретения позволяет расширить функциональные возможности устройства, заключающиеся в формировании комплексных дискретных экспоненциальных функций посредством генерирования действительной и мнимой частей на соответствующих выходах генератора.
Формула изобретения
Генератор дискретных экспоненциальных функций, содержащий генератор тактовых импульсов, два счетчика по модулю N (где N – размерность системы функций), умножитель, блок вычисления по модулю N, дешифратор, N блоков элементов И, N-входовый сумматор и блок задания отсчетов тригонометрической функции, состоящий из источника напряжения, N умножителей напряжения, N нелинейных устройств с косинусоидальной характеристикой, N нелинейных устройств с синусоидальной характеристикой, причем выход тактового генератора соединен со счетным входом первого счетчика по модулю N, выход переполнения первого счетчика соединен со счетным входом второго счетчика, информационные выходы первого и второго счетчиков соединены с входами умножителя, выход умножителя соединен с входом блока вычисления по модулю N, выход блока вычисления по модулю N соединен с входом дешифратора, i-й выход дешифратора соединен с управляющим входом 1-го блока элементов И, входы умножителей напряжения подключены к выходу источника напряжения, выходы i-х умножителей напряжения подключены к входам i-х нелинейных устройств с косинусоидальной характеристикой и i-х нелинейных устройств с синусоидальной характеристикой, отличающийся тем, что, с целью расширения функциональных возможностей генератора за счет формирования комплексных дискретных экспоненциальных функций, в него введены N дополнительных блоков элементов И и дополнительный N-входовый сумматор, причем i-й выход дешифратора соединен с управляющим входом i-го дополнительного блока элементов И, выход i-го нелинейного устройства с косинусоидальной характеристикой, являющийся выходом блока задания отсчетов тригонометрической функции, соединен с входом i-го блока элементов И, выход i-го нелинейного устройства с синусоидальной характеристикой, являющийся выходом блока задания отсчетов тригонометрической функции, соединен с входом i-го дополнительного блока элементов И, выход i-го блока элементов И соединен с i-м входом N-входового сумматора, выход которого является выходом формирования действительной части комплексной дискретной экспоненциальной функции, выход i-го дополнительного блока элементов И соединен с i-м входом дополнительного N-входового сумматора, выход которого является выходом формирования мнимой части комплексной дискретной экспоненциальной функции.
РИСУНКИ
|
|