|
|
(21), (22) Заявка: 2007146912/09, 20.12.2007
(24) Дата начала отсчета срока действия патента:
20.12.2007
(43) Дата публикации заявки: 27.06.2009
(46) Опубликовано: 27.10.2009
(56) Список документов, цитированных в отчете о поиске:
SU 642692 A, 15.01.1979. SU 721809 A, 25.03.1980. WO 2007034165 A, 21.03.2007.
Адрес для переписки:
127238, Москва, Дмитровское ш., 75, ОАО “Союзцветметавтоматика”
|
(72) Автор(ы):
Федин Георгий Васильевич (RU), Топчаев Владимир Петрович (RU)
(73) Патентообладатель(и):
ОАО “Союзцветметавтоматика” (RU)
|
(54) ДИСКРЕТНЫЙ ИСТОЧНИК СТАБИЛИЗИРОВАННОГО НАПРЯЖЕНИЯ
(57) Реферат:
Дискретный источник стабилизированного напряжения относится к области электротехники и может быть использован для питания электронных схем. Устройство содержит трансформатор с выходной обмоткой, к которой последовательно подключены две вольтодобавочные обмотки, три управляемых ключа переменного тока, трехпозиционный компаратор с выходами «больше», «норма», «меньше», первая и вторая вольтодобавочные обмотки, включенные встречно и согласно по отношению к основной выходной обмотке соответственно. Выходы ключей переменного тока объединены и подключены на первый вход диодного выпрямителя, а входы ключей переменного тока подключены к выходным обмоткам таким образом, что при входном напряжении, не выходящем за установленные пределы, сигналом «норма» трехпозиционного компаратора к диодному мосту подключается основная выходная обмотка, при выходе входного напряжения за верхний установленный предел первая вольтодобавочная обмотка включается встречно основной выходной обмотке, а при уменьшении входного напряжения ниже установленного вторая вольтодобавочная обмотка включается согласно основной выходной обмотке. Таким образом, диапазон допустимых колебаний входного напряжения увеличивается на сумму напряжения первой и второй вольтодобавочных обмоток. Это полезное свойство весьма существенно при подключении в качестве нагрузки непрерывного стабилизатора, поскольку обеспечивается технический результат – уменьшаются тепловые потери на стабилизаторе. 3 ил.
Устройство относится к вторичным источникам питания в электротехнике и может быть использовано для питания электрических стабилизаторов непрерывного напряжения, электрических ламп накаливания, электродвигателей подключении к первичной сети переменного тока с повышенным диапазоном колебаний входного напряжения.
Известен дискретный регулируемый преобразователь переменного напряжения в переменное [л.1]. Устройство [л.1] содержит согласующий и вольтодобавочный трансформаторы, управляемые ключи, подсоединенные к первичной обмотке согласующего трансформатора, вторичная обмотка которого является источником выходного напряжения. Первичная обмотка вольтодобавочного трансформатора содержит две одинаковых встречно включенных обмотки, а вторичная обмотка вольтодобавочного трансформатора включена последовательно выходному напряжению.
Устройство [л.1] сложно, имеет большие габариты и вес ввиду наличия двух трансформаторов, один из которых обеспечивает питание нагрузки и вольтодобавочный трансформатор с одинаковыми первичными обмотками и осуществляет регулирование напряжения только при изменении входного напряжения в сторону повышения.
Известен стабилизатор напряжения постоянного тока [л.2, с.55], включающий трансформатор с первичной и вторичной обмоткой, мостовой выпрямитель [л.2, с.54] с накопительным конденсатором, к выходу мостового выпрямителя подключен стабилизатор. Стабилизатор напряжения постоянного тока [л.2, с.55] имеет большие тепловые потери на стабилизаторе при завышенном напряжении на выходе мостового выпрямителя, которое является следствием завышения входного переменного напряжения на первичной обмотке трансформатора.
Прототипом предлагаемого устройства является устройство [л.2, с.55].
Целью предлагаемого изобретения является уменьшение тепловых потерь на стабилизаторе при изменениях входного напряжения выше верхнего заданного напряжения и сохранение работоспособности стабилизатора при уменьшении входного напряжения ниже установленного нижнего напряжения.
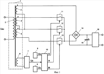
Предлагаемое устройство представлено на фиг.1, где изображаются:
1 – трансформатор,
2 – входная обмотка трансформатора,
3 – основная выходная обмотка трансформатора,
4 – первая вольтодобавочная обмотка трансформатора,
5 – вторая вольтодобавочная обмотка трансформатора,
6 – измерительная обмотка трансформатора,
7 – датчик напряжения сети,
8 – задатчик верхней уставки Uв,
9 – задатчик нижней уставки Uн,
10 – трехпозиционный компаратор,
11 – первый ключ переменного тока,
12 – второй ключ переменного тока,
13 – третий ключ переменного тока,
14 – первый диодный выпрямитель,
15 – накопительный конденсатор,
16 – стабилизатор.
Для достижения цели изобретения в устройство введены первая 4 и вторая 5 вольтодобавочные обмотки, включенные встречно последовательно, и измерительная обмотка 6, трехпозиционный компаратор 7 с выходами «больше» – Б, «норма» – Н и «меньше» – М, первым, вторым и третьим входом, управляемые ключи переменного тока 11, 12, и 13 соответственно. Вход первого ключа 11 переменного тока подключен к началу первой волътодобавочной обмотки 4, конец основной выходной обмотки 3 и точка соединения первой и второй вольтодобавочных обмоток соединены и подключены на вход второго ключа переменного тока 12, конец второй вольтодобавочной обмотки 5 подключен к входу третьего ключа 13 переменного тока. Выходы первого 11, второго 12 и третьего 13 ключей переменного тока объединены и подключены к первому входу диодного выпрямителя, к второму входу которого подключено начало основной вторичной обмотки, а к выходу диодного выпрямителя подключен накопительный конденсатор 15 и стабилизатор 16. К первому входу трехпозиционного компаратора 10 подключен выход задатчика 8 верхнего напряжения Uв, к второму входу трехпозиционного компаратора подключен выход датчика напряжения сети, к третьему входу трехпозиционного компаратора подключен выход задатчика 9 нижнего входного напряжения Uн. Выходной сигнал U6 датчика напряжения сети 6 определяется соотношением: U6=kUвх, где k – коэффициент трансформации напряжения с первичной обмотки 2 на измерительную обмотку 6.
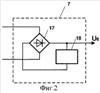
На фиг.2 и фиг.3 изображены фрагменты предлагаемого устройства – датчик напряжения сети 7 и трехпозиционный компаратор 10, где изображены:
17 – второй диодный выпрямитель,
18 – фильтр нижних частот,
19 – первый двухпозиционный компаратор,
20 – второй двухпозиционный компаратор,
21 – логическая схема И-НЕ
Датчик напряжения сети 7 включает в себя второй диодный выпрямитель 17, к выходу которого подключен фильтр нижних частот 18, выход которого является выходом датчика 6 напряжения сети.
Трехпозиционный компаратор 10 содержит первый 19 и второй 20 двухпозиционные компараторы, выходы которых подключены к входам логической схемы И-НЕ 21. При этом выход логической схемы И-НЕ 21 является выходом «норма» И трехпозиционного компаратора 10, а выходы первого 19 и второго 20 двухпозиционных компараторов являются выходами «больше» – Б, и «меньше» – М трехпозиционного компаратора 10. Первые входы первого 19 и второго 20 компараторов объединены и подключены к выходу датчика 7 напряжения сети, а вторые входы первого 19 и второго 20 компаратора подключены к выходу задатчика 8 верхней уставки и задатчика 9 нижней уставки соответственно. Активными выходными сигналами трехпозиционного компаратора 10 являются низкие уровни сигналов на выходах первого 19 и второго 20 двухпозиционных компараторов и логической схемы И-НЕ 21. На выходе логической схемы И-НЕ 21 активный выходной сигнал появляется при высоких уровнях сигнала на выходах компараторов 19 и 20. Активный выходной сигнал на выходе «больше» Б появляется, когда входное напряжение Uвх больше заданного Uв, а на выходе «меньше» М активный управляющий сигнал появляется, когда входное напряжение Uвх меньше заданного Uн.
Устройство работает следующим образом.
В исходном состоянии, когда входное напряжение Uвх меньше заданного верхнего напряжения Uв, но больше заданного нижнего напряжения Uн, сигнал выхода «норма» – Н трехпозиционного компаратора 10 является активным и включает второй ключ переменного тока 12 и поэтому напряжение на входе первого диодного выпрямителя 14 определяется напряжением на основной выходной обмотке 3. Если входное напряжение Uвх больше заданного напряжения Uв, то активный управляющий сигнал появляется на выходе «больше» Б трехпозиционного компаратора 10 и включает первый ключ переменного тока 11. В этом случае напряжение на выходе первого диодного выпрямителя 14 уменьшается на величину напряжения первой вольтодобавочной обмотки 4, включенной последовательно встречно по отношению к основной выходной обмотке 3. Если входное напряжение Uвх меньше нижнего напряжения Uн, то активный управляющий сигнал появляется на выходе «меньше» М трехпозиционного компаратора 10 и включает третий ключ переменного тока 13. Поэтому напряжение на входе первого диодного выпрямителя 14 увеличивается на величину напряжения второй вольтодобавочной обмотки 5, включенной последовательно согласно по отношению к основной выходной обмотке 3.
Таким образом, предлагаемый дискретный источник стабилизированного напряжения работает нормально как при увеличении, так и при уменьшении входного напряжения за пределы установленных значений Uв и Uн соответственно. Это полезное свойство предлагаемого устройства позволяет сократить тепловые потери на стабилизаторе и исключить переход его в неработоспособное состояние и сохранить работоспособность устройства при заниженных значениях входного напряжения.
Предложенное устройство является новым, полезным и промышленно применимым. Введенные в устройство дополнительные элементы и связи между ними соответствуют признакам изобретения.
Литература
1. Авторское свидетельство SU 1697061, G05F 1/30, H02M 5/12, Бюл. 45 07.12.91 г. «Регулируемый преобразователь переменного напряжения в переменное».
2. П.Хоровиц, У Хилл. Искусство схемотехники, т.1, с.55, с.54, с.329, Москва, «Мир», 1993.
Формула изобретения
Дискретный источник стабилизированного напряжения, содержащий трансформатор с первичной и вторичной обмотками, диодный выпрямитель, накопительный конденсатор и стабилизатор в качестве нагрузки, подключенной к выходу диодного выпрямителя, отличающийся тем, что в устройство введены первая и вторая вольтодобавочные обмотки, измерительная обмотка, первый, второй и третий ключи переменного тока, трехпозиционный компаратор с выходами «больше», «норма» и «меньше», подключенными к управляющим входам первого, второго и третьего ключей переменного тока соответственно, первый и второй задатчики верхней и нижней уставок, к первому входу трехпозиционного компаратора подключен задатчик верхней уставки, ко второму входу подключен выход введенного в устройство датчика входного напряжения сети, выходом подключенный к измерительной обмотке, к третьему входу трехпозиционного компаратора подключен выход задатчика нижней уставки; выходы первого, второго и третьего ключей переменного тока объединены и подключены к первому входу диодного выпрямителя, ко второму входу которого подключено начало основной выходной обмотки, вход первого ключа переменного тока подключен к началу первой вольтодобавочной обмотки, вход второго ключа переменного тока подключен в точку соединения конца основной выходной обмотки, конца первой вольтодобавочной обмотки и начала второй вольтодобавочной обмотки, вход третьего ключа переменного тока подключен к концу второй вольтодобавочной обмотки.
РИСУНКИ
|
|