|
(21), (22) Заявка: 2006132897/28, 14.09.2006
(24) Дата начала отсчета срока действия патента:
14.09.2006
(43) Дата публикации заявки: 20.03.2008
(46) Опубликовано: 27.10.2009
(56) Список документов, цитированных в отчете о поиске:
SU 932391 A1, 30.05.1982. SU 1341571 A1, 30.09.1987. RU 2123401 C1, 20.12.1998. GB 1034724 A, 06.07.1966. US 5455805 A, 03.10.1995. US 4475400 A, 09.10.1984.
Адрес для переписки:
162626, Вологодская обл., г.Череповец, ул.Годовикова,12, ООО “Нординкрафт” Санкт-Петербург”
|
(72) Автор(ы):
Кириков Андрей Васильевич (RU), Забродин Александр Николаевич (RU), Кашин Алексей Михайлович (RU), Макаренков Константин Николаевич (RU)
(73) Патентообладатель(и):
ООО “Нординкрафт Санкт-Петербург” (RU)
|
(54) УСТРОЙСТВО ПОВЫШЕНИЯ ПОМЕХОЗАЩИЩЕННОСТИ УЛЬТРАЗВУКОВОГО КОНТРОЛЯ
(57) Реферат:
Использование: для автоматизированного ультразвукового контроля. Сущность заключается в том, что устройство содержит четыре коммутирующих устройства, полосовой и режекторный фильтры, шесть пиковых детекторов, устройство задержки сигнала, два блока измерения отношения уровней сигналов, два пороговых устройства, устройство сложения и устройство вычитания сигналов, при этом информационные сигналы через первые два коммутирующих устройства поступают на входы первых двух пиковых детекторов, а также через усилитель и третье коммутирующее устройство – на входы полосового и режекторного фильтров, при этом вход полосового фильтра подключен к входу устройства задержки сигнала и к входу третьего пикового детектора, а выход режекторного фильтра подключен к входу четвертого пикового детектора, при этом выходы третьего и четвертого пиковых детекторов соединены с входами второго блока измерения отношений уровней сигналов, кроме того, выход третьего пикового детектора подключен к входу первого блока измерения уровней сигналов, второй вход которого соединен с выходом первого пикового детектора, выходы обоих измерителей отношений сигналов через пороговые устройства подключены к входам устройства сложения, выход последнего подключен к управляющему входу четвертого коммутирующего устройства, сигнальный вход которого соединен с выходом устройства задержки сигнала, выход четвертого коммутирующего устройства соединен с входами первого и второго когерентных или некогерентных накопителей, выходы которых подключены к входам вычитающего устройства, выход вычитающего устройства подключен к входу шестого пикового детектора, а выход первого накопителя подключен к входу пятого пикового детектора, с выходов данных пиковых детекторов снимаются амплитудные значения обработанных и очищенных от помех информационных сигналов. Технический результат: повышение помехозащищенности при ультразвуковом контроле. 13 ил.
Изобретение относится к области неразрушающего контроля и может быть использовано в системах ультразвукового контроля преимущественно установок для автоматизированного ультразвукового контроля листового, сортового проката и труб.
Преобразователь ультразвукового дефектоскопа излучает в изделие импульсы высокочастотных упругих колебаний. Излучение зондирующих импульсов происходит, главным образом, по нормали к поверхности контролируемых изделий сотни или даже тысячи раз в секунду. Соответственно приемный преобразователь (часто прием и излучение осуществляют с помощью одного и того же преобразователя) сотни или тысячи раз в секунду принимает из изделия отклики или, как их еще называют, «реализации» сигналов.
Каждая реализация содержит сигналы, отраженные от поверхностей проката («донные» сигналы) и от дефектов, а также импульсы, обусловленные помехами, имеющими в большинстве случаев акустическую или электромагнитную природу [1].
При отсутствии помех каждая реализация содержит в себе информацию, которая позволяет судить о толщине контролируемого изделия в месте расположения ультразвукового преобразователя, наличии или отсутствии несплошностей и т.д. Помехи способны исказить получаемую информацию, обусловить принятие неправильного решения о физических и потребительских свойствах контролируемого изделия,
Для снижения уровня помех применяют различные методы, в частности когерентное (или некогерентное) накопление реализаций. Полезные сигналы, «привязанные» к зондирующему импульсу и поэтому имеющие относительно медленно изменяющиеся от реализации к реализации амплитуды и фазы, эффективно суммируются. Помеха, время прихода, амплитуда и фаза которой имеют в большинстве своем случайный характер, суммируется в накопителе не столь эффективно. Поэтому когерентное (как, впрочем, и некогерентное) накопление в большинстве случаев позволяет эффективно повысить соотношение «полезный сигнал / помеха».
Однако существуют специфические помехи, которые могут оказаться частично или полностью синхронизированными с зондирующими импульсами и, следовательно, с полезными сигналами. Такие помехи весьма опасны, поскольку способны накапливаться в когерентном (или некогерентном) накопителе. Примером источника синхронных помех является ЭВМ управляющего вычислительного комплекса, входящая в состав любой современной многоканальной системы автоматизированного ультразвукового контроля. Синхронной помехой во многих случаях являются также не затухшие в изделии колебания, обусловленные предыдущими зондирующими импульсами, или паразитные колебания частичек окалины, или пузырьков воздуха, попавших в рабочую область ультразвукового преобразователя (ЭМАП или ПЭП) [2], [3].
Для случайной, но достаточно мощной и длительной по времени действия помехи также существует вероятность «прорваться» через накопитель. Этому способствует следующее обстоятельство.
Известные электронные схемы регистрации сигналов импульсных ультразвуковых дефектоскопов предполагают применение широкополосных фильтров, что обусловлено необходимостью селекции дефектов, расположенных достаточно близко к естественным отражателям, которые, как правило, формируют мощные “донные” сигналы.
Широкополосный фильтр обеспечивает прием сигналов без “заваливания” их фронтов, что благоприятно сказывается на разрешающей способности. Однако помехозащищенность такого фильтра в ряде практических случаев может оказаться неудовлетворительной.
При попытках согласовать характеристику фильтра со спектром принимаемых сигналов форма последних существенно искажается. Фронты сигналов “заваливаются”, и это отрицательно сказывается на возможности обнаружения дефектов, особенно при контроле листового проката относительно небольшой толщины.
Чертежи.
Фиг.1. Широкополосный фильтр-приемник. Вид типичных для листового и сортового проката реализаций.
Фиг.2. Приемник с согласованной фильтрацией. Влияние полосы пропускания приемника импульсного ультразвукового дефектоскопа на выявляемость дефектов, расположенных вблизи естественных отражателей, где
1 – зондирующий импульс;
2, 3 – первый и второй “донные” импульсы;
4 – сигналы от дефектов.
Фиг.3. Слияние импульсов 2 и 3 для случая уменьшения толщины проката в четыре раза.
Фиг.4. Прием тех же сигналов широкополосным приемником.
Фиг.5. Пример разбиения принимаемого сигнала на зоны, где:
А – зона действия зондирующего импульса;
В, D – зоны ожидания сигналов, отраженных от дефектов;
С, Е – зоны ожидания “донных” сигналов;
1, 2, 3, 4 – сигналы, как на фиг.1.
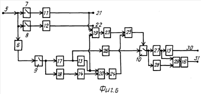
Фиг.6. Структурная схема предлагаемого устройства, где
5 – точка ввода входного сигнала;
6 – усилитель с коэффициентом усиления К;
7, 8, 9, 10 – коммутирующие устройства;
11, 12, 13, 14, 15, 16 – пиковые детекторы-измерители максимальных амплитудных значений;
17 – полосовой фильтр, позволяющий оптимальным образом выделять спектр полезного сигнала;
18 – режекторный фильтр, подавляющий полезный сигнал;
19, 20 – блоки, выполняющие операцию измерения отношений уровней сигналов «после блока 13»/«сигнал 21» и «после блока 13»/«после блока 14» соответственно;
21 – точка измерения амплитуды первого “донного” сигнала;
22 – точка измерения амплитуды второго “донного” сигнала;
23, 24 – пороговые устройства;
25 – устройство сложения (логическая схема «И»);
26 – устройство задержки сигнала на время ;
27, 28 – когерентные (или некогерентные) накопители с числом накоплений соответственно N1 и N2 при N1«N2;
29 – вычитающее устройство, выполняет действие S1(t) – S2(t); где S1(t), S2(t) – полезный сигнал, прошедший соответственно через накопители 27 и 28;
30 – точка измерения амплитуды полезного сигнала на выходе первого когерентного или некогерентного накопителя для зоны В (или D);
31 – точка измерения амплитуды полезного сигнала из зоны В (или D), очищенного от регулярных составляющих;
Фиг.7. Реализация входного сигнала.
Фиг.8. Спектр сигнала в отсутствии помех.
Фиг.9. Спектр сигнала при взаимодействии помех.
Фиг.10. Обобщенная передаточная характеристика полосового фильтра.
Фиг.11. Пример амплитудно-частотной характеристики реального полосового фильтра.
Фиг.12. Спектр сигнала, «очищенного» от помех.
Фиг.13. Спектр сигнала, отфильтрованного и обработанного устройством, показанным на фиг.6.
Преимущества применения широкополосных приемников заключаются в следующем:
1. Сигналы на выходе широкополосного приемника имеют значительно (иногда в несколько раз) более короткую “мертвую зону”. На фиг.1 зондирующий импульс намного короче, чем аналогичный на фиг.2. Из-за этого один из импульсов, обусловленных несплошностью, видимый на фиг.1, «пропал» в «мертвой зоне» на фиг.2 (первый после зондирующего импульса).
2. Возможность выявлять дефекты, расположенные в непосредственной близости к естественным отражателям. По фиг.2 мы не можем с уверенностью отметить факт наличия или отсутствия некоторых сигналов, отраженных от дефектов, которые, тем не менее, отчетливо видны на фиг.1.
3. Широкополосный прием обеспечивает более широкий диапазон толщин проката, которые могут быть проконтролированы. Например, при уменьшении толщины в четыре раза контроль с применением согласованного приемника невозможен: импульсы 2 и 3 на фиг.3 практически сольются. В то же время для широкополосного приемника (фиг.4) контроль будет возможен, поскольку зазор между импульсами 2 и 3 будет все еще достаточным, чтобы регистрировать в нем импульсы, отраженные от дефектов.
Еще одним достоинством широкополосного приемника является его возможность обеспечивать существенно более высокую точность при определении расстояния между “донными” импульсами. Это чрезвычайно важно, например, при проведении ультразвуковой толщинометрии.
Однако все эти достоинства широкополосного приема проявляются только в условиях, когда отсутствует помеха.
При наличии помех, например индустриальных импульсных электромагнитных возмущений, широкополосный прием приводит к ложным срабатываниям дефектоскопической аппаратуры. Эти ложные срабатывания приводят к необоснованной перебраковке и в большинстве случаев являются совершенно неприемлемыми для производителя металлопродукции.
Особенно это касается случаев применения высокопроизводительных многоканальных систем автоматизированного ультразвукового контроля, стоящих непосредственно в технологическом потоке производства проката.
Важным свойством таких систем, в отличие от ручных дефектоскопов, является необходимость осуществлять контроль по принципу «за один проход». Вернуться к проконтролированному участку весьма затруднительно, а зачастую и физически невозможно.
С другой стороны, оптимизация полосы пропускания приемного тракта всегда носит компромиссный характер и в ряде случаев не приносит желаемого результата. Как правило, такие системы не обладают ни требуемой помехозащищенностью, ни удовлетворительной разрешающей способностью
Предлагаемое устройство позволяет эффективно устранить указанное противоречие.
Поставленная задача достигается тем, что устройство повышения помехозащищенности ультразвукового контроля, включающее блоки приема, обработки и регистрации ультразвуковых колебаний, содержит четыре коммутирующих устройства, полосовой и режекторный фильтры, шесть пиковых детекторов, устройство задержки сигнала, два блока измерения отношения уровней сигналов, два пороговых устройства, устройство сложения и устройство вычитания сигналов, при этом информационные сигналы через первые два коммутирующих устройства поступают на входы первых двух пиковых детекторов, а также через усилитель и третье коммутирующее устройство – на входы полосового и режекторного фильтров, при этом вход полосового фильтра подключен к входу устройства задержки сигнала и к входу третьего пикового детектора, а выход режекторного фильтра подключен к входу четвертого пикового детектора, при этом выходы третьего и четвертого пиковых детекторов соединены с входами второго блока измерения отношений уровней сигналов, кроме того, выход третьего пикового детектора подключен к входу первого блока измерения уровней сигналов, второй вход которого соединен с выходом первого пикового детектора, выходы обоих измерителей отношений сигналов через пороговые устройства подключены к входам устройства сложения, выход последнего подключен к управляющему входу четвертого коммутирующего устройства, сигнальный вход которого соединен с выходом устройства задержки сигнала, выход коммутирующего устройства соединен с входами первого и второго когерентных или некогерентных накопителей, выходы которых подключены к входам вычитающего устройства, выход вычитающего устройства подключен к входу шестого пикового детектора, а выход первого накопителя подключен к входу пятого пикового детектора, с выходов данных пиковых детекторов снимаются амплитудные значения обработанных и очищенных от помех информационных сигналов.
В основу настоящего изобретения положен способ повышения помехозащищенности ультразвукового контроля [4] проката, исключающий искажения принимаемых сигналов и обеспечивающий высокую достоверность результатов контроля.
Реализация указанного способа повышения помехозащищенности ультразвукового контроля обеспечивается тем, что устройство ультразвукового контроля дополнительно содержит усилитель, коммутирующие устройства, пиковые детекторы-измерители амплитудных значений, полосовой фильтр, оптимально выделяющий спектр полезного, режекторный фильтр, подавляющий полезный сигнал; блоки измерения отношения двух сигналов, присутствующих на его входах, пороговые устройства, устройство сложения (логическую схему «И»), устройство для задержки сигнала на время , когерентные (или некогерентные) накопители с числом накоплений N1 и N2 при N1«N2 и вычитающее устройство, выполняющее повременное действие вычитания вида Sl(t) – S2(t), где S1(t); S2(t) – сигналы из зон В (или D), накопленные соответственно по N1 и N2 циклам.
Например, если в спектре сигналов, принятых в зоне В и D, преобладают частотные составляющие, не характерные для полезного сигнала, делают заключение о ненадежности вывода об обнаружении несплошности. Весьма вероятно, что превышение допустимого порога произошло в результате действия помехи.
Заявляемое устройство дополнительно предполагает также возможность очистки сигнала в зонах ожидания импульсов, отраженных от дефектов, от регулярной составляющей, которая в прокате может быть обусловлена, например, незатухшими колебаниями или наличием паразитных волн, возбуждаемых пьезоэлектрическим или электромагнитно-акустическим преобразователями.
В общем случае, для оценки качества изделия необходимо знать как минимум следующие параметры: амплитуды донных сигналов 2, 3 (см. фиг.5, сигналы в зонах С, Е соответственно) и амплитуды сигналов в зонах В и D.
Параметры, полученные (обработанные) при помощи предлагаемого устройства, позволяют резко повысить вероятность принятия правильного решения о качественном состоянии изделия (объекта контроля).
Устройство работает следующим образом (фиг.6).
Входной информативный сигнал 5 (фиг.7) поступает на входы коммутаторов 7 и 8 и далее на пиковые детекторы 11 и 12, осуществляющие измерение амплитудных значений двух первых «донных» сигналов 21 и 22. В дальнейшем эти сигналы могут использоваться для реализации зеркально-теневого и многократного зеркально-теневого методов обнаружения несплошностей. Кроме того, значение амплитуды первого «донного» импульса характеризует, при определенных условиях, количество энергии, введенной в объект контроля (ОК). Относительно этого значения удобно осуществлять измерение амплитуд всех остальных принимаемых сигналов.
Входной сигнал 5 представлен на фиг.7, где:
– поз.1-4 – (как на фиг.1)- полезные сигналы;
– поз.36 – помеха.
Одновременно входной сигнал 5 поступает на вход усилителя 6, который призван компенсировать уменьшение амплитуды сигналов, принятых из зон B и D, неизбежное при согласованной (или оптимальной) фильтрации. Смесь полезного сигнала и помехи проходит через полосовой и режекторный фильтры 17, 18, на входы которых они поступают через коммутатор 9.
Спектры сигнала в отсутствие помех и при их воздействии представлены соответственно на фиг.8 и фиг.9, где:
– 33 – спектр полезного сигнала;
– 34 – спектр помехи.
Амплитудно-частотная характеристика (АЧХ) полосового фильтра представлена на фиг.10 и фиг.11, где:
Азд – параметр, характеризующий ослабление частотных составляющих сигнала, лежащих вне полосы пропуская фильтра;
Aп – параметр, характеризующий неравномерность амплитудно-частотной характеристики (АЧХ) в полосе пропускания фильтра.
Далее на выходе полосового фильтра 17 уже доминирует полезный сигнал (см. фиг.12 и фиг.13), а на выходе режекторного фильтра 18 – помеха. Полезный сигнал поступает на задерживающее устройство 26, и далее, через коммутатор 10, на когерентные (или некогерентные) накопители 27 и 28. Здесь осуществляется дополнительная его обработка с целью повышения отношения «сигнал»/«помеха» (при помощи когерентного или некогерентного накопителя 27) и отделение от сигнала регулярных составляющих (при помощи когерентных или некогерентных накопителей 27, 28 и вычитающего устройства 29).
На фиг.12 показан сигнал, «очищенный» от помех, где:
– 1 – зондирующий импульс;
– 2, 3 – первый и второй “донные” импульсы;
– 4 – сигналы от дефектов, отфильтрованные устройством на фиг.6.
Спектр принятого сигнала отфильтрованного (обработанного устройством на фиг.6) представлен на фиг.13, где:
– 33 – спектр полезного сигнала в зонах В и D после обработки;
– 34 – спектр помехи после обработки;
– 35 – амплитудно-частотная характеристика полосового фильтра.
Коммутатор 10 служит для блокирования недостоверных данных. Он попросту не пропускает их на когерентные (или некогерентные) накопители.
Признаком недостоверности данных и возможного превалирования помехи в задержанном в устройстве 26 сигнале является превышение амплитуды помехи Ап некоторых уровней, измеренных относительно амплитудных значений первого донного сигнала 21 и сигнала (преимущественно полезного), сформированного на выходе блока 13.
Таким образом, устройства: 10, 17, 18, 19, 20, 24, 25, 26 служат исключительно для контроля достоверности данных. В условиях, когда вероятностью присутствия помехи на выходе полосового фильтра 17 можно пренебречь, указанные выше блоки можно исключить.
Амплитудные значения полностью обработанного сигнала 30 и этого же сигнала после очистки от регулярной составляющей 31 появляются на выходах пиковых детекторов 15 и 16 соответственно.
Предлагаемое устройство позволяет реализовать помехозащиту измеренных полезных сигналов путем спектральной их обработки по зонам ожидания сигналов от дефектов, а также подавить сигналы регулярной составляющей, которые могут ограничивать чувствительность контроля или вызывать ложные срабатывания о наличии или отсутствии дефектов.
Кроме того, предлагаемое устройство позволяет исключить мертвые зоны контроля путем применения процедуры удаления регулярной составляющей к «донным» сигналам, которые могут маскировать сигналы от дефектов, залегающих близко к поверхности.
Данное устройство повышения помехозащищенности ультразвукового контроля может быть реализовано как с помощью аппаратных средств ЭВМ, так и с помощью электронных приборов и компонентов.
Источники информации
1. Й.Крауткремер, Г.Крауткремер. Ультразвуковой контроль материалов. Справочник под редакцией В.Н.Волченко. С.751.
2. Патент РФ 2123401.
3. А.В.Кириков, А.Н.Забродин. Особенности применения ЭМАП при УЗК проката. Журнал «В мире неразрушающего контроля», N1, март 2002, С.5-8.
4. 3аявка РФ 2005109969 на изобретение «Способ повышения помехозащищенности ультразвукового контроля». Положительное решение от 07.04.2005 г.
Формула изобретения
Устройство повышения помехозащищенности ультразвукового контроля, включающее блоки приема, обработки и регистрации ультразвуковых колебаний, отличающееся тем, что оно содержит четыре коммутирующих устройства, полосовой и рсжекторный фильтры, шесть пиковых детекторов, устройство задержки сигнала, два блока измерения отношения уровней сигналов, два пороговых устройства, устройство сложения и устройство вычитания сигналов, при этом информационные сигналы через первые два коммутирующих устройства поступают на входы первых двух пиковых детекторов, а также через усилитель и третье коммутирующее устройство на входы полосового и режекторного фильтров, при этом вход полосового фильтра подключен к входу устройства задержки сигнала и к входу третьего пикового детектора, а выход режекторного фильтра подключен к входу четвертого пикового детектора, при этом выходы третьего и четвертого пиковых детекторов соединены с входами второго блока измерения отношений уровней сигналов, кроме того, выход третьего пикового детектора подключен к входу первого блока измерения уровней сигналов, второй вход которого соединен с выходом первого пикового детектора, выходы обоих измерителей отношений сигналов через пороговые устройства подключены к входам устройства сложения, выход последнего подключен к управляющему входу четвертого коммутирующего устройства, сигнальный вход которого соединен с выходом устройства задержки сигнала, выход четвертого коммутирующего устройства соединен с входами первого и второго когерентных или некогерентных накопителей, выходы которых подключены к входам вычитающего устройства, выход вычитающего устройства подключен к входу шестого пикового детектора, а выход первого накопителя подключен к входу пятого пикового детектора, с выходов данных пиковых детекторов снимаются амплитудные значения обработанных и очищенных от помех информационных сигналов.
РИСУНКИ
|