|
|
(21), (22) Заявка: 2008130836/28, 25.07.2008
(24) Дата начала отсчета срока действия патента:
25.07.2008
(46) Опубликовано: 27.10.2009
(56) Список документов, цитированных в отчете о поиске:
KRUTH J. и др. «On-line monitoring and process control in selective laser melting and laser cutting», proceedings of the 5тн LANE 2007. Erlangen, Germany. JP 2007190576 A, 02.08.2007. SU 1635017 A1, 15.03.1991. RU 2258589 C1, 20.08.2005. RU 35433 U1, 01.10.2004.
Адрес для переписки:
220072, г.Минск, пр-кт Независимости, 68, ГНУ “Институт физики имени Б.И. Степанова Национальной академии наук Беларуси”, Зам. директора В.Ю. Плавскому
|
(72) Автор(ы):
Чивель Юрий Александрович (BY), СМУРОВ Игорь (FR), ЛАЖЕ Бернард (FR)
(73) Патентообладатель(и):
Государственное научное учреждение “Институт физики имени Б.И. Степанова Национальной академии наук Беларуси” (BY), Национальная инженерная школа Сент.Этьенна (FR)
|
(54) УСТРОЙСТВО ДЛЯ КОНТРОЛЯ ЛАЗЕРНЫХ ТЕХНОЛОГИЧЕСКИХ ПРОЦЕССОВ
(57) Реферат:
Устройство для контроля лазерных технологических процессов содержит лазер со сканирующей и фокусирующей системой, узкополосный диодный лазер, двухканальный оптический пирометр, работающий в области от 1,1 до 2,5 мкм, и две видеокамеры. Одна видеокамера регистрирует изображение области обработки в спектральной области длин волн от 400 до 950 нм. Дополнительная видеокамера регистрирует изображение области обработки либо на длине волны лазера, либо на длине волны узкополосного диодного лазера. Технический результат – расширение функциональных возможностей. 1 ил.
Изобретение относится к области измерительной техники и может быть использовано для контроля и управления технологическими процессами с применением лазеров, как-то сварки, селективной наплавки и селективного спекания-плавления, в том числе с использованием гальваносканеров.
Известно устройство для контроля лазерных технологических процессов [1], содержащее видеокамеру с объективом.
Недостатком данного устройства является ограниченное число измеряемых параметров технологического процесса.
Наиболее близким по технической сущности к заявляемому устройству является устройство для контроля лазерных технологических процессов [2], содержащее видеокамеру с объективом и фотодиод, оптически связанные со сканирующей и фокусирующей системой лазера. Недостатком данного устройства является ограниченное число измеряемых параметров технологического процесса.
Задачей данного изобретения является расширение функциональных возможностей устройства для контроля лазерных технологических процессов.
Поставленная техническая задача решается тем, что в устройство для контроля лазерных технологических процессов, содержащее лазер со сканирующей и фокусирующей системой, видеокамеру и фотодиод, оптически связанные со сканирующей и фокусирующей системой лазера, дополнительно введены узкополосный диодный лазер, двухканальный оптический пирометр и видеокамера, которые оптически связаны со сканирующей и фокусирующей системой лазера, а видеокамера выполнена с возможностью регистрации изображений на двух длинах волн.
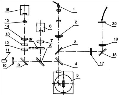
Сущность изобретения поясняется чертежом, где изображен общий вид устройства для контроля лазерных технологических процессов.
Предлагаемое устройство содержит лазер (на схеме не показан), пучок 1 с которого через телескоп 2 и дихроичные зеркала 3, 4 связан со сканирующей и фокусирующей системой лазера в виде сканирующей головки с объективом 5. Дихроичное зеркало 6 и объектив 7 оптически связывают видеокамеру 6 со сканирующей и фокусирующей системой лазера в виде сканирующей головки с объективом 5. Дихроичное зеркало 9, объектив 10, узкополосный диодный лазер 11, фильтры 12 и 13, объективы 14 и 15 связывают видеокамеру 16 со сканирующей и фокусирующей системой лазера в виде сканирующей головки с объективом 5. Отсекающий лазерное излучение фильтр 17, дихроичное зеркало 18 и объектив 19 связывают пирометр 20 со сканирующей и фокусирующей системой лазера в виде сканирующей головки с объективом 5. Сменный фильтр 21 регистрирует изображение области обработки.
Устройство работает следующим образом. Пучок лазера 1 с помощью телескопа 2, сканирующей и фокусирующей системы лазера 5 фокусируется на поверхность обрабатываемого образца. Объективы 7, 14, 15 совместно со сканирующей и фокусирующей системой лазера 5 и дихроичными зеркалами 6, 9 строят изображения области обработки плоскости матриц видеокамер 8, 16. Причем с помощью дихроичного зеркала 6 и сменных фильтров 21 видеокамера 8 регистрирует изображение области обработки либо на длине волны лазера, либо на длине волны узкополосного диодного лазера, а видеокамера 16 регистрирует изображение в спектральной области выделяемой фильтрами 12, 13 полосы длин волн от 400 до 950 нм. Пирометр спектрального отношения 20 работает в области от 1,1 до 2,5 мкм, определяемой дихроичными зеркалами 3 и 18. Изображения с видеокамер 8 и 16 обрабатываются на компьютере в режиме реального времени. Помимо общей картины области обработки в свете узкой полосы диодного лазера с высоким пространственным и временным разрешением примерно 5 мкм, 10 мкс и полей интенсивности свечения поверхности в области обработки определяется поле яркостных температур на поверхности образца и максимальная цветовая температура, а также распределение воздействующего лазерного излучения в пятне облучения. Наличие у видеокамер затворов позволяет выбирать момент начала и длительность регистрации и таким образом фиксировать параметры нужной стадии технологического процесса.
Таким образом, заявляемое изобретение обеспечивает существенное расширение возможностей устройства для контроля лазерных технологических процессов.
Список литературы
Формула изобретения
Устройство для контроля лазерных технологических процессов, содержащее лазер со сканирующей и фокусирующей системой, видеокамеру, регистрирующую изображение области обработки в спектральной области длин волн от 400 до 950 нм, а также оптически связанные со сканирующей и фокусирующей системой лазера узкополосный диодный лазер, двухканальный оптический пирометр, работающий в области от 1,1 до 2,5 мкм, и дополнительную видеокамеру, которая с помощью дихроичного зеркала и сменных фильтров регистрирует изображение области обработки либо на длине волны лазера, либо на длине волны узкополосного диодного лазера.
РИСУНКИ
|
|