Патент на изобретение №2371562

Published by on




РОССИЙСКАЯ ФЕДЕРАЦИЯ



ФЕДЕРАЛЬНАЯ СЛУЖБА
ПО ИНТЕЛЛЕКТУАЛЬНОЙ СОБСТВЕННОСТИ,
ПАТЕНТАМ И ТОВАРНЫМ ЗНАКАМ
(19) RU (11) 2371562 (13) C1
(51) МПК

E05F15/12 (2006.01)

(12) ОПИСАНИЕ ИЗОБРЕТЕНИЯ К ПАТЕНТУ

Статус: по данным на 18.08.2010 – действует

(21), (22) Заявка: 2008127717/12, 07.07.2008

(24) Дата начала отсчета срока действия патента:

07.07.2008

(46) Опубликовано: 27.10.2009

(56) Список документов, цитированных в отчете о
поиске:
RU 2033516 C1, 20.04.1995. EP 1770237 A2, 04.04.2007. US 2005275364 A1, 15.12.2005. EP 1867826 A2, 19.12.2007.

Адрес для переписки:

456227, Челябинская обл., г. Златоуст, ул.Шишкина, 13, кв.59, И.Б. Подсядло

(72) Автор(ы):

Подсядло Игорь Брониславович (RU)

(73) Патентообладатель(и):

Подсядло Игорь Брониславович (RU)

(54) УСТРОЙСТВО ДЛЯ ОТКРЫВАНИЯ И ЗАКРЫВАНИЯ СТВОРОК

(57) Реферат:

Изобретение относится к устройствам для открывания и закрывания ворот, в том числе гаражей и т.д. Устройство содержит электродвигатель и винтовую пару, связанную через редуктор с электродвигателем. Винтовая пара расположена в жестко связанном с электродвигателем полом трубчатом корпусе, заполненном масляной жидкостью. Червяк червячного редуктора закреплен консольно на валу электродвигателя. Ходовой винт опирается на два подшипника: скольжения, установленный в резиновом амортизаторе, и качения. Цапфы, установленные на проеме и створке ворот, входят в трубки, прикрепленные к корпусу и гайке соответственно. Цапфа, установленная на проеме, расположена в байонетном пазу. В системе управления использованы оптические датчики, расположенные в корпусе и взаимодействующие с зубчатым диском, закрепленным на ходовом винте, и шторкой, закрепленной на гайке. Устройство позволяет повысить надежность срабатывания привода, упростить конструкцию, а также повысить удобство в эксплуатации, в т.ч. и при отключении электроэнергии. Кроме того, конструкция обеспечивает варианты установки устройства, как с наружной, так и с внутренней стороны ворот. 7 ил.

Изобретение относится к устройствам для перемещения объектов, в частности к устройствам для открывания и закрывания ворот, в том числе гаражей и т.д.

Известно устройство для открывания и закрывания створки, содержащее гайку, вращаемую через передачу электродвигателем, и винт-тягу, проходящий через гайку и связанный шарнирно с полотном ворот. Корпус имеет две концевые цапфы. Механизм закреплен на поворотной площадке сбоку на раме проема и снабжен средствами для автоматического отключения электродвигателя в крайних положениях створки. (Авторское свидетельство СССР 1470923, Е05F 15/00, 1989).

Такое устройство недостаточно надежно в эксплуатации, кроме того, при отключении электроэнергии его сложно отсоединить от створки.

Известно устройство для перемещения раздвижных ворот по патенту 2054112, E05F 15/14, 1996 г., в котором использована система управления с возможностью попеременного включения на интервал времени, необходимый для перемещения рейки относительно зубца магнитопровода.

Недостатком известного устройства является применение датчиков, использующих эффект магнитной индукции, при этом наблюдается повышенный разброс момента срабатывания из-за люфтов в движущихся элементах приводов, а также из-за низкой чувствительности способа.

Известно устройство для открывания и закрывания створки по патенту РФ 2033516, E05F 15/00, 1995 г., содержащее винтовую пару и включающую жестко связанный с электродвигателем полый трубчатый корпус. Винт пары размещен в заполненном масляной жидкостью корпусе и установлен на валу электродвигателя, а выдвижной элемент выполнен в виде трубы, свободный конец которой жестко связан с гайкой, установленной на винте с возможностью возвратно-поступательного скольжения по внутренней поверхности полого корпуса.

Недостатком известного устройства является недостаточно точное позиционирование положения створок, невозможность быстрого отсоединения привода от створки.

В основу изобретения поставлена задача повышения надежности и удобства эксплуатации устройства.

Поставленная задача решается тем, что в устройстве для открывания и закрывания створок, содержащем электродвигатель и связанную через редуктор с электродвигателем винтовую пару, расположенную в жестко связанном с электродвигателем полом трубчатом корпусе, причем гайка установлена на винте с возможностью возвратно-поступательного скольжения, а полость корпуса заполнена масляной жидкостью, кроме того, привод снабжен системой управления с датчиками, согласно изобретению червяк редуктора закреплен консольно на валу электродвигателя, а ходовой винт опирается на два подшипника – скольжения, установленный в резиновом амортизаторе, и качения, а цапфы для установки на створке и проеме ворот входят в трубки, прикрепленные к гайке и корпусу соответственно, причем цапфа для установки на проеме расположена в байонетном пазу, кроме того, в системе управления имеются оптические датчики, расположенные в корпусе и имеющие возможность взаимодействовать с зубчатым диском, закрепленным на ходовом винте, и шторкой, закрепленной на гайке.

Отличительными признаками заявляемого устройства являются:

– использование для измерения количества оборотов винта и хода гайки оптических датчиков, что позволяет уменьшить разброс момента срабатывания, снизить количество отказов, т.к. в отличие от контактных датчиков нет засорения подвижных деталей датчиков летом пылью, а зимой их замерзания и уменьшение габаритов привода, т.к. оптические датчики при равной точности имеют меньшие размеры; кроме того, положение открытия каждой створки определяется не срабатыванием датчика, расположенного в крайнем положении гайки, а рассчитывается по количеству импульсов, выданных датчиком при вращении винта;

– система управления обеспечивает одновременно защиту электродвигателя и возможность длительного замедленного движение створок на пониженных оборотах электродвигателя;

– применение для измерения числа и частоты оборотов ходового винта зубчатого диска позволяет упростить систему управления, т.к. один и тот же датчик используется и для позиционирования открытия створки, и для защиты электродвигателя;

– байонетное соединение цапфы, закрепленной на проеме, и трубки, соединенной с корпусом, дает возможность быстрого отсоединения привода от створки и обеспечивает возможность сохранения после отсоединения створки почти горизонтального положения привода, исключающего вытекания масла из редуктора;

– использование в конструкции трубок и цапф, связанных с корпусом и гайкой, позволяет исключить использование болтов, петель и т.д., что обеспечивает быстрое и удобное открытие ворот при отсутствии электроэнергии;

– установка подшипника скольжения в резиновом амортизаторе уменьшает шум и вибрации при работе привода и компенсирует погрешности его изготовления;

– использование всего двух подшипников для установки ходового винта упрощает конструкцию устройства.

Преимущество заявляемого устройства заключается в том, что благодаря такой конструкции и взаимосвязи элементов можно повысить надежность срабатывания привода, упростить его конструкцию, повысить удобство эксплуатации, в т.ч. при отключении электроэнергии. Кроме того, конструкция обеспечивает варианты установки устройства как снаружи, так и внутри помещения или ограды с воротами.

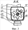
Сущность заявляемого устройства для перемещения объектов поясняется чертежами: на фиг.1 показан привод в разрезе; на фиг.2 – разрез А-А на фиг1, на фиг.3 – разрез Б-Б на фиг.1; на фиг.4 – разрез В-В на фиг.1; на фиг.5 – вид изнутри на ворота гаража с установленными приводами; на фиг.6 – положение приводов при закрытых воротах, на фиг.7 – положение приводов при открытых воротах.

Открывание или закрывание объектов (ворот) (фиг.5, 6, 7) осуществляется с помощью двух электромеханических приводов, на каждую створку устанавливается один привод.

Каждый привод (фиг.1) состоит из закрытого кожухом 1 электродвигателя 2, на валу которого консольно закреплен червяк 3. Червяк 3 находится в зацеплении с червячным колесом 4, которое закреплено на хвостовике ходового винта 5. Ходовой винт 5 вращается в двух подшипниках: качения 6 и скольжения 7. Подшипник 7 установлен в затыльнике 8 с помощью резинового амортизатора 9, уменьшающего шум и вибрации при работе привода и компенсирующего погрешности изготовления.

Червяк 3 и червячное колесо 4 образуют червячный редуктор, расположенный внутри тонкостенного сварного корпуса 10, в который залито машинное масло 11. Для исключения вытекания масла в корпусе 10 установлена манжета 12. На ходовом винте 5 установлена гайка 13, к которой приварена трубка 14. Аналогичная трубка 15 вварена в корпус 10. При включении электродвигателя 2 червяк 3 вращает червячное колесо 4, а через него ходовой винт 5, что вызывает движение гайки 13 вдоль винта 5. Чтобы гайка 13 не вращалась вместе с ходовым винтом 5, трубку 14 располагают в продольном пазу 16, выполненном в нижней плоскости корпуса 10. Длина паза 16 соответствует максимально возможному перемещению гайки 13 по винту 5, а ширина – диаметру трубки 14. Сверху корпус закрывается крышкой 17.

Привод снабжен двумя оптическими датчиками 18 и 19 (фиг.3, 4), установленными в корпусе 10. Датчик 18 работает совместно с тонким зубчатым диском 20, закрепленным на ходовом винте 5. Диск 20 выполнен из непрозрачного материала и имеет радиальные вырезы по внешнему краю. При вращении винта 5 вырезы периодически открывают оптическую ось датчика 18, что обеспечивает появление электрических импульсов в системе управления приводом (на чертеже не показана). Количество импульсов пропорционально числу оборотов ходового винта 5 и следовательно несет информацию о положении гайки 13. Количество вырезов в диске 20 зависит от скорости вращения электродвигателя 2, передаточного отношения червячного редуктора, шага ходового винта 5 и на практике составляет 410, что с достаточной точностью определяет положение гайки 13 на ходовом винте 5 и, соответственно, угол открытия створки.

Частота появления импульсов с датчика 18 пропорциональна скорости вращения электродвигателя 2. Задавая системе управления воротами закон уменьшения частоты и ее допустимо малое значение, можно тонко настроить защиту электродвигателя 2 и обеспечить безопасность использования ворот.

Система управления может обеспечить быструю остановку ворот при резком уменьшении скорости вращения электродвигателя 2 и резком падении частоты импульсов с датчика 18, когда створка встречает жесткое препятствие, например стоящий в проеме ворот автомобиль. При этом электродвигатель 2 защищается от перегорания, а автомобиль – от серьезных повреждений. Одновременно система управления позволяет сохранить длительное замедленное движение створок на пониженных, но не вызывающих перегорание оборотах электродвигателя 2 при преодолении, например, небольшого снежного заноса перед воротами, что упрощает их эксплуатацию.

Практика показывает, что обеспечить такие показатели при использовании обычной системы защиты электродвигателя по предельной величине тока, возрастающего при увеличении нагрузки на электродвигатель, например при том же снежном заносе, невозможно из-за низкой чувствительности способа.

Второй оптический датчик 19 служит для остановки электродвигателя 2, когда створки ворот полностью закрылись. Срабатывание датчика 19 происходит при закрывании шторкой 21 его оптической оси. Шторка 21 закреплена на гайке 13. Для точной установки момента отключения положение датчика 19 может регулироваться.

Движение от приводов на створки передается через кронштейны 22, 23 (фиг.5, 6, 7). Кронштейн 22 закреплен на неподвижной части проема ворот, а кронштейн 23 – на створке. Цапфы 24 и 25 кронштейнов 22 и 23 соответственно входят в трубки 15 и 14. Когда ворота гаража закрыты, гайки 13 приводов находятся в положениях, ближних к электродвигателям 2, а шторки 21 перекрывают оптические оси датчиков 19. При подаче команды на открытие ворот включаются электродвигатели и гайки 13 начинают двигаться вдоль ходовых винтов 5, приближаясь к подшипникам 7. При этом расстояние между трубками 15 и 14, а следовательно, и между цапфами 24 и 25 увеличивается, и створки ворот открываются. Система управления считает количество импульсов с датчиков 18 и, когда их количество становится равным заданному, останавливает створки. Для каждой створки количество импульсов задается отдельно и каждая створка при этом открывается на свой заранее заданный угол.

По команде на закрытие ворот электродвигатели начинают вращаться в обратную сторону, и створки закрываются. Когда шторки 21 перекроют оптические оси датчиков 19, электродвигатели 2 отключаются. Момент остановки каждой створки с помощью регулирования положения датчика 19 выбирается так, чтобы ворота оказались плотно закрытыми. В том случае, если не сработал датчик 19, система управления все равно остановит электродвигатель 2 из-за прекращения поступления импульсов с датчика 18 при упирании створок в проем ворот.

Выше описан порядок управления воротами гаража, когда приводы размещены внутри гаража (фиг.5) и открытие створок осуществляется на улицу при движении гаек 13 от электродвигателей 2 к подшипникам 7.

Ворота гаража могут открываться и при размещении приводов снаружи ворот, т.е на улице, но в этом случае их могут похитить. На воротах ограды приводы также целесообразно размещать внутри ограды, при этом створки могут открываться как наружу, так и внутрь, в зависимости от требований владельца.

Если створки открываются внутрь ограды, то в закрытом положении датчики 19 закрепляются в корпусе около подшипников 7, и гайки 13 при закрытом положении ворот также находятся около подшипников 7. Когда створки открываются, гайки 13 движутся от подшипников 7 к электродвигателям 2. Однако эти различия в назначении и направлении открывания ворот касаются только места закрепления датчика 19. При серийном изготовлении приводов способ их установки на воротах заранее не известен, поэтому в корпусе 10 имеются два места для закрепления датчика 19: одно около электродвигателя 2 (фиг.1), второе 32 – около подшипника 7 (на фиг.1 показано пунктиром).

При отключении электроэнергии ворота не могут быть открыты с помощью приводов. В этом случае для проезда через ворота приводы имеют возможность быстро без применения каких-либо инструментов отсоединяться от створок. Для этого конец привода, на котором расположен затыльник 8, необходимо поднять вверх на 20°30° до положения, при котором трубка 14 выйдет из зацепления с цапфой 25, при этом створка освобождается и может быть открыта вручную. Чтобы привод не упал с цапфы 24, а остался на своем месте, на трубке 15 выполнен радиальный выступ 26, а на кронштейне 22 приварено кольцо 27 (фиг.2, 3), образующее вокруг цапфы 24 кольцевой 28 и радиальный 29 пазы. Вместе выступ 26 и пазы 28 и 29 образуют байонетное соединение. Соединение исключает случайное падение привода с цапфы 24. После отсоединения от створки привод повисает на цапфе 24 в слегка наклонном почти горизонтальном положении, которое определяется конструкцией байонетного соединения. Такое почти горизонтальное положение привода исключает вытекание масла 11 через зазор между валом электродвигателя 2 и корпусом 10.

Чтобы отсоединенный привод не мешал проезду, он имеет возможность вручную поворачиваться в горизонтальной плоскости в любую сторону, лучше внутрь гаража к стене при установке на гаражных воротах (на фиг.7 показано пунктиром). Для полного снятия привода необходимо отсоединить электрический кабель 30, связывающий привод с системой управления, от клеммной коробки 31, повернуть привод в горизонтальной плоскости до совмещения радиального выступа 26 с радиальным пазом 29 на кольце 28, поднять и снять привод с цапфы 24.

Формула изобретения

Устройство для открывания и закрывания створок, содержащее электродвигатель и связанную через редуктор с электродвигателем винтовую пару, расположенную в жестко связанном с электродвигателем полом трубчатом корпусе, причем гайка установлена на винте с возможностью возвратно-поступательного скольжения, а полость корпуса заполнена масляной жидкостью, кроме того, привод снабжен системой управления с датчиками, отличающееся тем, что червяк редуктора закреплен консольно на валу электродвигателя, а ходовой винт опирается на два подшипника: скольжения, установленный в резиновом амортизаторе, и качения, а цапфы для установки на створке и проеме ворот входят в трубки, прикрепленные к гайке и корпусу соответственно, причем цапфа для установки на проеме расположена в байонетном пазу, кроме того, в системе управления имеются оптические датчики, расположенные в корпусе и имеющие возможность взаимодействовать с зубчатым диском, закрепленным на ходовом винте, и шторкой, закрепленной на гайке.

РИСУНКИ

Categories: BD_2371000-2371999