Патент на изобретение №2371468

Published by on




РОССИЙСКАЯ ФЕДЕРАЦИЯ



ФЕДЕРАЛЬНАЯ СЛУЖБА
ПО ИНТЕЛЛЕКТУАЛЬНОЙ СОБСТВЕННОСТИ,
ПАТЕНТАМ И ТОВАРНЫМ ЗНАКАМ
(19) RU (11) 2371468 (13) C1
(51) МПК

C10C3/06 (2006.01)
C10G7/00 (2006.01)

(12) ОПИСАНИЕ ИЗОБРЕТЕНИЯ К ПАТЕНТУ

Статус: по данным на 18.08.2010 – действует

(21), (22) Заявка: 2008124014/04, 04.06.2008

(24) Дата начала отсчета срока действия патента:

04.06.2008

(46) Опубликовано: 27.10.2009

(56) Список документов, цитированных в отчете о
поиске:
SU 1313862 A1, 30.05.1987. SU 1249062 A1, 07.08.1986. RU 2079538 C1, 20.05.1997. GB 1002001 A, 18.08.1965.

Адрес для переписки:

420107, г.Казань, ул. Эсперанто, 62, кв.56, ООО “Инженерно-внедренческий центр “ИНЖЕХИМ” , М.И. Фарахову

(72) Автор(ы):

Фарахов Мансур Инсафович (RU),
Кириченко Сергей Михайлович (RU),
Бурмистров Дмитрий Алексеевич (RU),
Фарахов Марат Мансурович (RU)

(73) Патентообладатель(и):

ООО “Инженерно-внедренческий центр “ИНЖЕХИМ” RU (RU)

(54) СПОСОБ ПОЛУЧЕНИЯ НЕОКИСЛЕННОГО БИТУМА

(57) Реферат:

Изобретение относится к области переработки высокосмолистых нефтей и может быть использовано для получения битумных вяжущих материалов, используемых в дорожно-строительной промышленности. Изобретение касается способа получения неокисленного битума из высокосмолистой нефти с использованием перегретого водяного пара, включающего нагрев исходной нефти и атмосферную отгонку дистиллятов с получением целевого продукта, при этом исходную нефть нагревают до 300°С с последующим ее распылением в эвапорационное пространство колонны с насадочными контактными элементами перегретым водяным паром с температурой 550-720°С, а атмосферную отгонку дистиллятов в колонне ведут при температуре 200-250°С. Способ позволяет получать неокисленные битумы разных марок по непрерывной технологии, что упрощает способ их получения и улучшает экологическую обстановку. 3 табл., 1 ил.

Изобретение относится к области переработки высокосмолистых нефтей и может быть использовано для получения битумных вяжущих материалов, используемых в дорожно-строительной промышленности.

Известен способ получения битума путем обезвоживания и обессоливания нефти с использованием окисления, в качестве исходного сырья используют тяжелую высокосмолистую нефть с содержанием фракций, выкипающих выше 140°С, в количестве более 9.6 вес.% и на окисление направляют нефть непосредственно после обезвоживания и обессоливания с проведением окисления с одновременной атмосферной отгонкой в присутствии перегретого водяного пара или его с инертным газом фракций, выкипающих до 320-360°С, с последующей вакуумной перегонкой остаточного продукта с получением фракций, выкипающих до 370-400°С, и целевого продукта, см. SU Авторское свидетельство 859418, МПК С10С 3/04, 1981 г.

Недостатками способа является его многостадийность, использование вакуумной перегонки, что делает производство битума энергоемким. При этом окисленный битум отличается от неокисленного недостаточной пластичностью, худшей адгезией к минеральным материалам, используемым в дорожно-строительной промышленности. Дополнительно для неокисленных битумов характерна повышенная устойчивость к процессам старения благодаря присутствию природных ингибиторов старения.

Наиболее близким по технической сущности является способ получения неокисленного битума, включающий нагрев исходного сырья, в качестве которого берут высокосмолистую нефть, и атмосферную отгонку дистиллятов с получением целевого продукта. При осуществлении способа предварительно в емкость с нефтью вводят перегретый водяной пар для удаления легкокипящих фракций и сопутствующих газов. После чего в реакторе ведут смешение при температуре 80°С исходного сырья с гудроном, взятым в количестве 21,5-22,5 мас.% на смесь, с последующим постепенным нагревом смеси для осуществления атмосферной отгонки дистиллятных фракций до температуры 250-270°С, а по достижении температуры 250-270°С смешивают с водой в количестве 0,5-1,0 мас.%, с последующей изотермической выдержкой при этой температуре в течение 5-6 часов, см. SU Авторское свидетельство 1313862, МПК С10С 3/04, 1987 г.

Недостатком способа является сложность технологического процесса за счет его периодичности и длительности каждого периода. При этом на каждом периоде необходимо вводить дополнительный компонент – гудрон, который смешивают с основным сырьем, что приводит к дополнительным эксплуатационным затратам.

Задачей изобретения является упрощение способа получения неокисленного битума.

Техническая задача решается способом получения битума из высокосмолистой нефти с использованием перегретого водяного пара, включающим нагрев исходной нефти и атмосферную отгонку дистиллятов с получением целевого продукта, в котором исходную нефть нагревают до 300°С с последующим ее распылением в эвапорационное пространство колонны с насадочными контактными элементами перегретым водяным паром с температурой 550-720°С, а атмосферную отгонку дистиллятов в колонне ведут при температуре 200-250°С.

Решение технической задачи позволяет упростить способ получения неокисленного битума за счет его непрерывности.

В качестве сырья использовали сырую тяжелую высокосмолистую нефть Ашальчинского месторождения с плотностью 0,951-1070 г/см3, началом кипения 130°С, с групповым химическим составом, мас.%: асфальтены 6,5-18,5; силикагелевые смолы 25-31,5; парафины 0,09-0,77; сера 4,9-5,2; масла до 60.

Осуществление способа по заявляемому объекту.

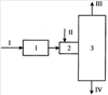
Высокосмолистую нефть (поток I) нагревают, см. чертеж, в подогревателе 1 до температуры 300°С и непрерывно подают в распылитель 2, в котором нефть распыляют перегретым водяным паром (поток II) с температурой 550-720°С. Распыление мелкодисперсного парожидкостного потока ведут в эвапорационное пространство колонны 3 с насадочными контактными элементами, в которой осуществляют атмосферную отгонку дистиллятов при температуре 200-250°С. Дистилляты отбирают с верха колонны (поток III), состоящие из летучих фракций и водяного пара, а битум – с низа колонны (поток IV).

Примеры конкретного выполнения осуществлялись на примере высокосмолистой нефти Ашальчинского месторождения с плотностью 0,982 г/см3, с групповым химическим составом, мас.%: асфальтены 17,1; силикагелевые смолы 25,3; парафины 0,21; сера 4,9; масла 52,4.

Пример 1. Высокосмолистую нефть Ашальчинского месторождения нагревают в подогревателе 1 до температуры 300°С и непрерывно подают в распылитель 2, в котором нефть распыляют перегретым водяным паром с температурой 550°С при отношении массовых расходов нефти и перегретого водяного пара 0,8. Распыление мелкодисперсного парожидкостного потока ведут в эвапорационное пространство колонны 3 с насадочными контактными элементами, в которой осуществляют атмосферную отгонку дистиллятов при температуре 200°С. С низа колонны отбирают дорожный битум марки БНД 90/130, соответствующий ГОСТ 22245-90, в количестве 55%.

Характеристики битума в сравнении с требованиями ГОСТ 22245-90 и с прототипом приведены в таблице 1.

Пример 2. Высокосмолистую нефть Ашальчинского месторождения нагревают в подогревателе 1 до температуры 300°С и непрерывно подают в распылитель 2, в котором нефть распыляют перегретым водяным паром с температурой 660°С при отношении массовых расходов нефти и перегретого водяного пара 0,86. Распыление мелкодисперсного парожидкостного потока ведут в эвапорационное пространство колонны 3 с насадочными контактными элементами, в которой осуществляют атмосферную отгонку дистиллятов при температуре 230°С. С низа колонны отбирают дорожный битум марки БНД 60/90, соответствующий ГОСТ 22245-90, в количестве 51%.

Характеристики битума в сравнении с требованиями ГОСТ 22245-90 и с прототипом приведены в таблице 2.

Пример 3. Высокосмолистую нефть Ашальчинского месторождения нагревают в подогревателе 1 до температуры 300°С и непрерывно подают в распылитель 2, в котором нефть распыляют перегретым водяным паром с температурой 720°С при отношении массовых расходов нефти и перегретого водяного пара 0,9. Распыление мелкодисперсного парожидкостного потока ведут в эвапорационное пространство колонны 3 с насадочными контактными элементами, в которой осуществляют атмосферную отгонку дистиллятов при температуре 250°С. С низа колонны отбирают дорожный битум марки БНД 40/60, соответствующий ГОСТ 22245-90, в количестве 49%. Характеристики битума в сравнении с требованиями ГОСТ 22245-90 и с прототипом приведены в таблице 3.

Таблица 1
Характеристика дорожного битума марки БНД 90/130
п/п Показатели Требования ГОСТ 22245-90 для битума марки БНД 90/130 По прототипу
Время изотермической выдержки 6 часов
По заявляемому объекту пример 1
1. Пенетрация при 25°С, 0,1 мм 91-130 101 95
2. Температура размягчения по кольцу и шару, °С не ниже 43 43 45
3. Растяжимость при 25°С, см не менее 65 91 >100
4. Изменение температуры размягчения после прогрева, °С 5,0 4,0

Таблица 2
Характеристика дорожного битума марки БНД 60/90
п/п Показатели Требования ГОСТ 22245-90 для битума марки БНД 60/90 По прототипу
Время изотермической выдержки 6,5 часов
По заявляемому объекту пример 2
1. Пенетрация при 25°С, 0,1 мм 61-90 62 62
2. Температура размягчения по кольцу и шару, °С не ниже 47 46-49,8 49
3. Растяжимость при 25°С, см не менее 55 87-100 92
4. Изменение температуры размягчения после прогрева, °С 5,0 4,0

Таблица 3
Характеристика дорожного битума марки БНД 40/60
п/п Показатели Требования ГОСТ 22245-90 для битума марки БНД 40/60 По прототипу
Время изотермической выдержки 7 часов
По заявляемому объекту пример 3
1. Пенетрация при 25°С, 0,1 мм 41-60 48 47
2. Температура размягчения по кольцу и шару, °С не ниже 51 51 53
3. Растяжимость при 25°С, см не менее 45 75-100 76
4. Изменение температуры размягчения после прогрева, °С 5,0 4,0

Как видно из примеров конкретного выполнения, заявляемый способ позволяет получать неокисленные битумы разных марок по непрерывной технологии, что упрощает способ их получения и улучшает экологическую обстановку.

Формула изобретения

Способ получения неокисленного битума из высокосмолистой нефти с использованием перегретого водяного пара, включающий нагрев исходной нефти и атмосферную отгонку дистиллятов с получением целевого продукта, отличающийся тем, что исходную нефть нагревают до 300°С с последующим ее распылением в эвапорационное пространство колонны с насадочными контактными элементами перегретым водяным паром с температурой 550-720°С, а атмосферную отгонку дистиллятов в колонне ведут при температуре 200-250°С.

РИСУНКИ

Categories: BD_2371000-2371999