|
|
(21), (22) Заявка: 2008131372/09, 31.07.2008
(24) Дата начала отсчета срока действия патента:
31.07.2008
(46) Опубликовано: 20.10.2009
(56) Список документов, цитированных в отчете о поиске:
US 4543536 A, 24.09.1985. RU 2219651 C2, 20.12.2003. RU 65694 U1, 10.08.2007. SU 1670770 A1, 15.08.1991. SU 1806442 A3, 30.03.1993. US 5371472 A, 06.12.1994.
Адрес для переписки:
115432, Москва, 2-й Кожуховский пр., 29, корп.2, стр.16, ООО “Диамех 2000”
|
(72) Автор(ы):
Радчик Игорь Иосифович (RU), Тараканов Вячеслав Михайлович (RU), Скворцов Олег Борисович (RU), Морев Вячеслав Иванович (RU), Королев Сергей Алексеевич (RU), Гузеев Андрей Николаевич (RU), Тихомиров Вячеслав Николаевич (RU), Устинов Роман Алексеевич (RU), Янчич Владимир Владимирович (RU), Иванов Александр Анатольевич (RU), Смирнов Сергей Иванович (RU)
(73) Патентообладатель(и):
Общество с ограниченной ответственностью “ДИАМЕХ 2000” (RU)
|
(54) УСИЛИТЕЛЬ ЗАРЯДА ДЛЯ ПЬЕЗОДАТЧИКА (ВАРИАНТЫ)
(57) Реферат:
Использование: для согласования высокоомного выхода пьезодатчика и измерительной аппаратуры. Технический результат заключается в расширении динамического диапазона измеряемых виброскоростей и повышении достоверности функционирования. Усилитель заряда для пьезодатчика содержит операционный усилитель, конденсатор обратной связи, резистор обратной связи, первый и второй резисторные делители и ограничительный узел, первый и второй входы которого являются входами усилителя заряда для пьезодатчика, общие выводы резисторных делителей соединены с общей шиной, между выходом операционного усилителя и выходами резисторных делителей включены соответственно первый и второй дополнительные конденсаторы, произведение величины емкости которых на величину сопротивления соответствующего резисторного делителя между его входом и выходом больше величины, обратной нижней граничной частоте усилителя заряда для пьезодатчика, общий вывод второго резисторного делителя соединен с общей шиной через третий дополнительный конденсатор, произведение величины емкости которого на величину сопротивления второго резисторного делителя между его входом и выходом больше величины, обратной нижней граничной частоте усилителя заряда для пьезодатчика. 4 н. и 15 з.п. ф-лы, 15 ил.
Изобретение относится к устройствам согласования высокоомного выхода пьезодатчика для контроля вибрации и измерительной аппаратуры для контроля вибрации.
Для подавления высокочастотных составляющих, воздействующих на датчик, можно использовать механические фильтры между датчиком и контролируемым объектом. Однако коэффициент подавления таких фильтров может быть недостаточным, а само их применение зачастую невозможно, например, если датчик установлен в области высокой температуры [там же, стр.267].
Известны схемы зарядовых усилителей, в которых для подавления высокочастотных составляющих между датчиком и инвертирующим входом операционного усилителя, который соединен с выходом операционного усилителя через конденсатор обратной связи и через резистор обратной связи, включен дополнительный резистор [Holterman J. and J. van Amerongen, “Analog Controller Design for an Active Damping Element”, in: Proceedings of the 3rd IFAC Symposium on Mechatronic Systems, in: 3rd IFAC Symposium on Mechatronic Systems, September 6-8, 2004, Sydney, Australia, pp. 313-318, 2004, стр.316, Fig.3 и 4].
Недостатком данного технического решения является необходимость использования резисторов очень большой величины, подключенных к входу усилителя. Действительно, для обеспечения большого коэффициента передачи емкость конденсатора в цепи обратной связи должна быть сравнительно маленькой, что определяет большую величину резистора в цепи обратной связи, который определяет нижнюю граничную частоту пропускания. Для эффективного подавления высокочастотных составляющих величина входного резистора должна быть большой для обеспечения интегрирующей передаточной функции больше, чем величина резистора в цепи обратной связи. При такой величине резисторов не только возрастают шумы усилителя, но сам усилитель практически перестает быть усилителем заряда, утрачивая присущие ему преимущества (низкую зависимость от характеристик кабеля связи датчика и усилителя, пониженный уровень шумов и т.д.). Следует отметить, что включение резистора большой величины между пьезодатчиком и входом усилителя особенно сильно сказывается при повышении температуры пьезодатчика, поскольку его сопротивление утечки и сопротивление утечки соединительно кабеля быстро уменьшаются с ростом температуры и формируемые датчиком заряды стекают через эти резисторы, а не через указанный высокоомный резистор, что снижает коэффициент преобразования с ростом температуры.
Представленные ниже варианты изобретения объединены общим изобретательским замыслом, а именно реализация во входном каскаде усилителя заряда для пьезоакселерометра перехода от виброускорения к виброскорости, что подразумевает обеспечение высокого коэффициента преобразования для низкочастотных составляющих и низкого для высокочастотных составляющих. При этом, поскольку операционный усилитель такого каскада имеет спадающую амплитудно-частотную характеристику, на низких частотах можно обеспечить высокое усиление, следовательно, обеспечивается хорошее соотношение сигнал/шум и снимаются ограничения, связанные с присущим операционным усилителем спадом коэффициента передачи с повышением рабочей частоты. В указанных технических решениях такие характеристики достигаются за счет подключения резистора и конденсатора обратной связи с выходу частотно-зависимого делителя, коэффициент деления которого уменьшается с ростом частоты для частот выше нижней граничной частоты пропускания усилителя заряда. Таким образом, в качестве выходного сигнала у предлагаемого усилителя на выходе первого каскада сразу формируется сигнал, пропорциональный виброскорости, которая в соответствии с действующим ГОСТом является величиной, определяющей допустимость эксплуатации оборудования. В соответствии с требованиями нормативных документов измерению подлежит величина виброскорости [ГОСТ 26044-83. Вибрация. Аппаратура для эксплуатационного контроля вибрационного состояния энергетических гидротурбинных агрегатов. Общие технические требования. М.: Издательство стандартов, 6 стр. ГОСТ Р ИСО 10816-1-97. Контроль состояния машин по результатам измерения вибрации на невращающихся частях. Часть 1. Общие требования. Госстандарт, Минск, 1998 г 12 стр. ГОСТ Р ИСО 8579-2-99. Контроль вибрационного состояния зубчатых механизмов при приемке. М., 2000, 14 с.].
Известен усилитель заряда для пьезоакселерометра, содержащий операционный усилитель, выход которого является выходом усилителя заряда и соединен с первым выводом резистора, второй вывод которого соединен с входом резисторного узла, входы операционного усилителя соединены с общей шиной и через соответственно конденсатор обратной связи и резистор обратной связи с вторым выходом резистора [Патент US 6407631, Н. кл. 330/69, МКИ H03F 3/45, 2002 г.].
Недостатками данного усилителя заряда является сравнительно низкая достоверность функционирования и малый динамический диапазон измеряемой виброскорости.
Известен усилитель заряда для пьезоакселерометра, содержащий операционный усилитель, выход которого является выходом усилителя заряда и соединен через первый резистор с первыми выводами второго и третьего резисторов, второй вывод второго резистора соединен с инвертирующим входом операционного усилителя, который через первый конденсатор соединен с первым выводом третьего резистора, второй вывод которого через второй конденсатор соединен с общей шиной [Datasheet Ultralow Noise, High speed BiFET Op Amp AD745. Analog Devices. Cтp.10, рис.16, 2002 г.].
Известен усилитель заряда для пьезодатчика, содержащий операционный усилитель, выход которого соединен с входом резистивного делителя и через конденсатор обратной связи с инверсным входом операционного усилителя, который является входом усилителя, а выход резистивного делителя соединен через резистор обратной связи с инверсным входом операционного усилителя, прямой вход которого соединен с общей шиной, которая соединена с общим выводом резистивного делителя [Патент США 6104120, МКИ H04L 41/08, Н. кл. 310/319, 15 августа 2000 г.].
Недостатком этого устройства является малая помехоустойчивость к воздействию ударных импульсов и высокочастотных вибраций на датчики из-за возможной перегрузки операционного усилителя, что ограничивает его динамический диапазон и достоверность функционирования.
Наиболее близким к предложенному и выбранным в качестве прототипа является усилитель заряда для пьезодатчика по патенту США 4543536, МКИ H03F 3/68, Н. кл. 330/85, 24.09.1985 г.
Этот усилитель заряда для пьезодатчика, содержащий операционный усилитель, конденсатор обратной связи, резистор обратной связи, первый и второй резисторные делители и ограничительный узел, первый и второй входы которого являются входами усилителя заряда для пьезодатчика, первый и второй выходы ограничительного узла соединены соответственно с инверсным и прямым входами операционного усилителя, выход которого соединен с входами первого и второго резисторного делителя, выходы которых через соответственно конденсатор обратной связи и резистор обратной связи соединены с входом обратной связи ограничительного узла и инверсным входом операционного усилителя, общий вывод первого резисторного делителя соединен с общей шиной.
Недостатком данного устройства является относительно узкий динамический диапазон и сравнительно малая достоверность измерений, связанная с возможностью перегрузки усилителя при ударных воздействиях на пьезодатчик и при воздействии высокочастотных вибраций.
Целью предлагаемого изобретения является расширение динамического диапазона и повышение достоверности функционирования за счет преобразования зарядового сигнала от пьезодатчика непосредственно в сигнал пропорциональный виброскорости, поскольку при этом существенно ослабляются высокочастотные составляющие сигналов от датчика.
Предлагаемые варианты реализации объединены единым замыслом, состоящим в том, что усилитель заряда выполняется с использованием делителей на выходе операционного усилителя отдельно для цепей обратной связи по постоянному току и по переменному току, причем указанные цепи выполняются частотно-зависимыми и реализующими преобразование сигналов отдатчика в сигнал виброскорости.
В первом варианте поставленная цель достигается тем, что в усилителе заряда для пьезодатчика, содержащем операционный усилитель, конденсатор обратной связи, резистор обратной связи, первый и второй резисторные делители и ограничительный узел, первый и второй входы которого являются входами усилителя заряда для пьезодатчика, первый и второй выходы ограничительного узла соединены соответственно с инверсным и прямым входами операционного усилителя, выход которого соединен с входами первого и второго резисторного делителя, выходы которых через соответственно конденсатор обратной связи и резистор обратной связи соединены с входом обратной связи ограничительного узла и инверсным входом операционного усилителя, общий вывод первого резисторного делителя соединен с общей шиной, между выходом операционного усилителя и выходами первого и второго резисторного делителя включены соответственно первый и второй дополнительные конденсаторы, произведение величины емкости которых на величину сопротивления соответствующего резисторного делителя между его входом и выходом больше величины, обратной нижней граничной частоте усилителя заряда для пьезодатчика, общий вывод второго резисторного делителя соединен с общей шиной через третий дополнительный конденсатор, произведение величины емкости которого на величину сопротивления второго резисторного делителя между его выходом и общим выводом больше величины, обратной нижней граничной частоте усилителя заряда для пьезодатчика.
Во втором варианте поставленная цель достигается тем, что в усилителе заряда для пьезодатчика, содержащем операционный усилитель, конденсатор обратной связи, резистор обратной связи, первый и второй резисторные делители и ограничительный узел, первый и второй входы которого являются входами усилителя заряда для пьезодатчика, первый и второй выходы ограничительного узла соединены соответственно с инверсным и прямым входами операционного усилителя, выход которого соединен с входами первого и второго резисторного делителя, выходы которых через соответственно конденсатор обратной связи и резистор обратной связи соединены с входом обратной связи ограничительного узла и инверсным входом операционного усилителя, общие выводы первого и второго резисторных делителей соединены с общей шиной, между выходом операционного усилителя и выходами первого и второго резисторного делителя включены соответственно первый и второй дополнительные конденсаторы, произведение величины емкости которых на величину сопротивления соответствующего делителя между его входом и выходом больше величины обратной нижней граничной частоте усилителя заряда для пьезодатчика.
В третьем варианте поставленная цель достигается тем, что в усилителе заряда для пьезодатчика, содержащем операционный усилитель, конденсатор обратной связи, резистор обратной связи, первый и второй резисторные делители и ограничительный узел, первый и второй входы которого являются входами усилителя заряда для пьезодатчика, первый и второй выходы ограничительного узла соединены соответственно с инверсным и прямым входами операционного усилителя, выход которого соединен с входами первого и второго резисторного делителя, выходы который через соответственно конденсатор обратной связи и резистор обратной связи соединены с входом обратной связи ограничительного узла и инверсным входом операционного усилителя, общий вывод первого резисторного делителя соединен с общей шиной, между выходом операционного усилителя и выходом первого резисторного делителя включен первый дополнительный конденсатор, произведение величины емкости которого на величину сопротивления первого резисторного делителя между его входом и выходом больше величины, обратной нижней граничной частоты усилителя заряда для пьезодатчика, общий вывод второго резисторного делителя соединен с общей шиной через второй дополнительный конденсатор, произведение величины емкости которого на величину сопротивления второго резисторного делителя между его выходом и общим выводом больше величины, обратной нижней граничной частоте усилителя заряда для пьезодатчика.
В четвертом варианте поставленная цель достигается тем, что в усилителе заряда для пьезодатчика, содержащем операционный усилитель, конденсатор обратной связи, резистор обратной связи, первый и второй резисторные делители и ограничительный узел, первый и второй входы которого являются входами усилителя заряда для пьезодатчика, первый и второй выходы ограничительного узла соединены соответственно с инверсным и прямым входами операционного усилителя, выход которого соединен с входами первого и второго резисторного делителя, выходы который через соответственно конденсатор обратной связи и резистор обратной связи соединены с входом обратной связи ограничительного узла и инверсным входом операционного усилителя, между выходом операционного усилителя и выходом первого резисторного делителя включен первый дополнительный конденсатор, произведение величины емкости которого на величину сопротивления первого резисторного делителя между его входом и выходом больше величины, обратной нижней граничной частоты усилителя заряда для пьезодатчика, прямой вход операционного усилителя через первый дополнительный резистор соединен с первой обкладкой второго дополнительного конденсатора, вторая обкладка которого соединена с общим выводом второго резисторного делителя, первая обкладка второго дополнительного конденсатора соединена с общей шиной через второй дополнительный резистор, произведение величины емкости второго дополнительного конденсатора на величину сопротивления второго резисторного делителя между его выходом и общим выводом больше величины, обратной нижней граничной частоты усилителя заряда для пьезодатчика, а общий вывод первого резисторного делителя соединен с общей шиной через третий дополнительный резистор и третий дополнительный конденсатор, который подключен параллельно третьему дополнительному резистору, а также через четвертый дополнительный конденсатор с дополнительным входом ограничительного узла.
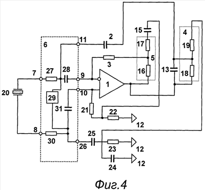
На фиг.1 показана структурная схема усилителя заряда для пьезодатчика по второму варианту исполнения. На фиг.2 показана структурная схема усилителя заряда для пьезодатчика по первому варианту исполнения. На фиг.3 показана структурная схема усилителя заряда для пьезодатчика по третьему варианту исполнения. На фиг.4 показана структурная схема усилителя заряда для пьезодатчика по четвертому варианту исполнения. На фиг.5-10 показаны структурные схемы вариантов исполнения ограничительного узла, а на фиг.11-14 структурные схемы вариантов исполнения ограничительного элемента. На фиг.15 показан пример амплитудно-частотной характеристики предлагаемого усилителя заряда по виброскорости.
Усилитель заряда для пьезодатчика, как показано на фиг.1, содержит операционный усилитель 1, конденсатор обратной связи 2, резистор обратной связи 3, первый 4 и второй 5 резисторные делители и ограничительный узел 6, первый 7 и второй 8 входы которого являются входами усилителя заряда для пьезодатчика, первый 9 и второй 10 выходы ограничительного узла 6 соединены соответственно с инверсным и прямым входами операционного усилителя 1, выход которого соединен с входами первого 4 и второго 5 резисторного делителя, выходы которого через соответственно конденсатор обратной связи 2 и резистор обратной связи 3 соединены с входом 11 входом обратной связи ограничительного узла 6 и инверсным входом операционного усилителя 1, общие выводы резисторных делителей соединены с общей шиной 12, между выходом операционного усилителя 1 и выходами первого 4 и второго 5 резисторных делителей включены соответственно первый 13 и второй 14 дополнительные конденсаторы, произведение величины которых на величину сопротивления соответствующего резисторного делителя между его входом и выходом больше величины, обратной нижней граничной частоте усилителя заряда для пьезодатчика, общий вывод второго резисторного делителя 5 соединен с общей шиной 12 через третий дополнительный конденсатор 15, произведение величины которого на величину сопротивления второго резисторного делителя между его выходом и общим выводом больше величины, обратной нижней граничной частоте усилителя заряда для пьезодатчика.
Резисторный делитель 5 содержит два резистора 16 и 17, которые соединены последовательно, а резисторный делитель 4 содержит два резистора 18 и 19, которые соединены последовательно.
Ограничительный узел содержит ограничительный резистор 21, который включен между первым входом 7 ограничительного узла и его входом обратной связи 11, который соединен через ограничительный конденсатор 22 с первым выходом 9 ограничительного узла 6, второй выход 10 которого соединен с его вторым входом 8, общей шиной 12 и через ограничительный элемент 23 с входом обратной связи 11 ограничительного узла 6.
Усилитель заряда для пьезодатчика, как показано на фиг.2, содержит операционный усилитель 1, конденсатор обратной связи 2, резистор обратной связи 3, первый 4 и второй 5 резисторные делители и ограничительный узел 6, первый 7 и второй 8 входы которого являются входами усилителя заряда для пьезодатчика, первый 9 и второй 10 выходы ограничительного узла 6 соединены соответственно с инверсным и прямым входами операционного усилителя 1, выход которого соединен с входами первого 4 и второго 5 резисторного делителей, выходы которых через соответственно конденсатор обратной связи 2 и резистор обратной связи 3 соединены с входом обратной связи 11 ограничительного узла 6 и инверсным входом операционного усилителя 1, общие выводы первого 4 и второго 5 резисторных делителей соединены с общей шиной 12, между выходом операционного усилителя 1 и выходами первого 4 и второго 5 резисторных делителей включены соответственно первый 13 и второй 14 дополнительные конденсаторы, произведение величины емкости которых на величину сопротивления соответствующего делителя между его входом и выходом больше величины, обратной нижней граничной частоте усилителя заряда для пьезодатчика.
Усилитель заряда для пьезодатчика, как показано на фиг.3, содержит операционный усилитель 1, конденсатор обратной связи 2, резистор обратной связи 3, первый 4 и второй 5 резисторные делители и ограничительный узел 6, первый 7 и второй 8 входы которого являются входами усилителя заряда для пьезодатчика, первый 9 и второй 10 выходы ограничительного узла 6 соединены соответственно с инверсным и прямым входами операционного усилителя 1, выход которого соединен с входами первого 4 и второго 5 резисторных делителей, выходы которых через соответственно конденсатор обратной связи 2 и резистор обратной связи 3 соединены с входом обратной связи 11 ограничительного узла 6 и инверсным входом операционного усилителя 1, общий вывод первого резисторного делителя 4 соединен с общей шиной 12, между выходом операционного усилителя 1 и выходом первого резисторного делителя 4 включен первый дополнительный конденсатор 13, произведение величины емкости которого на величину сопротивления первого резисторного делителя 4 между его входом и выходом больше величины, обратной нижней граничной частоты усилителя заряда для пьезодатчика, общий вывод второго резисторного делителя 5 соединен с общей шиной 12 через второй дополнительный конденсатор 15, произведение величины емкости которого на величину сопротивления второго резисторного делителя между его выходом и общим выводом больше величины, обратной нижней граничной частоте усилителя заряда для пьезодатчика.
Усилитель заряда для пьезодатчика, как показано на фиг.4, содержит операционный усилитель 1, конденсатор обратной связи 2, резистор обратной связи 3, первый 4 и второй 5 резисторные делители и ограничительный узел 6, первый 7 и второй 8 входы которого являются входами усилителя заряда для пьезодатчика 20, первый 9 и второй 10 выходы ограничительного узла 6 соединены соответственно с инверсным и прямым входами операционного усилителя 1, выход которого соединен с входами первого 4 и второго 5 резисторных делителей, выходы которых через соответственно конденсатор обратной связи 2 и резистор обратной связи 3 соединены с входом обратной связи 11 ограничительного узла 6 и инверсным входом операционного усилителя 1, между выходом операционного усилителя 1 и выходом первого резисторного делителя 4 включен первый дополнительный конденсатор 13, произведение величины емкости которого на величину сопротивления первого резисторного делителя 4 между его входом и выходом больше величины, обратной нижней граничной частоты усилителя заряда для пьезодатчика, прямой вход операционного усилителя 1 через первый дополнительный резистор 21 соединен с первой обкладкой второго дополнительного конденсатора 15, вторая обкладка которого соединена с общим выводом второго резисторного делителя 5, первая обкладка второго дополнительного конденсатора 15 соединена с общей шиной 12 через второй дополнительный резистор 22, произведение величины емкости второго дополнительного конденсатора 15 на величину сопротивления второго резисторного делителя между его выходом и общим выводом больше величины, обратной нижней граничной частоты усилителя заряда для пьезодатчика, а общий вывод первого резисторного делителя 4 соединен с общей шиной 12 через третий дополнительный резистор 23 и третий дополнительный конденсатор 24, который подключен параллельно третьему дополнительному резистору 23, а также через четвертый дополнительный конденсатор 25 с дополнительным входом 26 ограничительного узла 6.
Ограничительный узел (фиг.1-3) содержит ограничительный резистор 27, ограничительный конденсатор 28 и ограничительный элемент 29, первый вход 7 ограничительного узла 6 соединен через ограничительный резистор 27 с входом обратной связи 11 ограничительного узла 6, который соединен через ограничительный конденсатор 28 с первым выходом 9 ограничительного узла 6, второй выход 10 которого соединен с общей шиной 12, вторым входом 8 ограничительного узла 6 и через ограничительный элемент 29 с входом обратной связи 11 ограничительного узла 6.
Ограничительный узел 6, как показано на фиг.4, содержит ограничительный резистор 27, ограничительный конденсатор 28 и ограничительный элемент 29, а также дополнительный ограничительный резистор 30 и дополнительный ограничительный конденсатор 31, первый 7 и второй 8 входы ограничительного узла соединены соответственно через ограничительный резистор 27 и дополнительный ограничительный резистор 30 соответственно с входом обратной связи 11 и дополнительным входом 26 ограничительного узла 6, первый 9 и второй 10 выходы которого соединены соответственно через ограничительный конденсатор 28 и дополнительный ограничительный конденсатор 31 с входом обратной связи 11 и дополнительным входом 26, между которыми включен ограничительный элемент 29.
В ограничительном узле, показанном на фиг.5, его первый вход 7 соединен через ограничительный резистор 27 с его входом обратной связи 11 и первым выходом 9, которые через ограничительный элемент 29 соединены с его вторым входом 8, общей шиной 12 и вторым выходом 10.
В ограничительном узле 6, как показано на фиг.6, его первый вход 7 соединен с входом обратной связи 11 и первым выходом 9, а второй выход 10 соединен с вторым входом 8 и общей шиной 12.
Как показано на фиг.7-10 возможны также другие варианты реализации ограничительно узла 6 с использованием ограничительного конденсатора 28 и дополнительного ограничительного резистора 30.
В качестве ограничительного элемента 29, как показано на фиг.11, использован двуханодный стабилитрон 32.
В качестве ограничительного элемента, как показано на фиг.12, использован двуханодный стабилитрон 32, первый анод которого является первым входом ограничительного элемента 29, а второй анод двуханодного стабилитрона 32 соединен с анодом первого 33 и катодом второго 34 диода, катод и анод которых соединены и являются вторым входом ограничительного элемента 29.
Ограничительный элемент 29, как показано на фиг.13, может быть выполнен и без использования двуханодного стабилитрона с использованием первого 33 и второго 34 диодов.
Ограничительный элемент, как показано на фиг.14, содержит первый 33 и второй 34 диоды, катод и анод которых объединены и являются первым входом ограничительного элемента 29, второй вход которого соединен с катодом и анодом третьего 35 и четвертого 36 диодов, аноды первого 33 и третьего 35 диодов соединены с шиной 37 отрицательного питания, а катоды второго 34 и четвертого 36 диодов соединены с шиной 38 положительного питания.
Усилитель заряда для пьезодатчика работает следующим образом. Под воздействием вибрации пьезодатчик 20 формирует зарядовый сигнал, поступающий на входы 7 и 8 ограничивающего узла 6. В зависимости от исполнения ограничивающий узел 6 обеспечивает передачу сигнала с его входов на его выходы непосредственно, как показано на фиг.6, или с ограничением максимально допустимого напряжения, при использовании ограничительного элемента 29, или с ограничением частотных составляющих, связанных с проявлением, например, пироэффекта, при использовании ограничительного конденсатора 28.
Сигнал с выходов ограничивающего узла 6 поступает на входы операционного усилителя 1, который преобразует входной сигнал в сигнал напряжения, который с его выхода через конденсатор обратной связи 2 поступает на инвертирующий вход операционного усилителя 1. Поскольку конденсатор 2 соединен с выходом делителя 4, на выходе операционного усилителя напряжение больше, чем на выходе делителя, пропорционально коэффициенту деления. Наличие конденсатора 13 обеспечивает частотную зависимость коэффициента деления, причем на частоте ниже нижней граничной частоты пропускания влияние конденсатора 13 на коэффициент передачи мало и общий коэффициент передачи оказывается максимальным. В рабочем диапазоне частот влияние конденсатора 13 проявляется в снижении коэффициента передачи делителя пропорционально частоте, что обеспечивает также и общее снижение коэффициента передачи устройства пропорционально частоте, что и дает формирование на выходе сигнала, пропорционального виброскорости, воздействующей на пьезоакселерометр. На более высоких частотах конденсатор 13 пропускает сигнал с выхода операционного усилителя 1 на выход делителя и пропорциональность спада коэффициента передачи частоте для всего устройства нарушается. Для таких сравнительно высоких частот, если они попадают в рабочий диапазон устройства, спад частотной характеристики обеспечивается влиянием сравнительно малого резистора 21. В большинстве случаем при соотношении верхней и нижней рабочей частоты, не превышающей нескольких сотен, использовать резистор 21 для коррекции амплитудно-частотной характеристики в области верхних частот по виброскорости не требуется.
Поскольку с одной стороны емкость конденсатора 2 должна быть существенно меньше емкости конденсатора 13, в делителе 4 используются относительно малые по величине резисторы. С другой стороны, для обеспечения режима операционного усилителя 1 по постоянному току используется резистор 3, величина которого сравнительно велика. Благодаря использованию различных цепей обратной связи для переменной и постоянной составляющей удается обеспечить реализацию в них частотной зависимости при использовании приемлемых номиналов используемых резисторов и конденсаторов.
Величина резистора 18 R18 и величина емкости конденсатора 13 С13 выбираются таким образом, чтобы частота среза, обратно пропорциональная постоянной времени этой R18C13 цепочки, соответствующая спаду с крутизной 6 дБ/октаву, была ниже нижней рабочей частоты, измеряемой виброскорости

Аналогичное соотношение выполняется и для резистора 17 R17 и величины емкости конденсатора 15 C15:

На верхних частотах, когда реактивное сопротивление конденсатора 13 много меньше сопротивления резистора 18, коэффициент деления выходного напряжения операционного усилителя близок к единице, коэффициент преобразования определяется величиной конденсатора 2, а на частотах, близких к нижней граничной частоте, коэффициент передачи увеличивается пропорционально увеличению коэффициента деления.
Таким образом, в рабочем диапазоне частот усилитель обеспечивает реализацию частотной зависимости коэффициента передачи, соответствующей интегрированию входного сигнала ускорения, причем это выполняется непосредственно во входном каскаде-усилителе заряда. Поясняющее это АЧХ показана на фиг 15. Из-за того, что на верхних частотах частотная зависимость коэффициента деления меняется, АЧХ может иметь подъем на частотах верхних частот. Для дальнейшего расширения области рабочих частот в сторону ее увеличения в ограничительном узле можно использовать один или два ограничительных резистора, сравнительно малой величины, обеспечивающих спад АЧХ в области верхних частот. Это позволяет получить результирующее АЧХ по скорости с широким частотным диапазоном.
Даже значительный всплеск на АЧХ датчика 20, из-за интегрирующей характеристики во входном каскаде усилителя заряда, обеспечивает отсутствие перегрузки при воздействии на датчик высокочастотных вибраций и ударов, что обеспечивает повышение достоверности функционирования измерительного тракта, состоящего из датчика и усилителя заряда.
Формула изобретения
1. Усилитель заряда для пьезодатчика, содержащий операционный усилитель, конденсатор обратной связи, резистор обратной связи, первый и второй резисторные делители и ограничительный узел, первый и второй входы которого являются входами усилителя заряда для пьезодатчика, первый и второй выходы ограничительного узла соединены соответственно с инверсным и прямым входами операционного усилителя, выход которого соединен с входами первого и второго резисторного делителя, выходы которых через соответственно конденсатор обратной связи и резистор обратной связи соединены с входом обратной связи ограничительного узла и инверсным входом операционного усилителя, общий вывод первого резисторного делителя соединен с общей шиной, отличающийся тем, что между выходом операционного усилителя и выходами первого и второго резисторного делителя включены соответственно первый и второй дополнительные конденсаторы, произведение величины емкости которых на величину сопротивления соответствующего резисторного делителя между его входом и выходом больше величины, обратной нижней граничной частоте усилителя заряда для пьезодатчика, общий вывод второго резисторного делителя соединен с общей шиной через третий дополнительный конденсатор, произведение величины емкости которого на величину сопротивления второго резисторного делителя между его выходом и общим выводом больше величины, обратной нижней граничной частоте усилителя заряда для пьезодатчика.
2. Усилитель заряда для пьезодатчика по п.1, отличающийся тем, что ограничительный узел содержит ограничительный резистор, ограничительный конденсатор и ограничительный элемент, первый вход ограничительного узла соединен через ограничительный резистор с входом обратной связи ограничительного узла, который соединен через ограничительный конденсатор с первым выходом ограничительного узла, второй выход которого соединен с общей шиной, вторым входом ограничительного узла и через ограничительный элемент с входом обратной связи ограничительного узла.
3. Усилитель заряда для пьезодатчика по п.2, отличающийся тем, что в качестве ограничительного элемента использован двуханодный стабилитрон.
4. Усилитель заряда для пьезодатчика по п.2, отличающийся тем, что в качестве ограничительного элемента использован двуханодный стабилитрон, первый анод которого является первым входом ограничительного элемента, а второй анод двуханодного стабилитрона соединен с анодом первого и катодом второго диода, катод и анод которых соединены и являются вторым входом ограничительного элемента.
5. Усилитель заряда для пьезодатчика по п.2, отличающийся тем, что ограничительный элемент содержит первый и второй диоды, катод и анод которых объединены и являются первым входом ограничительного элемента, второй вход которого соединен с катодом и анодом третьего и четвертого диодов, аноды первого и третьего диодов соединены с шиной отрицательного питания, а катоды второго и четвертого диодов соединены с шиной положительного питания.
6. Усилитель заряда для пьезодатчика по п.1, отличающийся тем, что ограничительный элемент содержит ограничительный резистор и ограничительный элемент, первый вход ограничительного узла соединен через ограничительный резистор с входом обратной связи ограничительного узла, его первым выходом и через ограничительный элемент с его вторым входом и вторым выходом, а также с общей шиной.
7. Усилитель заряда для пьезодатчика по п.1, отличающийся тем, что в ограничительном узле его первый вход соединен с входом обратной связи и первым выходом, а второй выход соединен с вторым входом и общей шиной.
8. Усилитель заряда для пьезодатчика, содержащий операционный усилитель, конденсатор обратной связи, резистор обратной связи, первый и второй резисторные делители и ограничительный узел, первый и второй входы которого являются входами усилителя заряда для пьезодатчика, первый и второй выходы ограничительного узла соединены соответственно с инверсным и прямым входами операционного усилителя, выход которого соединен с входами первого и второго резисторного делителя, выходы которых через соответственно конденсатор обратной связи и резистор обратной связи соединены с входом обратной связи ограничительного узла и инверсным входом операционного усилителя, общие выводы первого и второго резисторных делителей соединены с общей шиной, отличающийся тем, что между выходом операционного усилителя и выходами первого и второго резисторного делителя включены соответственно первый и второй дополнительные конденсаторы, произведение величины емкости которых на величину сопротивления соответствующего делителя между его входом и выходом больше величины, обратной нижней граничной частоте усилителя заряда для пьезодатчика.
9. Усилитель заряда для пьезодатчика по п.8, отличающийся тем, что ограничительный узел содержит ограничительный резистор, ограничительный конденсатор и ограничительный элемент, первый вход ограничительного узла соединен через ограничительный резистор с входом обратной связи ограничительного узла, который соединен через ограничительный конденсатор с первым выходом ограничительного узла, второй выход которого соединен с общей шиной, вторым входом ограничительного узла и через ограничительный элемент с входом обратной связи ограничительного узла.
10. Усилитель заряда для пьезодатчика по п.8, отличающийся тем, что ограничительный элемент содержит ограничительный резистор и ограничительный элемент, первый вход ограничительного узла соединен через ограничительный резистор с входом обратной связи ограничительного узла, его первым выходом и через ограничительный элемент с его вторым входом и вторым выходом, а также с общей шиной.
11. Усилитель заряда для пьезодатчика по п.8, отличающийся тем, что в ограничительном узле его первый вход соединен с входом обратной связи и первым выходом, а второй выход соединен с вторым входом и общей шиной.
12. Усилитель заряда для пьезодатчика, содержащий операционный усилитель, конденсатор обратной связи, резистор обратной связи, первый и второй резисторные делители и ограничительный узел, первый и второй входы которого являются входами усилителя заряда для пьезодатчика, первый и второй выходы ограничительного узла соединены соответственно с инверсным и прямым входами операционного усилителя, выход которого соединен с входами первого и второго резисторного делителя, выходы которых через соответственно конденсатор обратной связи и резистор обратной связи соединены с входом обратной связи ограничительного узла и инверсным входом операционного усилителя, общий вывод первого резисторного делителя соединен с общей шиной, отличающийся тем, что между выходом операционного усилителя и выходом первого резисторного делителя включен первый дополнительный конденсатор, произведение величины емкости которого на величину сопротивления первого резисторного делителя между его входом и выходом больше величины, обратной нижней граничной частоты усилителя заряда для пьезодатчика, общий вывод второго резисторного делителя соединен с общей шиной через второй дополнительный конденсатор, произведение величины емкости которого на величину сопротивления второго резисторного делителя между его выходом и общим выводом больше величины, обратной нижней граничной частоте усилителя заряда для пьезодатчика.
13. Усилитель заряда для пьезодатчика по п.12, отличающийся тем, что ограничительный узел содержит ограничительный резистор, ограничительный конденсатор и ограничительный элемент, первый вход ограничительного узла соединен через ограничительный резистор с входом обратной связи ограничительного узла, который соединен через ограничительный конденсатор с первым выходом ограничительного узла, второй выход которого соединен с общей шиной, вторым входом ограничительного узла и через ограничительный элемент с входом обратной связи ограничительного узла.
14. Усилитель заряда для пьезодатчика по п.13, отличающийся тем, что в качестве ограничительного элемента использован двуханодный стабилитрон.
15. Усилитель заряда для пьезодатчика по п.13, отличающийся тем, что в качестве ограничительного элемента использован двуханодный стабилитрон, первый анод которого является первым входом ограничительного элемента, а второй анод двуханодного стабилитрона соединен с анодом первого и катодом второго диода, катод и анод которых соединены и и являются вторым входом ограничительного элемента.
16. Усилитель заряда для пьезодатчика по п.13, отличающийся тем, что ограничительный элемент содержит первый и второй диоды, катод и анод которых объединены и являются первым входом ограничительного элемента, второй вход которого соединен с катодом и анодом третьего и четвертого диодов, аноды первого и третьего диодов соединены с шиной отрицательного питания, а катоды второго и четвертого диодов соединены с шиной положительного питания.
17. Усилитель заряда для пьезодатчика по п.13, отличающийся тем, что ограничительный элемент содержит ограничительный резистор и ограничительный элемент, первый вход ограничительного узла соединен через ограничительный резистор с входом обратной связи ограничительного узла, его первым выходом и через ограничительный элемент с его вторым входом и вторым выходом, а также с общей шиной.
18. Усилитель заряда для пьезодатчика по п.14, отличающийся тем, что в ограничительном узле его первый вход соединен с входом обратной связи и первым выходом, а второй выход соединен с вторым входом и общей шиной.
19. Усилитель заряда для пьезодатчика, содержащий операционный усилитель, конденсатор обратной связи, резистор обратной связи, первый и второй резисторные делители и ограничительный узел, первый и второй входы которого являются входами усилителя заряда для пьезодатчика, первый и второй выходы ограничительного узла соединены соответственно с инверсным и прямым входами операционного усилителя, выход которого соединен с входами первого и второго резисторного делителя, выходы которых через соответственно конденсатор обратной связи и резистор обратной связи соединены с входом обратной связи ограничительного узла и инверсным входом операционного усилителя, отличающийся тем, что между выходом операционного усилителя и выходом первого резисторного делителя включен первый дополнительный конденсатор, произведение величины емкости которого на величину сопротивления первого резисторного делителя между его входом и выходом больше величины, обратной нижней граничной частоты усилителя заряда для пьезодатчика, прямой вход операционного усилителя через первый дополнительный резистор соединен с первой обкладкой второго дополнительного конденсатора, вторая обкладка которого соединена с общим выводом второго резисторного делителя, первая обкладка второго дополнительного конденсатора соединена с общей шиной через второй дополнительный резистор, произведение величины емкости второго дополнительного конденсатора на величину сопротивления второго резисторного делителя между его выходом и общим выводом больше величины, обратной нижней граничной частоты усилителя заряда для пьезодатчика, а общий вывод первого резисторного делителя соединен с общей шиной через третий дополнительный резистор, и третий дополнительный конденсатор, который подключен параллельно третьему дополнительному резистору, а также через четвертый дополнительный конденсатор с дополнительным входом ограничительного узла.
РИСУНКИ
|
|