|
|
(21), (22) Заявка: 2008131369/09, 31.07.2008
(24) Дата начала отсчета срока действия патента:
31.07.2008
(46) Опубликовано: 20.10.2009
(56) Список документов, цитированных в отчете о поиске:
US 3939468 A, 17.02.1976. RU 2219651 C2, 20.12.2003. RU 65694 U1, 10.08.2007. SU 1670770 A1, 15.08.1991. SU 1806442 A3, 30.03.1993. US 5371472 A, 06.12.1994.
Адрес для переписки:
115432, Москва, 2-й Кожуховский пр., 29, корп.2, стр.16, ООО “Диамех 2000”
|
(72) Автор(ы):
Радчик Игорь Иосифович (RU), Тараканов Вячеслав Михайлович (RU), Скворцов Олег Борисович (RU), Морев Вячеслав Иванович (RU), Королев Сергей Алексеевич (RU), Тихомиров Вячеслав Николаевич (RU), Устинов Роман Алексеевич (RU), Янчич Владимир Владимирович (RU), Иванов Александр Анатольевич (RU), Смирнов Сергей Иванович (RU)
(73) Патентообладатель(и):
Общество с ограниченной ответственностью “ДИАМЕХ 2000” (RU)
|
(54) СИММЕТРИЧНЫЙ УСИЛИТЕЛЬ ЗАРЯДА ДЛЯ ПЬЕЗОДАТЧИКА (ВАРИАНТЫ)
(57) Реферат:
Использование: для согласования высокоомного выхода пьезодатчика и измерительной аппаратуры. Технический результат заключается в расширении динамического диапазона измеряемых виброскоростей и повышении достоверности функционирования. Симметричный усилитель заряда для пьезодатчика содержит первый, второй и третий операционные усилители и ограничительный узел, первый и второй входы которого являются входами симметричного усилителя заряда для пьезодатчика, четыре резистора, шесть резисторов обратной связи, шесть конденсаторов обратной связи, два вспомогательных резистора и два вспомогательных конденсатора, четыре дополнительных резистора. Причем произведения величины емкости первого конденсатора обратной связи на величину сопротивления первого резистора обратной связи, величины емкости второго конденсатора обратной связи на величину сопротивления второго резистора обратной связи, величины емкости третьего конденсатора обратной связи на величину сопротивления пятого резистора обратной связи, величины емкости пятого конденсатора обратной связи на величину сопротивления шестого резистора обратной связи, величины емкости первого дополнительного конденсатора на величину сопротивления первого дополнительного резистора больше величины, обратной величине нижней граничной частоты работы симметричного усилителя заряда для пьезодатчика. 4 н. и 21 з.п. ф-лы, 12 ил.
Предлагаемое изобретение относится к устройствам согласования высокоомного выхода пьезодатчика для контроля вибрации и измерительной аппаратуры для контроля вибрации.
Для подавления высокочастотных составляющих, воздействующих на датчик, можно использовать механические фильтры между датчиком и контролируемым объектом. Однако коэффициент подавления таких фильтров может быть недостаточным, а само их применение зачастую невозможно, например, если датчик установлен в области высокой температуры [там же, стр.267].
Известны схемы зарядовых усилителей, в которых для подавления высокочастотных составляющих между датчиком и инвертирующим входом операционного усилителя, который соединен с выходом операционного усилителя через конденсатор обратной связи и через резистор обратной связи, включен дополнительный резистор [Holterman J. and J. van Amerongen, “Analog Controller Design for an Active Damping Element”, in: Proceedings of the 3rd IFAC Symposium on Mechatronic Systems, in: 3rd IFAC Symposium on Mechatronic Systems, September 6-8, 2004, Sydney, Australia, p. 313-318, 2004. Стр.316, Fig.3 и 4.].
Недостатком данного технического решения является необходимость использования резисторов очень большой величины, подключенных к входу усилителя. Действительно, для обеспечения большого коэффициента передачи емкость конденсатора в цепи обратной связи должна быть сравнительно маленькой, что определяет большую величину резистора в цепи обратной связи, который определяет нижнюю граничную частоту пропускания. Для эффективного подавления высокочастотных составляющих величина входного резистора должна быть большой, для обеспечения интегрирующей передаточной функции больше, чем величина резистора в цепи обратной связи. При такой величине резисторов не только возрастают шумы усилителя, но сам усилитель практически перестает быть усилителем заряда, утрачивая присущие ему преимущества (низкую зависимость от характеристик кабеля связи датчика и усилителя, пониженный уровень шумов и т.д.). Следует отметить, что включение резистора большой величины между пьезодатчиком и входом усилителя особенно сильно сказывается при повышении температуры пьезодатчика, поскольку его сопротивление утечки и сопротивление утечки соединительного кабеля быстро уменьшаются с ростом температуры и формируемые датчиком заряды стекают через эти резисторы, а не через указанный высокоомный резистор, что снижает коэффициент преобразования с ростом температуры.
Представленные ниже варианты изобретения объединены общим изобретательским замыслом, а именно реализация во входном каскаде усилителя заряда для пьезоакселерометра перехода от виброускорения к виброскорости, что подразумевает обеспечение высокого коэффициента преобразования для низкочастотных составляющих и низкого для высокочастотных составляющих. При этом, поскольку операционный усилитель такого каскада имеет спадающую амплитудно-частотную характеристику, на низких частотах можно обеспечить высокое усиление, следовательно, обеспечивается хорошее соотношение сигнал/шум и снимаются ограничения, связанные с присущим операционным усилителям спадом коэффициента передачи с повышением рабочей частоты. В указанных технических решениях такие характеристики достигаются за счет подключения резистора и конденсатора обратной связи с выходу частотно-зависимого делителя, коэффициент деления которого уменьшается с ростом частоты для частот выше нижней граничной частоты пропускания усилителя заряда. Таким образом, в качестве выходного сигнала у предлагаемого усилителя на выходе первого каскада сразу формируется сигнал, пропорциональный виброскорости, которая в соответствии с действующим ГОСТом является величиной, определяющей допустимость эксплуатации оборудования. В соответствии с требованиями нормативных документов измерению подлежит величина виброскорости [ГОСТ 26044-83. Вибрация. Аппаратура для эксплуатационного контроля вибрационного состояния энергетических гидротурбинных агрегатов. Общие технические требования. М., Издательство стандартов, 6 стр., а также ГОСТ Р ИСО 10816-1-97. Контроль состояния машин по результатам измерения вибрации на невращающихся частях. Часть 1. Общие требования. Госстандарт, Минск, 1998 г., 12 стр., и ГОСТ Р ИСО 8579-2-99. Контроль вибрационного состояния зубчатых механизмов при приемке. М., 2000, 14 с.].
Известен усилитель заряда для пьезоакселерометра, содержащий операционный усилитель, выход которого является выходом усилителя заряда и соединен с первым выводом резистора, второй вывод которого соединен с входом резисторного узла, входы операционного усилителя соединены с общей шиной и через соответственно конденсатор обратной связи и резистор обратной связи с вторым выходом резистора [Патент US 6407631, Н. кл. 330/69, МКИ H03F 3/45, 2002 г.].
Недостатками данного усилителя заряда являются сравнительно низкая достоверность функционирования и малый динамический диапазон измеряемой виброскорости.
Известен усилитель заряда для пьезоакселерометра, содержащий операционный усилитель, выход которого является выходом усилителя заряда и соединен через первый резистор с первыми выводами второго и третьего резисторов, второй вывод второго резистора соединен с инвертирующим входом операционного усилителя, который через первый конденсатор соединен с первым выводом третьего резистора, второй вывод которого через второй конденсатор соединен с общей шиной [Datasheet Ultralow Noise, High speed BiFET Op Amp AD745. Analog Devices.Cтp.10, рис.16. 2002 г.].
Недостатками данного устройства является сравнительно малый динамический диапазон измерения виброскорости и относительно низкая достоверность функционирования, поскольку высокочастотные сигналы и ударные воздействия могут перегружать усилитель и искажать сигнал на его выходе.
Наиболее близким к предложенному и выбранным в качестве прототипа является симметричный усилитель заряда для пьезодатчика, содержащий первый, второй и третий операционные усилители и ограничительный узел, первый и второй входы которого являются входами симметричного усилителя заряда для пьезодатчика, первый и второй выходы ограничительного узла соединены с инверсными входами соответственно первого и второго операционных усилителей, прямые входы которых соединены с общей шиной, выходы первого и второго операционных усилителей через первый и второй резисторы соединены с инверсным и прямым входами третьего операционного усилителя, которые через соответственно третий и четвертый резисторы соединены с выходом третьего операционного усилителя и общей шиной, выход первого операционного усилителя соединен с первой обкладкой первого конденсатора обратной связи и первым выводом первого резистора обратной связи, второй вывод которого соединен с второй обкладкой первого конденсатора обратной связи, выход второго операционного усилителя соединен с первой обкладкой второго конденсатора обратной связи и первым выводом второго резистора обратной связи, второй вывод которого соединен с второй обкладкой второго конденсатора обратной связи [Патент США 3939468, МКИ G01V 1/00, Н. кл. 307/7, 1976 г.].
Недостатком данного устройства является относительно низкая достоверность функционирования, что связано с возможностью перегрузки входных каскадов сравнительно низкими высокочастотными сигналами, формируемыми пьезодатчиком при воздействии на него ударных импульсов или высокочастотных вибраций, близких по частоте к частоте собственного резонанса датчика.
Целью изобретения является повышение достоверности функционирования и расширение динамического диапазона измеряемых виброскоростей.
Предлагаемые технические решения в виде вариантов объединены общим замыслом, состоящим в том, что в симметричном усилителе заряда обратная связь по переменному и постоянному току выполняется в виде частотно-зависимых цепей, обеспечивающих в рабочей полосе частот спад амплитудно-частотной характеристики с крутизной, равной 6 дБ/октаву, благодаря тому, что постоянные времени RC цепочек в цепях обратной связи больше, чем величина, обратная нижней граничной частоте полосы пропускания.
В первом варианте исполнения поставленная цель достигается тем, что в симметричном усилителе заряда для пьезодатчика, содержащем первый, второй и третий операционные усилители и ограничительный узел, первый и второй входы которого являются входами симметричного усилителя заряда для пьезодатчика, первый и второй выходы ограничительного узла соединены с инверсными входами соответственно первого и второго операционных усилителей, прямые входы которых соединены с общей шиной, выходы первого и второго операционных усилителей через первый и второй резисторы соединены с инверсным и прямым входами третьего операционного усилителя, которые через соответственно третий и четвертый резисторы соединены с выходом третьего операционного усилителя и общей шиной, выход первого операционного усилителя соединен с первой обкладкой первого конденсатора обратной связи и первым выводом первого резистора обратной связи, второй вывод которого соединен с второй обкладкой первого конденсатора обратной связи, выход второго операционного усилителя соединен с первой обкладкой второго конденсатора обратной связи и первым выводом второго резистора обратной связи, второй вывод которого соединен с второй обкладкой второго конденсатора обратной связи, инверсный вход первого операционного усилителя через третий резистор обратной связи соединен с второй обкладкой первого конденсатора обратной связи, инверсный вход второго операционного усилителя соединен через четвертый резистор обратной связи с второй обкладкой второго конденсатора обратной связи, выход первого операционного усилителя соединен с первым выводом пятого резистора обратной связи и с первой обкладкой третьего конденсатора обратной связи, вторая обкладка которого соединена с вторым выводом пятого резистора обратной связи и через четвертый конденсатор обратной связи с первым входом обратной связи ограничительного узла, выход второго операционного усилителя соединен с первым выводом шестого резистора обратной связи и с первой обкладкой пятого конденсатора обратной связи, вторая обкладка которого соединена с вторым выводом шестого резистора обратной связи и через шестой конденсатор обратной связи с вторым входом обратной связи ограничительного узла, параллельно третьему и четвертому резисторам подключены соответственно первый и второй вспомогательный конденсаторы, вторая обкладка первого конденсатора обратной связи соединена через первый дополнительный резистор и первый дополнительный конденсатор, которые соединены последовательно, с общей шиной, вторая обкладка второго конденсатора обратной связи соединена через второй дополнительный резистор и второй дополнительный конденсатор, которые соединены последовательно, с общей шиной, вторые обкладки третьего и пятого конденсаторов обратной связи соединены через соответственно третий дополнительный и четвертый дополнительные резисторы с общей шиной, причем произведения величины емкости первого конденсатора обратной связи на величину сопротивления первого резистора обратной связи, величины емкости второго конденсатора обратной связи на величину сопротивления второго резистора обратной связи, величины емкости третьего конденсатора обратной связи на величину сопротивления пятого резистора обратной связи, величины емкости пятого конденсатора обратной связи на величину сопротивления шестого резистора обратной связи, величины емкости первого дополнительного конденсатора на величину сопротивления первого дополнительного резистора и величины емкости второго дополнительного конденсатора на величину сопротивления второго дополнительного резистора больше величины, обратной величине нижней граничной частоты работы симметричного усилителя заряда для пьезодатчика.
Во втором варианте исполнения поставленная цель достигается тем, что в симметричном усилителе заряда для пьезодатчика, содержащем первый, второй и третий операционные усилители и ограничительный узел, первый и второй входы которого являются входами симметричного усилителя заряда для пьезодатчика, первый и второй выходы ограничительного узла соединены с инверсными входами соответственно первого и второго операционных усилителей, прямые входы которых соединены с общей шиной, выходы первого и второго операционных усилителей через первый и второй резисторы соединены с инверсным и прямым входами третьего операционного усилителя, которые через соответственно третий и четвертый резисторы соединены с выходом третьего операционного усилителя и общей шиной, выход первого операционного усилителя соединен с первой обкладкой первого конденсатора обратной связи и первым выводом первого резистора обратной связи, второй вывод которого соединен с второй обкладкой первого конденсатора обратной связи, выход второго операционного усилителя соединен с первой обкладкой второго конденсатора обратной связи и первым выводом второго резистора обратной связи, второй вывод которого соединен с второй обкладкой второго конденсатора обратной связи, инверсный вход первого операционного усилителя через третий резистор обратной связи соединен с второй обкладкой первого конденсатора обратной связи, инверсный вход второго операционного усилителя соединен через четвертый резистор обратной связи с второй обкладкой второго конденсатора обратной связи, выход первого операционного усилителя соединен с первым выводом пятого резистора обратной связи и с первой обкладкой третьего конденсатора обратной связи, вторая обкладка которого соединена с вторым выводом пятого резистора обратной связи и через четвертый конденсатор обратной связи с первым входом обратной связи ограничительного узла, выход второго операционного усилителя соединен с первым выводом шестого резистора обратной связи и с первой обкладкой пятого конденсатора обратной связи, вторая обкладка которого соединена с вторым выводом шестого резистора обратной связи и через шестой конденсатор обратной связи с вторым входом обратной связи ограничительного узла, параллельно третьему и четвертому резисторам подключены соответственно первый и второй вспомогательный конденсаторы, вторая обкладка первого конденсатора обратной связи соединена через первый дополнительный резистор с общей шиной, вторая обкладка второго конденсатора обратной связи соединена через второй дополнительный резистор с общей шиной, вторые обкладки третьего и пятого конденсаторов обратной связи соединены через соответственно третий и четвертый дополнительные резисторы с общей шиной, причем произведения величины емкости первого конденсатора обратной связи на величину сопротивления первого резистора обратной связи, величины емкости второго конденсатора обратной связи на величину сопротивления второго резистора обратной связи, величины емкости третьего конденсатора обратной связи на величину сопротивления пятого резистора обратной связи, величины емкости пятого конденсатора обратной связи на величину сопротивления шестого резистора обратной связи больше величины, обратной величине нижней граничной частоты работы симметричного усилителя заряда для пьезодатчика.
В третьем варианте исполнения поставленная цель достигается тем, что в симметричном усилителе заряда для пьезодатчика, содержащем первый, второй и третий операционные усилители и ограничительный узел, первый и второй входы которого являются входами симметричного усилителя заряда для пьезодатчика, первый и второй выходы ограничительного узла соединены с инверсными входами соответственно первого и второго операционных усилителей, прямые входы которых соединены с общей шиной, выходы первого и второго операционных усилителей через первый и второй резисторы соединены с инверсным и прямым входами третьего операционного усилителя, которые через соответственно третий и четвертый резисторы соединены с выходом третьего операционного усилителя и общей шиной, выход первого операционного усилителя соединен с первой обкладкой первого конденсатора обратной связи и первым выводом первого резистора обратной связи, второй вывод которого соединен с второй обкладкой первого конденсатора обратной связи, выход второго операционного усилителя соединен с первой обкладкой второго конденсатора обратной связи и первым выводом второго резистора обратной связи, второй вывод которого соединен с второй обкладкой второго конденсатора обратной связи, инверсный вход первого операционного усилителя через третий резистор обратной связи соединен с второй обкладкой первого конденсатора обратной связи, инверсный вход второго операционного усилителя соединен через четвертый резистор обратной связи с второй обкладкой второго конденсатора обратной связи, выход первого операционного усилителя соединен с первым выводом пятого резистора обратной связи и с первой обкладкой третьего конденсатора обратной связи, вторая обкладка которого соединена с вторым выводом пятого резистора обратной связи и через четвертый конденсатор обратной связи с первым входом обратной связи ограничительного узла, выход второго операционного усилителя соединен с первым выводом шестого резистора обратной связи и с первой обкладкой пятого конденсатора обратной связи, вторая обкладка которого соединена с вторым выводом шестого резистора обратной связи и через шестой конденсатор обратной связи с вторым входом обратной связи ограничительного узла, параллельно третьему и четвертому резисторам подключены соответственно первый и второй вспомогательный конденсаторы, вторая обкладка первого конденсатора обратной связи соединена через первый дополнительный резистор и первый дополнительный конденсатор, которые соединены последовательно, с второй обкладкой второго конденсатора обратной связи, вторые обкладки третьего и пятого конденсаторов обратной связи соединены через соответственно третий и четвертый дополнительные резисторы с общей шиной, причем произведения величины емкости первого конденсатора обратной связи на величину сопротивления первого резистора обратной связи, величины емкости второго конденсатора обратной связи на величину сопротивления второго резистора обратной связи, величины емкости третьего конденсатора обратной связи на величину сопротивления пятого резистора обратной связи, величины емкости пятого конденсатора обратной связи на величину сопротивления шестого резистора обратной связи, величины емкости первого дополнительного конденсатора на величину сопротивления первого дополнительного резистора больше величины, обратной величине нижней граничной частоты работы симметричного усилителя заряда для пьезодатчика.
В четвертом варианте исполнения поставленная цель достигается тем, что в симметричном усилителе заряда для пьезодатчика, содержащем первый, второй и третий операционные усилители и ограничительный узел, первый и второй входы которого являются входами симметричного усилителя заряда для пьезодатчика, первый и второй выходы ограничительного узла соединены с инверсными входами соответственно первого и второго операционных усилителей, прямые входы которых соединены с общей шиной, выходы первого и второго операционных усилителей через первый и второй резисторы соединены с инверсным и прямым входами третьего операционного усилителя, которые через соответственно третий и четвертый резисторы соединены с выходом третьего операционного усилителя и общей шиной, выход первого операционного усилителя соединен с первой обкладкой первого конденсатора обратной связи и первым выводом первого резистора обратной связи, второй вывод которого соединен с второй обкладкой первого конденсатора обратной связи, выход второго операционного усилителя соединен с первой обкладкой второго конденсатора обратной связи и первым выводом второго резистора обратной связи, второй вывод которого соединен с второй обкладкой второго конденсатора обратной связи, инверсный вход первого операционного усилителя через третий резистор обратной связи соединен с второй обкладкой первого конденсатора обратной связи, инверсный вход второго операционного усилителя соединен через четвертый резистор обратной связи с второй обкладкой второго конденсатора обратной связи, выход первого операционного усилителя соединен с первым выводом пятого резистора обратной связи и с первой обкладкой третьего конденсатора обратной связи, вторая обкладка которого соединена с вторым выводом пятого резистора обратной связи и через четвертый конденсатор обратной связи с первым входом обратной связи ограничительного узла, выход второго операционного усилителя соединен с первым выводом шестого резистора обратной связи и с первой обкладкой пятого конденсатора обратной связи, вторая обкладка которого соединена с вторым выводом шестого резистора обратной связи и через шестой конденсатор обратной связи с вторым входом обратной связи ограничительного узла, параллельно третьему и четвертому резисторам подключены соответственно первый и второй вспомогательный конденсаторы, вторая обкладка первого конденсатора обратной связи соединена через первый дополнительный резистор с второй обкладкой второго конденсатора обратной связи, вторые обкладки третьего и пятого конденсаторов обратной связи соединены через соответственно третий и четвертый дополнительные резисторы с общей шиной, причем произведения величины емкости первого конденсатора обратной связи на величину сопротивления первого резистора обратной связи, величины емкости второго конденсатора обратной связи на величину сопротивления второго резистора обратной связи, величины емкости третьего конденсатора обратной связи на величину сопротивления пятого резистора обратной связи, величины емкости пятого конденсатора обратной связи на величину сопротивления шестого резистора обратной связи больше величины, обратной величине нижней граничной частоты работы симметричного усилителя заряда для пьезодатчика.
Другое отличие состоит в том, что ограничительный узел, содержит первый и второй ограничительные резисторы, первый и второй ограничительные конденсаторы, а также первый и второй ограничительные элементы, через которые общая шина соединена соответственно с первым и вторым входами обратной связи, которые через соответственно первый ограничительный резистор и второй ограничительный резистор соединены с первым и вторым входами ограничительного узла, первый и второй выходы которого соединены через соответственно первый и второй ограничительные конденсаторы с первым и вторым входами обратной связи.
Другое отличие состоит в том, что ограничительный узел содержит первый и второй ограничительные резисторы, а также первый и второй ограничительные элементы, через которые общая шина соединена соответственно с первым и вторым входами обратной связи, которые через соответственно первый ограничительный резистор и второй ограничительный резистор соединены с первым и вторым входами ограничительного узла, первый и второй выходы которого соединены соответственно с первым и вторым входами обратной связи.
Другое отличие состоит в том, что в ограничительном узле первый и второй входы обратной связи соединены соответственно, а также с первым и вторым выходами ограничительного узла.
Другое отличие состоит в том, что ограничительный элемент выполнен в виде двуханодного стабилитрона.
Другое отличие состоит в том, что ограничительный элемент выполнен в виде двуханодного стабилитрона, первый вход которого является первым входом ограничительного элемента, а второй вход двуханодного стабилитрона соединен с анодом и катодом первого и второго диодов, катод и анод которых объединены и являются вторым входом ограничительного элемента.
Другое отличие состоит в том, что ограничительный элемент содержит первый и второй диоды, катод и анод которых объединены и являются первым входом ограничительного элемента, второй вход которого соединен с анодом и катодом соответственно первого и второго диодов.
Предлагаемое техническое решение иллюстрируется представленными ниже чертежами и графиками.
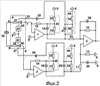
На фиг.1 показана структурная схема усилителя заряда для акселерометра по первому варианту исполнения и ограничительным узлом, обеспечивающим дополнительное подавление сигналов в области верхних частот и ограничением влияния пироэффекта за счет введения разделительного конденсатора. На фиг.2 показана структурная схема усилителя заряда для акселерометра по второму варианту исполнения и ограничительным узлом, обеспечивающим дополнительное подавление сигналов в области верхних частот и ограничение влияния пироэффекта за счет введения разделительного конденсатора и защиты от дифференциальных сигналов большой амплитуды двуханодным стабилитроном и диодами. На фиг.2 показана структурная схема усилителя заряда для акселерометра по второму варианту. На фиг.3 показана структурная схема усилителя заряда для акселерометра по третьему варианту. На фиг.4 показана структурная схема усилителя заряда для акселерометра по четвертому варианту исполнения. На фиг.5 показана структурная схема ограничительного узла без ограничения постоянной составляющей, поступающей от датчика, а на фиг.6 – структурная схема ограничительного узла, минимизирующая количество использованного оборудования. На фиг.7-10 показаны структурные схемы вариантов исполнения ограничительного элемента. На фиг.11 и 12 приведены амплитудно-частотные характеристики (АЧХ) предлагаемого устройства при задании постоянного уровня зарядового сигнала на входе и при задании постоянного уровня виброскорости на подключенный к входу устройства пьезоэлектрический акселерометр.
Как показано на фиг.1, симметричный усилитель заряда для пьезодатчика содержит первый 1, второй 2 и третий 3 операционные усилители и ограничительный узел 4, первый 5 и второй 6 входы которого являются входами симметричного усилителя заряда для пьезодатчика, первый 7 и второй 8 выходы ограничительного узла 4 соединены с инверсными входами соответственно первого 1 и второго 2 операционных усилителей, прямые входы которых соединены с общей шиной 9, выходы первого 1 и второго 2 операционных усилителей через первый 10 и второй 11 резисторы соединены с инверсным и прямым входами третьего операционного усилителя 3, которые через соответственно третий 12 и четвертый 13 резисторы соединены с выходом третьего операционного усилителя 3 и общей шиной 9, выход первого операционного усилителя 1 соединен с первой обкладкой первого конденсатора обратной связи 14 и первым выводом первого резистора обратной связи 15, второй вывод которого соединен с второй обкладкой первого конденсатора обратной связи 14, выход второго операционного усилителя 2 соединен с первой обкладкой второго конденсатора обратной связи 16 и первым выводом второго резистора обратной связи 17, второй вывод которого соединен с второй обкладкой второго конденсатора обратной связи 17, инверсный вход первого операционного усилителя 1 через третий резистор обратной связи 18 соединен с второй обкладкой первого конденсатора обратной связи 14, инверсный вход второго операционного усилителя 2 соединен через четвертый резистор обратной связи 19 с второй обкладкой второго конденсатора обратной связи 16, выход первого операционного усилителя 1 соединен с первым выводом пятого резистора обратной связи 20 и с первой обкладкой третьего конденсатора обратной связи 21, вторая обкладка которого соединена с вторым выводом пятого резистора обратной связи 20 и через четвертый конденсатор обратной связи 22 с первым входом обратной связи 23 ограничительного узла 4, выход второго операционного усилителя 2 соединен с первым выводом шестого резистора обратной связи 24 и с первой обкладкой пятого конденсатора обратной связи 25, вторая обкладка которого соединена с вторым выводом шестого резистора обратной связи 24 и через шестой конденсатор обратной связи 26 с вторым входом обратной связи 27 ограничительного узла 4, параллельно третьему 12 и четвертому 13 резисторам подключены соответственно первый 28 и второй 29 вспомогательный конденсаторы, вторая обкладка первого конденсатора обратной связи 14 соединена через первый дополнительный резистор 30 и первый дополнительный конденсатор 31, которые соединены последовательно, с общей шиной 9, вторая обкладка второго конденсатора обратной связи 16 соединена через второй дополнительный резистор 32 и второй дополнительный конденсатор 33, которые соединены последовательно, с общей шиной 9, вторые обкладки третьего 21 и пятого 25 конденсаторов обратной связи соединены через соответственно третий дополнительный 34 и четвертый дополнительный 35 резисторы с общей шиной 9, причем произведения величины емкости первого конденсатора обратной связи 14 на величину сопротивления первого резистора обратной связи 15, величины емкости второго конденсатора обратной связи 16 на величину сопротивления второго резистора обратной связи 17, величины емкости третьего конденсатора обратной связи 21 на величину сопротивления пятого резистора обратной связи 20, величины емкости пятого конденсатора обратной связи 25 на величину сопротивления шестого резистора обратной связи 24, величины емкости первого дополнительного конденсатора 30 на величину сопротивления первого дополнительного резистора 31 и величины емкости второго дополнительного конденсатора 32 на величину сопротивления второго дополнительного резистора 33 больше величины, обратной величине нижней граничной частоты работы симметричного усилителя заряда для пьезодатчика.
На фиг.1 также показан пьезодатчик 36 и пример выполнения ограничительного узла 4, который содержит первый 37 и второй 38 ограничительные резисторы, первый 39 и второй 40 ограничительные конденсаторы, а также первый 41 и второй 32 ограничительные элементы, через которые общая шина 9 соединена соответственно с первым 23 и вторым 27 входами обратной связи, которые через соответственно первый ограничительный резистор 37 и второй ограничительный резистор 28 соединены с первым 5 и вторым 6 входами ограничительного узла 4, первый 7 и второй 8 выходы которого соединены через соответственно первый 39 и второй 40 ограничительные конденсаторы с первым 23 и вторым 27 входами обратной связи.
Как показано на фиг.2, симметричный усилитель заряда для пьезодатчика содержит первый 1, второй 2 и третий 3 операционные усилители и ограничительный узел 4, первый 5 и второй 6 входы которого являются входами симметричного усилителя заряда для пьезодатчика, первый 7 и второй 8 выходы ограничительного узла 4 соединены с инверсными входами соответственно первого 1 и второго 2 операционных усилителей, прямые входы которых соединены с общей шиной 9, выходы первого 1 и второго 2 операционных усилителей через первый 10 и второй 11 резисторы соединены с инверсным и прямым входами третьего операционного усилителя 3, которые через соответственно третий 12 и четвертый 13 резисторы соединены с выходом третьего операционного усилителя 3 и общей шиной 9, выход первого операционного усилителя 1 соединен с первой обкладкой первого конденсатора обратной связи 14 и первым выводом первого резистора обратной связи 15, второй вывод которого соединен с второй обкладкой первого конденсатора обратной связи 14, выход второго операционного усилителя 2 соединен с первой обкладкой второго конденсатора обратной связи 16 и первым выводом второго резистора обратной связи 17, второй вывод которого соединен с второй обкладкой второго конденсатора обратной связи 17, инверсный вход первого операционного усилителя 1 через третий резистор обратной связи 18 соединен с второй обкладкой первого конденсатора обратной связи 14, инверсный вход второго операционного усилителя 2 соединен через четвертый резистор обратной связи 19 с второй обкладкой второго конденсатора обратной связи 16, выход первого операционного усилителя 1 соединен с первым выводом пятого резистора обратной связи 20 и с первой обкладкой третьего конденсатора обратной связи 21, вторая обкладка которого соединена с вторым выводом пятого резистора обратной связи 20 и через четвертый конденсатор обратной связи 22 с первым входом обратной связи 23 ограничительного узла 4, выход второго операционного усилителя 2 соединен с первым выводом шестого резистора обратной связи 24 и с первой обкладкой пятого конденсатора обратной связи 25, вторая обкладка которого соединена с вторым выводом шестого резистора обратной связи 24 и через шестой конденсатор обратной связи 26 с вторым входом обратной связи 27 ограничительного узла 4, параллельно третьему 12 и четвертому 13 резисторам подключены соответственно первый 28 и второй 29 вспомогательный конденсаторы, вторая обкладка первого конденсатора обратной связи 14 соединена через первый дополнительный резистор 30 и первый дополнительный конденсатор 31, которые соединены последовательно, с общей шиной 9, вторая обкладка второго конденсатора обратной связи 16 соединена через второй дополнительный резистор 32 и второй дополнительный конденсатор 33, которые соединены последовательно, с общей шиной 9, вторые обкладки третьего 21 и пятого 25 конденсаторов обратной связи соединены через соответственно третий дополнительный 34 и четвертый дополнительный 35 резисторы с общей шиной 9, причем произведения величины емкости первого конденсатора обратной связи 14 на величину сопротивления первого резистора обратной связи 15, величины емкости второго конденсатора обратной связи 16 на величину сопротивления второго резистора обратной связи 17, величины емкости третьего конденсатора обратной связи 21 на величину сопротивления пятого резистора обратной связи 20, величины емкости пятого конденсатора обратной связи 25 на величину сопротивления шестого резистора обратной связи 24, величины емкости первого дополнительного конденсатора 30 на величину сопротивления первого дополнительного резистора 31 и величины емкости второго дополнительного конденсатора 32 на величину сопротивления второго дополнительного резистора 33 больше величины, обратной величине нижней граничной частоты работы симметричного усилителя заряда для пьезодатчика.
Как показано на фиг.3, симметричный усилитель заряда для пьезодатчика содержит первый 1, второй 2 и третий 3 операционные усилители и ограничительный узел 4, первый 5 и второй 6 входы которого являются входами симметричного усилителя заряда для пьезодатчика, первый 7 и второй 8 выходы ограничительного узла 4 соединены с инверсными входами соответственно первого 1 и второго 2 операционных усилителей, прямые входы которых соединены с общей шиной 9, выходы первого 1 и второго 2 операционных усилителей через первый 10 и второй 11 резисторы соединены с инверсным и прямым входами третьего операционного усилителя 3, которые через соответственно третий 12 и четвертый 13 резисторы соединены с выходом третьего операционного усилителя 3 и общей шиной 9, выход первого операционного усилителя 1 соединен с первой обкладкой первого конденсатора обратной связи 14 и первым выводом первого резистора обратной связи 15, второй вывод которого соединен с второй обкладкой первого конденсатора обратной связи 14, выход второго операционного усилителя 2 соединен с первой обкладкой второго конденсатора обратной связи 16 и первым выводом второго резистора обратной связи 17, второй вывод которого соединен с второй обкладкой второго конденсатора обратной связи 17, инверсный вход первого операционного усилителя 1 через третий резистор обратной связи 18 соединен с второй обкладкой первого конденсатора обратной связи 14, инверсный вход второго операционного усилителя 2 соединен через четвертый резистор обратной связи 19 с второй обкладкой второго конденсатора обратной связи 16, выход первого операционного усилителя 1 соединен с первым выводом пятого резистора обратной связи 20 и с первой обкладкой третьего конденсатора обратной связи 21, вторая обкладка которого соединена с вторым выводом пятого резистора обратной связи 20 и через четвертый конденсатор обратной связи 22 с первым входом обратной связи 23 ограничительного узла 4, выход второго операционного усилителя 2 соединен с первым выводом шестого резистора обратной связи 24 и с первой обкладкой пятого конденсатора обратной связи 25, вторая обкладка которого соединена с вторым выводом шестого резистора обратной связи 24 и через шестой конденсатор обратной связи 26 с вторым входом обратной связи 27 ограничительного узла 4, параллельно третьему 12 и четвертому 13 резисторам подключены соответственно первый 28 и второй 29 вспомогательный конденсаторы, вторая обкладка первого конденсатора обратной связи 14 соединена через первый дополнительный резистор 30 и первый дополнительный конденсатор 31, которые соединены последовательно, с общей шиной 9, вторая обкладка второго конденсатора обратной связи 16 соединена через второй дополнительный резистор 32 и второй дополнительный конденсатор 33, которые соединены последовательно, с общей шиной 9, вторые обкладки третьего 21 и пятого 25 конденсаторов обратной связи соединены через соответственно третий дополнительный 34 и четвертый дополнительный 35 резисторы с общей шиной 9, причем произведения величины емкости первого конденсатора обратной связи 14 на величину сопротивления первого резистора обратной связи 15, величины емкости второго конденсатора обратной связи 16 на величину сопротивления второго резистора обратной связи 17, величины емкости третьего конденсатора обратной связи 21 на величину сопротивления пятого резистора обратной связи 20, величины емкости пятого конденсатора обратной связи 25 на величину сопротивления шестого резистора обратной связи 24, величины емкости первого дополнительного конденсатора 30 на величину сопротивления первого дополнительного резистора 31 и величины емкости второго дополнительного конденсатора 32 на величину сопротивления второго дополнительного резистора 33 больше величины, обратной величине нижней граничной частоты работы симметричного усилителя заряда для пьезодатчика.
Как показано на фиг.4, симметричный усилитель заряда для пьезодатчика содержит первый 1, второй 2 и третий 3 операционные усилители и ограничительный узел 4, первый 5 и второй 6 входы которого являются входами симметричного усилителя заряда для пьезодатчика, первый 7 и второй 8 выходы ограничительного узла 4 соединены с инверсными входами соответственно первого 1 и второго 2 операционных усилителей, прямые входы которых соединены с общей шиной 9, выходы первого 1 и второго 2 операционных усилителей через первый 10 и второй 11 резисторы соединены с инверсным и прямым входами третьего операционного усилителя 3, которые через соответственно третий 12 и четвертый 13 резисторы соединены с выходом третьего операционного усилителя 3 и общей шиной 9, выход первого операционного усилителя 1 соединен с первой обкладкой первого конденсатора обратной связи 14 и первым выводом первого резистора обратной связи 15, второй вывод которого соединен с второй обкладкой первого конденсатора обратной связи 14, выход второго операционного усилителя 2 соединен с первой обкладкой второго конденсатора обратной связи 16 и первым выводом второго резистора обратной связи 17, второй вывод которого соединен с второй обкладкой второго конденсатора обратной связи 17, инверсный вход первого операционного усилителя 1 через третий резистор обратной связи 18 соединен с второй обкладкой первого конденсатора обратной связи 14, инверсный вход второго операционного усилителя 2 соединен через четвертый резистор обратной связи 19 с второй обкладкой второго конденсатора обратной связи 16, выход первого операционного усилителя 1 соединен с первым выводом пятого резистора обратной связи 20 и с первой обкладкой третьего конденсатора обратной связи 21, вторая обкладка которого соединена с вторым выводом пятого резистора обратной связи 20 и через четвертый конденсатор обратной связи 22 с первым входом обратной связи 23 ограничительного узла 4, выход второго операционного усилителя 2 соединен с первым выводом шестого резистора обратной связи 24 и с первой обкладкой пятого конденсатора обратной связи 25, вторая обкладка которого соединена с вторым выводом шестого резистора обратной связи 24 и через шестой конденсатор обратной связи 26 с вторым входом обратной связи 27 ограничительного узла 4, параллельно третьему 12 и четвертому 13 резисторам подключены соответственно первый 28 и второй 29 вспомогательный конденсаторы, вторая обкладка первого конденсатора обратной связи 14 соединена через первый дополнительный резистор 30 и первый дополнительный конденсатор 31, которые соединены последовательно, с общей шиной 9, вторая обкладка второго конденсатора обратной связи 16 соединена через второй дополнительный резистор 32 и второй дополнительный конденсатор 33, которые соединены последовательно, с общей шиной 9, вторые обкладки третьего 21 и пятого 25 конденсаторов обратной связи соединены через соответственно третий дополнительный 34 и четвертый дополнительный 35 резисторы с общей шиной 9, причем произведения величины емкости первого конденсатора обратной связи 14 на величину сопротивления первого резистора обратной связи 15, величины емкости второго конденсатора обратной связи 16 на величину сопротивления второго резистора обратной связи 17, величины емкости третьего конденсатора обратной связи 21 на величину сопротивления пятого резистора обратной связи 20, величины емкости пятого конденсатора обратной связи 25 на величину сопротивления шестого резистора обратной связи 24, величины емкости первого дополнительного конденсатора 30 на величину сопротивления первого дополнительного резистора 31 и величины емкости второго дополнительного конденсатора 32 на величину сопротивления второго дополнительного резистора 33 больше величины, обратной величине нижней граничной частоты работы симметричного усилителя заряда для пьезодатчика.
Как показано на фиг.7, ограничительный элемент 36 может быть выполнен в виде двуханодного стабилитрона 41.
Ограничительный элемент 36, как показано на фиг.8, содержит двуханодный стабилитрон 41, первый анод которого является первым входом ограничительного элемента 36, второй анод двуханоного стабилитрона 41 соединен с анодом первого 42 и катодом второго 43 диодов, катод и анод которых объединены и являются вторым входом ограничительного элемента 36.
Ограничительный элемент 36, как показано на фиг.9, содержит первый 42 и второй 43 диоды, первый вход ограничительного элемента 36 соединен с анодом первого 42 и катодом второго 43 диодов, катод и анод которых объединены и являются вторым входом ограничительного элемента 36.
Ограничительный элемент 36, как показано на фиг.10, содержит первый 42, второй 43, третий 44 и четвертый 45 диода, первый вход ограничительного элемента соединен с катодом первого 42 и анодом второго 43 диодов, второй вход ограничительного элемента соединен с катодом третьего 44 и анодом четвертого 45 диодов, аноды первого 42 и третьего 44 диодов соединены с шиной 46 отрицательного питания устройства, шина 47 положительного питания которого соединена с катодами второго 43 и четвертого 45 диодов.
Устройство работает следующим образом.
Зарядовый сигнал от пьезодатчика 36 поступает на входы 5 и 6 и проходит через ограничительный узел 4 на входы операционного усилителя 1 и операционного усилителя 2. Данные усилители охвачены отрицательной обратной связью через конденсаторы обратной связи 22 и 26 по переменному току и через резисторы обратной связи 18 и 19 по постоянному току. Напряжение с выхода операционного усилителя 1 поступает на цепи обратной связи с делителей 43 и 44, образованных параллельно соединенными резистором 15 и конденсатором 14 и резистором 30, а также параллельно соединенными резистором 20 и конденсатором 21 и резистором 34. Поскольку в делителе имеется конденсатор 14, коэффициент передачи зависит от частоты. Аналогичная схема обеспечивает обратную связь для операционного усилителя 2.
Если постоянные времени RC цепочек C14R15, C21R20, С16R17, C25R24, где индекс соответствует номеру элемента на чертеже, удовлетворяют условию:

в рабочей области частот выше нижн – нижней границы рабочей частоты, обеспечивается коэффициент передачи со спадом амплитудно-частотной характеристики с крутизной 6 дБ/октаву, что соответствует интегрированию виброускорения, воздействующего на датчик 36 и формирование на выходе операционных усилителей 1 и 2 сигнала, пропорционального виброскорости.
На верхних частотах, когда реактивное сопротивление конденсаторов 14, 16, 21 и 25 много меньше сопротивления резисторов 15,17 и резисторов 20, 24, коэффициент деления выходного напряжения операционных усилителей 1 и 2 близок к единице и коэффициент преобразования определяется только величиной конденсаторов 22 и 26, а на частотах, близких к нижней граничной частоте, коэффициент передачи увеличивается пропорционально увеличению коэффициента деления.
Таким образом, в рабочем диапазоне частот усилитель обеспечивает реализацию частотной зависимости коэффициента передачи, соответствующей интегрированию входного сигнала ускорения, причем это выполняется непосредственно во входном каскаде – усилителе заряда. Поясняющие это АЧХ показаны на фиг 11 и 12. АЧХ по виброскорости показана на фиг.12. Как видно на этих характеристиках, АЧХ имеет подъем на частотах выше 1 КГц. Для дальнейшего расширения области рабочих частот в сторону ее увеличения в ограничительном узле можно использовать ограничительные резисторы 37 и 38, сравнительно малой величины, обеспечивающих спад АЧХ в области частот выше 1 КГц. Обеспечить линейность АЧХ на таких частотах можно также за счет использования конденсаторов 28 и 29, обеспечивающих спад амплитудно-частотной характеристики в области высоких частот, если увеличение резисторов 37 и 38 нежелательно. Эти резисторы не только могут ограничивать входные токи и напряжения для операционного усилителя 2, но, и как следует из вышеупомянутого, позволяют расширить равномерную АЧХ по виброскорости в область более высоких частот. Соответствующие скорректированные АЧХ также показаны на фиг.11 и 12 как продолжение линейных участков. Это позволяет получить результирующие АЧХ по скорости и ускорению с широким частотным диапазоном.
Даже значительный всплеск на АЧХ датчика из-за интегрирующей характеристики во входном каскаде усилителя заряда не дает формироваться перегрузке при воздействия на датчик высокочастотных вибраций и ударов, что обеспечивает повышение достоверности функционирования усилителя заряда.
Для обеспечения требуемой АЧХ в зависимости от заданного диапазона частот необходимо обеспечить ряд соотношений между величинами емкостей и резисторов. Использование независимых цепей для организации цепей обратной связи по постоянному и по переменному току позволяет легко реализовать выбор номиналов резисторов и конденсаторов приемлемой величины.
Использование в устройствах показанных на фиг.1 и 3 конденсаторов 31 и 33 позволяет уменьшить коэффициент передачи цепей обратной связи по постоянному току на частотах ниже нижней рабочей частоты, что снижает низкочастотный шум и смещение нулевого уровня на выходе операционных усилителей 1 и 2. При этом постоянные времени RC цепочек C31R30, C33R32, где индекс соответствует номеру элемента на чертеже, удовлетворяют условию (1.1).
В зависимости от используемого ограничительного узла 4 можно обеспечить не только расширение рабочего диапазона частот в сторону верхних частот, но и обеспечить защиту входных цепей операционного усилителя и снизить влияние пироэффекта. При использовании ограничительных узлов, схема которого показана на фиг.5, обеспечивается ограничение входных токов и напряжений, но нет подавления влияния пироэффекта, а схема, показанная на фиг.6, требует минимальных затрат элементов.
Формула изобретения
1. Симметричный усилитель заряда для пьезодатчика содержащий первый, второй и третий операционные усилители и ограничительный узел, первый и второй входы которого являются входами симметричного усилителя заряда для пьезодатчика, первый и второй выходы ограничительного узла соединены с инверсными входами соответственно первого и второго операционного усилителя, прямые входы которых соединены с общей шиной, выходы первого и второго операционных усилителей через первый и второй резисторы соединены с инверсным и прямым входами третьего операционного усилителя, которые через соответственно третий и четвертый резисторы соединены с выходом третьего операционного усилителя и общей шиной, выход первого операционного усилителя соединен с первой обкладкой первого конденсатора обратной связи и первым выводом первого резистора обратной связи, второй вывод которого соединен с второй обкладкой первого конденсатора обратной связи, выход второго операционного усилителя соединен с первой обкладкой второго конденсатора обратной связи и первым выводом второго резистора обратной связи, второй вывод которого соединен с второй обкладкой второго конденсатора обратной связи, отличающийся тем, что инверсный вход первого операционного усилителя через третий резистор обратной связи соединен с второй обкладкой первого конденсатора обратной связи, инверсный вход второго операционного усилителя соединен через четвертый резистор обратной связи с второй обкладкой второго конденсатора обратной связи, выход первого операционного усилителя соединен с первым выводом пятого резистора обратной связи и с первой обкладкой третьего конденсатора обратной связи, вторая обкладка которого соединена с вторым выводом пятого резистора обратной связи и через четвертый конденсатор обратной связи с первым входом обратной связи ограничительного узла, выход второго операционного усилителя соединен с первым выводом шестого резистора обратной связи и с первой обкладкой пятого конденсатора обратной связи, вторая обкладка которого соединена с вторым выводом шестого резистора обратной связи и через шестой конденсатор обратной связи с вторым входом обратной связи ограничительного узла, параллельно третьему и четвертому резисторам подключены соответственно первый и второй вспомогательный конденсаторы, вторая обкладка первого конденсатора обратной связи соединена через первый дополнительный резистор и первый дополнительный конденсатор, которые соединены последовательно с общей шиной, вторая обкладка второго конденсатора обратной связи соединена через второй дополнительный резистор и второй дополнительный конденсатор, которые соединены последовательно с общей шиной, вторые обкладки третьего и пятого конденсаторов обратной связи соединены через соответственно третий дополнительный и четвертый дополнительные резисторы с общей шиной, причем произведения величины емкости первого конденсатора обратной связи на величину сопротивления первого резистора обратной связи, величины емкости второго конденсатора обратной связи на величину сопротивления второго резистора обратной связи, величины емкости третьего конденсатора обратной связи на величину сопротивления пятого резистора обратной связи, величины емкости пятого конденсатора обратной связи на величину сопротивления шестого резистора обратной связи, величины емкости первого дополнительного конденсатора на величину сопротивления первого дополнительного резистора и величины емкости второго дополнительного конденсатора на величину сопротивления второго дополнительного резистора больше величины обратной величине нижней граничной частоты работы симметричного усилителя заряда для пьезодатчика.
2. Симметричный усилитель заряда для пьезодатчика по п.1, отличающийся тем, что ограничительный узел содержит первый и второй ограничительные резисторы, первый и второй ограничительные конденсаторы, а также первый и второй ограничительные элементы, через которые общая шина соединена соответственно с первым и вторым входами обратной связи, которые через соответственно первый ограничительный резистор и второй ограничительный резистор соединены с первым и вторым входами ограничительного узла, первый и второй выходы которого соединены через соответственно первый и второй ограничительные конденсаторы с первым и вторым входами обратной связи.
3. Симметричный усилитель заряда для пьезодатчика по п.1, отличающийся тем, что ограничительный узел содержит первый и второй ограничительные резисторы, а также первый и второй ограничительные элементы, через которые общая шина соединена соответственно с первым и вторым входами обратной связи, которые через соответственно первый ограничительный резистор и второй ограничительный резистор соединены с первым и вторым входами ограничительного узла, первый и второй выходы которого соединены соответственно с первым и вторым входами обратной связи.
4. Симметричный усилитель заряда для пьезодатчика по п.1, отличающийся тем, что в ограничительном узле первый и второй входы обратной связи соединены соответственно, а также с первым и вторым выходы ограничительного узла.
5. Симметричный усилитель заряда для пьезодатчика по п.2, отличающийся тем, что ограничительный элемент выполнен в виде двуханодного стабилитрона.
6. Симметричный усилитель заряда для пьезодатчика по п.2, отличающийся тем, что ограничительный элемент выполнен в виде двуханодного стабилитрона, первый вход которого является первым входом ограничительного элемента, а второй вход двуханодного стабилитрона соединен с анодом и катодом первого и второго диодов, катод и анод которых объединены и являются вторым входом ограничительного элемента.
7. Симметричный усилитель заряда для пьезодатчика содержащий первый, второй и третий операционные усилители и ограничительный узел, первый и второй входы которого являются входами симметричного усилителя заряда для пьезодатчика, первый и второй выходы ограничительного узла соединены с инверсными входами соответственно первого и второго операционного усилителя, прямые входы которых соединены с общей шиной, выходы первого и второго операционных усилителей через первый и второй резисторы соединены с инверсным и прямым входами третьего операционного усилителя, которые через соответственно третий и четвертый резисторы соединены с выходом третьего операционного усилителя и общей шиной, выход первого операционного усилителя соединен с первой обкладкой первого конденсатора обратной связи и первым выводом первого резистора обратной связи, второй вывод которого соединен с второй обкладкой первого конденсатора обратной связи, выход второго операционного усилителя соединен с первой обкладкой второго конденсатора обратной связи и первым выводом второго резистора обратной связи, второй вывод которого соединен с второй обкладкой второго конденсатора обратной связи, отличающийся тем, что инверсный вход первого операционного усилителя через третий резистор обратной связи соединен с второй обкладкой первого конденсатора обратной связи, инверсный вход второго операционного усилителя соединен через четвертый резистор обратной связи с второй обкладкой второго конденсатора обратной связи, выход первого операционного усилителя соединен с первым выводом пятого резистора обратной связи и с первой обкладкой третьего конденсатора обратной связи, вторая обкладка которого соединена с вторым выводом пятого резистора обратной связи и через четвертый конденсатор обратной связи с первым входом обратной связи ограничительного узла, выход второго операционного усилителя соединен с первым выводом шестого резистора обратной связи и с первой обкладкой пятого конденсатора обратной связи, вторая обкладка которого соединена с вторым выводом шестого резистора обратной связи и через шестой конденсатор обратной связи с вторым входом обратной связи ограничительного узла, параллельно третьему и четвертому резисторам подключены соответственно первый и второй вспомогательный конденсаторы, вторая обкладка первого конденсатора обратной связи соединена через первый дополнительный резистор с общей шиной, вторая обкладка второго конденсатора обратной связи соединена через второй дополнительный резистор с общей шиной, вторые обкладки третьего и пятого конденсаторов обратной связи соединены через соответственно третий дополнительный и четвертый дополнительные резисторы с общей шиной, причем произведения величины емкости первого конденсатора обратной связи на величину сопротивления первого резистора обратной связи, величины емкости второго конденсатора обратной связи на величину сопротивления второго резистора обратной связи, величины емкости третьего конденсатора обратной связи на величину сопротивления пятого резистора обратной связи, величины емкости пятого конденсатора обратной связи на величину сопротивления шестого резистора обратной связи больше величины обратной величине нижней граничной частоты работы симметричного усилителя заряда для пьезодатчика.
8. Симметричный усилитель заряда для пьезодатчика по п.7, отличающийся тем, что ограничительный узел содержит первый и второй ограничительные резисторы, первый и второй ограничительные конденсаторы, а также первый и второй ограничительные элементы, через которые общая шина соединена соответственно с первым и вторым входами обратной связи, которые через соответственно первый ограничительный резистор и второй ограничительный резистор соединены с первым и вторым входами ограничительного узла, первый и второй выходы которого соединены через соответственно первый и второй ограничительные конденсаторы с первым и вторым входами обратной связи.
9. Симметричный усилитель заряда для пьезодатчика по п.7, отличающийся тем, что ограничительный узел содержит первый и второй ограничительные резисторы, а также первый и второй ограничительные элементы, через которые общая шина соединена соответственно с первым и вторым входами обратной связи, которые через соответственно первый ограничительный резистор и второй ограничительный резистор соединены с первым и вторым входами ограничительного узла, первый и второй выходы которого соединены соответственно с первым и вторым входами обратной связи.
10. Симметричный усилитель заряда для пьезодатчика по п.7, отличающийся тем, что в ограничительном узле первый и второй входы обратной связи соединены соответственно, а также с первым и вторым выходы ограничительного узла.
11. Симметричный усилитель заряда для пьезодатчика по п.8, отличающийся тем, что ограничительный элемент выполнен в виде двуханодного стабилитрона.
12. Симметричный усилитель заряда для пьезодатчика по п.8, отличающийся тем, что ограничительный элемент выполнен в виде двуханодного стабилитрона, первый вход которого является первым входом ограничительного элемента, а второй вход двуханодного стабилитрона соединен с анодом и катодом первого и второго диодов, катод и анод которых объединены и являются вторым входом ограничительного элемента.
13. Симметричный усилитель заряда для пьезодатчика по п.8, отличающийся тем, что ограничительный элемент содержит первый и второй диоды, катод и анод которых объединены и являются первым входом ограничительного элемента, второй вход которого соединен с анодом и катодом соответственно первого и второго диодов.
14. Симметричный усилитель заряда для пьезодатчика, содержащий первый, второй и третий операционные усилители и ограничительный узел, первый и второй входы которого являются входами симметричного усилителя заряда для пьезодатчика, первый и второй выходы ограничительного узла соединены с инверсными входами соответственно первого и второго операционного усилителя, прямые входы которых соединены с общей шиной, выходы первого и второго операционных усилителей через первый и второй резисторы соединены с инверсным и прямым входами третьего операционного усилителя, которые через соответственно третий и четвертый резисторы соединены с выходом третьего операционного усилителя и общей шиной, выход первого операционного усилителя соединен с первой обкладкой первого конденсатора обратной связи и первым выводом первого резистора обратной связи, второй вывод которого соединен с второй обкладкой первого конденсатора обратной связи, выход второго операционного усилителя соединен с первой обкладкой второго конденсатора обратной связи и первым выводом второго резистора обратной связи, второй вывод которого соединен с второй обкладкой второго конденсатора обратной связи, отличающийся тем, что инверсный вход первого операционного усилителя через третий резистор обратной связи соединен с второй обкладкой первого конденсатора обратной связи, инверсный вход второго операционного усилителя соединен через четвертый резистор обратной связи с второй обкладкой второго конденсатора обратной связи, выход первого операционного усилителя соединен с первым выводом пятого резистора обратной связи и с первой обкладкой третьего конденсатора обратной связи, вторая обкладка которого соединена с вторым выводом пятого резистора обратной связи и через четвертый конденсатор обратной связи с первым входом обратной связи ограничительного узла, выход второго операционного усилителя соединен с первым выводом шестого резистора обратной связи и с первой обкладкой пятого конденсатора обратной связи, вторая обкладка которого соединена с вторым выводом шестого резистора обратной связи и через шестой конденсатор обратной связи с вторым входом обратной связи ограничительного узла, параллельно третьему и четвертому резисторам подключены соответственно первый и второй вспомогательный конденсаторы, вторая обкладка первого конденсатора обратной связи соединена через первый дополнительный резистор и первый дополнительный конденсатор, которые соединены последовательно с второй обкладкой второго конденсатора обратной связи, вторые обкладки третьего и пятого конденсаторов обратной связи соединены через соответственно третий дополнительный и четвертый дополнительные резисторы с общей шиной, причем произведения величины емкости первого конденсатора обратной связи на величину сопротивления первого резистора обратной связи, величины емкости второго конденсатора обратной связи на величину сопротивления второго резистора обратной связи, величины емкости третьего конденсатора обратной связи на величину сопротивления пятого резистора обратной связи, величины емкости пятого конденсатора обратной связи на величину сопротивления шестого резистора обратной связи, величины емкости первого дополнительного конденсатора на величину сопротивления первого дополнительного резистора больше величины обратной величине нижней граничной частоты работы симметричного усилителя заряда для пьезодатчика.
15. Симметричный усилитель заряда для пьезодатчика по п.14, отличающийся тем, что ограничительный узел содержит первый и второй ограничительные резисторы, первый и второй ограничительные конденсаторы, а также первый и второй ограничительные элементы, через которые общая шина соединена соответственно с первым и вторым входами обратной связи, которые через соответственно первый ограничительный резистор и второй ограничительный резистор соединены с первым и вторым входами ограничительного узла, первый и второй выходы которого соединены через соответственно первый и второй ограничительные конденсаторы с первым и вторым входами обратной связи.
16. Симметричный усилитель заряда для пьезодатчика по п.14, отличающийся тем, что ограничительный узел содержит первый и второй ограничительные резисторы, а также первый и второй ограничительные элементы, через которые общая шина соединена соответственно с первым и вторым входами обратной связи, которые через соответственно первый ограничительный резистор и второй ограничительный резистор соединены с первым и вторым входами ограничительного узла, первый и второй выходы которого соединены соответственно с первым и вторым входами обратной связи.
17. Симметричный усилитель заряда для пьезодатчика по п.14, отличающийся тем, что в ограничительном узле первый и второй входы обратной связи соединены соответственно, а также с первым и вторым – выходы ограничительного узла.
18. Симметричный усилитель заряда для пьезодатчика по п.15, отличающийся тем, что ограничительный элемент выполнен в виде двуханодного стабилитрона.
19. Симметричный усилитель заряда для пьезодатчика по п.15, отличающийся тем, что ограничительный элемент выполнен в виде двуханодного стабилитрона, первый вход которого является первым входом ограничительного элемента, а второй вход двуханодного стабилитрона соединен с анодом и катодом первого и второго диодов, катод и анод которых объединены и являются вторым входом ограничительного элемента.
20. Симметричный усилитель заряда для пьезодатчика, содержащий первый, второй и третий операционные усилители и ограничительный узел, первый и второй входы которого являются входами симметричного усилителя заряда для пьезодатчика, первый и второй выходы ограничительного узла соединены с инверсными входами соответственно первого и второго операционного усилителя, прямые входы которых соединены с общей шиной, выходы первого и второго операционных усилителей через первый и второй резисторы соединены с инверсным и прямым входами третьего операционного усилителя, которые через соответственно третий и четвертый резисторы соединены с выходом третьего операционного усилителя и общей шиной, выход первого операционного усилителя соединен с первой обкладкой первого конденсатора обратной связи и первым выводом первого резистора обратной связи, второй вывод которого соединен с второй обкладкой первого конденсатора обратной связи, выход второго операционного усилителя соединен с первой обкладкой второго конденсатора обратной связи и первым выводом второго резистора обратной связи, второй вывод которого соединен с второй обкладкой второго конденсатора обратной связи, отличающийся тем, что инверсный вход первого операционного усилителя через третий резистор обратной связи соединен с второй обкладкой первого конденсатора обратной связи, инверсный вход второго операционного усилителя соединен через четвертый резистор обратной связи с второй обкладкой второго конденсатора обратной связи, выход первого операционного усилителя соединен с первым выводом пятого резистора обратной связи и с первой обкладкой третьего конденсатора обратной связи, вторая обкладка которого соединена с вторым выводом пятого резистора обратной связи и через четвертый конденсатор обратной связи с первым входом обратной связи ограничительного узла, выход второго операционного усилителя соединен с первым выводом шестого резистора обратной связи и с первой обкладкой пятого конденсатора обратной связи, вторая обкладка которого соединена с вторым выводом шестого резистора обратной связи и через шестой конденсатор обратной связи с вторым входом обратной связи ограничительного узла, параллельно третьему и четвертому резисторам подключены соответственно первый и второй вспомогательный конденсаторы, вторая обкладка первого конденсатора обратной связи соединена через первый дополнительный резистор с второй обкладкой второго конденсатора обратной связи, вторые обкладки третьего и пятого конденсаторов обратной связи соединены через соответственно третий дополнительный и четвертый дополнительные резисторы с общей шиной, причем произведения величины емкости первого конденсатора обратной связи на величину сопротивления первого резистора обратной связи, величины емкости второго конденсатора обратной связи на величину сопротивления второго резистора обратной связи, величины емкости третьего конденсатора обратной связи на величину сопротивления пятого резистора обратной связи, величины емкости пятого конденсатора обратной связи на величину сопротивления шестого резистора обратной связи больше величины обратной величине нижней граничной частоты работы симметричного усилителя заряда для пьезодатчика.
21. Симметричный усилитель заряда для пьезодатчика по п.20, отличающийся тем, что ограничительный узел содержит первый и второй ограничительные резисторы, первый и второй ограничительные конденсаторы, а также первый и второй ограничительные элементы, через которые общая шина соединена соответственно с первым и вторым входами обратной связи, которые через соответственно первый ограничительный резистор и второй ограничительный резистор соединены с первым и вторым входами ограничительного узла, первый и второй выходы которого соединены через соответственно первый и второй ограничительные конденсаторы с первым и вторым входами обратной связи.
22. Симметричный усилитель заряда для пьезодатчика по п.20, отличающийся тем, что ограничительный узел содержит первый и второй ограничительные резисторы, а также первый и второй ограничительные элементы, через которые общая шина соединена соответственно с первым и вторым входами обратной связи, которые через соответственно первый ограничительный резистор и второй ограничительный резистор соединены с первым и вторым входами ограничительного узла, первый и второй выходы которого соединены соответственно с первым и вторым входами обратной связи.
23. Симметричный усилитель заряда для пьезодатчика по п.20, отличающийся тем, что в ограничительном узле первый и второй входы обратной связи соединены соответственно, а также с первым и вторым – выходы ограничительного узла.
24. Симметричный усилитель заряда для пьезодатчика по п.21, отличающийся тем, что ограничительный элемент выполнен в виде двуханодного стабилитрона.
25. Симметричный усилитель заряда для пьезодатчика по п.21, отличающийся тем, что ограничительный элемент выполнен в виде двуханодного стабилитрона, первый вход которого является первым входом ограничительного элемента, а второй вход двуханодного стабилитрона соединен с анодом и катодом первого и второго диодов, катод и анод которых объединены и являются вторым входом ограничительного элемента.
РИСУНКИ
|
|