|
|
(21), (22) Заявка: 2008110274/09, 17.03.2008
(24) Дата начала отсчета срока действия патента:
17.03.2008
(46) Опубликовано: 20.10.2009
(56) Список документов, цитированных в отчете о поиске:
RU 2099848 C1, 20.12.1997. SU 15752882 A1, 30.06.1990. GB 2200263 A, 27.07.1988. US 2002145343 A1, 10.10.2002. JP 2002272180 A, 20.09.2002.
Адрес для переписки:
656038, Алтайский край, г.Барнаул, Ленина, 46, АлтГТУ, ОИПС
|
(72) Автор(ы):
Радченко Михаил Васильевич (RU), Радченко Татьяна Борисовна (RU), Стальная Мая Ивановна (RU), Борисов Алексей Павлович (RU), Халтобин Дмитрий Сергеевич (RU)
(73) Патентообладатель(и):
Государственное образовательное учреждение высшего профессионального образования “Алтайский государственный технический университет им. И.И. Ползунова” (АлтГТУ) (RU)
|
(54) УСТРОЙСТВО БЕСКОНДЕНСАТОРНОГО ЗАПУСКА ТРЕХФАЗНОГО КОРОТКОЗАМКНУТОГО ЭЛЕКТРОДВИГАТЕЛЯ ОТ ОДНОФАЗНОЙ СЕТИ
(57) Реферат:
Изобретение относится к области электротехники и может быть использовано для питания асинхронных трехфазных двигателей. Техническим результатом является повышение экономичности и снижение габаритов. В устройстве бесконденсаторного запуска трехфазного асинхронного короткозамкнутого электродвигателя от однофазной сети статорные обмотки асинхронного двигателя соединены в звезду и подключены к однофазной сети через полупроводниковые ключи. В качестве полупроводниковых ключей использованы динисторы, соединенные встречно-параллельно для подключения одним общим выходом к выходу статорной обмотки, не соединенной с фазой и нулем питающей сети, другим общим выходом – к нулю питающей сети и к выходу статорной обмотки, подключенной к нулю питающей сети. 3 ил.
Предлагаемое изобретение относится к устройствам запуска трехфазных асинхронных короткозамкнутых электродвигателей от однофазной сети и может быть использовано в электроприводе для питания асинхронных трехфазных электродвигателей, статорные обмотки которых соединена в звезду.
Известно устройство конденсаторного запуска трехфазного электродвигателя от однофазной сети, содержащее конденсатор, реактор и два тиристора. Конденсатор и индуктивность имеют общий выход, который предназначен для соединения с выходом обмотки статора. Другим выходом конденсатор соединен с нулем питающей сети и с общей точкой двух тиристоров, соединенных встречно-параллельно. Другим выходом тиристоры соединены с другим выходом индуктивности. Обмотки данного электродвигателя соединены по типу звезда (Глазенко Т.А. Полупроводниковые системы импульсного асинхронного электропривода малой мощности. / Т.А.Глазенко. – Ленишрад: ЭНЕРГОАТОМИЗДАТ, 1983. – С.61, рис.13).
Основными недостатками описанного устройства конденсаторного запуска трехфазного электродвигателя от однофазной сети являются повышенные габариты вследствие необходимости использования бумажных конденсаторов большой емкости, а такжс низкая надежность.
Наиболее близким к предлагаемому устройству по технической сущности и достигаемому результату (прототипом) является устройство регулирования частоты вращения трехфазного асинхронного электродвигателя от однофазной сети, содержащее полупроводниковые ключи, в качестве которых использованы такие силовые элементы, как три симмистора или шесть тиристоров для коммутации обмоток электродвигателя. Один из выходов симмистора или тиристора подключен к нулю питающей сети, а другой выход тиристора или симмистора подключен к соответствующей обмотке статора. При этом статорные обмотки электродвигателя соединены по типу звезда, а нулевой вывод электродвигателя подключен к фазе питающей сети (Глазенко Т.А. Полупроводниковые системы импульсного асинхронного электропривода малой мощности / Т.А.Глазенко. – Ленинград: ЭНЕРГОАТОМИЗДАТ, 1983. – С.61, рис.12).
Основными недостатками описанного устройства регулирования частоты вращения трехфазного асинхронного электродвигателя от однофазной сети являются низкая надежность, большие габариты и высокая стоимость, что объясняется значительным количеством силовых элементов.
Предлагаемым изобретением решается задача повышения надежности и экономичности, а также уменьшение габаритов устройства.
Для решения поставленной задачи в устройстве бесконденсаторного запуска трехфазного короткозамкнутого электродвигателя от однофазной сети, содержащем полупроводниковые ключи, подключенные к питающей сети и статорной обмотке, при соединении статорных обмоток по схеме «звезда», согласно изобретению в качестве ключа использованы динисторы, соединенные встречно – параллельно для подключения одним общим выходом к выходу статорной обмотки, не соединенной с фазой и нулем питающей сети, другим общим выходом – к нулю питающей сети и к выходу статорной обмотки, подключенной к нулю питающей сети.
Повышение надежности и экономичности, а также снижение габаритов устройства бесконденсаторного запуска трехфазного электродвигателя от однофазной сети обусловлены исключением системы управления открытием и закрытием тиристоров или симмисторов путем введения динисторов, соединенных встречно – параллельно для подключения одним общим выходом к выходу статорной обмотки, не соединенной с фазой и нулем питающей сети, другим общим выходом – к нулю питающей сети и к выходу статорной обмотки, подключенной к нулю питающей сети, не требующих управления открытием и закрытием, при уменьшении количества силовых элементов.
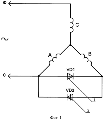
Предлагаемое изобретение поясняется чертежами, где на фиг.1 приведена принципиальная электрическая схема предлагаемого устройства бесконденсаторного запуска трехфазного электродвигателя от однофазной сети; на фиг.2 – векторная диаграмма вращения, состоящая из четырех фиксированных положений магнитного потока поля статора; на фиг.3 показано пофазное изменение магнитного потока в обмотках статора в соответствии с векторной диаграммой, изображенной на фиг.2. Кроме того, на чертежах изображено следующее:
– Ф – фаза;
– 0 – ноль;
– А, В, С – обмотки электродвигателя;
– VD1-VD2 – динисторы;
– I, II, III, IV – последовательные фиксированные положения вектора магнитного потока кругового вращающегося поля статора трехфазного электродвигателя;
– дугообразные линии со стрелкой – направления вращения магнитного поля статора;
– Uсети=f(t) – изменение питающего напряжения во времени.
Устройство бесконденсаторного запуска трехфазного электродвигателя от однофазной сети содержит полупроводниковые ключи, в качестве которых использованы динисторы 1(VD2) и 2(VD1), соединенные встречно – параллельно для подключения одним общим выходом к выходу статорной обмотки А, не соединенной с фазой и нулем питающей сети, другим общим выходом – к нулю питающей сети и к выходу статорной обмотки В, подключенной к нулю питающей сети. Статорная обмотка С подключена к фазе питающей сети. Статорные обмотки А, В, С соединены по схеме «звезда».
Устройство бесконденсаторного запуска трехфазного электродвигателя от однофазной сети работает следующим образом. При прохождении положительной полуволны питающего напряжения сначала ток проходит по всем трем обмоткам электродвигателя А, В, С (фиг.3). Образуется первое положение вектора магнитного поля статора. При достижении порогового значения питающего напряжения открывается динистор 1(VD2). Происходит закорачивание обмотки В и образуется второе положение вектора магнитного поля статора. При прохождении отрицательной полуволны питающего напряжения, сначала ток проходит по всем трем обмоткам А, В, С электродвигателя. Образуется третье положение вектора магнитного поля статора. При достижении порогового значения питающего напряжения открывается динистор 2(VD1). Происходит закорачивание обмотки В и образуется четвертое положение вектора магнитного поля статора. Поле статора получается эллипсоидным, пространственным, изменяющимся во времени.
Таким образом, увеличиваются надежность и экономичность, а также снижаются габариты устройства бесконденсаторного запуска трехфазного электродвигателя от однофазной сети.
Формула изобретения
Устройство бесконденсаторного запуска трехфазного короткозамкнутого электродвигателя от однофазной сети, содержащее полупроводниковые ключи, подключенные к питающей сети и статорной обмотке, при соединении статорных обмоток по схеме «звезда», отличающееся тем, что в качестве ключей использованы динисторы, соединенные встречно-параллельно для подключения одним общим выходом к выходу статорной обмотки, не соединенной с фазой и нулем питающей сети, другим общим выходом – к нулю питающей сети и к выходу статорной обмотки, подключенной к нулю питающей сети.
РИСУНКИ
|
|