|
|
(21), (22) Заявка: 2008121778/28, 30.05.2008
(24) Дата начала отсчета срока действия патента:
30.05.2008
(46) Опубликовано: 20.10.2009
(56) Список документов, цитированных в отчете о поиске:
SU 152903 А, 17.06.1963. SU 1780058 A1, 15.10.1992. SU 1751524 A1, 15.10.1989. JP 2006-107737 A, 20.04.2006. US 5369541 A, 29.11.1994.
Адрес для переписки:
196128, Санкт-Петербург, ул. Благодатная, 6, ФГУП “ЦНИИ СЭТ”
|
(72) Автор(ы):
Гельвер Федор Андреевич (RU)
(73) Патентообладатель(и):
Федеральное государственное унитарное предприятие “ЦНИИ судовой электротехники и технологии” (ФГУП “ЦНИИ СЭТ”) (RU)
|
(54) УСТРОЙСТВО КОНТРОЛЯ ЗАМЫКАНИЯ ФАЗЫ НА КОРПУС В ТРЕХФАЗНЫХ СЕТЯХ С ИЗОЛИРОВАННОЙ НЕЙТРАЛЬЮ
(57) Реферат:
Изобретение относится к контрольно-измерительной технике и может быть использовано для контроля сопротивления изоляции сетей переменного тока с изолированной нейтралью, находящихся под напряжением. Сущность: устройство содержит трехфазный однополупериодный выпрямитель, выполненный на диодах, реле, динистор. Аноды диодов через балластные резисторы подключены к фазам сети. Катоды диодов соединены между собой. Один из выводов реле связан с корпусом. Исполнительный контакт реле подключен к системе сигнализации. Анод динистора подключен к общей точке диодов. Катод динистора соединен со вторым выводом реле. Технический результат: исключение влияния устройства контроля на сопротивление изоляции контролируемой сети, повышение помехоустойчивости устройства, исключающее ложное срабатывание. 1 ил.
Предложение относится к приборам для контроля и сигнализации о снижении сопротивления изоляции сетей переменного тока с изолированной нейтралью. Предлагаемое устройство может быть использовано на кораблях, судах, в шахтах, метрополитене, нефтепромыслах, т.е. там, где есть изолированные от земли силовые сети переменного тока.
Известно устройство [Цапенко Е.Ф. Шахтные кабели и электробезопасность сетей. М.: Недра, 1988, с.109-112 и 201-203] контроля состояния изоляции трехфазной сети с изолированной нейтралью, содержащее полупроводниковые вентили, соединенные в звезду. Недостатком известного устройства является то, что оно снижает сопротивление изоляции контролируемой сети, что характерно для большинства схем контроля состояния изоляции, а также зависимость его измерительного тока от колебания напряжения контролируемой сети и низкая помехоустойчивость. Наиболее близким по технической сущности к заявляемому устройству является выбранное в качестве прототипа устройство для автоматического контроля изоляции трехфазной сети с незаземленной нейтралью [Авт. св. СССР 152903], содержащее три выпрямителя, соединенные в “звезду” и подключенные через резисторы к защищаемой сети, и двухобмоточное реле тока. Недостатком известного устройства является то, что оно не обеспечивает четкой работы при колебании напряжения в контролируемой сети, а также своим подключением снижает сопротивление контролируемой сети и обладает сложной конструкцией.
Целью изобретения является снижение воздействия подключаемого устройства на сопротивление изоляции контролируемой сети, а также повышение помехоустойчивости устройства и простота его конструкции. Указанная цель достигается тем, что схема заявляемого устройства содержит динистор, позволяющий контролировать потенциал земли относительно контролируемой сети и в случае снижения сопротивления изоляции подключать реле через выпрямитель к контролируемой сети.
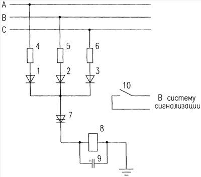
Устройство контроля замыкания фазы на корпус, схема которого представлена на чертеже, содержит трехфазный однополупериодный выпрямитель, собранный на трех полупроводниковых диодах 1÷3, подключенный через балластные резисторы 4÷6 к фазам А, В, С контролируемой сети с изолированной нейтралью. Общая точка полупроводниковых вентилей 1÷3 соединена с анодом динистора 7, катод которого соединен с одним из выводов катушки реле 8. Второй вывод катушки реле 8 соединен с землей (корпусом электроустановки). Конденсатор 9 подключен параллельно катушке реле 8. Контакт реле 10 связан с системой сигнализации.
Работа устройства контроля замыкания фазы на корпус происходит следующим образом. При высоком сопротивлении изоляции между контролируемой сетью (фазами А, В, С) и корпусом напряжение на динисторе 7 близко к нулю. Динистор 7 закрыт, и ток через устройство контроля равен нулю. Таким образом, устройство контроля замыкания фазы на корпус в трехфазных сетях с изолированной нейтралью в отличие от известных устройств не снижает сопротивление изоляции контролируемой сети. В случае снижения сопротивления изоляции или попадания фазы на корпус (землю) между общей точкой катодов диодов 1÷3 и землей появиться напряжение. И в случае, если прямое падение напряжения, приложенное к динистору 7, превысит напряжение включения динистора 7, он открывается, и катушка исполнительного реле 8, сработав, переключит контакт реле 10, тем самым выдав в систему сигнализации сигнал о замыкании фазы на корпус.
Таким образом, предлагаемое устройство автоматического контроля изоляции трехфазной сети с незаземленной нейтралью не вызывает снижения сопротивления изоляции контролируемой сети за счет самого устройства контроля и позволяет производить контроль снижения сопротивления изоляции при значительных колебаниях напряжения питающей сети, а также повысить помехоустойчивость устройства.
Формула изобретения
Устройство контроля замыкания фазы на корпус в трехфазных сетях с изолированной нейтралью, содержащее трехфазный однополупериодный выпрямитель, выполненный на диодах, аноды которых через балластные резисторы подключены к фазам сети, а катоды соединены между собой, и реле, один из выводов которого связан с корпусом, а исполнительный контакт подключен к системе сигнализации, отличающееся тем, что в него введен динистор, анод которого подключен к общей точке диодов, а катод соединен со вторым выводом реле.
РИСУНКИ
|
|