|
|
(21), (22) Заявка: 2007122222/28, 13.06.2007
(24) Дата начала отсчета срока действия патента:
13.06.2007
(43) Дата публикации заявки: 20.12.2008
(46) Опубликовано: 20.10.2009
(56) Список документов, цитированных в отчете о поиске:
SU 1497533 A1, 30.07.1989. SU 1396023 A2, 15.05.1988. SU 1035489 A, 15.08.1983. JP 60237349 A, 26.11.1985. JP 60257351 A, 19.12.1985.
Адрес для переписки:
390023, г.Рязань, ул. Электрозаводская, 52, Рязанский филиал Санкт-Петербургской академии управления и экономики (НОУ ВПО)
|
(72) Автор(ы):
Зельцер Игорь Аркадьевич (RU), Кукушкин Сергей Александрович (RU), Моос Евгений Николаевич (RU)
(73) Патентообладатель(и):
Санкт-Петербургская академия управления и экономики (RU)
|
(54) УСТРОЙСТВО ДЛЯ ИССЛЕДОВАНИЯ СОВЕРШЕНСТВА СТРУКТУРЫ КРИСТАЛЛИЧЕСКИХ СЛОЕВ
(57) Реферат:
Использование: для исследования совершенства структуры кристаллических слоев. Сущность: заключается в том, что устройство для исследования совершенства структуры кристаллических слоев содержит последовательно расположенные источник рентгеновского излучения, средства монохроматизации и коллимации рентгеновского излучения, исследуемый объект со средствами поворота, первый энергоанализатор, первый детектор электронов и детектор рентгеновского излучения, причем исследуемый объект, первый энергоанализатор и первый детектор электронов кинематически связаны друг с другом и расположены в вакуумной камере, ось первого анализатора совмещена с поверхностью исследуемого объекта, а фокус энергоанализатора совмещен с областью рентгеновского дифракционного отражения, при этом устройство дополнительно снабжено вторым детектором электронов, вторым энергоанализатором, размещенным в вакуумной камере аксиально с первым энергоанализатором и кинематически связанным с исследуемым объектом и вторым детектором электронов, причем в качестве анергоанализаторов использованы сферические зеркальные энергоанализаторы, фокусы которых совмещены, а детекторы электронов размещены на поверхностях внутренних сферических электродов первого и второго энергоанализаторов в точках, которые противоположны фокальной точке. Технический результат: повышение точности и экспрессности анализа. 2 ил.
Изобретение относится к аппаратуре для анализа структуры поверхности, приповерхностных слоев и границ раздела кристаллов методом, основанным на энергодисперсионных измерениях вторичной эмиссии (фото- и оже-электронов, рентгеновского флуоресцентного излучения), возбуждаемой в кристалле стоячей рентгеновской волной, и получившим название метода стоячих рентгеновских волн.
Например, в случае фотоэлектронной эмиссии регистрация угловых зависимостей выхода фотоэлектронов с различными потерями энергии в условиях динамической дифракции рентгеновских лучей позволит получить информацию о структуре слоев, находящихся на различной глубине, а при выделении линии нулевых потерь электронов – данные о структуре поверхности кристалла /1/.
Известно несколько устройств для исследования совершенства структуры кристаллических слоев методом стоячих рентгеновских волн.
Одним из них является двухкристальный вакуумный дифрактометр /2/, предназначенный для исследования в условиях высокого вакуума электронной эмиссии, сопровождающей динамическую дифракцию рентгеновского излучения.
Прибор содержит источник рентгеновского излучения, детектор рентгеновского излучения, вакуумную камеру с окнами для рентгеновского излучения, в которой размещены кристалл-монохроматор, исследуемый кристалл со средствами поворота и линейных перемещений, энергетический анализатор с детектором электронов.
Главными недостатками данного устройства являются его конструктивная сложность, чрезмерная насыщенность вакуумного объема прецизионными гониометрическими и аналитическими устройствами, что приводит к усложнению эксплуатации прибора и технологии его изготовления.
Эти недостатки устранены в дифракционном рентгеновском фотоэлектронном спектрометре /3, 4/. В устройстве реализована трехкристальная схема рентгеновской дифракции.
Первый и второй кристаллы-монохроматоры, источник излучения установлены на параллельных направляющих и вынесены за пределы вакуумного объема рабочей камеры, где расположены исследуемый кристалл, анализатор энергии электронов и детектор рентгеновского излучения, кинематически жестко связанные друг с другом, причем исследуемый кристалл снабжен средствами поворота. В качестве энергоанализатора электронов используется 127-градусный цилиндрический дефлектор, причем ось энергоанализатора совмещена с нормалью к поверхности исследуемого объекта, а фокус энергоанализатора совмещен с областью рентгеновского дифракционного отражения.
Недостатком известного устройства является ограниченный диапазон исследований, обусловленный экранированием падающего и дифрагированного рентгеновских пучков энергоанализатором при больших углах дифракции.
Этот недостаток устранен в установке для исследования внешнего фотоэффекта при дифракции рентгеновских лучей /5/, которая является наиболее близкой по своим существенным признакам к заявляемому объекту.
Установка содержит последовательно расположенные источник рентгеновского излучения, средства монохроматизации и коллимации рентгеновского излучения, исследуемый кристалл со средствами поворота, энергоанализатор электронов и детектор электронов, причем энергоанализатор, детектор электронов и исследуемый объект кинематически жестко связаны друг с другом и расположены в вакуумной камере, при этом ось энергоанализатора совмещена с поверхностью исследуемого объекта, а фокус энергоанализатора совмещен с областью дифракционного отражения рентгеновских лучей от исследуемого кристалла. В качестве энергоанализатора здесь используется электростатический анализатор типа цилиндрического зеркала.
В работе /6/ на примерах исследования поверхности кристаллов кремния, покрытой окисными пленками SiO2 различной толщины, с помощью устройства /5/ показано, что для анализа структуры тончайших приповерхностных слоев необходимо получить путем вычета из угловой зависимости выхода KLL оже-электронов кривой выхода К-фотоэлектронов с соответствующим весом, определяемым по энергетическому спектру электронов, угловую зависимость выхода собственно KLL оже-электронов. Очевидно, что при одновременной регистрации этих двух угловых зависимостей выхода фото- и оже-электронов различных энергетических групп в условиях одного эксперимента точность и экспрессность анализа будут значительно выше, чем при последовательной во времени регистрации.
Однако данное устройство /5/ не позволяет производить одновременную регистрацию двух и более угловых зависимостей выхода фотоэлектронов, имеющих различные энергии.
Кроме этого, конструкция энергоанализатора и его расположение обуславливают низкую эффективность регистрации вылетевших электронов различных энергетических групп и, как следствие этого, – большое время накопления экспериментальных данных.
Таким образом существенными недостатками известного устройства являются низкие точность и экспрессность анализа.
Целью изобретения является повышение точности и экспрессности анализа.
Указанная цель достигается тем, что известное устройство для исследования совершенства структуры кристаллических слоев, содержащее последовательно расположенные источник рентгеновского излучения, средства монохроматизации и коллимации рентгеновского излучения, исследуемый объект со средствами поворота, первый энергоанализатор электронов, первый детектор электронов и детектор рентгеновского излучения, причем первый энергоанализатор, первый детектор электронов и исследуемый объект кинематически связаны друг с другом и расположены в вакуумной камере, при этом ось энергоанализатора совмещена с поверхностью исследуемого объекта, а фокус энергоанализатора совмещен с областью рентгеновского дифракционного отражения, дополнительно снабжено вторым энергоанализатором и вторым детектором электронов, причем второй энергоанализатор размещен аксиально с первым энергоанализатором и кинематически связан с исследуемым объектом, при этом в качестве энергоанализаторов использованы сферические зеркальные энергоанализаторы, фокусы которых совмещены, а детекторы электронов размещены на поверхностях внутренних сферических электродов первого и второго энергоанализаторов в точках, диаметрально противоположных фокальным точкам.
Сопоставительный анализ с прототипом позволяет сделать вывод, что заявляемое устройство отличается тем, что оно снабжено вторым детектором электронов, вторым энергоанализатором, размещенным в вакуумной камере аксиально с первым энергоанализатором и кинематически связанным с исследуемым объектом и вторым детектором электронов, при этом в качестве энергоанализаторов использованы сферические зеркальные энергоанализаторы, фокусы которых совмещены, а детекторы электронов размещены на поверхностях внутренних сферических электродов первого и второго энергоанализаторов в точках, диаметрально противоположных фокальным точкам.
Таким образом, заявляемое техническое решение соответствует критерию изобретения “новизна”.
Анализ критерия “существенные отличия” свидетельствует о следующем. Известно использование в качестве энергоанализаторов типа “сферическое зеркало” /7/. Также известно размещение детектора на поверхности внутреннего электрода анализатора “сферическое зеркало” в точке, диаметрально противоположной фокальной точке /7/. Вместе с тем следует отметить, что такие признаки заявляемого устройства, как снабжение его вторым энергоанализатором, расположенным аксиально с первым анализатором и вторым детектором (т.е. фактически дополнение устройства вторым идентичным каналом энергоанализа), кинематически связанным с исследуемым объектом, и совмещение фокальных точек обоих анализаторов в области на поверхности образца являются новыми и в сходных решениях не встречаются.
Таким образом, совокупность отличительных признаков устройства является неочевидной, обеспечивает достижение положительного эффекта, вследствие этого заявляемое устройство удовлетворяет критерию “существенные отличия”.
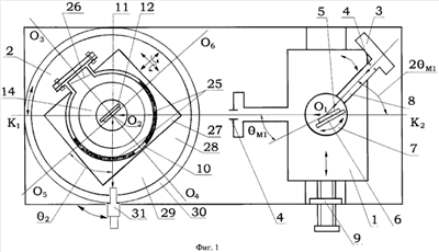
Сущность изобретения поясняется чертежом, где на фиг.1 схематично показан общий вид предложенного устройства; на фиг.2 схематично показан узел энергоанализаторов.
В состав устройства для исследования совершенства структуры кристаллических слоев входят устройство 1 формирования рентгеновского пучка и измерительное устройство 2.
Устройство 1 формирования рентгеновского пучка содержит источник 3 рентгеновского излучения, коллиматорные щели 4, кристалл-монохроматор 5, установленный на кристаллодержателе 6 гониометрического устройства 7, главная ось которого – О1 – перпендикулярна экваториальной плоскости. Кроме этого устройство 1 формирования рентгеновского пучка снабжено устройством 8 совместного углового поворота источника 3 с первой коллиматорной щелью 4 вокруг оси О1, устройством 9 совместных линейных перемещений источника 3, коллиматорных щелей 4, гониометрического устройства 7 в направлении, перпендикулярном рентгеновской оси устройства К1-К2.
Измерительное устройство 2 представляет собой вакуумную камеру 10, в центре которой на кристаллодержателе 11 установлен исследуемый объект 12.
Вдоль вертикальной оси камеры 10 на верхней и нижней торцевых поверхностях кристаллодержателя 11 аксиально установлены два энергоанализатора 13, 14 типа электростатического сферического зеркала (по одному на каждый из торцевых поверхностей кристаллодержателя 11). Каждый энергоанализатор 13, 14 содержит внутренние 15, 16 и наружный 17, 18 сферические электроды радиуса r1 и r2.
В местах прохождения электронных пучков каждый внутренний электрод 15, 16 имеет окна 19, 20, затянутые прозрачной металлической сеткой, и диафрагму 21, 22, выполненную в виде малого круглого или прямоугольной формы отверстия. Центры отверстий помещены в точки Р1 Р2, диаметрально противоположные точке S, в которой расположен источник фотоэлектронов, и находятся на геометрическом продолжении сферической поверхности внутренних электродов. За диафрагмами 21, 22 установлены детекторы электронов 23, 24, соответственно.
Ось Н1-Н2 энергоанализаторов 13, 14 совмещена с поверхностью исследуемого объекта 12, а фокусы указанных энергоанализаторов совмещены в точке S, которая находится в окрестности области дифракционного отражения рентгеновских лучей из исследуемого кристалла 12. Пунктиром в проекции на плоскость, перпендикулярную поверхности кристалла 12, на фиг.2 очерчен контур падающего на кристалл 12 и отраженного пучков рентгеновских лучей.
В местах прохождения рентгеновского пучка камера 10 имеет окна 25, выполненные из вакуумноплотной бериллиевой фольги. На боковой поверхности камеры 10 установлен вакуумный затвор 26, а на верхнем фланце-крышке камеры 10 – магниторазрядный насос.
Камера 10 установлена на устройстве 27 перемещений, которое предназначено для проведения котировочных угловых и линейных перемещений вокруг и вдоль, соответственно, осей O3-O4, O5-O6.
В свою очередь, устройство 27 перемещений установлено на верхнюю платформу 28 главного гониометра 29. На второй, нижней платформе 30 этого гониометра установлен детектор 31 рентгеновского излучения. Верхняя 28 и нижняя 30 платформы установлены аксиально и могут поворачиваться грубо или плавно вокруг главной оси гониометра 29-О2. Устройство работает следующим образом.
Рентгеновский пучок от источника 3 ограничивается по расходимости первой коллиматорной щелью 4 и попадает под углом дифракции М1 для выбранной системы кристаллографических плоскостей на кристалл-монохроматор 5.
Дифрагированные кристаллом-монохроматором 5 рентгеновский пучок, в свою очередь, ограничивается по расходимости второй коллиматорной щелью 4 и попадает под углом дифракции 2 на исследуемый кристалл 12. Оба кристалл-монохроматор 5 и исследуемый объект 12 расположены в геометрии Брэгг-дифракции. Дифрагированный кристаллом 12 рентгеновский пучок регистрируется детектором 31.
В результате взаимодействия рентгеновского излучения с веществом исследуемого объекта 12 в нем образуются фотоэлектроны, которые эмиттируются из облучаемой поверхности кристалла 12 в вакуум под различными углами к оси симметрии Н1-Н2 энергоанализаторов 13, 14. Выполнение условий:


где е – заряд электрона;
r1 и r2 – радиусы внутренних 15, 16 и наружных 17, 18 сферических электродов энергоанализаторов 13, 14, соответственно;
U1 – задерживающий потенциал между электродами 15, 17 энергоанализатора 13;
U2 – задерживающий потенциал между электродами 16, 18 энергоанализатора 14;
Е – энергия фотоэлектронов приводит к тому, что все фотоэлектроны, вышедшие из источника S независимо от угла , после отражения собираются в центрах отверстий диафрагм 21, 22, после прохождения которых регистрируются детекторами 23,24.
Таким образом, при заданной величине задерживающего потенциала U1=U11 на отверстии приемной диафрагмы 21 фокусируются частицы определенной кинетической энергии Е=Е1, удовлетворяющей соотношению с (1). Соответственно, при U2=U22 на отверстии приемной диафрагмы 22 фокусируются частицы определенной кинетической энергии Е=Е2, удовлетворяющей соотношению (2). Благодаря дисперсии по энергиям частицы других энергий рассеиваются и попадают в отверстия 21, 22 в незначительном количестве.
Прибор работает в режимах энергетической и угловой разверток.
В режиме энергетической развертки, при фиксированном угловом положении кристалла 12, одновременно, в одинаковых пределах изменяют задерживающие потенциалы U1 и U2 знергоанализаторов 13, 14. В результате чего последовательно по участкам энергии с помощью детекторов 23, 24 регистрируют сигналы электронного выхода и по суммарному сигналу от указанных детекторов получают энергетический спектр электронов. Затем, по полученному энергетическому спектру электронов определяют величины энергий электронов E1 и Е2, для которых в режиме угловой развертки предстоит определить угловые зависимости интенсивностей выхода электронов в условиях дифракции рентгеновских лучей.
В режиме угловой развертки на электродах энергоанализаторов 13, 14 устанавливаются потенциалы U1 и U2, при которых на детекторы 23, 24 будут попадать только электроны с энергиями Е1 и Е2, соответственно. Затем, при фиксированных задерживающих потенциалах U1 и U2, с помощью гониометра 29 осуществляется плавное вращение исследуемого кристалла 12 вокруг главном оси гониометра О2 в небольшом угловом интервале вблизи точного значения угла отражения 2 исследуемого кристалла 12, при этом детектор 23 регистрирует интенсивность выхода электронов с кинетической энергией Е1, детектор 24 – интенсивность выхода электронов с кинетической энергией Е2, а детектор 31 – интенсивность рентгеновского дифракционного отражения от поверхности кристалла 12.
Таким образом, в режиме угловой развертки, одновременно в условиях одного эксперимента, детекторами 31, 23, 24 регистрируются угловые зависимости интенсивностей рентгеновского отражения – I( ) и выхода электронов æ1( ) и æ2( ) с кинетическими энергиями E1 и Е2, соответственно.
Как известно, наиболее поверхностно-чувствительными, при диагностике структуры кристаллов методом стоячих рентгеновских волн являются оже-электроны, выходящие с нулевыми потерями энергии. Поэтому для получения информации о структуре поверхности по положению вершины пика оже-электронов на электронном спектре определяют величину кинетической энергии этих электронов – Е1.
Однако, в число электронов, обладающих энергией Е1 кроме оже-электронов, выходящих с поверхности кристалла с нулевыми потерями энергии, входят также электроны, выходящие с глубинных слоев исследуемого кристалла 12 и потерявшие в процессе выхода к поверхности значительную часть своей энергии. Эти электроны создают паразитный сигнал при регистрации угловой зависимости выхода оже-электронов. Полезный сигнал – угловую зависимость выхода собственно оже-электронов – получают путем вычета из угловой зависимости выхода электронов с энергией E1 (задерживающий потенциал U1) кривой выхода фотоэлектронов с энергией Е2 (задерживающие потенциал U2) с соответствующим весом Р1 определяемыми по энергетическому спектру электронов, полученному в режиме энергетическое развертки.
Таким образом, устанавливая на электродах энергоанализаторов 13, 14 потенциалы U1 и U2 в режиме угловой развертки, по разностному сигналу электронного выхода, регистрируемого с помощью детекторов 23, 24, соответственно, получают в условиях одного эксперимента угловую зависимость интенсивности выхода собственно оже-электронов, по которой в дальнейшем судят о структуре поверхности кристалла 12, что значительно повышает точность и экспрессность проводимого анализа по сравнению с известными устройствами.
Измерениям всегда предшествует юстировка. Юстировка прибора осуществляется следующим образом. На оптическую ось прибора К1-К2, проходящую через ось О2 главного гониометра 29, выставляются ось вращения О1 гониометрического устройства 7, источник излучения 3, коллиматорные щели 4 и детектор 31 рентгеновского излучения, при этом оптические оси О1 и О2 соединяют с рабочей поверхностью кристалла-монохроматора 5, установленного на кристаллодержатель 6, и с поверхностью исследуемого кристалла 12, установленного на кристаллодержатель 11, соответственно. Для этого используют соответствующие устройства 8, 9, 27 и гониометры 7, 29. Устройством совместного поворота 8 источник излучения 3, первую коллиматорную щель 4 поворачивают вокруг оси О1 на угол
2 М1 относительно оптической оси предлагаемого устройства К1-К2.
Затем разворачивают нижнюю платформу 30 гониометра 29 и кинематически жестко связанный с ней детектор 31 относительно оси К1-К2 на угол 2 2. Поворачивают также верхнюю платформу 28 и совместно с ней устройство 27, вакуумную камеру 10 с энергоанализаторами 13, 14 и исследуемым кристаллом 12 на угол 2 относительно оси К1-К2. После этого, плавно перемещая кристалл 12 с помощью гониометра 29 вокруг оси О2 и с помощью устройства 27 вокруг осей O3-O4, O5-O6, устанавливают его в отражающее положение, при котором дифрагированный кристаллом 12 рентгеновский пучок фиксируется детектором 31.
Энергодисперсионные измерения фотоэмиссии электронов проводятся при остаточном давлении в вакуумной камере 10 не выше 10-6 Па (откачные средства на чертежах не показаны).
Таким образом за счет того, что заявляемое устройство для исследования совершенства структуры кристаллических слоев снабжено дополнительно вторым детектором электронов, вторым знергоанализатором, размещенным в вакуумное камере аксиально с первым энергоанализатором и кинематически связанным с исследуемым кристаллом и вторым детектором электронов, а также за счет того, что в качестве энергоанализаторов использованы сферические зеркальные энергоанализаторы, фокусы которых совмещены, а детекторы электронов размещены на поверхностях внутренних сферических электродов первого и второго анализаторов в точках, диаметрально противоположным фокальным точкам, значительно повысились точность и экспрессность анализа по сравнению с известными приборами.
Литература
1. Ковальчук М.В., Кон В.Г. Рентгеновские стоячие волны – новый метод исследования структуры кристаллов, УФН, 1988, т.148, вып.5, с.5-46.
12, p.1576-1580.
3. Ковальчук M.B., Шилин Ю.Н., Денисов А.Г., Гравшин Ю.М., Зельцер И.А., Ляпин В.М., Сеничкина Р.С. Дифракционный вакуумный рентгенофотоэлектронный спектрометр./ПТЭ, 1987, 3, с.191-195.
4. Гравшин Ю.М., Зельцер И.А., Ковальчук М.В., Сеничкина Р.С, Шилин Ю.Н. Дифракционный рентгеновский фотоэлектронный спектрометр./ Электронная промышленность, 1989, 4, с.23-24.
5. Александров П.А., Бреслер Е.Е., Бугров Д.А., Зашквара В.В., Имамов P.M., Пашаев Э.М., Редьким B.C. Установка для исследования внешнего фотоэффекта при дифракции рентгеновских лучей./ЛТГЭ, 1986, 1, с.198-201.
6. Пашаев Э.М., Абдулаев М.И. Выход оже-электронов в условиях дифракции рентгеновских лучей./Кристаллография, 1989, Т.34, вып.1, с.263-265.
7. Зашквара В.В., Юрчак Л.С., Былинкин А.Ф. Электронно-оптические свойства электростатического сферического зеркала и систем на его основе (1), ЖТФ, 1988, т.58, вып.10, с.2010-2020.
Формула изобретения
Устройство для исследования совершенства структуры кристаллических слоев, содержащее последовательно расположенные источник рентгеновского излучения, средства монохроматизации и коллимации рентгеновского излучения, исследуемый объект со средствами поворота, первый знергоанализатор, первый детектор электронов и детектор рентгеновского излучения, причем исследуемый объект, первый энергоанализатор и первый детектор электронов кинематически связаны друг с другом и расположены в вакуумной камере, ось первого анализатора совмещена с поверхностью исследуемого объекта, а фокус энергоанализатора совмещен с областью рентгеновского дифракционного отражения, отличающееся тем, что с целью повышения точности и экспрессности анализа устройство дополнительно снабжено вторым детектором электронов, вторым энергоанализатором, размещенным в вакуумной камере аксиально с первым энергоанализатором и кинематически связанным с исследуемым объектом и вторым детектором электронов, при этом в качестве знергоанализаторов использованы сферические зеркальные энергоанализаторы, фокусы которых совмещены, а детекторы электронов размещены на поверхностях внутренних сферических электродов первого и второго энергоанализаторов в точках, которые противоположны фокальной точке.
РИСУНКИ
|
|