|
|
(21), (22) Заявка: 2008125739/02, 24.06.2008
(24) Дата начала отсчета срока действия патента:
24.06.2008
(46) Опубликовано: 10.10.2009
(56) Список документов, цитированных в отчете о поиске:
ДАНИЛОВ Н.Н. и др. Задания на полигонные работы. Даугавпилсское высшее авиационное инженерное училище противовоздушной обороны имени Я.Фабрициуса, 1977, с.42. RU 2131583 C1, 10.06.1999. RU 2069837 C1, 09.11.1993. DE 3447589 A1, 08.08.1985. FR 2656684 A1, 05.07.1991. US 5050501 A, 24.09.1991.
Адрес для переписки:
355044, г.Ставрополь, ул. Васильева, 19, кв.67, В.В. Ефанову
|
(72) Автор(ы):
Мужичек Сергей Михайлович (RU), Винокуров Владимир Иванович (RU), Ефанов Василий Васильевич (RU), Шайморданов Сергей Геннадьевич (RU)
(73) Патентообладатель(и):
Мужичек Сергей Михайлович (RU), Винокуров Владимир Иванович (RU), Ефанов Василий Васильевич (RU), Шайморданов Сергей Геннадьевич (RU)
|
(54) СПОСОБ ОПРЕДЕЛЕНИЯ ЗАЖИГАТЕЛЬНОЙ СПОСОБНОСТИ ОСКОЛОЧНО-ФУГАСНОГО СНАРЯДА И УСТРОЙСТВО ДЛЯ ЕГО ОСУЩЕСТВЛЕНИЯ
(57) Реферат:
Изобретение относится к области испытания боеприпасов и может быть использовано при определении зажигательного действия снарядов. Технический результат – повышение информативности. Изобретение заключается в стрельбе опытными снарядами по имитатору топливного бака через экран, выполненный в виде дюралевого листа, пробивании экрана, образовании мелких раскаленных частиц – раскаленного диспергированного металла, образовании пробоины в имитаторе топливного бака. При этом осушествляется непосредственный контакт раскаленных частиц – раскаленного диспергированного металла, продуктов взрыва, осколков, паров и выливающегося из пробоины имитатора топливного бака топлива. За счет этого происходит воспламенение и горение топлива. Определяют коэффициент Ксэ световой энергии как отношение времени свечения продуктов взрыва к времени нарастания объема продуктов взрыва опытного осколочно-фугасного снаряда. Определяют коэффициент Ки интенсивности излучения продуктов взрыва как отношение интенсивности излучения опытного и эталонного снарядов и определяют коэффициент Кз зажигательной способности опытного осколочно-фугасного снаряда как произведение коэффициентов световой энергии и интенсивности излучения продуктов взрыва Ксэ·Ки. 2 н.п. ф-лы, 2 ил.
Изобретение относится к области испытания боеприпасов и может быть использовано при определении зажигательного действия снарядов.
Известен способ определения зажигательного действия осколков, заключающийся в стрельбе осколками различной массы, имеющими различные скорости встречи через экран по топливным бакам, находящимся в конструкции самолета, пробивании экрана в виде дюралевой обшивки и формировании мелких раскаленных частиц – раскаленного диспергированного металла, образовании пробоины в топливном баке, осуществлении непосредственного контакта раскаленных частиц и паров выливающегося из пробоины топлива, воспламенении и последущего горения топлива, фиксации факта возгорания и измерении удельного импульса, определении зависимости вероятности воспламенения топливных баков от массы осколков и их скорости в момент удара на основе значений удельного импульса и известной зависимости вероятности зажигания от удельного импульса /1/.
Известно устройство для определения зажигательной способности осколков, которое содержит метательное устройство с осколком, мишенную обстановку, состоящую из экрана и топливного бака, при этом экран выполнен в виде дюралевого листа, установленного перед топливным баком, а также регистратор скорости осколков, регистратор площади поперечного осколка, вычислитель, причем первый и второй входы которого соединены с выходами регистратора скорости осколков и регистратора площади поперечного сечения осколка /1/.
Недостатком данного способа и устройства является невозможность определения зажигательной способности осколочно-фугасного снаряда.
Наиболее близким к изобретению является способ определения зажигательного действия снаряда, заключающийся в стрельбе снарядами через экран по имитатору топливного бака, пробивании экрана в виде дюралевого листа, образовании мелких раскаленных частиц – раскаленного диспергированного металла, образовании пробоины в топливном баке, осуществлении непосредственного контакта раскаленных частиц – раскаленного диспергированного металла, продуктов взрыва, осколков и топлива и паров выливающегося из пробоины топлива, воспламенении и горении топлива, фиксации факта возгорания /2/.
Наиболее близким к изобретению является устройство для определения зажигательной способности осколочно-фугасных снарядов, содержащее опытный снаряд, мишенную обстановку, состоящую из экрана и топливного бака, причем экран выполнен в виде дюралевого листа, установленного перед топливным баком /2/.
Недостатком данных способа и устройства является отсутствие возможности определения количественных значений зажигательной способности снаряда.
Цель изобретения – повышение информативности определения зажигательной способности осколочно-фугасного снаряда за счет измерения коэффициента Кз зажигательной способности осколочно-фугасного снаряда.
Для достижения цели изобретения в способе определения зажигательного действия снаряда, заключающемся в стрельбе снарядами по имитатору топливного бака через экран, пробивании дюралевого листа, образовании мелких раскаленных частиц – раскаленного диспергированного металла, образовании пробоины в топливном баке, осуществлении непосредственного контакта раскаленных частиц – раскаленного диспергированного металла, продуктов взрыва, осколков и паров выливающегося из пробоины топлива, воспламенении и горении топлива, фиксации факта возгорания топлива, дополнительно определяют коэффициент Ксэ световой энергии как отношение времени свечения продуктов взрыва к времени нарастания объема продуктов взрыва осколочного снаряда, определяют коэффициент Ки интенсивности продуктов взрыва как отношение интенсивности излучения опытного и эталонного снарядов, определяют коэффициент Кз зажигательной способности осколочно-фугасного снаряда как произведение коэффициентов световой энергии и интенсивности продуктов взрыва Ксэ·Ки.
Для достижения цели изобретения в устройство для определения зажигательной способности осколочно-фугасного снаряда, содержащее метательное устройство, опытный снаряд, мишенную обстановку, состоящую из экрана и топливного бака, причем экран выполнен в виде дюралевого листа, установленного перед топливным баком, дополнительно введены приемник излучения, оптически согласованный с местом разрыва опытного снаряда, блок обработки сигналов, который состоит из первой и второй дифференцирующей цепи, ограничителя, первого, второго, третьего и четвертого элементов И, первого и второго счетчиков, генератора импульсов, инвертора, первого и второго делителей, интегратора, ключа, аналого-цифрового преобразователя, задатчика эталонного сигнала, умножителя, индикатора и кнопки «Установка нуля», причем выход приемника излучения соединен с первыми входами первого, второго, третьего и четвертого элементов И, соответственно непосредственно, через первую дифференцирующую цепь и ограничитель, а также через инвертор, выход генератора импульсов соединен со вторыми входами первого и второго элементов И, выходы которых соответственно через первый и второй счетчики соединены со вторыми входами соответственно третьего и четвертого элементов И, выходы которых соединены соответственно с первым и вторым входами делителя, кроме того, выход приемника излучения через интегратор, ключ и аналого-цифровой преобразователь соединен с первым входом второго делителя, второй вход которого соединен с выходом задатчика эталонного сигнала, а выход – со вторым входом умножителя, первый вход которого соединен с выходом первого делителя, а выход – со входом индикатора, выход инвертора, кроме того, соединен с первым входом ключа, источник питания через кнопку «Установка нуля», вторую диффренцирующую цепь соединен со вторыми входами первого и второго счетчиков и аналого-цифрового преобразователя.
Новыми признаками, обладающими существенными отличиями по способу, является следующая совокупность действий.
1. Определяют коэффициент Ксэ световой энергии как отношение времени свечения продуктов взрыва осколочного снаряда к времени нарастания объема продуктов взрыва.
2. Определяют коэффициент Ки интенсивности продуктов взрыва как отношение интенсивности излучения опытного и эталонного снарядов.
3. Определяют коэффициент Кз зажигательной способности осколочно-фугасного снаряда как произведение коэффициентов световой энергии и интенсивности продуктов взрыва Ксэ·Ки.
Существенными отличительными признаками по устройству являются новые элементы: приемник излучения, блок обработки сигналов и связи между известными и новыми элементами.
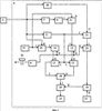
На фиг.1 изображена блок-схема устройства для осуществления способа определения зажигательной системы осколочно-фугасного снаряда.
На фиг.2 – структурная схема блока обработки сигналов.
Устройство содержит метательное устройство 1, опытный снаряд 2, экран 3, топливный бак 4, приемник 5 излучения, оптически согласованный с местом разрыва опытного снаряда 2, блок 6 обработки сигналов, который состоит из первой 7 и второй 8 дифференцирующих цепей, ограничителя 9, первого 10, второго 11, третьего 12 и четвертого 13 элементов И, первого 14 и второго 15 счетчиков, генератора 16 импульсов, инвертора 17, первого 18 и второго 19 делителей, интегратора 20, ключа 21, аналого-цифрового преобразователя 22, задатчика 23 эталонного сигнала, умножителя 24, индикатора 25 и кнопки 26 «Установка нуля». Причем выход приемника 5 излучения соединен с первыми входами первого 10, второго 11, третьего 12 и четвертого 13 элементов И, соответственно непосредственно, через первую 7 дифференцирующую цепь и ограничитель 9, а также через инвертор 17. Выход генератора 13 импульсов соединен со вторыми входами первого 7 и второго 8 элементов И, выходы которых соответственно через первый 14 и второй 15 счетчики соединены со вторыми входами соответственно третьего 12 и четвертого 13 элементов И, выходы которых соединены соответственно с первым и вторым входами делителя 18. Кроме того, выход приемника 5 излучения через интегратор 20, ключ 21 и аналого-цифровой преобразователь 22 соединен с первым входом второго делителя 19, второй вход которого соединен с выходом задатчика 23 эталонного сигнала, а выход – со вторым входом умножителя 21, первый вход которого соединен с выходом первого делителя 18, а выход – со входом индикатора 25. Выход инвертора 17 соединен с первым входом ключа 21. Источник питания через кнопку 26 «Установка нуля», вторую 8 диффренцирующую цепь соединен со вторыми входами первого 14 и второго 15 счетчиков и аналого-цифрового преобразователя 22. Интегратор 20 предназначен для получения общего светового потока, образующегося в результате взрыва опытного осколочно-фугасного снаряда (ОФС).
Ключ 21 предназначен для фиксации момента свечения продуктов взрыва, образующихся в результате взрыва осколочно-фугасного снаряда.
Аналого-цифровой преобразователь 22 предназначен для преобразования аналогово сигнала в цифровой код. Задатчик 23 эталонного сигнала предназначен для выдачи эталонного сигнала, соответствующего импульсу светового потока взрывчатого вещества, принятого за эталонное, и может быть выполнен в виде задатчика цифрового кода.
Способ определения зажигательной способности осколочно-фугасного снаряда осуществляется следующим образом.
Перед проведением опыта производится оптическое согласование приемника 5 излучения с полем разрыва опытного осколочно-фугасного снаряда 2. При нажатии кнопки 26 «Установка нуля» дифференцирующая цепь 8 формирует импульс, переводящий первый 14, второй 15 счетчики и аналого-цифровой преобразователь 22 в исходное состояние. После чего устройство готово к работе.
При срабатывании метательного устройства 1 осуществляется движение опытного снаряда 2 в направлении топливного бака 4, после пробития экрана 3 образуются излучающее облако продуктов взрыва, осколков и раскаленного диспергированного металла, а также пробоина в топливном баке 4. Затем происходит непосредственный контакт продуктов взрыва, осколков, раскаленных частиц и паров выливающегося из пробоины топлива, воспламенение и последущеее горение топлива.
Облако продуктов взрыва, воздействуя на вход приемника 5 излучения, приводит к формированию на его выходе сигнала.
Время измерения свечения продуктов взрыва осуществляется на основе замера длительности импульса, поступающего с выхода приемника 5 на первый вход первого 10 элемента И, через второй вход которого поступают импульсы с выхода генератора 16 импульсов на вход первого 14 счетчика импульсов.
Время формирования светящейся области продуктов взрыва, т.е. время достижения продуктами взрыва предельного объема измеряется на основе измерения длительности положительного импульса с выхода первой 7 дифференцирующей цепи. При воздействии на первую дифференцирующую цепь 7 сигнала, снимаемого с выхода приемника 5 излучения, на ее выходе формируются два разнополярных импульса. Длительность положительного импульса равна времени формирования светящейся области продуктов взрыва, т.е. времени достижения продуктами взрыва предельного объема.
Ограничитель 9 обеспечивает формирование на выходе положительного импульса, равного по длительности времени нарастания фронта сигнала, снимаемого с выхода приемника 5 излучения.
При поступлении сигнала с выхода ограничителя 9 на второй вход элемента И, через его первый вход, импульсы с выхода генератора 16 импульсов поступают на вход второго 15 счетчика, на выходе которого формируется определенный код, пропорциональный времени нарастания фронта сигнала, снимаемого с выхода приемника 5 излучения.
С момента появления сигнала на выходе приемника 3 излучения на выходе инвертора 17 исчезает сигнал, что приводит к закрытию соответственно через первые входы третьего 12 и четвертого 13 элементов И. С исчезновением импульса на выходе приемника 3 излучения на выходе инвертора 17 появится размыкающий сигнал, что позволит пройти соответствующим кодам с выходов первого 14 и второго 15 счетчиков соответственно на первые и вторые входы делителя 18.
На выходе делителя 18 формируется сигнал, равный отношению времени свечения продуктов взрыва к времени достижения продуктами взрыва предельного объема.
Интегратор 20 обеспечивает интегрирование светового потока, образующегося в результате взрыва осколочно-фугасного снаряда 2.
С выхода приемника излучения 5 сигнал через интегратор 20 поступает на первый вход ключа 21, на второй вход которого подается разрешающий сигнал с инвертора 17, сформированный после прекращения свечения продуктов взрыва опытного снаряда 2. С выхода ключа 21 сигнал через аналого-цифровой преобразователь 22 поступает на второй вход делителя 19, на первый вход которого поступает сигнал с выхода задатчика 23 эталонного сигнала. На выходе делителя 19 формируется сигнал, равный отношению интенсивности свечения продуктов взрыва опытного и эталонного снарядов.
На первый и второй входы умножителя 24 поступают сигналы с выходов первого 18 и второго 19 делителей соответственно, равные отношению времени свечения продуктов взрыва к времени достижения продуктами взрыва предельного объема Ксэ и отношению интенсивности свечения продуктов взрыва опытного и эталонного снарядов Ки.
С выхода умножителя 24 сигнал, равный коэффициенту Кз=Ксэ·Ки зажигательной способности снаряда 2, отражается в виде цифровой информации на индикаторе 25.
Применение предлагаемых способа и устройства позволяет повысить достоверность определения зажигательной способности осколочно-фугасных снарядов за счет учета индивидуальных зажигательных особенностей снаряда.
Источники информации
1. А.Н.Дорофеев, А.П.Морозов, Р.С.Саркисян «Авиационные боеприпасы». – М.: ВВИА имени проф. Н.Е.Жуковского, 1978, с.234.
2. Н.Н.Данилов, П.С.Горюшкин, А.Э.Дидыч и другие. «Задания на полигонные работы». – Даугавпилс: Даугавпилсское высшее авиационное инженерное училище противовоздушной обороны имени Я.Фабрициуса, 1977, с.42 (прототип).
Формула изобретения
1. Способ определения зажигательной способности осколочно-фугасного снаряда, включающий стрельбу опытными снарядами по имитатору топливного бака через экран, выполненный в виде дюралевого листа, пробивание экрана, образование мелких раскаленных частиц диспергированного металла, образование пробоины в имитаторе топливного бака, осуществление непосредственного контакта мелких раскаленных частиц диспергированного металла, продуктов взрыва, осколков, паров и выливающегося из пробоины имитатора топливного бака топлива, воспламенение и горение топлива, фиксацию факта возгорания топлива, отличающийся тем, что определяют коэффициент КСЭ световой энергии как отношение времени свечения продуктов взрыва к времени нарастания объема продуктов взрыва опытного осколочно-фугасного снаряда, определяют коэффициент КИ интенсивности излучения продуктов взрыва как отношение интенсивности излучения опытного и эталонного снарядов и определяют коэффициент КЗ зажигательной способности осколочно-фугасного снаряда как произведение коэффициентов световой энергии и интенсивности излучения продуктов взрыва КСЭ КИ.
2. Устройство для определения зажигательной способности осколочно-фугасного снаряда, содержащее метательное устройство, опытный осколочно-фугасный снаряд, мишенную обстановку, состоящую из экрана и топливного бака, причем экран выполнен в виде дюралевого листа, установленного перед топливным баком, отличающееся тем, что оно снабжено приемником излучения, оптически согласованным с местом разрыва опытного снаряда, и блоком обработки сигналов, состоящим из первой и второй дифференциирующей цепи, ограничителя, первого, второго, третьего и четвертого элементов И, первого и второго счетчиков, генератора импульсов, инвертора, первого и второго делителей, интегратора, ключа, аналого-цифрового преобразователя, задатчика эталонного сигнала, умножителя, индикатора и кнопки «Установка нуля», причем выход приемника излучения соединен с первыми входами первого, второго, третьего и четвертого элементов И соответственно, непосредственно через первую дифференцирующую цепь и ограничитель, а также через инвертор, выход генератора импульсов соединен со вторыми входами первого и второго элементов И, выходы которых соответственно через первые входы первого и второго счетчиков соединены со вторыми входами соответственно третьего и четвертого элементов И, выходы которых соединены соответственно с первым и вторым входами первого делителя, выход приемника излучения – через интегратор, второй вход ключа и аналого-цифровой преобразователь соединен с первым входом второго делителя, второй вход которого соединен с выходом задатчика эталонного сигнала, а выход – со вторым входом умножителя, первый вход которого соединен с выходом первого делителя, а выход – со входом индикатора, выход инвертора, кроме того, соединен с первым входом ключа, источник питания – через кнопку «Установка нуля», вторую дифференциирующую цепь соединен со вторыми входами первого и второго счетчиков и аналого-цифрового преобразователя.
РИСУНКИ
|
|