|
|
(21), (22) Заявка: 2008119174/09, 16.05.2008
(24) Дата начала отсчета срока действия патента:
16.05.2008
(46) Опубликовано: 27.08.2009
(56) Список документов, цитированных в отчете о поиске:
RU 97111786 A, 20.06.1999. RU 2183376 C2, 10.06.2002. RU 2255406 C2, 27.06.2005. CA 2564074 A1, 10.04.2008. JP 6133476 A, 13.05.1994.
Адрес для переписки:
109456, Москва, 1-й Вешняковский пр-д, 2, ГНУ ВИЭСХ, О.В. Голубевой
|
(72) Автор(ы):
Стребков Дмитрий Семенович (RU), Подосинников Александр Анатольевич (RU), Подосинников Анатолий Анатольевич (RU)
(73) Патентообладатель(и):
Российская Академия сельскохозяйственных наук Государственное научное учреждение Всероссийский научно-исследовательский институт электрификации сельского хозяйства (ГНУ ВИЭСХ РОССЕЛЬХОЗАКАДЕМИИ) (RU), Стребков Дмитрий Семенович (RU), Подосинников Александр Анатольевич (RU)
|
(54) СПОСОБ И УСТРОЙСТВО ДЛЯ ПЕРЕДАЧИ ЭЛЕКТРОЭНЕРГИИ
(57) Реферат:
Использование: в области электротехники. Технический результат заключается в упрощении генерирующего контура, повышении эффективности и снижении энергетических затрат. Способ заключается в том, что генерирование высоковольтных высокочастотных электромагнитных колебаний, модуляцию и передачу электрической энергии в виде радиосигналов производят в режиме резонанса напряжений, высокочастотные электромагнитные колебания несущей частоты создают путем воздействия магнитного поля постоянных магнитов на уединенную емкость в виде изолированного проводящего тела и присоединяют уединенную емкость к токосъемному электроду, усиливают по напряжению и току высокочастотные электромагнитные колебания в спиральном волноводе путем подачи на вход спирального волновода электромагнитных колебаний от токосъемного электрода через воздушный зазор к приемному электроду внешней ветви спирального волновода и воздействию на спиральный волновод магнитным полем постоянных магнитов, присоединяют внутреннюю ветвь спирального волновода к электронному модулятору и передают модулированную электрическую энергию в виде радиосигнала от передающего электрода через пространство, окружающее электрод, к приемнику потребителя. Также предложено устройство для осуществления способа. 2 н. и 2 з.п. ф-лы, 1 ил.
Изобретение относится к области электротехники, в частности к способу и устройству для передачи электрической энергии.
Известен способ передачи электроэнергии, включающий генерирование высокочастотных электромагнитных колебаний и их последующее излучение в виде электромагнитных волн таким образом, что высокочастотные электромагнитные колебания, генерируемые в передатчике с несущей частотой, в диапазоне радиочастот подвергаются модуляции в соответствии с передаваемым сообщением. От передатчика радиосигнал поступает в передающую антенну, посредством которой в окружающем антенну пространстве возбуждаются модулированные электромагнитные волны. Распространяясь, они достигают приемной антенны и возбуждают в ней гармонические электрические колебания, которые поступают далее в приемник.
Известное устройство для передачи электрической энергии в виде радиосигнала содержит источник электрической энергии, генератор электрических колебаний с самовозбуждением, преобразующий энергию электрического тока в энергию электрических колебаний, усилитель мощности этих колебаний, модулятор, антенну (Лит.: Радиопередающие устройства, под редакцией О.А.Челнокова, М., 1982).
Недостатком известного способа и устройства является невозможность получения достаточно мощных электрических колебаний с высокой стабильностью частоты.
Другим недостатком известного способа и устройства является необходимость использования лучевых антенн большой протяженности для передачи длинноволновых электрических колебаний.
Задачей предлагаемого изобретения является упрощение генерирующего контура, повышение эффективности и снижение энергетических затрат на генерирование электромагнитных волн, а также повышение передаваемой мощности радиосигнала.
Вышеуказанный результат достигается тем, что в способе передачи электроэнергии, включающем генерирование высокочастотных электромагнитных колебаний в передатчике с несущей частотой, в диапазоне частот 1 кГц-100 МГц, модулирование и передачу радиосигнала в передающую антенну, передачу радиосигнала в виде радиоволн к приемной антенне и возбуждение в ней гармонических электрических колебаний и передачу их в приемник потребителя, генерирование высоковольтных высокочастотных электромагнитных колебаний, модуляцию и передачу электрической энергии в виде радиосигналов производят в режиме резонанса напряжений, высокочастотные электромагнитные колебания несущей частоты создают путем воздействия магнитного поля постоянных магнитов на уединенную емкость в виде изолированного проводящего тела и присоединяют уединенную емкость к токосъемному электроду, усиливают по напряжению и току высокочастотные электромагнитные колебания в спиральном волноводе путем подачи на вход спирального волновода электромагнитных колебаний от токосъемного электрода через воздушный зазор к приемному электроду внешней ветви спирального волновода и воздействию на спиральный волновод магнитным полем постоянных магнитов, присоединяют внутреннюю ветвь спирального волновода к электронному модулятору и передают модулированную электрическую энергию в виде радиосигнала от передающего электрода через пространство, окружающее электрод, к приемнику потребителя.
Технический результат достигается также тем, что в предлагаемом устройстве для передачи электрической энергии в диапазоне частот 1 кГц-100 МГц, содержащем источник электрической энергии, генератор электрических колебаний с самовозбуждением, преобразующий энергию электрического тока в энергию электрических колебаний, усилитель мощности этих колебаний, модулятор и антенну, генератор электрических колебаний выполнен в виде механизма вращения вала, на котором закреплена на изоляторе уединенная емкость, уединенная емкость расположена в полюсном пространстве источника магнитного поля постоянных магнитов, в плоскости, перпендикулярной вектору магнитной индукции, к центру вращения уединенной емкости присоединен токосъемный передающий электрод, направленный через воздушный зазор на приемный электрод внешней ветви спирального волновода, спиральный волновод установлен в межполюсном пространстве источников магнитного поля постоянных магнитов, к внутренней ветви спирального волновода присоединен электронный модулятор, передающий модулированную электрическую энергию в виде радиосигнала через антенну в виде передающего трубчатого электрода с активным элементом к антенне приемника радиосигналов потребителя.
В варианте устройства для передачи электрической энергии активный элемент выполнен в виде твердотельного лазера.
В другом варианте устройства для передачи электрической энергии активный элемент выполнен в виде микроволнового генератора.
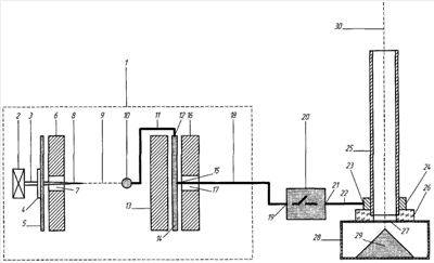
Сущность предлагаемого способа и устройства для передачи электрической энергии в виде радиосигнала в диапазоне частот 1 кГц-100 МГц поясняется чертежом, где представлена общая схема способа и устройства для передачи электрической энергии с использованием задающего генератора несущей частоты в виде изолированной уединенной емкости из проводящего материала и спирального волновода для усиления потенциала и формирования проводящего канала, а также источников магнитного поля постоянных магнитов для возбуждения высокочастотных электромагнитных колебаний на поверхности уединенной емкости и усиления потенциала в спиральном волноводе.
На чертеже задающий генератор 1 несущей частоты выполнен в виде механизма вращения 2 с закрепленным на валу 3 изолятором 4. К изолятору 4 прикреплена уединенная емкость 5. Поверхность уединенной емкости 5 расположена в полюсном пространстве источника магнитного поля 6 постоянного магнита. В точке центра вращения уединенной емкости 5 прикреплен токосъемный передающий электрод 8, который проходит через полость 7 источника магнитного поля 6. Токосъемный передающий электрод 8 направлен через воздушный зазор 9 в сторону приемного электрода 10 внешней ветви 12 спирального волновода 14 с помощью электрической шины 11. Спиральный волновод 14 установлен в межполюсном пространстве источников магнитного поля постоянных магнитов 13, 16. Центральная ветвь 15 спирального волновода 14 с помощью проводника 18, проходящего через полость 17 источника магнитного поля 16, присоединена ко входу 19 электронного модулятора 20, выход 21 которого подключен с помощью электрической шины 22 к месту соединения 23 контактной втулки 24 передающего трубчатого электрода 25. Передающий трубчатый электрод 25 присоединен через электрический изолятор 26 к экранирующей коробке 28, содержащей активный элемент 29 и отверстие 27. Электромагнитные волны расходятся в пространство от передающего трубчатого электрода 25 по проводящему каналу 30.
Способ передачи электроэнергии реализуется следующим образом. При воздействии магнитного поля постоянного магнита 6 на уединенную емкость 5 на уединенной емкости 5 генерируются высокочастотные электромагнитные колебания с амплитудами напряжений, прямо пропорциональных секториальной скорости Vs геометрических точек поверхности вращения уединенной емкости (Vs=uR, где u – орбитальная скорость точки, R – радиус вращения точки), что создает концентрический градиент напряжения, емкостные реактивные токи и токи смещения в пространстве, окружающем поверхность уединенной емкости 5, которые возрастают от центра вращения к краю поверхности уединенной емкости. Изменяя расстояние воздушного зазора 9 между токосъемным электродом 8, проходящим через полость 7 постоянного магнита 6, и приемным электродом 10 внешней ветви 12 спирального волновода 14, подбирают частоту резонанса напряжений в спиральном волноводе 14. Передачу электроэнергии от центральной ветви 15 спирального волновода 14 с помощью проводника 18 через полость 17 постоянного магнита 16 ко входу 19 электронного модулятора 20 и от выхода 21 электронного модулятора 20 с помощью электрической шины 22 к месту подсоединения 23 контактной втулки 24 передающего трубчатого электрода 25 активного элемента 29, заключенного в экранирующую рубашку 28, содержащую отверстие 27, осуществляют с помощью емкостных реактивных токов и токов смещения в пространстве, окружающем электрод 25, от проводящего канала 30, образуемого активным элементом 29, в режиме резонанса напряжений, при согласовании частот уединенной емкости 5 с резонансными частотами спирального волновода 14, изменяя воздушный зазор 9.
Пример выполнения способа и устройства передачи электроэнергии.
Механизм вращения 2 на чертеже имеет номинальную мощность 10 кВА, количество оборотов 10-100 с-1. Уединенная емкость 5 выполнена из медной пластины толщиной 0,005 м в виде диска диаметром 1 м, крепится к валу 3 механизма вращения 2. При вращении уединенной емкости 5 в полюсном пространстве источника магнитного поля 6 с площадью поверхности полюса Sп=1 м2 и индукцией магнитного поля В=9·10-4 Тл, на токосъемном передающем электроде 8 генерируются высокочастотные электромагнитные колебания с номинальной частотой fн=1 кГц-100 МГц. Энергия передается от токосъемного передающего электрода 8 через воздушный зазор 9 на приемный электрод 10 внешней ветви 12 спирального волновода 14 в виде искрового разряда электрического тока силой до 1000 А. Спиральный волновод 14 выполнен из медной ленты толщиной 0,001 м и шириной 0,05 м, с изоляцией между витками 0,001 м. Изменяя зазор между токосъемным электродом 8 и приемным электродом 10, получают частоту резонанса уединенной емкости 5 и спирального волновода 14 при непрерывном искровом разряде в воздушном зазоре 9 между передающим электродом 8 и приемным электродом 10.
Особенностью спирального волновода, расположенного в межполюсном пространстве постоянных магнитов, является его способность работать в режиме резонанса напряжений, накачивая электромагнитную энергию с последующим освобождением запасенной энергии. По существу генератор высокочастотных высоковольтных электромагнитных колебаний 1, выполненный в виде резонансной системы 2-18 с открытым генерирующим контуром, представляет собой аналог мазера, работающего в диапазоне частот 10 кГц-100 МГц при максимально возможной мощности с модуляцией высокочастотных электромагнитных колебаний. Накачка электромагнитной энергии в спиральном волноводе происходит следующим образом. При подаче электроэнергии от токосъемного передающего электрода 8 на приемный электрод 10 внешней ветви 12 спирального волновода 14 с частотой электромагнитных колебаний от 1 кГц до 100 МГц спиральный волновод 14 становится спиральным резонатором в режиме резонанса напряжений.
Формула изобретения
1. Способ передачи электрической энергии, включающий генерирование высокочастотных электромагнитных колебаний в передатчике с несущей частотой, в диапазоне частот 1 кГц-100 МГц, модулирование и передачу радиосигнала в передающую антенну и в виде радиоволн к приемной антенне и возбуждение в ней гармонических электрических колебаний, и передачу их в приемник потребителя, отличающийся тем, что генерирование высоковольтных высокочастотных электромагнитных колебаний, модуляцию и передачу электрической энергии в виде радиосигналов производят в режиме резонанса напряжений, высокочастотные электромагнитные колебания несущей частоты создают путем воздействия магнитного поля постоянных магнитов на уединенную емкость в виде изолированного проводящего тела и присоединяют уединенную емкость к токосъемному электроду, усиливают по напряжению и току высокочастотные электромагнитные колебания в спиральном волноводе путем подачи на вход спирального волновода электромагнитных колебаний от токосъемного электрода через воздушный зазор к приемному электроду внешней ветви спирального волновода и воздействию на спиральный волновод магнитным полем постоянных магнитов, присоединяют внутреннюю ветвь спирального волновода к электронному модулятору и передают модулированную электрическую энергию в виде радиосигнала от передающего электрода через пространство, окружающее электрод, к приемнику потребителя.
2. Устройство для передачи электрической энергии в диапазоне частот 1 кГц-100 МГц, содержащее источник электрической энергии, генератор электрических колебаний с самовозбуждением, преобразующий энергию электрического тока в энергию электрических колебаний, усилитель мощности этих колебаний, модулятор и антенну, отличающееся тем, что генератор электрических колебаний выполнен в виде механизма вращения вала, на котором закреплена на изоляторе уединенная емкость, уединенная емкость расположена в полюсном пространстве источника магнитного поля постоянных магнитов, в плоскости, перпендикулярной вектору магнитной индукции, к центру вращения уединенной емкости присоединен токосъемный передающий электрод, направленный через воздушный зазор на приемный электрод внешней ветви спирального волновода, спиральный волновод установлен в межполюсном пространстве источников магнитного поля постоянных магнитов, к внутренней ветви спирального волновода присоединен электронный модулятор, передающий модулированную электрическую энергию в виде радиосигнала через антенну в виде передающего трубчатого электрода с активным элементом к антенне приемника радиосигналов потребителя.
3. Устройство для передачи электрической энергии по п.2, отличающееся тем, что активный элемент выполнен в виде твердотельного лазера.
4. Устройство для передачи электрической энергии по п.2, отличающееся тем, что активный элемент выполнен в виде микроволнового генератора.
РИСУНКИ
|
|