|
|
(21), (22) Заявка: 2008104448/28, 05.02.2008
(24) Дата начала отсчета срока действия патента:
05.02.2008
(46) Опубликовано: 27.08.2009
(56) Список документов, цитированных в отчете о поиске:
US 2007171397 A1, 26.07.2007. FR 2865545 A1, 29.07.2005. CN 1880969 A, 20.12.2006. SU 1721513 A1, 23.03.1992.
Адрес для переписки:
634055, г.Томск, пр. Академический, 1, Институт оптики атмосферы им. В.Е. Зуева СО РАН
|
(72) Автор(ы):
Матвиенко Геннадий Григорьевич (RU), Поляков Сергий Николаевич (RU), Ошлаков Виктор Константинович (RU)
(73) Патентообладатель(и):
Институт оптики атмосферы им. В.Е. Зуева СО РАН (RU)
|
(54) СПОСОБ ОПРЕДЕЛЕНИЯ СКОРОСТИ РАССЕИВАЮЩЕГО ПРОСТРАНСТВЕННО РАСПРЕДЕЛЕННОГО ОБЪЕКТА И ДОПЛЕРОВСКИЙ НИЗКОКОГЕРЕНТНЫЙ ЛИДАР ДЛЯ ЕГО ОСУЩЕСТВЛЕНИЯ
(57) Реферат:
В группе изобретений генерируемая лазером импульсная волна разделяется светоделителем на две компоненты, одна из которых, зондирующая волна, с помощью антенны направляется в зондируемый объем атмосферы, в то время как другая с помощью фокусатора вводится в КОР и выводится из него в виде частотно-повторяющейся (с периодом Tring) последовательности импульсов, пропускается через оптоволоконный разветвитель и поступает на вход оптоволоконного мультипликатора. В оптоволоконном мультипликаторе указанная частотно-повторяющаяся (с периодом Tring) последовательность внутриволоконных импульсов трансформируется в квазинепрерывную (с медленным экспоненциальным затуханием) внутриволоконную опорную волну, наделенную свойством МВК со временем мультиплицированной временной когерентности м=Tring. Далее с выхода оптоволоконного мультипликатора опорная волна поступает в оптоволоконный разветвитель, пропускается через него и АОМ, оптоволоконный сумматор. В сумматоре опорная волна претерпевает внутриволоконное смешение с сигнальной волной, которая поступает из волоконно-сопряженной приемной антенны, сопрягается с приемной частью оптоволоконного тракта лидара и через оптоволоконный разветвитель вводится в оптоволоконный мультипликатор. В оптоволоконном мультипликаторе внутриволоконная сигнальная волна подвергается мультиплицированию, приобретая при этом свойство МВК, и через оптоволоконный разветвитель поступает в сумматор. В процессе мультиплицирования сигнальной волны каждый ее фрагмент длительностью t1 преобразуется в составной фрагмент длительностью м=Tring и наделяется свойствами МВК. Технический результат – увеличение функциональных возможностей, выражающихся в увеличении дальности зондирования и упрощении схемы, улучшение эксплуатационных характеристик и удешевление лидара. 2 н.п. ф-лы, 1 ил.
Группа изобретений относится к способам и устройствам для определения скорости рассеивающих пространственно распределенных объектов, например для определения профиля скорости ветра в аэрозолесодержащих слоях атмосферы.
Недостаток способа и лидара состоит в том, что для осуществления сплошного (без «слепых зон») зондирования пространственно распределенного рассеивающего объекта (например, аэрозолесодержащих слоев атмосферы) необходимо применение лазера, способного генерировать импульсы прямоугольной формы (что весьма проблематично) в одночастотном режиме (при котором время их когерентности coh не уступает их длительности pulse). Одночастотный режим генерации импульсных ОКГ освоен благодаря применению:
1) внутрирезонаторной селекции продольных мод – в наносекундных твердотельных лазерах;
2) использованию инициирующего внешнего высококогерентного осциллятора (Seeding system) как в наносекундных твердотельных лазерах, так и в волоконных лазерах для диапазона длительностей генерации от субнаносекунд до микросекунд.
Поскольку нижний предел определения скорости, усредненной в разрешаемом зондируемом объеме, лимитируется отношением длины зондирующей волны и длительности ее импульса pulse, то применение одночастотного наносекундного лазера равнозначно снижению разрешения (по скорости) до практически незначимых величин. Кроме того, формирование опорной волны с помощью КОР с наносекундным периодом pulse не целесообразно из-за ее чрезмерно быстрого экспоненциального затухания – свыше (0,1÷0,2)· prob/ pulse, дБ (где prob
Применение же субмикросекундных лазерных источников с Seeding systems, которые традиционно используются в ветровых доплеровских когерентных лидарах для формирования непрерывной опорной волны и образуют до половины стоимости источника, избавляет от необходимости применения КОР для формирования опорной волны и реализации лидара по классической схеме МОРА (Master Oscillator Power Amplifier). Вероятно, по этой причине это техническое решение до сих пор не реализовано.
соh. Для этого исходную лазерную волну в каждом ПМ разделяют на несколько внутриволоконных компонент, придают им временные сдвиги, возрастающие в арифметической прогрессии, и объединяют в составные волны. Общее число ПМ внутриволоконных волновых компонент и суммарный временной сдвиг волнового фронта исходной лазерной волны задают с учетом достижения им значения не ниже заданного предела – времени мультиплицированной когерентности М. При этом шаги арифметических прогрессий ПМ образуют возрастающую последовательность, в которой наименьший ее член не превосходит длительности когерентного цуга лазера
coh, а каждый последующий равен максимальному временному сдвигу волнового фронта в ПМ, соответствующем предыдущему члену последовательности.
Для придания опорной волне и зондирующей волне указанных свойств используется оптоволоконный мультипликатор, состоящий из нескольких однотипных по топологии оптоволоконных схем мультиплицирования. При этом каждая из них, по крайней мере, содержит входной пассивный оптоволоконный разветвитель с подключенными к его выходным портам оптоволоконными линиями задержки (ОЛЗ). Схема мультиплицирования может завершаться выходным оптоволоконным разветвителем, осуществляющим объединение мощности внутриволоконных пучков, либо может быть подключенной к входным портам выходного оптоволоконного разветвителя типа «звезда» последующей схемы мультиплицирования, который в этом случае совмещает роли объединителя и разделителя мощности внутриволоконных компонент.
Недостатком вышеописанного способа и реализующего его устройства является то, что формирование составного субмикросекундного/микросекундного импульса операциями мультиплицирования происходит непосредственно на стадии подготовки зондирующего импульса. Большая (в интересах увеличения дальности зондирования) выходная мощность лазера, оптически сопряженного с оптоволоконным мультипликатором, диктует необходимость его построения на основе устойчивых к соляризации и имеющих высокий порог лазерного разрушения многомодовых оптоволокон большого диаметра (так называемых High-Power Density Fibers) и многомодовых пассивных оптоволоконных разветвителей, предназначенных для работы с потоками высокой мощности. Причем это сопряжено с потерями исходной мощности лазера.
=1064 нм), а коэффициент потерь энергии достигает значения 19=0,9. При описанной топологии оптоволоконного мультипликатора коэффициент потерь энергии в нем OM<0,94 0,66. В совокупности это указывает на весьма ограниченную область практической применимости такой реализации технического решения.
4 раз по порогу лазерного разрушения), пропускная мощность рассматриваемого оптоволоконного мультипликатора может быть гипотетически (при условии равенства порогов лазерного разрушения волокон и места их сплавления в ОР) доведена значения 0,2·4·104 кВт=8 МВт. В этом случае энергия зондирования при рrob= М~1 мкс может достигать значений Ерrоb=0,66·8 МВт·мкс=5,28 Дж. С учетом того, что имеются промышленно освоенные, коммерческие и технически совершенные наносекундные Nd:YAG-лазеры с выходной энергией Epulse~1 Дж (как одночастотные или допускающие внутрирезонаторную селекцию продольных мод), это решение может быть перспективным. Естественно, что это сопряжено с необходимостью принудительного охлаждения оптоволоконного разветвителя, удорожанием оптоволоконного мультипликатора, в частности, и самого лидара, в целом.
Кроме того, реализация оптоволоконного мультипликатора на основе многомодовых элементов не обеспечивает сохранения в зондирующей волне (и, соответственно, в сигнальной) исходных поляризационных характеристик лазерного импульса. В результате при детектировании внутриволоконно-смешанных опорной и сигнальной волн возможны дополнительные энергопотери. Для их предотвращения в способе (и реализующем его лидаре) перед детектированием предусмотрены затратные и усложняющие способ и лидар операции: такие как деполяризация смешанных опорной и сигнальной волн (применением волоконно-сопряженного деполяризатора), последующая их поляризация, разделение на ортогональные поляризационные компоненты (применением волоконно-сопряженного поляризационного делителя) и направление последних в независимые фотоприемные каналы волоконно-сопряженного балансного фотоприемника.
Задача заявляемой группы изобретений состоит в трансформации когерентных свойств оптического излучения для обеспечения возможности когерентного гетеродинирования сигнальной волны с доплеровским смещением спектра во временных интервалах, многократно превосходящих время когерентности и длительность генерации источника излучения.
Основным техническим результатом является увеличение функциональных возможностей, выражающихся в увеличении дальности зондирования и упрощении схемы, улучшение эксплуатационных характеристик и удешевление лидара.
Основной технический результат достигается тем, что в способе определения скорости рассеивающего пространственно распределенного объекта, заключающемся в том, что объект зондируют импульсной оптической когерентной волной, сигнальную волну, рассеянную объектом и имеющую доплеровское смещение спектра, и опорную волну затем подвергают внутриволоконному смешению, причем одну из волн подвергают еще и предварительной частотной модуляции, и направляют волны в фотоприемник и полученную частотную характеристику фототока фотоприемника используют для определения компоненты скорости объекта в направлении его зондирования, усредненной в пределах его разрешаемого зондируемого объема, при этом как сигнальную, так и опорную волну в процессе предварительного и одновременного мультиплицирования наделяют свойством мультиплицированной временной когерентности, при котором произвольные волновые фронты обеих волн многократно воспроизводят волновой фронт исходного лазерного импульса с периодом, не превосходящим длительность когерентного цуга лазера, причем в процессе мультиплицирования волн их преобразуют во множество пространственно разделенных внутриволоконных волновых компонент, подвергают последовательным преобразованиям мультиплицирования, в процессе которых им придают временные сдвиги, возрастающие в арифметической прогрессии, и объединяют, при этом общее число мультиплицирующих преобразований внутриволоконных волн и суммарный временной сдвиг волнового фронта исходной волны задают с учетом достижения им значения, равного временному периоду кольцевого оптоволоконного резонатора, а шаги арифметических прогрессий преобразований образуют возрастающую последовательность, в которой наименьший ее член не превосходит длительности когерентного цуга источника волны, а каждый последующий равен максимальному временному сдвигу волнового фронта в преобразовании, соответствующем предыдущему члену последовательности, причем все перечисленные операции выполняют, по крайней мере, для трех независимых направлений зондирования и полученные для них компоненты скорости используют для определения скорости объекта, согласно предложенному решению процесс мультиплицирования осуществляют непосредственно по отношению к внутриволоконной сигнальной волне и к волне, выделенной из исходной лазерной волны и пропускаемой через кольцевой оптоволоконный резонатор с временным периодом, равным времени мультиплицированной временной когерентности сигнальной волны, превращая ее в результате мультиплицирования в квазинепрерывную опорную волну, причем мультиплицирование сигнальной волны и волны, выводимой из оптоволоконного кольцевого резонатора, осуществляют при противонаправленном их пропуске через оптоволоконный мультипликатор и после этого подвергают их внутриволоконному смешению.
Основной технический результат достигается также тем, что в доплеровском низкокогерентном лидаре, состоящем из импульсного лазера, сопряженных с ним сканирующей передающей оптической антенны и кольцевого оптоволоконного резонатора, а также из волоконно-сопряженных сканирующей приемной оптической антенны и фотоприемника, акустооптического модулятора опорной волны, оптоволоконного мультипликатора и оптоволоконного сумматора опорной и сигнальной волн, при этом оптоволоконный мультипликатор включает цепочку последовательно соединенных оптоволоконных схем мультиплицирования, каждая из которых составлена пассивным оптоволоконным разветвителем и подключенными к его выходным портам параллельными оптоволоконными линиями задержки, причем в первой схеме входной разветвитель имеет единственный входной порт, а в остальных схемах он выполнен по типу «звезда», последняя из схем дополнительно содержит выходной пассивный оптоволоконный разветвитель, подключенный через свои выходные к ее линиям задержки и имеющий единственный выходной порт, при этом общее число схем мультиплицирования и количество содержащихся в них оптоволоконных задержек и постоянные их времени заданы с учетом реализации суммарных временных сдвигов волновых фронтов мультиплицируемых волн значения, равного временному периоду кольцевого оптоволоконного резонатора, согласно предложенному решению лазер оптически сопряжен с оптической передающей антенной и с кольцевым оптоволоконным резонатором, исполненный на основе пассивных трех- и четырехполюсных оптоволоконных разветвителей оптоволоконный мультипликатор через входной и выходной разветвители соединен с входами дополнительно введенных пассивных оптоволоконных разветвителей с неравномерными коэффициентами деления и конфигураций портов 1*2, реализующие большее значение коэффициента выходы которых подключены к входам сумматора опорной и сигнальной волн, соединенного с фотоприемником, а к реализующим меньшие значения коэффициента деления выходам соединенных с мультипликатором разветвителей подключены соответственно кольцевой оптоволоконный резонатор и приемная оптическая антенна, причем кольцевой оптоволоконный резонатор выполнен из сохраняющих поляризацию, а остальная часть оптоволоконного тракта лидара выполнена из одномодовых волоконных элементов, при этом акустооптический модулятор установлен на участке оптоволоконного тракта между мультипликатором и сумматором опорной и сигнальной волн.
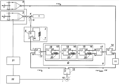
На чертеже приведена блок-схема варианта исполнения заявляемого доплеровского низкокогерентного лидара.
Доплеровский низкокогерентный лидар включает импульсный лазер 1 и оптически сопряженные с ним сканирующую передающую оптическую антенну 2 и КОР 3, для сопряжения с которым применяется светоделитель 4 и линзовый фокусатор 5. КОР 3 состоит из 4-полюсного пассивного оптоволоконного разветвителя 6 с конфигурацией портов 2*2, реализующего разделение/объединение внутриволоконных пучков с отношением 5:95 (по мощности), и оптоволоконными линиями задержки 7. Оптоволоконный разветвитель 6 с такой конфигурацией портов относится к классификации оптоволоконный разветвитель типа «звезда». КОР 3 и его входной и выходной оптоволоконные кабели исполнены из сохраняющих поляризацию оптоволоконных элементов и волокон. В лидар входят оптоволоконный мультипликатор 8, сканирующая приемная оптическая антенна 9, фотоприемник 10, волоконно-сопряженный АОМ 11, сумматор опорной и сигнальной волн 12 (выполненный как пассивный оптоволоконный разветвитель с конфигурацией портов 2*1 или с конфигурацией 2*2 – для случая применения балансного приемника) и пассивные оптоволоконные разветвители 13 и 14 с конфигурацией портов 2*1, подключенные соответственно к входу и выходу оптоволоконного мультипликатора 8. Все элементы этой части оптоволоконного тракта лидара имеют одномодовое исполнение. Оптоволоконный мультипликатор 8 включает последовательно соединенные входную схему мультиплицирования 15 и 16 в количестве (М-1), а также выходной пассивный 1 оптоволоконный разветвитель 17 с конфигурацией портов 2*1, подключенный через свои входные порты к последней схеме мультиплицирования 16 оптоволоконного мультипликатора 8. Схемы мультиплицирования состоят из оптоволоконного разветвителя 18 (в первой схеме 15) с конфигурацией портов 1*2 или оптоволоконных разветвителей 19 (в остальных схемах 16) с конфигурацией портов 2*2 с отношением коэффициентов деления 50:50 и оптоволоконных линий задержки 20, подключенных к входному порту оптоволоконного разветвителя следующей схемы мультиплицирования (или к входному порту выходного оптоволоконного разделителя 17 для случая последней схемы мультиплицирования 16). При этом вторые выходные порты оптоволоконного разветвителя 19 каждой схемы мультиплицирования 15 и 16 (кроме последней) напрямую подключены ко второму входному порту оптоволоконного разветвителя 19 следующей схемы мультиплицирования (или к входному порту выходного оптоволоконного разветвителя 17 для случая последней схемы мультиплицирования).
Пассивные оптоволоконные разветвители 13 и 14 (с конфигурацией портов 2*1), подключенные соответственно к входу и выходу оптоволоконного мультипликатора 8, имеют соотношение коэффициентов деления 1:99. При этом порты, реализующие меньшие значения коэффициента деления, подключены соответственно КОР 3 и приемной оптической антенне 9. Напротив, порты, реализующие меньшие значения коэффициента деления, сопряжены с входными портами сумматора опорной и сигнальной волн 12. При этом акустооптический модулятор может быть установлен между оптоволоконным мультипликатором 8 и сумматором 12, как после оптоволоконного разветвителя 13, так и после оптоволоконного разветвителя 14. Для управления и контроля антенн в составе лидара используется система их управления 21, функционально связанная с процессором 22. Последний электрически соединен системой 21 и фотоприемником 10.
Способ определения скорости рассеивающего пространственно распределенного объекта, реализуемый с помощью предложенного лидара, осуществляется следующим образом. Генерируемая лазером 1 импульсная волна разделяется светоделителем 4 на две компоненты, одна из которых, зондирующая волна, с помощью антенны 2 направляется в зондируемый объем атмосферы, в то время как другая с помощью фокусатора 5 вводится в КОР 3 и выводится из него в виде частотно-повторяющейся (с периодом Тring) последовательности импульсов, пропускается через оптоволоконный разветвитель 13 и поступает на вход оптоволоконного мультипликатора 8. В оптоволоконном мультипликаторе 8 указанная частотно-повторяющаяся (с периодом Tring) последовательность внутриволоконных импульсов трансформируется в квазинепрерывную (с медленным экспоненциальным затуханием) внутриволоконную опорную волну, наделенную свойством МВК со временем мультиплицированной временной когерентности М=Tring. Далее с выхода оптоволоконного мультипликатора опорная волна поступает в оптоволоконный разветвитель 14 пропускается через него и АОМ 11, приобретая при этом частотный опорный сдвиг АОМ, и направляется в установленный на входе фотоприемника 10 оптоволоконный сумматор 12. В сумматоре оптоволоконный мультипликатор 8 претерпевает внутриволоконное смешение с сигнальной волной, являясь результатом рассеянии на аэрозоли зондируемого объема атмосферы и приобретающая при этом частотный доплеровский сдвиг D(t)=2·V||(t)/ (где V|| – скорость ветра в зондируемом объеме атмосферы в направлении распространения зондирующей волны), поступает в приемную антенну 9, сопрягается с приемной частью оптоволоконного тракта лидара и через оптоволоконный разветвитель 14 вводится в оптоволоконный мультипликатор 8. В оптоволоконном мультипликаторе 8 внутриволоконная сигнальная волна подвергается мультиплицированию, приобретая при этом свойство МВК, и поступает в сумматор 12, в котором смешивается с опорной волной. В процессе мультиплицирования сигнальной волны каждый ее фрагмент длительностью t1, лимитируемой условием 2, который можно рассматривать как изолированный импульс, наделяется свойствами мультиплицированной временной когерентности, благодаря которым он становится взаимно когерентным с синхронным ему фрагментом мультиплицированной опорной волны. В результате реализуется условие когерентного квадратичного детектирования сигнальной волны, позволяющее выделить частоту биений ( АОМ– D) из фототока приемника 10, являющуюся целевым параметром измерений и позволяющую определить V||.
При построении лидара на описанных принципах его сигнал из произвольной точки зондируемого объема может быть когерентно детектирован в пределах интервала Tring, равного временному периоду КОР, а суммарный ток фотоприемника в каждый момент времени будет усредненно характеризовать весь разрешаемый зондируемый объем протяженностью, лимитируемой тем же периодом.
Постоянную времени оптоволоконной линии задержки 7 КОР Tring задают с учетом требуемого разрешения скорости:

где
Tring – постоянная времени оптоволоконных линий задержки КОР;
V||min – порог разрешения измеряемых скоростей;
– длина волны зондирования.
Для реализации разрешения лидара по скорости V||min 0,5 м/с в варианте реализации лидара на основе Nd:YAG-лазера ( =1064 нм) мультипликатор 8 должен удовлетворять условиям t1=0,977 нc и М=10. Коэффициент потерь энергии при мультиплицировании опорной волны и сигнальной волны в оптоволоконном мультипликаторе 8 с учетом потерь в оптоволоконных разветвителях 13, 14 и в сумматоре 12 составит значение sum, дБ=(М+2)· OP, дБ=0,72 (где OP=0,06 дБ – коэффициент потерь трех- и четырехполюсного одномодового оптоволоконного разветвителя высшей категории).
Число схем мультиплицирования М и постоянные времени оптоволоконных линий задержки tj ( ) задают с учетом условия:

В частности для получения времени мультиплицированной когерентности M=1 мкc при использовании лазера с coh=0,977 нc (длина когерентности ~29 см) – тоже перенести в описание реализации способа.
Представляется важным отметить, что нижний предел чувствительности измерений скорости V|| может задаваться конструктивным параметром лидара (временным периодом КОР Tring), а не длительностью зондирующих импульсов рrоb. Кроме того, в этой характеристике такой лидар не уступает когерентным лидарам с микросекундными зондирующими импульсами, реализуемым по схеме МОРА на базе промышленно неосвоенных и весьма дорогостоящих лазерных излучателей.
Для определения вектора скорости описанная последовательность операций выполняется, по крайней мере, для трех направлений зондирования, программно задаваемых системой управления сканирующих передающей и приемной антенн. Векторы направлений зондирования и приема сигнальной волны задаются и контролируются этой же системой, функционально связанной исполнительным процессором лидара, осуществляющим вычисление вектора скорости ветра.
Таким образом, по сравнению с прототипом заявляемая группа изобретений позволяет:
1) увеличить функциональные возможности, выражающиеся в увеличении дальности зондирования за счет:
– увеличения пропускной мощности мультипликатора,
– снижения энергопотерь при мультиплицировании;
– возможности комплексного использования лидара для контроля пространственно-временного распределения аэрозольных загрязнений атмосферы с пространственным разрешением уровня загрязнений, лимитируемым наносекундной длительностью зондирующих импульсов в сочетании с гетеродинным усилением СВ);
2) упростить схему, улучшить эксплуатационные характеристики и удешевить лидар за счет:
– исключения «цепочки деполяризатор – поляризатор», устраняющей в прототипе в интересах снижения энергопотерь при детектировании последствия усложнения поляризационной характеристики зондирующей волны в процессе формирования составного импульса многомодовым оптоволоконным мультипликатором;
– отсутствия необходимости охлаждения оптоволоконного тракта лидара ввиду значительного снижения требований к его пропускной мощности;
– увеличения срока эксплуатации оптоволоконного тракта лидара вследствие снижения плотностей мощности, циркулирующих в нем внутриволоконных пучков;
– снижения требований к энергетике лазера для реализации заданной дальности зондирования вследствие снижения энергопотерь при мультиплицировании.
Кроме того, возможно измерение скорости пространственно распределенного объекта (измерения скорости ветра, в частности) с использованием наносекундных лазеров, достигая при этом разрешения по скорости, обеспечиваемого при применении микросекундных лазеров. Применительно к ветровым доплеровским когерентным лидарам решение поставленной задачи равнозначно возможности их реализации на основе промышленно освоенных, технически совершенных и недорогих низкокогерентных (с длиной когерентности >20 см) наносекундных твердотельных лазеров вместо традиционно применяемых субмикросекундных высококогерентных лазерных излучателей, реализуемых по схеме МОРА. Последние в силу технической сложности их конструкции в настоящее время не имеют промышленного освоения и коммерческой привлекательности для потенциальных потребителей ветровых лидаров – метеорологических служб, авиации, космического приборостроения и т.д.
Формула изобретения
1. Способ определения скорости рассеивающего пространственно распределенного объекта, заключающийся в том, что объект зондируют импульсной оптической когерентной волной, сигнальную волну, рассеянную объектом и имеющую доплеровское смещение спектра, и опорную волну затем подвергают внутриволоконному смешению, причем одну из волн подвергают еще и предварительной частотной модуляции и направляют волны в фотоприемник и полученную частотную характеристику фототока фотоприемника используют для определения компоненты скорости объекта в направлении его зондирования, усредненной в пределах его разрешаемого зондируемого объема, при этом как сигнальную, так и опорную волну в процессе предварительного и одновременного мультиплицирования наделяют свойством мультиплицированной временной когерентности, при котором произвольные волновые фронты обеих волн многократно воспроизводят волновой фронт исходного лазерного импульса с периодом, не превосходящим длительность когерентного цуга источника волны, причем в процессе мультиплицирования волн их преобразуют во множество пространственно разделенных внутриволоконных волновых компонент, подвергают последовательным преобразованиям мультиплицирования, в процессе которых им придают временные сдвиги, возрастающие в арифметической прогрессии, и объединяют, при этом общее число мультиплицирующих преобразований внутриволоконных волн и суммарный временной сдвиг волнового фронта исходной волны задают с учетом достижения им значения, равного временному периоду кольцевого оптоволоконного резонатора, а шаги арифметических прогрессий преобразований образуют возрастающую последовательность, в которой наименьший ее член не превосходит длительности когерентного цуга источника волны, а каждый последующий равен максимальному временному сдвигу волнового фронта в преобразовании, соответствующем предыдущему члену последовательности, причем все перечисленные операции выполняют, по крайней мере, для трех независимых направлений зондирования и полученные для них компоненты скорости используют для определения скорости объекта, отличающийся тем, что процесс мультиплицирования осуществляют непосредственно по отношению к внутриволоконной сигнальной волне и к волне, выделенной из исходной лазерной волны и пропускаемой через кольцевой оптоволоконный резонатор с временным периодом равным времени мультиплицированной временной когерентности сигнальной волны, превращая ее в результате мультиплицирования в квазинепрерывную опорную волну, причем мультиплицирование сигнальной волны и волны, выводимой из кольцевого оптоволоконного резонатора, осуществляют при противонаправленном их пропуске через оптоволоконный мультипликатор, и после этого подвергают их внутриволоконному смешению.
2. Доплеровский низкокогерентный лидар, состоящий из импульсного лазера, сопряженных с ним сканирующей передающей оптической антенны и кольцевого оптоволоконного резонатора, а также из волоконно-сопряженных сканирующей приемной оптической антенны и фотоприемника, акустооптического модулятора опорной волны, оптоволоконного мультипликатора и оптоволоконного сумматора опорной и сигнальной волн, при этом оптоволоконный мультипликатор включает цепочку последовательно соединенных оптоволоконных схем мультиплицирования, каждая из которых составлена пассивным оптоволоконным разветвителем и подключенными к его выходным портам параллельными оптоволоконными линиями задержки, причем в первой схеме входной разветвитель имеет единственный входной порт, а в остальных схемах он выполнен по типу «звезда», последняя из схем дополнительно содержит выходной пассивный оптоволоконный разветвитель, подключенный через свои выходные к ее линиям задержки и имеющий единственный выходной порт, при этом общее число схем мультиплицирования и количество содержащихся в них оптоволоконных линий задержек и постоянные их времени заданы с учетом реализации суммарных временных сдвигов волновых фронтов мультиплицируемых волн значения равного временному периоду кольцевого оптоволоконного резонатора, отличающийся тем, что лазер оптически сопряжен со сканирующей передающей оптической антенной и с кольцевым оптоволоконным резонатором, исполненный на основе пассивных трех- и четырехполюсных оптоволоконных разветвителей оптоволоконный мультипликатор через входной и выходной разветвители соединен с входами дополнительно введенных пассивных оптоволоконных разветвителей с неравномерными коэффициентами деления и конфигураций портов 1*2, реализующие большее значение коэффициента, выходы которых подключены к входам оптоволоконного сумматора опорной и сигнальной волн, соединенного с фотоприемником, а к реализующим меньшие значения коэффициента деления выходам соединенных с оптоволоконным мультипликатором разветвителей подключены соответственно кольцевой оптоволоконный резонатор и сканирующая приемная оптическая антенна, причем кольцевой оптоволоконный резонатор выполнен из сохраняющих поляризацию, а остальная часть оптоволоконного тракта лидара выполнена из одномодовых волоконных элементов, при этом акустооптический модулятор, установлен на участке оптоволоконного тракта между оптоволоконным мультипликатором и оптоволоконным сумматором опорной и сигнальной волн.
РИСУНКИ
|
|