Патент на изобретение №2365835

Published by on




РОССИЙСКАЯ ФЕДЕРАЦИЯ



ФЕДЕРАЛЬНАЯ СЛУЖБА
ПО ИНТЕЛЛЕКТУАЛЬНОЙ СОБСТВЕННОСТИ,
ПАТЕНТАМ И ТОВАРНЫМ ЗНАКАМ
(19) RU (11) 2365835 (13) C1
(51) МПК

F25J3/00 (2006.01)
F17D1/02 (2006.01)

(12) ОПИСАНИЕ ИЗОБРЕТЕНИЯ К ПАТЕНТУ

Статус: по данным на 18.08.2010 – действует

(21), (22) Заявка: 2008112787/06, 02.04.2008

(24) Дата начала отсчета срока действия патента:

02.04.2008

(46) Опубликовано: 27.08.2009

(56) Список документов, цитированных в отчете о
поиске:
БЕКИРОВ Т.М., ЛАНЧАКОВ Г.А. Технология обработки газа и конденсата. – М.: Недра, 1999, с.289-290. RU 99104108 А, 10.01.2002. SU 1066299 A, 30.12.1984. RU 2294429 C1, 27.02.2007. RU 2199053 C1, 20.02.2003. GB 2153249 A, 21.08.1985.

Адрес для переписки:

350051, г.Краснодар, ул. Гаражная, 156, ОАО “НПО “Промавтоматика”, технический отдел, А.Ф. Поезжаеву

(72) Автор(ы):

Запорожец Евгений Петрович (RU),
Корженко Михаил Александрович (RU),
Лихачев Алексей Васильевич (RU)

(73) Патентообладатель(и):

Открытое акционерное общество “НПО “Промавтоматика” (RU)

(54) СПОСОБ ПОДГОТОВКИ УГЛЕВОДОРОДНОГО ГАЗА К ТРАНСПОРТУ С СЕВЕРНЫХ МОРСКИХ МЕСТОРОЖДЕНИЙ

(57) Реферат:

Изобретение относится к способам низкотемпературной подготовки многокомпонентных углеводородных газов путем выделения конденсируемых паров воды и жидких углеводородов при температуре минус 50-60°С. В способе подготовки углеводородного газа к транспорту с северных морских месторождений, включающем охлаждение газа путем рекуперации холода подготовленного газа и использования процессов изоэнтальпийного или изоэнтропийного расширения, сепарацию конденсата из охлажденного газа, дегазацию конденсата, эжектирование газа, выделившегося в процессе дегазации, подготавливаемым газом с повышением давления их смеси, раздельный отвод подготовленных газа и конденсата, исходный газ дополнительно дважды охлаждают: первый раз – перед рекуперацией жидкостью, второй – после рекуперации смесью газов перед повышением ее давления, после второго дополнительного охлаждения от газа отделяют конденсат, после чего газ используют в качестве эжектирующего и, при необходимости, в изоэнтропийном процессе расширения, а избыток тепла от жидкости передают окружающей среде. Технический результат – повышается эффективность подготовки углеводородного газа, путем увеличения выхода конденсируемых углеводородных компонентов за счет снижения температуры охлаждения подготавливаемого газа минус 50-60°С и углеводородного конденсата, путем его дегазации при давлениях не ниже 4,0 МПа. 7 з.п. ф-лы, 9 ил.

Изобретение относится к способам низкотемпературной подготовки многокомпонентных углеводородных газов путем выделения конденсируемых паров воды и жидких углеводородов при температуре минус 50-60°С и может быть использовано в газовой и нефтяной промышленности для подготовки газов к транспорту преимущественно с северных морских месторождений.

Известен способ подготовки углеводородного газа к транспорту (Т.М.Бекиров и Г.А.Ланчаков. Технология обработки газа и конденсата. – М.: Недра – 1999, с.305, 306). Способ включает использование изоэнтальпийного процесса (интегрального дроссель-эффекта) для охлаждения исходного газа, сепарацию конденсата из охлажденного газа, раздельный отвод подготовленного газа и конденсата, рекуперацию холода подготовленного газа исходным газом. Газ при подготовке описанным способом имеет следующие параметры: после процесса рекуперации холода давление 12 МПа и температуру минус 10°С, после изоэнтальпийного расширения давление 7,5 МПа и температуру минус 30°С. Однако для дальнего транспорта газа, особенно с северных морских месторождений, такое охлаждение недостаточно. Это обусловлено низкой степенью извлечения жидких углеводородов при такой температуре охлаждения. Кроме того, к недостаткам этого способа относятся дополнительные затраты энергии на сжатие газа, выделяющегося в процессе подготовки конденсата к транспорту, т.е. в процессе его дегазации.

Для обеспечения дальнего транспорта газа с северных морских месторождений требуется извлекать из подготавливаемого газа жидкие углеводороды на температурном уровне минус 50-60°С.

Задача утилизации газов, выделяющихся при дегазации конденсата, решается в способе подготовки углеводородного газа к транспорту (Т.М.Бекиров и Г.А.Ланчаков. Технология обработки газа и конденсата. – М.: Недра, 1999, с.289, 290). Этот способ включает охлаждение газа в рекуперативном теплообменнике холодом подготовленного газа и путем использования изоэнтальпийного (интегрального дроссель-эффекта) процесса расширения, сепарацию конденсата из охлажденного газа, дегазацию конденсата с эжектированием газа, выделившегося при дегазации, в подготавливаемый газ, раздельный отвод подготовленных газа и конденсата. Однако основной недостаток – низкая степень охлаждения газа до температур порядка минус 30°С, сохраняется и в описанном способе.

Этот недостаток частично устраняется в способе подготовки углеводородного газа (Т.М.Бекиров и Г.А.Ланчаков. Технология обработки газа и конденсата. – М.: Недра, 1999, с.315). Данный способ включает охлаждение газа в рекуперативном теплообменнике холодом подготовленного газа и путем использования изоэнтропийного процесса расширения газа (в турбине с совершением работы по сжатию подготовленного газа), сепарацию конденсата из охлажденного газа, дегазацию конденсата, смешение газа, выделившегося из последнего с подготовленным газом, раздельный отвод подготовленных газа и конденсата, сжатие подготовленного газа при его отводе. Газ при подготовке описанным способом имеет следующие параметры: после процесса рекуперации холода давление 12 МПа и температуру минус 10°С, после изоэнтропийного расширения давление 6,0 МПа и температуру минус 46,3°С; после сжатия – давление 7,64 МПа и температуру минус 32°С. Однако для дальнего транспорта газа, особенно с северных морских месторождений, такого охлаждения недостаточно. Кроме того, при реализации этого способа не производится требуемая дегазация конденсата, которая должна выполняться при давлении не менее 4,0 МПа. Трубопроводный транспорт нестабильного конденсата на большие расстояния проблематичен.

Задача, решаемая предлагаемым изобретением, заключается в повышении эффективности подготовки углеводородного газа, путем увеличения выхода конденсируемых углеводородных компонентов за счет снижения температуры охлаждения подготавливаемого газа минус 50-60°С и углеводородного конденсата, путем его дегазации при давлениях не ниже 4,0 МПа.

Способ подготовки углеводородного газа к транспорту с северных морских месторождений включает охлаждение газа путем рекуперации холода подготовленного газа, сепарацию конденсата из охлажденного газа, дегазацию конденсата, эжектирование газа, выделившегося в процессе дегазации, подготавливаемым газом с повышением давления их смеси, раздельный отвод подготовленных газа и конденсата.

Новое, что отличает заявляемый способ от известного, состоит в том, что исходный газ дополнительно дважды охлаждают: первый раз – перед рекуперацией жидкостью, второй – после рекуперации смесью газов перед повышением ее давления, после второго дополнительного охлаждения от газа отделяют конденсат, после чего газ используют в качестве эжектирующего, а избыток тепла от жидкости передают окружающей среде. Дополнительно газы подготавливают по изоэнтропийному процессу расширения. Дополнительно газы подготавливают по изоэнтальпийному процессу расширения. После повышения давления смеси эжектируемого и эжектирующего газов ее объединяют с газом после изоэнтропийного расширения. Газы, подготовленные по изоэнтальпийному и изоэнтропийному процессам, объединяют при подаче потребителю. При охлаждении жидкость перемещают нагнетанием по замкнутому контуру, а тепло от жидкости используют для технических и/или бытовых нужд. В качестве охлаждающей жидкости и/или окружающей среды используют морскую воду. Охлаждающую морскую воду подают принудительно или конвекцией.

Технический прием дополнительного двойного охлаждения исходного газа позволяет более глубоко охладить исходный газ и, в конечном итоге, снизить температуру подготавливаемого газа.

Технический прием первичного охлаждения исходного газа жидкостью перед рекуперацией позволяет уменьшить температуру исходного газа от начальной величины, которая обычно находится в пределах 30-40°С до 2-3°С в зимний период и 5-7°С в летний период.

Технический прием охлаждения исходного газа смесью газов перед повышением ее давления позволяет предварительно более глубоко охладить исходный газ. Это связано с тем, что в процессе эжектирования движущаяся смесь газов имеет высокие скорости, при которых, согласно термодинамике, статическая температура смеси тем ниже, чем выше скорость.

На фиг.1 графически представлено изменение величины отношения статической температуры Т смеси к начальной температуре Т* эжектирующего газа от числа Маха, которое является отношением скорости W движения смеси к ее местной скорости звука в потоке. Скорость движения смеси газов в процессе эжекции зависит от величины отношения давления Рв исходного эжектирующего газа к давлению Р эжектируемого газа – газа дегазации.

На фиг.2 представлена графическая зависимость изменения числа Маха от отношения Рв/Р при постоянной величине, равной 1,6, отношения давления исходного газа Рв=12,0 МПа к полному давлению смеси Рс=7,5 МПа, т.е. полному давлению смеси в конце процесса эжекции.

На фиг.3 представлены графические зависимости «А» и «Б» величины отношения массового расхода эжектируемого газа G к массовому расходу исходного эжектирующего газа Gв от величины отношения давления Рв исходного эжектирующего газа к давлению Р эжектируемого газа – газа дегазации. График «А» при Рв=12,0 МПа, Рс=6,0 МПа, график «Б» при Рв=12,0 МПа Рс=7.5 МПа.

Технический прием отделения конденсата от газа после дополнительного второго охлаждения позволяет улучшить процессы изоэнтальпийного или изоэнтропийного расширения газа и, как следствие, понизить температуру на 2-3°С.

Технический прием использования газа в качестве эжектирующего после его охлаждения смесью газов позволяет утилизировать холод газа от дегазации конденсата. Этот холод получается за счет снижения температуры при испарении жидких углеводородов в процессе дегазации конденсата.

Технический прием дополнительной подготовки газов по изоэнтропийному процессу расширения позволяет снизить температуру.

На фиг.4 представлена зависимость величины отношения температуры газа Ти после изоэнтропийного расширения к температуре газа Тв после вторичного охлаждения от отношения давления газа Рв перед процессом расширения к давлению газа Ри после этого процесса.

Технический прием дополнительной подготовки газов по изоэнтальпийному процессу расширения также позволяет снизить температуру.

Технический прием, заключающийся в том, что после повышения давления смеси эжектируемого и эжектирующего газов ее объединяют с газом после изоэнтропийного расширения, позволяет увеличить количество эжектируемого газа дегазации и тем самым повысить количество утилизируемого холода. Например, отношение величин массового расхода эжектируемого газа G к массовому расходу исходного эжектирующего газа Gв при давлении смеси Рс=6,0 МПа – давлении после процесса изоэнтропийного расширения, (график «Б», фиг.3) больше чем на графике «А» при давлении Рс=7,5 МПа – давлении подготовленного газа, подаваемого на транспорт.

Технический прием, заключающийся в том, что газы, подготовленные по изоэнтальпийному и изоэнтропийному процессам, объединяют при подаче потребителю, позволяет уменьшить затраты энергии на сжатие отводимого подготовленного газа и тем самым повысить эффективность подготовки газа к транспорту.

Технический прием передачи избыточного тепла от жидкости окружающей среде позволяет охладить жидкость для повторного ее использования.

Технический прием, заключающийся в том, что при охлаждении жидкость перемещают нагнетанием по замкнутому контуру, а тепло, полученное жидкостью от газа при рекуперации и выделившееся при нагнетании, используют для технических или (и) бытовых нужд, позволяет наиболее полно использовать энергию исходного газа.

Технический прием, заключающийся в том, что использование морской воды в качестве охлаждающей жидкости и/или окружающей среды позволяет более эффективно применять холод северных акваторий.

Технический прием подачи морской воды принудительно или конвекцией позволяет в первом случае интенсифицировать процесс охлаждения газа, а во втором – повысить надежность охлаждения в случае отказа энергетической системы.

Каждый из описанных технических приемов, а также их совокупность, направлены на достижение поставленной цели – повышения эффективности подготовки углеводородного газа.

Предлагаемый способ реализуется в установках, схематически представленных на фиг.5-9.

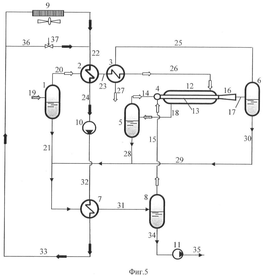
Установка на фиг.5 содержит: входной сепаратор 1, водяной теплообменник 2, рекуперативный теплообменник 3, эжектор 4, низкотемпературные сепараторы 5 и 6, теплообменник 7, дегазатор 8, аппарат внешнего охлаждения (АВО) 9, циркуляционный насос 10 и насос 11 по дачи подготовленного конденсата. Эжектор 4 имеет корпус 12, внутри которого коаксиально расположена камера смешения 13, которая подключена к линии 14 подачи высоконапорного эжектирующего газа, к линии 15 подачи низконапорного эжектируемого газа и к диффузору 16, который в свою очередь подключен линией 17 к низкотемпературному сепаратору 6. Корпус 12 эжектора 4 подключен линией 18 к низкотемпературному сепаратору 5. Входной сепаратор 1 подключен к линии 19 подачи исходного газа, линией 20 – к водяному теплообменнику 2 и линией 21 – к теплообменнику 7. Водяной теплообменник 2 подключен линией 22 к аппарату внешнего охлаждения 9, линией 23 – к теплообменнику 3, линией 24 – к входу насоса 10. Теплообменник 3 подключен линией 25 к низкотемпературному сепаратору 6, линией 26 – к корпусу 12 эжектора 4, линией 27 – к потребителю подготовленного газа. Сепаратор 5, помимо того, что он подключен линиями 14 и 18 к эжектору 4, еще подключен линией 28 к коллектору 29, который в свою очередь подключен к линии 21. Сепаратор 6, помимо того, что он подключен линией 25 к теплообменнику 3, еще подключен линией 30 к коллектору 29. Теплообменник 7, помимо того, что он подключен линией 21 к входному сепаратору 1, еще подключен линией 31 к дегазатору 8, линией 32 – к выходу насоса 10, линией 33 – к аппарату внешнего охлаждения 9. Сепаратор 8, помимо того, что он подключен линией 15 к камере смешения 13 эжектора 4, линией 31 – к теплообменнику 7, еще подключен линией 34 к входу насоса 11. Аппарат внешнего охлаждения 9 подключен соответственно линиями 22 и 33 к теплообменникам 2 и 7. Выход насоса 11 подключен к линии 35 потребителя подготовленного конденсата. Между линиями 22 и 33 установлен байпас 36 с регулируемым клапаном 37.

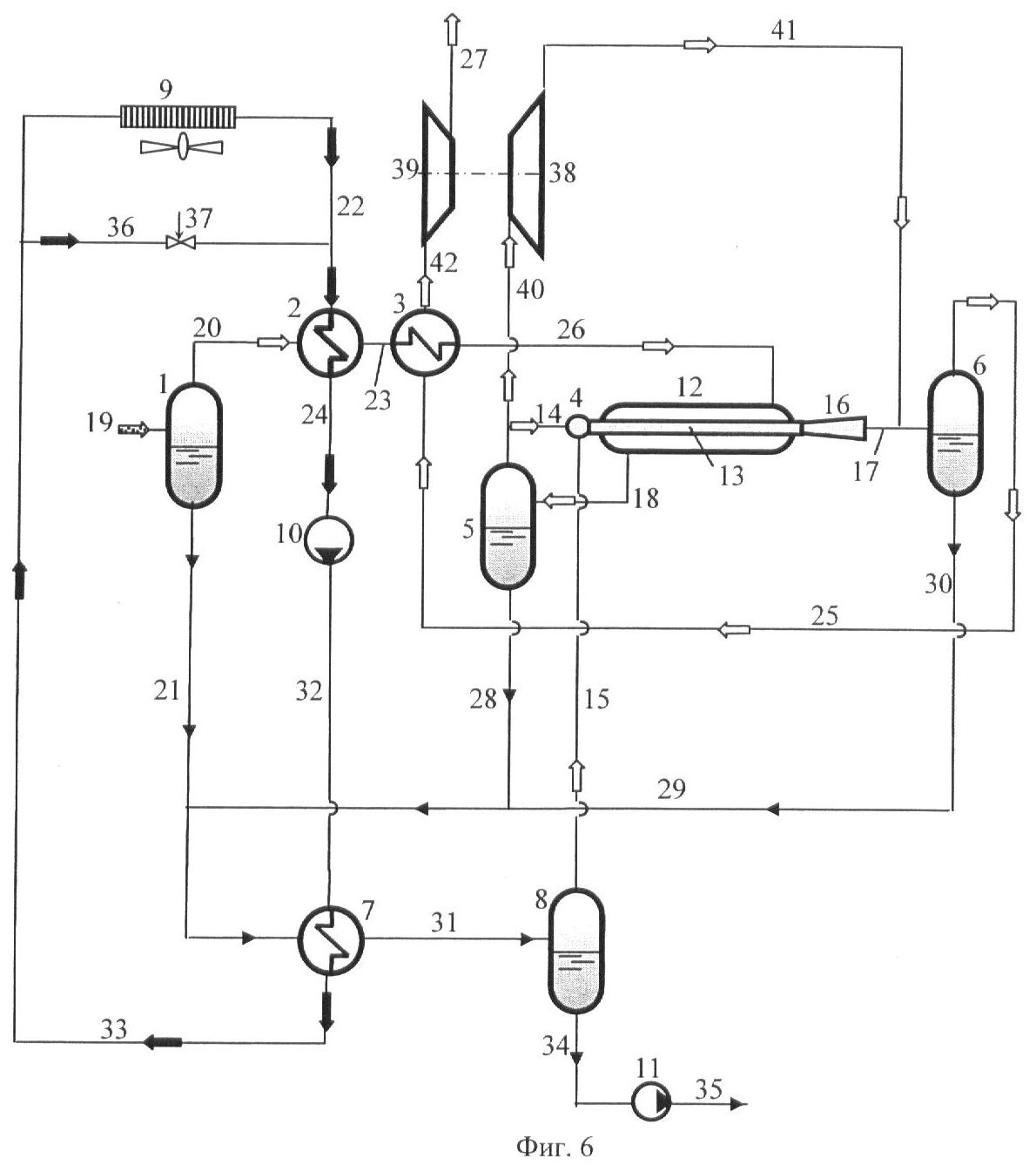
Установка на фиг.6 дополнительно снабжена турбиной 38 и компрессором 39. Вход турбины 38 соединен линией 40 с линией 14 и посредством последней – с низкотемпературным сепаратором 5. Выход турбины 38 соединен линией 41, с линией 17 и посредством последней – с низкотемпературным сепаратором 6. Вход компрессора 39 соединен линией 42 с теплообменником 3. Выход компрессора 39 соединен с линией 27 потребителя подготовленного газа.

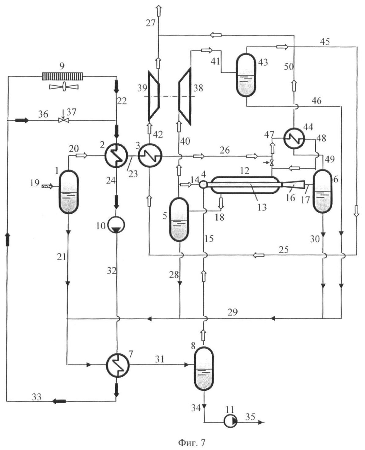
Установка на фиг.7 дополнительно снабжена низкотемпературным сепаратором 43 и теплообменником 44. Низкотемпературный сепаратор 43 подключен линией 45 к теплообменнику 3, а линией 46 – к коллектору 29. Теплообменник 44 подключен линиями 47 и 48 к линии 26, линией 49 к сепаратору 6, а линией 50 – к линии 27.

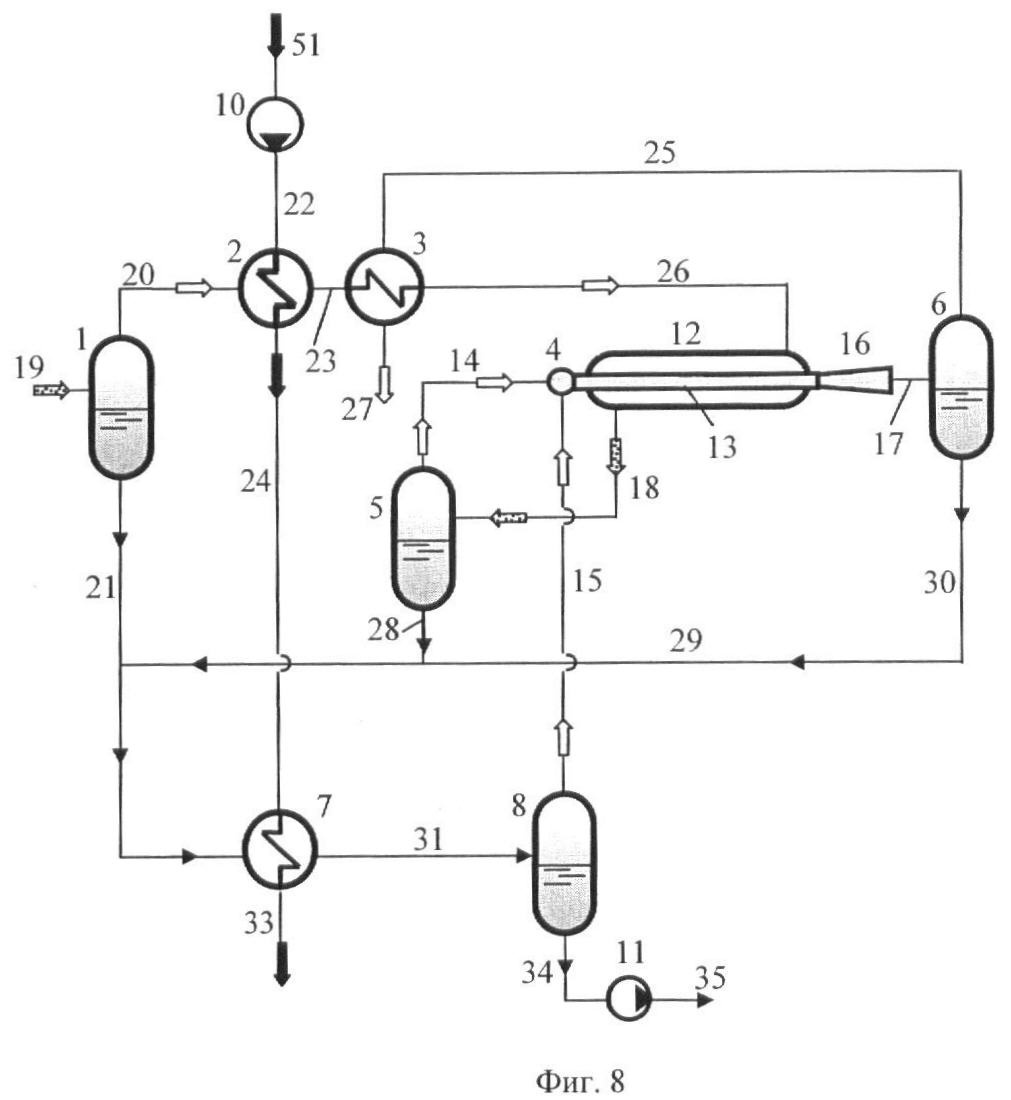
На фиг.8 представлена установка, в которой в качестве охлаждающей жидкости и окружающей среды используется морская вода. В этой установке вход насоса 10 подключен к линии 51 отбора морской воды, а его выход линией 22 – к теплообменнику 2. К теплообменнику 7 подключена линия 33 для сброса морской воды в окружающую среду.

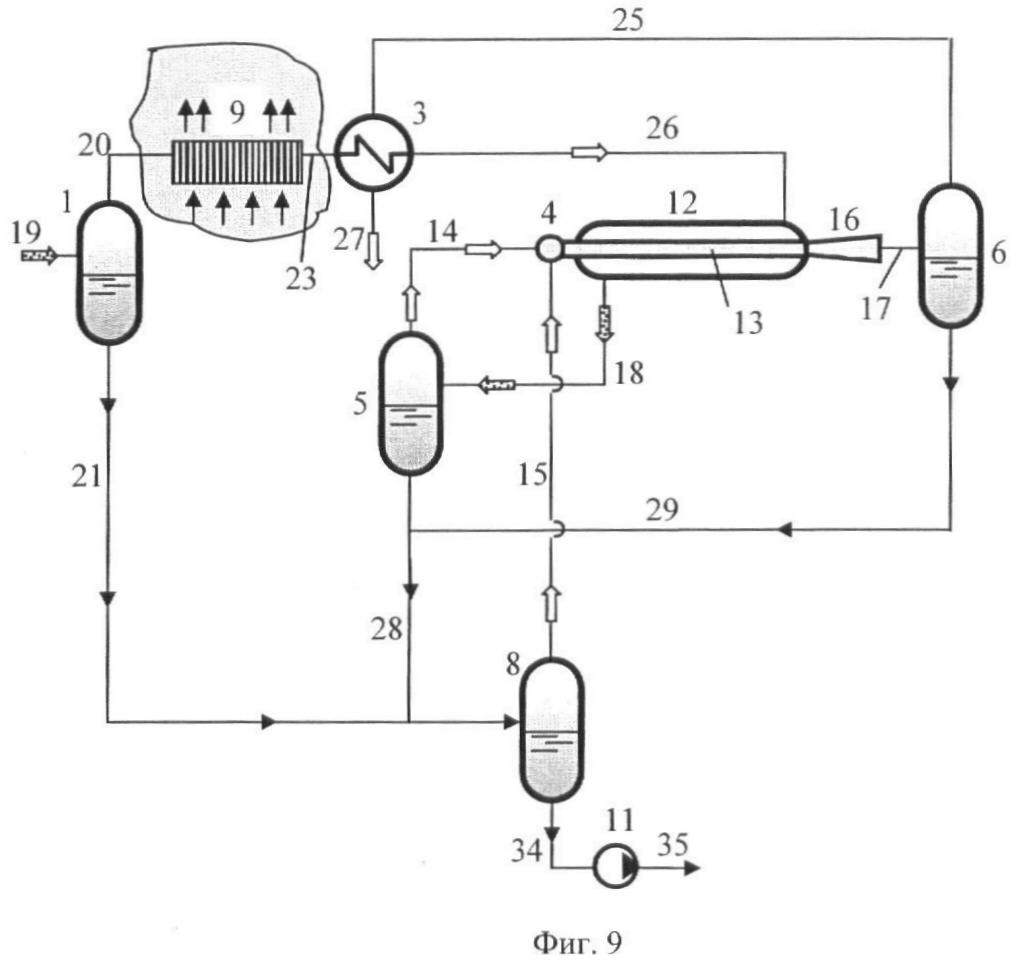
В установке на фиг.9 используется аппарат внешнего охлаждения 9, в котором используется принцип конвективного отвода тепла.

ПРИМЕР 1

Предлагаемый способ подготовки газа реализуется следующим образом.

Исходный многокомпонентный углеводородный газ имеет:

– углеводородный состав в массовых долях: CH4 – 0,876; С2Н6 – 0,0536; С3Н8 – 0,027; С4Н10 – 0,014; C5H12 – 0,006; С6Н14 – 0,008; C7H16 – 0,0035; C8+В – 0,0119

– относительную молекулярную массу 20,454;

– плотность при нормальных условиях 0,84 кг/нм3;

– температуру 35°С (308 К);

– давление 12,0 МПа;

– расход 1,0 млрд нм3 в год (26,63 кг/с).

Исходный углеводородный газ содержит пары воды в количестве 0,6 г/нм3 (0,714 г/кг).

Подготовка газа осуществляется в установке, представленной на фиг.5. Исходный газ поступает из линии 19. Пред сепаратором 1 в линию 19 вводят ингибитор гидратообразования – метанол, концентрация которого 95÷97%. В сепараторе 1 от исходного газа отделяется капельная жидкость, которая отводится по линии 21 в коллектор 29. Газ по линии 20 подают в теплообменник 2. В теплообменнике 2 жидкостью – водным раствором гликоля, газ охлаждают до температуры 2÷3°С в зимний период и 5÷7°С в летний период.

Первично охлажденный газ поступает по линии 23 в теплообменник 3. В рекуперативном теплообменнике 3 газ охлаждается до температуры минус 30°С холодом подготовленного газа, который подается в теплообменник 3 по линии 25. Подготовленный газ имеет температуру минус 45-47°С. После рекуперативного теплообменника 3 газ подается в корпус 12 эжектора 4. Здесь он охлаждается до температуры минус 60÷62°С смесью эжектирующего и эжектируемого газов, которая протекает в камере смешения 13 со скоростью, определяемой числом Маха М=1,5. При такой скорости газовая смесь имеет температуру минус 100,4°С. Из газа при температуре минус 60÷62°С конденсируются пары воды (0,0186 кг/с) и углеводороды в следующем количестве от начального содержания: более 99% С7+В (0,612 кг/с); 50÷60% С3 и C4 (0,53÷0,67 кг/с). Они отделяются от газа в сепараторе 5, куда попадают по линии 18. Из сепаратора 5 конденсат по линии 28 сбрасывается в коллектор 29, а предварительно очищенный газ подается по линии 14 и используется в качестве эжектирующего. После эжектора 4 смесь эжектирующего и эжектируемого газов имеет температуру минус 45-47°С и давление 10,0 МПа. Остаточный жидкий конденсат отделяется от газа в сепараторе 6. Из сепаратора 6 подготовленный таким образом газ подается по линии 25 в рекуперативный теплообменник 3 и далее в линию 27 потребителю, а конденсат сбрасывается по линии 30 в коллектор 29. По коллектору 29 вся жидкая фаза, поступающая из сепараторов 1, 5 и 6, подается через теплообменник 7, в котором она нагревается теплом от нагретой исходным газом жидкости (которая подается насосом по линии 32) до температуры 3-7°С. После теплообменника 7 жидкая фаза подается по линии 31 в сепаратор 8, в котором производится разделение водного раствора ингибитора гидратообразования и углеводородного конденсата.

В сепараторе 8 производится снижение давления до Р=2,4 МПа. При этом давлении выполняется дегазация углеводородного конденсата. Количество выделяемого газа из конденсата порядка 0,25 кг/с. Подготовленный конденсат из сепаратора 8 по линии 34 подают в насос 11, где конденсат нагнетается до давления 7,5 МПа и подается в линию 35 потребителю.

ПРИМЕР 2

При необходимости более глубокого отделения углеводородных компонентов от подготавливаемого газа используют установку, представленную на фиг.6. В этой установке половину газа из сепаратора 5 подают на изоэнтропийный процесс расширения в турбину 38. В турбине 8 производится расширение газа с производством работы, которая совершается в компрессоре 39 (смонтированном на одном валу с турбиной) путем сжатия подготовленного газа, подаваемого по линии 42. После турбины расширенный газ имеет давление Ри=6,0 МПа и температуру Ти = минус 91°С. Охлажденный газ после турбины подается по линии 41 в линию 17 и сепаратор 6. После смешения температура газа в сепараторе 8 достигает минус 68,5°С. При таком давлении и температуре из газа конденсируются пары воды (0,019 кг/с) и углеводороды в следующем количестве от начального содержания: более 99,98% С7+В (0,613 кг/с); до 70÷73% С3 и С4 (0,8 кг/с). Сконденсировавшиеся углеводороды и пары воды отделяются от газа в сепараторе 6. Конденсат удаляется по линии 30 в коллектор 29, а подготовленный газ – по линии 25 через рекуперативный теплообменник 3 в компрессор 39. В связи с тем, что работа по сжатию газа совершается только за счет энергии расширения половины подготавливаемого газа, для компримирования всего подготовленного газа необходимо затрачивать дополнительное количество энергии от внешнего источника.

ПРИМЕР 3

С целью исключения этого недостатка в установке, представленной на фиг.7, газы, подготовленные по изоэнтальпийному и изоэнтропийному процессам, объединяют при подаче потребителю. Для чего газ, подготовленный по изоэнтальпийному процессу (в эжекторе 4 и сепараторе 6) отводят через рекуперативный теплообменник 44 по линиям 49 и 50 в линию 27 потребителя подготовленного газа, а газ, подготовленный по изоэнтропийному процессу (в турбине 38 и сепараторе 43) отводят по линии 45 через рекуперативный теплообменник 3 и по линии 42 через компрессор 39 в линию 27.

Газ в линии 50 имеет давление 7,5 МПа. Газ после компрессора 39 также имеет давление 7,5 МПа. Энергия, расходуемая на сжатие газа от давления 6,0 МПа до давления 7,5 МПа в компрессоре 39, вырабатывается в достаточном количестве турбиной 39 при расширении газа от давления 12,0 МПа до давления 6,0 МПа. В связи с этим дополнительных затрат энергии на сжатие газа не требуется.

ПРИМЕР 4

В установках, представленных на фиг.5, 6, 7, избыток тепла от охлаждающей жидкости передают окружающей среде (морю или атмосфере) в аппарате внешнего охлаждения 9. При этом охлаждающую жидкость перемещают нагнетанием по замкнутому контуру от аппарата внешнего охлаждения 9 по линии 22 в теплообменник 2, по линии 24 – к насосу 10, от насоса 10 по линии 32 – в теплообменник 7, от последнего по линии 33 – в аппарат внешнего охлаждения 9. Тепло, полученное циркулирующей жидкостью от газа в теплообменнике 2 и при ее нагнетании насосом 10 используют для технических нужд (нагрева жидкой фазы в теплообменнике 7).

ПРИМЕР 5

В установках, представленных на фиг.8 и 9, в качестве охлаждающей жидкости и (или) окружающей среды используют морскую воду, которую в установке на фиг.8 подают насосом 10 принудительно, а в установке на фиг.9 – конвекцией через аппарат внешнего охлаждения 9.

Формула изобретения

1. Способ подготовки углеводородного газа к транспорту с северных морских месторождений, включающий охлаждение газа путем рекуперации холода подготовленного газа, сепарацию конденсата из охлажденного газа, дегазацию конденсата, эжектирование газа, выделившегося в процессе дегазации, подготавливаемым газом с повышением давления их смеси, раздельный отвод подготовленных газа и конденсата, отличающийся тем, что исходный газ дополнительно дважды охлаждают: первый раз – перед рекуперацией жидкостью, второй – после рекуперации смесью газов перед повышением ее давления, после второго дополнительного охлаждения от газа отделяют конденсат, после чего газ используют в качестве эжектирующего, а избыток тепла от жидкости передают окружающей среде.

2. Способ по п.1, отличающийся тем, что дополнительно газы подготавливают по изоэнтропийному процессу расширения.

3. Способ по п.2, отличающийся тем, что дополнительно газы подготавливают по изоэнтальпийному процессу расширения.

4. Способ по п.2, отличающийся тем, что после повышения давления смеси эжектируемого и эжектирующего газов ее объединяют с газом после изоэнтропийного расширения.

5. Способ по п.3, отличающийся тем, что газы, подготовленные по изоэнтальпийному и изоэнтропийному процессу объединяют при подаче потребителю.

6. Способ по п.1 или 2, отличающийся тем, что при охлаждении жидкость перемещают нагнетанием по замкнутому контуру, а тепло от жидкости используют для технических и/или бытовых нужд.

7. Способ по п.1 или 2, отличающийся тем, что в качестве охлаждающей жидкости и/или окружающей среды используют морскую воду.

8. Способ по п.1 или 2, отличающийся тем, что охлаждающую морскую воду подают принудительно или конвекцией.

РИСУНКИ

Categories: BD_2365000-2365999