Патент на изобретение №2365817

Published by on




РОССИЙСКАЯ ФЕДЕРАЦИЯ



ФЕДЕРАЛЬНАЯ СЛУЖБА
ПО ИНТЕЛЛЕКТУАЛЬНОЙ СОБСТВЕННОСТИ,
ПАТЕНТАМ И ТОВАРНЫМ ЗНАКАМ
(19) RU (11) 2365817 (13) C2
(51) МПК

F23G7/00 (2006.01)
F23G5/027 (2006.01)

(12) ОПИСАНИЕ ИЗОБРЕТЕНИЯ К ПАТЕНТУ

Статус: по данным на 18.08.2010 – действует

(21), (22) Заявка: 2006131631/03, 01.09.2006

(24) Дата начала отсчета срока действия патента:

01.09.2006

(43) Дата публикации заявки: 10.03.2008

(46) Опубликовано: 27.08.2009

(56) Список документов, цитированных в отчете о
поиске:
RU 2156631 C2, 27.09.2000. RU 2224178 С1, 20.02.2004. RU 2227052 C2, 27.07.2004. RU 2105928 C1, 27.02.1998. US 4438706 A, 27.03.1984. US 4644877 A, 24.02.1987.

Адрес для переписки:

350049, г.Краснодар, ул. Севастопольская,2/3,Офис ООО “НПО Прогресс” М.В.Щепочкину

(72) Автор(ы):

Ассаулюк Сергей Анатольевич (RU),
Сапунов Александр Юрьевич (RU),
Божко Сергей Владимирович (RU),
Михайлов Олег Владимирович (RU),
Щепочкин Максим Владимирович (RU)

(73) Патентообладатель(и):

Ассаулюк Сергей Анатольевич (RU),
Сапунов Александр Юрьевич (RU),
Щепочкин Максим Владимирович (RU)

(54) СПОСОБ ОБЕЗВРЕЖИВАНИЯ ПЕСТИЦИДОВ

(57) Реферат:

Изобретение относится к экологии, в частности к способу обезвреживания некондиционных пестицидов термохимическим методом и полезной модели установки плазмохимической утилизации отходов пестицидов. Способ обезвреживания пестицидов включает подачу пестицидов на обезвреживание во вращающуюся печь, термическое воздействие в указанной печи с извлечением действующего вещества в газовую фазу с получением твердого огарка, который выводится из печи, дожиг полученных газов, обеспечивающий разложение сложных веществ газового потока до простых и очистку продуктов дожига. Термохимическое воздействие на пестициды во вращающейся печи производят при температурах до 1000°С путем их окисления, разложения и возгонки. Вывод полученных газов из вращающейся печи осуществляют со стороны загрузки пестицидов. Дожиг осуществляют при температуре не ниже 1200°С в реакторе с плазматроном, плазмообразующим рабочим телом которого является водяной пар, образующийся в парогенераторе. Очистку от окислов азота в реакторе осуществляют нейтрализацией при подаче в его нижнюю часть мочевины. Затем образовавшиеся в реакторе газообразные продукты подают в закалочные устройства для быстрого охлаждения их до температуры не выше 100°С и для частичной нейтрализации и поглощения токсичных веществ за счет взаимодействия с жидким хладоагентом – водным раствором щелочи или водой, с последующей подачей в адсорбер для дополнительной очистки перед выводом их в атмосферу. Технический результат: снижение содержания токсичных веществ в отходящих газах. 1 ил.

Изобретение относится к экологии и может быть использовано для обезвреживания любых некондиционных, пришедших в негодность, запрещенных к применению пестицидов и других препаратов с действующим веществом органического происхождения.

Известен способ обезвреживания веществ, включающий процесс разложения их в установке с недостатком кислорода и дожиг продуктов разложения в потоке плазмы с последующим расширением, охлаждением и очисткой в противотоке жидкостью (RU 2246072 С2).

Недостатком способа является ограничение возможности обезвреживания твердых пестицидов крупного фракционного состава, обусловленное относительно кратковременным пребыванием пестицидов в зоне плазменного нагрева, вследствие чего возможно оплавление поверхности крупных фракций минеральными компонентами с сохранением внутри неразложившегося действующего токсичного вещества.

Известен способ обезвреживания пестицидов, включающий подачу пестицидов на обезвреживание во вращающуюся печь с косвенным подводом тепла, термическое воздействие в указанной печи с извлечением действующего вещества в газовую фазу путем его пиролиза (газификации) при нагреве до 1000°С в среде инертного газа с получением твердого огарка, который выводится из печи, дожиг полученных газов, обеспечивающий разложение сложных веществ газового потока до простых при заданной температуре и очистку продуктов дожига (RU 2156631 С2, 2000).

Недостатком данного способа является невозможность полного обезвреживания твердых пестицидов без выброса в окружающую среду токсичных веществ.

Перед заявляемым техническим решением поставлена задача обезвреживания всех форм пестицидов с достаточной эффективностью и экологической безопасностью.

Поставленная задача решается тем, что в способе обезвреживания пестицидов, включающем подачу пестицидов на обезвреживание во вращающуюся печь, термическое воздействие в указанной печи с извлечением действующего вещества в газовую фазу с получением твердого огарка, который выводится из печи, дожиг полученных газов, обеспечивающий разложение сложных веществ газового потока до простых и очистку продуктов дожига, термическое воздействие на пестициды во вращающейся печи производят при температурах до 1000°С путем их окисления, разложения и возгонки, вывод полученных газов из вращающейся печи осуществляют со стороны загрузки пестицидов, дожиг осуществляют при температуре не ниже 1200°С в реакторе с плазматроном. Плазмообразующим рабочим телом плазмотрона является водяной пар, образующийся в парогенераторе. Очистку от окислов азота в реакторе осуществляют нейтрализацией при подаче в его нижнюю часть мочевины, затем образовавшиеся в реакторе газообразные продукты подают в закалочные устройства для быстрого охлаждения их до температуры не выше 100°С и для частичной нейтрализации и поглощения токсичных веществ за счет взаимодействия с жидким хладоагентом – водным раствором щелочи или водой, с последующей подачей в адсорбер для дополнительной очистки перед выводом их в атмосферу.

Совокупность операций заявляемого способа обеспечивает получение нового технического результата – упрощение и удешевление эффективного процесса обезвреживания любых (жидких, газообразных, твердых, а также некондиционных, имеющих иные формы, такие как смачивающиеся порошки, гранулированные препараты, дусты и др.) пестицидов с действующим веществом органического происхождения, исключающего выделение диоксинов и других токсичных веществ в окружающую среду.

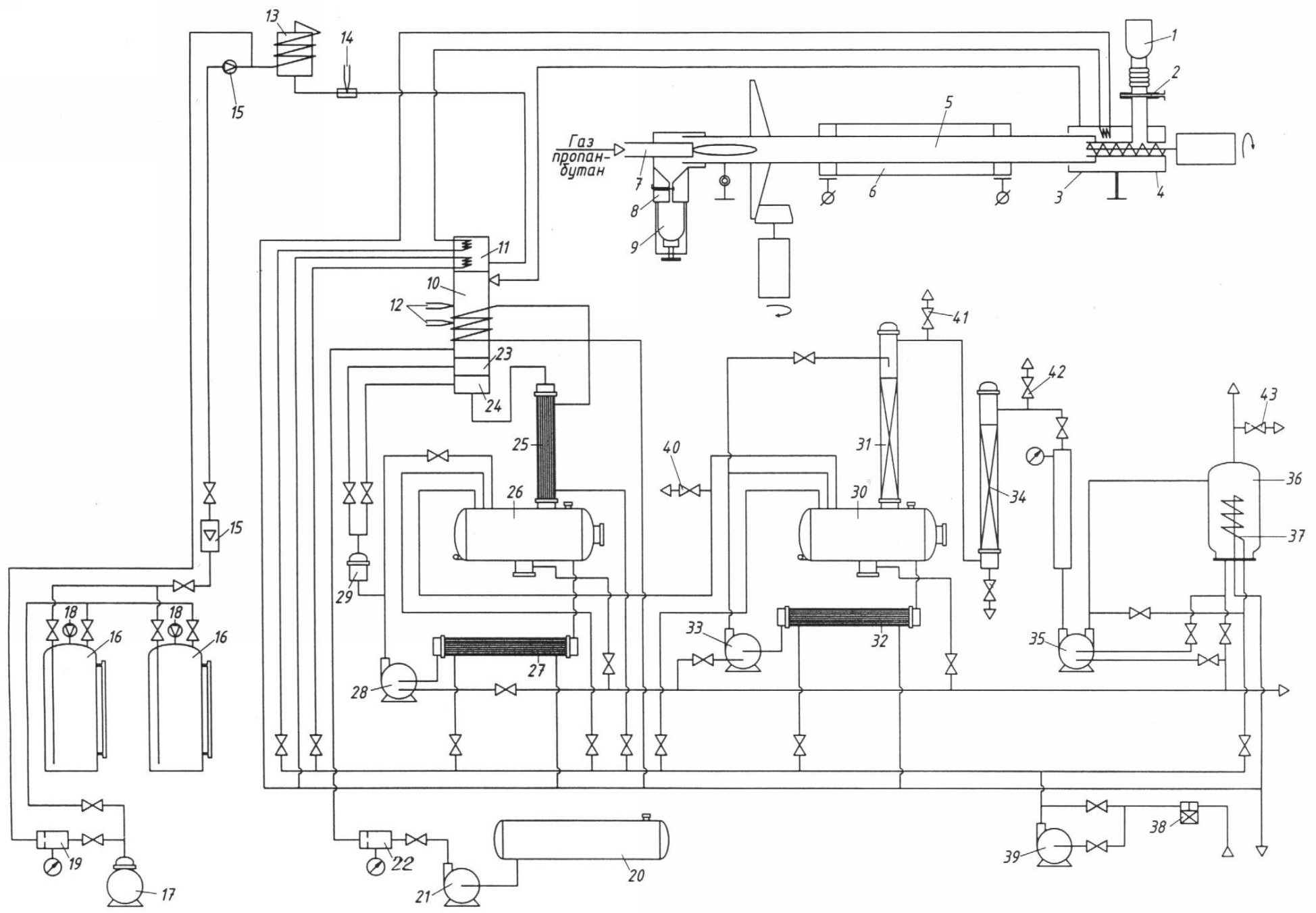
Заявляемый способ обезвреживания пестицидов осуществляется, например, на установке плазмохимической утилизации отходов пестицидов, технологическая схема которой представлена на прилагаемом чертеже.

Утилизируемый материал загружается в расходный бункер 1. Шиберные заслонки 2 обеспечивают поступление материала во вращающуюся печь 3. Через узел дозирования 4 с помощью шнека, приводимого в движение электродвигателем, материал подается в барабан печи 5. Количество загружаемого в печь продукта задается скоростью вращения шнека и зависит от его вида и режима работы печи. Режим работы печи определяется скоростью вращения барабана печи и углом его наклона, интенсивностью нагрева температурной зоны печи. Эти параметры, в свою очередь, устанавливаются в зависимости от требуемого времени пребывания материала в печи с заданным температурным режимом. Нагрев печи осуществляется за счет регулируемого электронагревателя 6 и горелки 7, которая организует горение подаваемого в нее газа в барабане печи со стороны выхода утилизируемого материала из него. В процессе прохождения утилизируемого материала по барабану печи органическая составляющая, претерпевая термохимические превращения, переходит в газовую фазу. Выход газовой фазы осуществляется со стороны загрузки материала в печь. Противоток движения твердой и газовой фаз исключает загрязнение огарков органической составляющей. Оставшаяся после прохождения печи твердая фаза огарков через узел выгрузки 8 ссыпается в приемный бункер 9. Газовая фаза в виде отходящих газов подается в реактор 10, где при температуре не ниже 1200°С подвергается деструкции на простые вещества. Температурный режим обеспечивается работой паровихревого плазмотрона 11. Контроль температуры на стенках в ректоре осуществляется с помощью вольфрам-рениевых термопар 12. Плазмообразующим рабочим телом плазмотрона является водяной пар, образующийся в парогенераторе 13. Контроль температуры в парогенераторе производится с помощью хромель-копелевой термопары 14. Для образования водяного пара в парогенератор через ротаметр 15 осуществляется поочередная подача дистиллированной воды из емкостей 16. Подача воды в парогенератор происходит за счет создания компрессором 17 в емкостях 16 избыточного давления воздуха. Емкости 16 с дистиллированной водой снабжены клапанами 18 для сброса давления воздуха при заправке емкостей водой. Пусковым плазмообразующим газом плазмотрона 11 служит воздух, который подается от компрессора. Количество подаваемого воздуха контролируется расходомером 19. В нижнюю часть реактора 10 из емкости 20 насосом 21 через расходомер 22 подается раствор мочевины. Подача мочевины обеспечивает нейтрализацию вредных окислов азота, которые генерируются потоком плазмы плазмотрона из присутствующих в реакторе азота и кислорода. Газовый поток из реактора поступает в закалочное устройство, которое состоит из двух ступеней. Поток газа входит в I ступень закалки 23 и далее во II ступень закалки 24. В закалочном устройстве происходит достаточно быстрое снижение температуры выходящего из реактора газового потока за счет интенсивного взаимодействия его с жидким хладагентом – водным раствором щелочей или водой (далее – раствор) с целью исключения условий синтеза из продуктов распада реактора токсичных веществ. Раствор также является нейтрализующим реагентом для кислых газов, а также для хлора и хлороводорода в случае их присутствия, что приводит к достаточно полному извлечению таковых уже на этой стадии технологического процесса.

Температура газового потока на выходе из закалочного устройства поддерживается на уровне не выше 100°С. Пройдя устройство, газовый поток с раствором через теплообменник 25 поступают в емкость 26. В закалочные устройства раствор подается из емкости 26 через теплообменник 27 насосом 28 через фильтр 29. Отделенные отходящие газы из емкости 26 направляются через емкость 30 в абсорбер 31 насадочного типа с кольцами из полиэтилена размером 16×16×2, с целью их доочистки жидкими поглотителями. Абсорбент в колонну подается через теплообменник 32 насосом 33. От насоса 33 предусмотрен частичный возврат раствора в емкость 30, с целью поддержания в ней заданной температуры раствора. Газы, прошедшие абсорбционную очистку, поступают в адсорбер 34. В случае образования и накопления в нижней части колонны конденсата, предусмотрен его слив через вентиль. Из адсорбера 34 очищенные газы с помощью вакуумного насоса 35 водокольцевого типа через емкость оборотного водоснабжения 36 системы вакуумирования выбрасываются в атмосферу. Для поддержания температурного режима оборотной воды в емкости 36 предусмотрен змеевик 37. Поступающая на установку вода предварительно проходит очистку на фильтре 38. Насос 39 служит для поддержания требуемого давления воды в системе водопотребления работающей установки. Отбор отходящих газов с целью контроля их состава производят через четыре пробоотборника 40, 41, 42, 43.

Формула изобретения

Способ обезвреживания пестицидов, включающий подачу пестицидов на обезвреживание во вращающуюся печь, термическое воздействие в указанной печи с извлечением действующего вещества в газовую фазу с получением твердого огарка, который выводится из печи, дожиг полученных газов, обеспечивающий разложение сложных веществ газового потока до простых и очистку продуктов дожига, отличающийся тем, что термохимическое воздействие на пестициды во вращающейся печи производят при температурах до 1000°С путем их окисления, разложения и возгонки, вывод полученных газов из вращающейся печи осуществляют со стороны загрузки пестицидов, дожиг осуществляют при температуре не ниже 1200°С в реакторе с плазмотроном, плазмообразующим рабочим телом которого является водяной пар, образующийся в парогенераторе, очистку от окислов азота в реакторе осуществляют нейтрализацией при подаче в его нижнюю часть мочевины, затем образовавшиеся в реакторе газообразные продукты подают в закалочные устройства для быстрого охлаждения их до температуры не выше 100°С и для частичной нейтрализации и поглощения токсичных веществ за счет взаимодействия с жидким хладоагентом – водным раствором щелочи или водой, с последующей подачей в адсорбер для дополнительной очистки перед выводом их в атмосферу.

РИСУНКИ

Categories: BD_2365000-2365999