|
|
(21), (22) Заявка: 2008134325/28, 22.08.2008
(24) Дата начала отсчета срока действия патента:
22.08.2008
(46) Опубликовано: 10.08.2009
(56) Список документов, цитированных в отчете о поиске:
SU 1550575 A1, 15.03.1990. SU 349011 A1, 23.08.1972. RU 2097715 C1, 27.11.1997. JP 2005257720 A, 22.09.2005. JP 2002333886 A, 22.11.2002.
Адрес для переписки:
117638, Москва, ул. Сивашская, 6-1-191, И.И. Петрову
|
(72) Автор(ы):
Гладилин Алексей Викторович (RU), Догадов Альберт Алексеевич (RU), Миронов Михаил Арсеньевич (RU)
(73) Патентообладатель(и):
Гладилин Алексей Викторович (RU), Догадов Альберт Алексеевич (RU), Миронов Михаил Арсеньевич (RU)
|
(54) УСТРОЙСТВО ДЛЯ АКТИВНОГО ГАШЕНИЯ АКУСТИЧЕСКОГО ШУМА ВЕНТИЛЯЦИОННЫХ СИСТЕМ
(57) Реферат:
Изобретение относится к средствам защиты от акустического шума, вызванного работающими системами вентиляции в жилых помещениях и в подвижных объектах. Техническим результатом изобретения является повышение эффективности шумогашения и устойчивости работы при нестабильных акустических условиях. Устройство для активного гашения акустического шума в вентиляционном канале 1 содержит приемник давления 2, предварительный усилитель с электрически управляемым коэффициентом передачи 3, компенсатор 4, инвертирующий усилитель 5, излучатель 6, дополнительный приемник давления 7, формирователь управляющего напряжения 8. Дополнительный приемник давления установлен со смещением относительно основного, а величина смещения определена из соотношения соотношений ТОП 3 с, TОП=L/c, где ТОП – величина опережения выходного сигнала, с – постоянная времени цепи управления предварительного усилителя, L – смещение дополнительного приемника давления относительно основного, с – скорость звука в воздухе. 2 ил.
Изобретение относится к средствам защиты от акустического шума, вызванного работающими системами вентиляции в жилых помещениях и в подвижных объектах.
Известно устройство активного гашения шума, содержащее возбудитель акустического поля (громкоговоритель, нагруженный на среду) и соответствующий акустический приемник давления (микрофон), расположенный напротив этого громкоговорителя. Инвертирующий усилитель и компенсатор включены в цепь отрицательной обратной связи. В состав цепи отрицательной обратной связи входят и громкоговоритель, и микрофон, причем выход микрофона соединен с входом предварительного усилителя, выход которого соединен с входом компенсатора, а выход компенсатора с входом инвертирующего усилителя, к выходу которого подключен громкоговоритель. Патент США 4,527,282, МПК: G11K 11/00, 1985.
Практическое применение устройства малоэффективно из-за снижения устойчивости работы под действием случайных быстрых перепадов воздушного давления в помещении, вызванного открыванием окон и дверей, сквозняками, перепадами температуры, порывами ветра, различными перемещения и т.п., характеризующими акустическую нестабильность условий работы устройства.
Известно устройство для активного гашения акустического шума, содержащее возбудитель акустического поля (громкоговоритель), нагруженный на среду, и соответствующий акустический приемник давления (микрофон), расположенный напротив этого громкоговорителя. Инвертирующий усилитель и компенсатор включены в цепь обратной связи, в состав которой входят и громкоговоритель и микрофон, причем выход микрофона соединен с входом предварительного усилителя с электрически управляемым коэффициентом передачи, выход предварительного усилителя соединен с входом компенсатора, выход компенсатора соединен с входом инвертирующего усилителя, к выходу которого подключен громкоговоритель, а управляющий вход предварительного усилителя соединен с выходом формирователя управляющего напряжения, вход которого соединен с выходом микрофона.
Выходное напряжение микрофона поступает одновременно на вход предварительного усилителя с электрически управляемым коэффициентом передачи и на вход формирователя управляющего напряжения, обеспечивая возможность адаптивного изменения коэффициента передачи цепи обратной связи под действием управляющего напряжения, соответствующего перепадам воздушного давления. Патент США 5,848,169, МПК: G11K 11/00, 1998 г. Прототип.
При быстрых перепадах воздушного давления формирование управляющего напряжения отстает от процесса формирования перепада воздушного давления. Поскольку величина быстрых перепадов воздушного давления достигает 90 и более дБ относительно давления, характеризующего порог слышимости, отставание процесса формирования управляющего напряжения приводит к возбуждению в цепи обратной связи переходного процесса, снижающего эффективность действия устройства активного гашения шумов и возбуждающего в помещении характерный шумовой отклик, что является его существенным недостатком.
Данное изобретение устраняет недостатки аналога и прототипа.
Техническим результатом изобретения является повышение эффективности шумогашения и устойчивости работы при нестабильных акустических условиях.
Технический результат достигается тем, что в устройство для активного гашения акустического шума вентиляционных систем, содержащее формирователь управляющего напряжения, излучатель и приемник давления, расположенный перед излучателем, электрически соединенные цепью обратной связи, в которой последовательно установлены предварительный усилитель с электрически управляемым коэффициентом передачи, компенсатор и усилитель мощности, нагруженный на излучатель, выход формирователя управляющего напряжения соединен с управляющим входом предварительного усилителя, а его вход с выходом приемника давления, введен дополнительный приемник давления, выход которого соединен со вторым входом формирователя управляющего напряжения, дополнительный приемник давления установлен со смещением относительно основного, а величина смещения определена из соотношения соотношений Топ 3 с,
Tоп=L/c, где Tоп – величина опережения выходного сигнала, с – постоянная времени цепи управления предварительного усилителя, L – смещение дополнительного приемника относительно основного, с – скорость звука в воздухе.
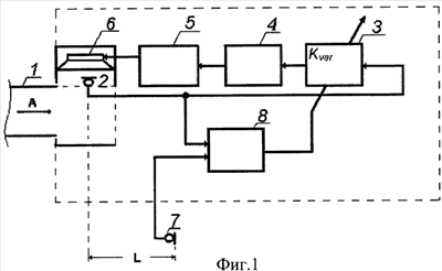
Сущность изобретения поясняется на фиг.1 и 2.
На фиг.1 представлена структурная схема предлагаемого устройства, где 1 – вентиляционный канал (ввод в помещение), 2 – приемник давления (микрофон), 3 – предварительный усилитель с электрически управляемым коэффициентом передачи, 4 – компенсатор, 5 – инвертирующий усилитель, 6 – излучатель, 7 – дополнительный приемник давления, 8 – формирователь управляющего напряжения. Стрелкой А обозначено направление распространения акустического шума.
На фиг.2 представлена зависимость эффективности устройства гашения акустических шумов В в рабочей полосе частот 60 500 Гц при действии в помещении перепадов воздушного давления до 90 дБ относительно давления, характеризующего порог слышимости. Зависимость получена при отношении сигнала к шуму в цепи обратной связи, превышающем 36 дБ.
Устройство работает следующим образом. Акустический шум, распространяющийся по вентиляционному каналу 1 в направлении, указанном стрелкой А, возбуждает на выходе приемника давления 2 (основного) напряжение, передаваемое на вход предварительного усилителя 3 с электрически управляемым коэффициентом передачи и на вход формирователя управляющего напряжения 8. Выходное напряжение предварительного усилителя 3 поступает на вход компенсатора 4. Компенсатор 4 обеспечивает фазовый сдвиг спектральных составляющих выходного напряжения усилителя 3 и снижает общий уровень шумов, действующих на приемник давления 2 в результате интерференции шума, поступающего по вентиляционному каналу 1 и шума, возбуждаемого излучателем 6, выходным напряжением инвертирующего усилителя 5, вход которого подключен к выходу компенсатора 4.
Работа устройства при дестабилизирующем действии перепадов воздушного давления обеспечена на управляющем входе предварительным усилителем 3 с электрически управляемым коэффициентом передачи выходного напряжения формирователя управляющего напряжения 8. На вход формирователя управляющего напряжения 8 поступают сигналы от приемника давления 2, установленного перед излучателем (громкоговорителем) 6, и от дополнительного приемника давления 7, установленного со смещением L относительно приемника давления 2. В результате этого выходной сигнал приемника давления 7 опережает выходной сигнал приемника давления (микрофона) 2. Величина опережения Топ определена из условия Топ 3 с, где с – постоянная времени цепи управления предварительного усилителя 3. При этом Топ=L/c, где L – смещение дополнительного приемника давления (микрофона) 7 относительно основного приемника давления (микрофона) 2, с – скорость звука в воздухе.
Формула изобретения
Устройство для активного гашения акустического шума вентиляционных систем, содержащее формирователь управляющего напряжения, излучатель и приемник давления, расположенный перед излучателем, электрически соединенные цепью обратной связи, в которой последовательно установлены предварительный усилитель с электрически управляемым коэффициентом передачи, компенсатор и усилитель мощности, нагруженный на излучатель, выход формирователя управляющего напряжения соединен с управляющим входом предварительного усилителя, а его вход – с выходом приемника давления, отличающееся тем, что введен дополнительный приемник давления, выход которого соединен со вторым входом формирователя управляющего напряжения, дополнительный приемник давления установлен со смещением относительно основного, а величина смещения определена из соотношений ТОП 3 с, TОП=L/c, где ТОП – величина опережения выходного сигнала, с – постоянная времени цепи управления предварительного усилителя, L – смещение дополнительного приемника давления относительно основного, с – скорость звука в воздухе.
РИСУНКИ
|
|