|
(21), (22) Заявка: 2008104283/09, 08.02.2008
(24) Дата начала отсчета срока действия патента:
08.02.2008
(46) Опубликовано: 27.07.2009
(56) Список документов, цитированных в отчете о поиске:
SU 192922 A1, 01.01.1967. SU 871308 A1, 07.10.1981. SU 491197 A1, 05.11.1975. SU 1529154 A1, 15.12.1989. SU 813717 A1, 15.03.1981.
Адрес для переписки:
105066, Москва, ул. Новая Басманная, 20, ФГУП “ЦНИРТИ им. академика А.И. Берга”, БРИЗ
|
(72) Автор(ы):
Фесенко Максим Владимирович (RU), Хлопов Борис Васильевич (RU)
(73) Патентообладатель(и):
Федеральное Государственное Унитарное Предприятие “Центральный научно-исследовательский радиотехнический институт имени академика А.И. Берга” (RU)
|
(54) ИСТОЧНИК ИМПУЛЬСНОГО МАГНИТНОГО ПОЛЯ
(57) Реферат:
Изобретение относится к области получения импульсного магнитного поля при питании индуктивной нагрузки от импульсного генератора ударной мощности. Технический результат заключается в создании импульсов магнитного поля различной формы большой интенсивности с многократным повторением технических характеристик и уменьшенных габаритов устройства. Устройство содержит источник питания постоянного напряжения, выключатель питания, три ключа электронных, генератор тока, линию задержки, накопитель энергии, блок управления, устройство запуска, коммутатор, демпфирующее устройство, два коммутатора тока и полеобразующую систему из двух соленоидов в виде логарифмических спиралей из проводников с коэффициентами логарифмирования противоположного знака, которые закреплены соосно с противоположных сторон плоской диэлектрической подложки. 14 ил.
Изобретение относится к области получения импульсного магнитного поля при питании индуктивной нагрузки от импульсного генератора ударной мощности.
Уровень техники
Известен генератор импульсов магнитного поля (Авт. св. 491197, Н03K 17/64, бюл. 41, 05.11.75.), который содержит блок запуска, соединенный со входами двух генераторов импульсов, каждый из которых подключен соответственно к полосковой линии и кольцам Гельмгольца. Кольца Гельмгольца и полосковая линия индуктивно связаны между собой, что обеспечивает расширение пределов изменения магнитного поля.
Недостатками этого генератора являются:
– необходимость использования двух генераторов импульсов: основного и дополнительного, подключаемых одним блоком запуска через индуктивно связанную полосковую линию с кольцами Гельмгольца, что требует синхронизации их работы во времени, при этом КПД генераторов составляет 30%;
– использование двух генераторов требует применения быстродействующих устройств для сравнения амплитуд импульсов генераторов;
– не обеспечивает создание импульсных магнитных полей различной формы и направлений их векторов;
– не обеспечивает создание импульсных магнитных полей с высокими энергиями;
– устройство имеет большие габариты и может быть применено только в лабораторных условиях.
Также известен способ передачи энергии индуктивной нагрузке от генератора ударной мощности и устройство для его осуществления (Авт. св. 192922, Н03K 17/64, бюл. 6, 02.03.1967). Это устройство принято за прототип изобретения. Оно состоит из генератора тока, индуктивной нагрузки – соленоида, блока накопительных конденсаторов и двух контактно-вентильных коммутаторов. Генератор тока через контакт одного коммутатора соединен параллельно с конденсаторной батареей, которая через контакт второго коммутатора соединена параллельно с соленоидом.
Недостатками этого устройства являются:
– не обеспечивает создание импульсных магнитных полей различной формы и направлений их векторов;
– малый КПД ударного генератора (30%);
– необходимость применение двух источников питания;
– не обеспечивает создание импульсных магнитных полей с высокими энергиями;
– устройство имеет большие габариты.
Технический результат изобретения
Техническим результатом изобретения является создание импульсов магнитного поля различной формы большой интенсивности с многократным повторением технических характеристик и уменьшенными габаритами устройства.
Описание фигур и обозначений
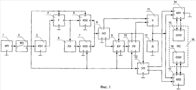
На фиг.1. Представлена блок-схема схема источника импульсного магнитного поля.
На фиг.2. Изображена временная диаграмма, характеризующая формы электрических сигналов.
На фиг.3. Представлены эпюры импульсного магнитного поля.
На фиг.4. Представлена принципиальная электрическая схема первого ключа электронного.
На фиг.5. Представлена принципиальная электрическая схема генератора тока прямоугольных импульсов.
На фиг.6. Представлена принципиальная электрическая схема второго и третьего ключей электронных.
На фиг.7. Представлена принципиальная электрическая схема накопителя энергии.
На фиг.8. Представлена принципиальная электрическая схема блока управления.
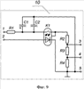
На фиг.9. Представлена принципиальная электрическая схема устройства запуска.
На фиг.10. Представлена принципиальная электрическая схема демпфирующего устройства.
На фиг.11. Представлена схема соединения устройства переключения ключа управляемого и соленоидов спиральных.
На фиг.12. Представлена спираль соленоидов со спиралью прямого логарифмирования.
На фиг.13. Представлена спираль соленоидов со спиралью обратного логарифмирования.
На фиг.14. Изображена временная диаграмма, характеризующая изменение во времени поступающих на компаратор напряжений, определяющих уровень напряжения заряда конденсаторов.
На фигурах введены обозначения:
1 – источник питания постоянного напряжения (ИП); 2 – выключатель питания (ВП); 3 – первый ключ электронный (КЭ1); 4 – генератор тока прямоугольных импульсов (Г); 5 – линия задержки (ЛЗ); 6, 7 – второй и третий ключи электронные (КЭ2) и (КЭ3); 8 – накопитель энергии (НЭ); 9 – блок управления (БУ); 10 – устройство запуска (УЗ); 11 – коммутатор (К); 12 – демпфирующее устройство (Д); 13 – устройство переключения (УП); 14, 17 – первый и второй ключи управляемые (КЛ1) и (КЛ2); 15 – соленоид спиральный прямого логарифмирования (СПЛ); 16 – соленоид спиральный обратного логарифмирования (СОЛ); 18 – полеобразующая система (ПС).
Цифры, записанные на фигурах мелким шрифтом, обозначают номера входов и выходов блоков, в тексте описания они заключены в круглые скобки.
Устройство источника импульсного магнитного поля
Технический результат изобретения достигается благодаря тому, что источник импульсного магнитного поля содержит (фиг.1): источник питания (ИП) 1; выключатель питания (ВП) 2; первый ключ электронный (КЭ1) 3; генератор тока прямоугольных импульсов (Г) 4; линию задержки (ЛЗ) 5; второй и третий ключи электронные (КЭ2) 6 и (КЭ3) 7; накопитель энергии (НЭ) 8; блок управления (БУ) 9; устройство запуска (УЗ) 10; коммутатор (К) 11; демпфирующее устройство (Д) 12; устройство переключения (УП) 13; первый и второй ключи управляемые (КЛ1) 14 и (КЛ2) 17; соленоид спиральный прямого логарифмирования (СПЛ) 15; соленоид спиральный обратного логарифмирования (СОЛ) 16; полеобразующую систему (ПС) 18.
Источник питания ИП 1 имеет выход (1) питания и клемму (2) общего нуля (фиг.1) и напряжение от 10 до 30 В.
Выключатель питания ВП 2 имеет вход (1) и выход (2) питания.
Первый ключ электронный КЭ1 3 (фиг.1, 4) имеет вход (1) питания, один выход (2) сигнальный и одну клемму (3) общего нуля.
Генератор тока прямоугольных импульсов Г 4 (фиг.1, 5) имеет вход (1) сигнальный, вход питания (4), выход (2) сигнальный прямоугольных импульсов и одну клемму (3) общего нуля.
Линия задержки ЛЗ 5 имеет вход (1) и выход (2) сигнальные.
Второй и третий ключи электронные КЭ2 6 и КЭ3 7 (фиг.1, 6) имеют по одному входу (1) сигнальному, по одному входу (4) питания, по одному выходу (2) импульсного питания и по одной клемме (3) общего нуля.
Накопитель энергии НЭ 8 (фиг.1, 7) имеет вход (1) импульсного питания, выходы питания (2) и сигнальный (3) и клемму (4) общего нуля.
Блок управления БУ 9 (фиг.1, 8) имеет три входа: сигнальные (1), (3) и питания (4), выход (2) сигнальный и клемму (5) общего нуля.
Устройство запуска УЗ 10 (фиг.9) имеет два входа: питания (1) и сигнальный (2), выход (3) сигнальный управления питанием соленоида и выход (4) сигнальный управления зарядом конденсаторов накопителя энергии НЭ 8 и одну клемму общего нуля (5).
Коммутатор К 11 (фиг.10а) имеет два входа: питания (1) и сигнальный (3) управления питанием соленоидов 15 и 16 и выход (2) питания.
Демпфирующее устройство Д 12 (фиг.1, 10) имеет вход (1) питания и клемму (2) общего нуля.
Устройство переключения УП 13 (фиг.1, 11) имеет два входа: сигнальный (1) и питания (4) и два выхода: (2) и (3) управления и клемму (5) общего нуля.
Первый и второй ключи управляемые КЛ1 14 и КЛ2 17 (фиг.1, 11) имеют по два входа: питания (1) и сигнальный (2) и по два выхода: (3) и (4) по переменно выполняющие функцию входов и клемму (5) общего нуля.
Соленоид спиральный прямого логарифмирования СПЛ 15 (фиг.12) имеет два входа питания (1) и (2).
Соленоид спиральный обратного логарифмирования СОЛ 16 (фиг.13) имеет также два входа питания (1) и (2).
Полеобразующая система ПС 18 (фиг.1) имеет четыре входа питания (1), (2), (3) и (4). Входы (1) и (2) являются входами (1) и (2) СПЛ 15, входы (3) и (4) являются входами (1) и (2) СОЛ 16.
Электрические связи устройства
Источник питания постоянного напряжения ИП 1 (фиг.1) выходом питания (1) подключен к входу (1) питания выключателя питания 2, а клемма (2) ИП 1 общего нуля соединена с общими клеммами (3) нуля: первого 3, второго 6 и третьего 7 ключей электронных, генератора тока прямоугольных импульсов 4, накопителя энергии 8, блока управления 9, устройства запуска 10, устройства переключения 13, ключей управляемых 14 и 17 и демпфирующего устройства 12.
Выход (2) питания выключателя ВП 2 соединен с входом (1) первого ключа электронного 3, с входом (1) устройства запуска 10, с входами (4) генератора тока прямоугольных импульсов 4, с входами второго и третьего ключей электронных 6 и 7, с входами питания блока управления (4) 9 и устройства переключения (1) 13.
Выход (2) сигнальный первого ключа электронного КЭ1 3 подсоединен к сигнальному входу (1) генератора Г 4, а его сигнальный выход (2) прямоугольных импульсов подсоединен к сигнальным входам (1) линии задержки 5 и второго ключа электронного КЭ2 6.
Сигнальный выход (2) линии задержки 5 подсоединен к сигнальному входу (1) третьего ключа электронного КЭЗ 7.
Выходы (2) импульсные питания второго и третьего ключей 6 и 7 соединены с входом (1) импульсным питания накопителя НЭ 8. Выход питания (2) НЭ 8 соединен с входом (1) коммутатора К 11, а сигнальный выход (3) соединен с входом (1) блока БУ 9.
Вход (2) сигнальный устройства УЗ 10 подсоединен к выходу (2) сигнальному блока БУ 9.
Выход (3) сигнальный управления питанием соленоида устройства запуска 10 подсоединен к входу (3) сигнальному управления питания К 11.
Выход (4) сигнальный устройства УЗ 10 соединен с входом (3) сигнальным блока управления 9 и входом (1) сигнальным устройства переключения 13.
Устройство переключения 13 подсоединено своим выходом (2) сигнальным к входу (2) первого ключа управляющего КЛ1 14, а выходом (3) – к сигнальному входу (2) второго ключа управляющего КЛ2 17.
Выход (2) питания коммутатора 11 подсоединен к входу (1) питания устройства Д 12 и к входам (1) питания первого и второго ключей управляющих КЛ1 и КЛ2 14 и 17.
Выходы-входы (3) и (4) питания первого ключа управляемого КЛ1 14 соединены с входами-выходами (1) и (2) полеобразующей системы ПС 18 и входами питания (1) и (2) соленоида СПЛ 15.
Выходы-входы (3) и (4) питания второго ключа управляемого КЛ2 17 соединены с входами-выходами (1) и (2) полеобразующей системы 18 и входами питания (1) и (2) соленоида СОЛ 16.
Соленоиды СПЛ 15 и СОЛ 16 (фиг.12, 13) соединены в общую конструкцию полеобразующей системы 18. Соленоиды, которые выполнены в виде логарифмических спиралей из проводников, закреплены соосно с противоположных сторон плоской диэлектрической подложки. Коэффициенты логарифмирования спиралей имеют противоположные знаки.
Работа устройства
При включении выключателя ВП 2 (фиг.1) его контакты (1) и (2) замыкают цепь питания устройства на источник питания 1. Напряжение с ИП 1 через контакты выключателя ВП 2 поступает на вход (1) питания ключа КЭ3, вход (1) УЗ 10 и на входы (4) питания ключей КЭ2 и КЭ3, генератора Г 4, блока БУ 9 и устройства УП 13.
При включенном выключателе ВП 2 и при нажатии кнопки ключа КЭ1 3 в положение «Вкл» его контакты (1) и (2) замыкаются. При этом управляющий сигнал поступает на вход (1) генератора Г 4, который его запускает. Генерация начинается при замыкании ключа КЭ1 3 на выход (2) генератора Г 4, который вырабатывает сигнал прямоугольной формы, например, в форме «меандра» (фиг.2,в). Этот сигнал поступает на сигнальный вход (1) ключа КЭ2 6 и на сигнальный вход (1) линии задержки ЛЗ 5. На выходе (2) сигнальном ЛЗ 5 формируется сигнал прямоугольной формы, смещенной на половину периода Т/2 «меандра» сигнала генератора Г 4 (фиг.2,г). Сигнал с выхода (2) генератора Г 4 поступает на вход (1) ключа электронного КЭ2 6 и на сигнальный вход (1) линии ЛЗ 5.
При поступлении сигналов на входы (1) ключей электронных КЭ2 6 и КЭЗ 7 ток от источника ИП 1 поступает через выключатель ВП 2, через катушку индуктивности L1 КЭ2 (фиг.6) и открытый транзистор VT3 на клемму (3) общего нуля. При подаче низкого напряжения менее 0,7 В – уровень логического нуля ТТЛ – на входы (1) ключей электронных КЭ2 6 и КЭ3 7 транзистор VT3 закрывается, а ток в катушке не может мгновенно уменьшится из-за ее постоянной времени ее цепи. В результате на стоке транзистора VT3 возникает положительный импульс в виде скачка напряжения. На выходе ключа электронного КЭ2 6 формируется сигнал (фиг.2,д) положительной полярности, а на выходе (2) ключа КЭ3 7 формируется сигнал (фиг.2,е) положительной полярности с задержкой Т/2 на половину периода колебаний сигнала генератора Г 4. Эти сигналы через диод VD1 (фиг.6) заряжают накопитель НЭ 8 (фиг.7) до уровня напряжения 850 В±5% (фиг.2,ж). При достижении требуемого уровня напряжения, например, за время 20-30 сек, оно поступает на вход (1) питания коммутатора 11 и на вход (1) сигнальный блока БУ 9. После подачи питания на вход (4) блока БУ 9 (фиг.8) на его выходе (2) устанавливается состояние логической «1», так как схема собрана на RC-цепочке из резистора R7 и конденсатора С1 и подключена к входу (1) инвертора DA6. Выход (2) инвертора соединен с третьим «S» входом счетчика DA5, что приводит к размыканию контактов устройства УЗ 10 (фиг.9). При необходимости увеличения времени счета количество счетчиков DA5 в схеме может быть увеличено.
После чего начинается заряд конденсаторов накопителя НЭ 8 (фиг.7). Источник ИП 1 через ключи электронные КЭ2 6 и КЭЗ 7 подключены через резистор R1 (фиг.7) развязки к конденсаторам С1-С7 накопителя НЭ 8, которые заряжаются. Сигнал, определяющий уровень напряжения разряда конденсаторов С1-С6, по цепи с выхода (3) сигнального НЭ 8 поступает на вход (1) блока БУ 9. В БУ 9 этот сигнал через делитель напряжение, образованный резисторами R1 и R2, и ограничитель амплитуды DA1 поступает на вход компаратора DA2 через резистор R4 (фиг.8).
Компаратор DA2 производит формирование импульсов при переходе сигнала области, ограниченной пороговыми уровнями ±Uп.Если значение Uп выбрано близким к «0» В, то компаратор DA2 будет вырабатывать импульс при каждом переходе входного сигнала через «0» (фиг.14). Компаратор DA2, выполненный, например, на микросхеме 521СА1, отслеживает уровень зарядов конденсаторов С1-С6 накопителя ЕЭ 8 относительно порогового напряжения Uп и при достижении зарядного напряжения заряда конденсаторов С1-С6 (фиг.7) срабатывает триггер Шмитта DA3, выполненный, например, на микросхеме ТЛ2, на вход (1) которого поступает сигнал с компаратора DA2 через резистор R6. Триггер Шмитта DA3 предназначен для согласования выходного сигнала с компаратора DA2 с уровнем цифровой логики. Триггер Шмитта DA3 срабатывает при установленном уровне и с его выхода сигнал через микросхему «И» поступает на вход «С» счетчика DA5 при появлении на контакте (3) сигнала, который поступает с устройства УЗ 10 на вход «КЭ» счетчика DA5.
Счетчик DA5 сбрасывается в «0», что приводит к установлению выходного уровня напряжения на выходе (2) в логический «0» контактов коммутатора К 11 и конденсаторы накопителя НЭ 8 переходят в режим разряда. Счетчик DA5 к размыканию «Готов к принятию импульсов счета» с выхода схемы «И» DA4. Счетчик DA4 обнуляется во время t1 в момент сброса счетчика DA5 в «0», сигнал с выхода (2) блока БУ 9 поступает на вход (2) устройства УЗ 10 и с его выхода (3) (фиг.2,з) сигнал поступает на коммутатор 11 (фиг.2,и). Идет разряд конденсаторов С1-С6 накопителя НЭ 8 через коммутатор 11, диод VS1 демпфирующего устройства Д 12 (фиг.10), ключи КЛ1 14 и КЛ2 17 на соленоиды СПЛ 15 и СОЛ 16. Одновременно с выхода (4) сигнал управления поступает на вход (1) устройства УП 13, которое одновременно или поочередно подает сигналы на ключи КЛ1 14 и КЛ2 17. Эти ключи определяют форму импульсного магнитного поля.
В положении замкнутых контактов (1-2; 5-4) в ключах 14 и 17 (фиг.11) при разряде конденсаторов накопителя НЭ 8 импульсный ток, протекающий через соленоиды 15 и 16 полеобразующей системы 18, создает суммарное импульсное магнитное поле, форма которого показана на фиг.3а.
В положении замкнутых контактов (1-3; 5-6) в ключах 14 и 17 (фиг.11) импульсный ток, протекающий через соленоиды 15 и 16, изменит направление вектора магнитного поля на 180° (фиг.3б) без изменения формы импульса суммарного магнитного поля с теми же характеристиками и значениями напряженности магнитного поля.
В положении замкнутых контактов (1-2; 5-4) в ключе КЛ1 14 и замкнутых контактов (1-3; 5-6) в ключе КЛ2 17 ток, протекающий через соленоиды 15 и 16, создает суммарное импульсное магнитное поле в форме острого луча (фиг.3в) со значением напряженности магнитного поля, равного значению импульсного магнитного поля, создаваемого соленоидом со спиралью прямого логарифмирования СПЛ 15.
В положении замкнутых контактов (1-3; 5-6) в ключе КЛ1 14 и замкнутых контактов (1-2; 5-4)в ключе КЛ2 17 ток, протекающий через соленоиды 15 и 16, создает в полеобразующей системе 18 суммарное импульсное магнитное поле в форме тороида (фиг.3г) со значением напряженности магнитного поля равным значению напряженности магнитного поля со спиралью с обратным коэффициентом логарифмирования.
Пример выполнения источника импульсного магнитного поля
Источник импульсного магнитного поля выполнен по блок-схеме (фиг.1) и принципиальным схемам его блоков (фиг.4-11).
Блок источника питания постоянного напряжения (ИП) 1 типа Б5-71 (напряжение 0-30 В, ток 0-10 А).
Выключатель питания (ВП) 2, тумблер ТВ 1-2.
Ключ электронный (КЭ1) 3 выполнен на транзисторе типа КТ315, кнопка типа ПКН-2.
Генератор прямоугольных импульсов (Г) 4 выполнен на микросхеме КР1006ВИ1. Линия задержки (Л31) 5 выполнена на микросхеме КР1006ВИ1.
Ключи электронный (КЭ2) 6 и (КЭЗ) 7 выполнены на схемах VT1-BC846, VT2-ВС856, VT3-iRFL014N, VD1-D220A.
Накопитель энергии (НЭ) 8 выполнен на конденсаторах К50-77 (С1-С7).
Блок управления (БУ) 9 выполнен на следующих элементах: ограничитель DA1 – микросхема К174УД1, компаратор DA2 выполнен на микросхеме 51Са1, триггер Шмитта DA3 выполнен на микросхеме К133ТЛ2, DA4, DA6 микросхемы «И» любого типа, счетчик DA5 – микросхема К155УС1, инверторы DA6 и DA7 любого типа.
Устройство запуска (УЗ) 10 выполнено на резисторах, конденсаторах (R1-R4, С1, С2) и схеме K1-PVG128.
Коммутатор (К) 11 выполнен на тиристоре типа Т132-50-12.
Демпфирующее устройство (Д) 12 выполнено на диоде VS1-D132-80-14.
Устройство переключения (УП) 13 выполнено в виде электромеханического переключателя режимов работы.
Ключи управляемые (КУ1) 14 и (КУ2) 17 выполнены на реле РЭС-30.
Соленоиды выполнены из проводников в виде логарифмических спиралей из проводников прямого и обратно логарифмирования и закреплены соосно с двух противоположных сторон плоской подложки из гетинакса.
Полеобразующая система (ПС) 18 представляет собой жесткую конструкцию, выполненную в виде двух логарифмических спиралей из проводника, и залита компаундом на основе эпоксидной смолы.
Импульсное магнитное поле может быть трансформировано в форме:
– колокола;
– колокола с плоской вершиной;
– тонкого (карандашного) луча;
– тороида.
Технический результат изобретения достигнут: устройство позволяет получать импульсное магнитное поле различной формы большой интенсивности с многократным повторением технических характеристик и имеет малые габариты полеобразующей системы.
Формула изобретения
Источник импульсного магнитного поля, содержащий источник питания постоянного напряжения с выходом питания и клеммой общий «нуль», генератор тока, накопитель энергии, два коммутатора токов и полеобразующую систему из одного соленоида, отличающийся тем, что введены выключатель питания, первый ключ электронный, линия задержки, блок управления, устройство запуска, коммутатор, демпфирующее устройство, устройство переключения, первый и второй ключи управляемые и второй соленоид, причем коммутаторы токов выполнены в виде второго и третьего ключей электронных, выключатель питания имеет вход и выход, первый ключ электронный имеет вход питания, выход и клемму общего нуля, генератор тока выполнен в виде генератора прямоугольных импульсов имеет входы сигнальный и питания, выход сигнальный прямоугольных импульсов и клемму общего нуля, линия задержки имеет вход и выход, второй и третий ключи электронные имеют вход сигнальный, вход питания, выход импульсного питания и клемму общего нуля, накопитель энергии имеет вход импульсного питания, выходы питания и сигнальный и клемму общего нуля, блок управления имеет три входа: два сигнальные и один питания, выход сигнальный и клемму общего нуля, устройство запуска имеет входы питания и сигнальный, выход сигнальный управления питанием соленоида и выход сигнальный управления зарядом конденсаторов накопителя энергии и одну клемму общего нуля, коммутатор имеет входы питания и сигнальный управления питанием соленоидов и выход питания, демпфирующее устройство имеет вход и клемму общего нуля, устройство переключения имеет входы сигнальный и питания и два выхода сигнальные управления и клемму общего нуля, первый и второй ключи управляемые имеют входы питания и сигнальный и по два выхода-входа и клемму общего нуля, соленоиды имеют по два входа питания, полеобразующая система имеет четыре входа-выхода питания, кроме того, выход источника питания подключен к входу выключателя питания, а клемма общего нуля источника питания соединена с общими клеммами нуля: первого, второго и третьего ключей электронных, генератора тока, накопителя энергии, блока управления, устройства запуска, устройства переключения, первого и второго ключей управляемых и демпфирующего устройства, причем выход выключателя питания соединен с входами питания первого, второго и третьего ключей электронных, устройства запуска, генератора тока, блока управления и устройства переключения, кроме того, выход сигнальный первого ключа электронного подсоединен к сигнальному входу генератора тока, выход которого подсоединен к входу линии задержки и входу сигнальному второго ключа электронного, причем выход линии задержки подсоединен к сигнальному входу третьего ключа электронного, кроме того, выходы импульсные питания второго и третьего ключей электронных соединены с входом импульсным питания накопителя энергии, выход питания которого соединен с входом питания коммутатора, а сигнальный вход блока управления соединен с сигнальным выходом накопителя энергии, причем вход сигнальный устройства запуска подсоединен к выходу сигнальному блока управления, кроме того, выход сигнальный управления питанием соленоида устройства запуска подсоединен к входу сигнальному управления питания коммутатора, причем выход сигнальный устройства запуска соединен с входом сигнальным блока управления и входом сигнальным устройства переключения, кроме того, устройство переключения подсоединено одним выходом сигнальным к входу первого ключа управляемого, а вторым выходом к сигнальному входу второго ключа управляемого, причем выход питания коммутатора подсоединен к входу питания демпфирующего устройства и к входам питания первого и второго ключей управляемых, кроме того, выходы-входы питания первого ключа управляемого соединены с первыми входами-выходами полеобразующей системы и входами питания соленоида со спиралью прямого логарифмирования, причем выходы-входы питания второго ключа управляемого соединены с вторыми входами выходами полеобразующей системы и входами питании соленоида со спиралью обратного логарифмирования, кроме того, соленоиды полеобразующей системы выполнены в виде логарифмических спиралей из проводников с коэффициентами логарифмирования противоположного знака, и закреплены соосно с противоположных сторон плоской диэлектрической подложки.
РИСУНКИ
|