|
|
(21), (22) Заявка: 2008105552/11, 18.02.2008
(24) Дата начала отсчета срока действия патента:
18.02.2008
(46) Опубликовано: 27.06.2009
(56) Список документов, цитированных в отчете о поиске:
US 5896766 А, 27.04.1999. US 5329793 А, 19.07.1994. RU 2093386 C1, 20.10.1997. RU 21380 U1, 20.01.2001. GB 2289247 A, 15.11.1995.
Адрес для переписки:
119180, Москва, 2-й Хвостов пер., 10, к.2, кв.25, А.В. Губанову
|
(72) Автор(ы):
Губанов Александр Владимирович (RU)
(73) Патентообладатель(и):
Губанов Александр Владимирович (RU)
|
(54) ПРОТИВОУГОННОЕ АНТИБУКСИРОВОЧНОЕ УСТРОЙСТВО
(57) Реферат:
Изобретение предназначено для защиты от угона, включая несанкционированную буксировку транспортного средства. Противоугонное антибуксировочное устройство состоит из корпуса замкового механизма с крепежными узлами, захватывающего дважды U-образно изогнутого элемента, стягивающего штока, запираемого с одного конца в замковом механизме. Корпус замкового механизма неподвижно закреплен на стенке внутрисалонного кузова в водительском ящике под разделяющим передние сидения откидывающимся подлокотником. Достигается повышение надежности, уменьшение габаритов противоугонного устройства. 1 з.п. ф-лы, 3 ил.
Устройство предназначено для защиты транспортного средства от несанкционированного использования и угона посторонними лицами, в том числе буксировкой, и может быть применено на практике при наличии в системе ручного управления рычажного стояночного тормоза. Сущность изобретения: противоугонное антибуксировочное устройство транспортного средства блокирует рычаг стояночного тормоза в его рабочем поднятом положении, для чего содержит съемную скобу, усиленную ребром жесткости, охватывающую рычаг стояночного тормоза, а также вставленную обоими концами с запорными выемками в гнезда запираемого ключом замкового механизма, неподвижно установленного с помощью крепежных узлов на стенке, точечно защищенной стальными накладками, внутрисалонного кузова, например в легкодоступном водительском ящике подразделяющим передние сидения и откидывающимся подлокотником.
Изобретение относится к машиностроению, в частности механическим устройствам, используемым в транспортных средствах для предотвращения их угона и кражи.
Известны механические противоугонные устройства, блокирующие такие элементы управления транспортных средств, как рулевое колесо (патент РФ 2214336, B60R 25/00), педали автомобиля (патент РФ 2003522, кл. тот же), а также жестко фиксирующие при помощи штоковой тяги сразу два элемента управления, например руль и педали, включая педаль тормоза в незадействованном положении (патент РФ 2022832, кл. тот же), рычаг переключения передач и рычаг стояночного тормоза в нерабочем опущенном положении (патент РФ 2041087, кл. тот же). При этом стягивающий шток одним из его концов вставляется в корпус замкового механизма и запирается с помощью ключа, а блокировка элементов управления осуществляется с помощью захватывающего крюка и вилочного захвата, которыми оснащены корпус замкового механизма и противоположный от него конец штока. Последнее из устройств выбрано в качестве прототипа.
Все упомянутые устройства не препятствуют краже транспортного средства посредством его буксировки. Недостатками прототипа являются сложность и ненадежность конструкции, габариты и конфигурация устройства, исключающие удобное хранение в салоне автомобиля «под рукой водителя». Устройство в целом размещено в салоне автомобиля таким образом, что допускает свободу манипуляций по взлому механизма секретности замка, разрушению штоковой тяги и захватывающего крюка. Одновременная блокировка двух элементов управления является в данном случае вынужденным конструктивным приемом, поскольку один из элементов управления (например, рычаг стояночного тормоза или педали) служат неподвижной крепежной базой, к которой при помощи штока притягивается жестко и с минимальным люфтом второй элемент управления (например, рычаг переключения передач или рулевое колесо). В результате, рычаг стояночного тормоза фиксируется в нерабочем опущенном положении, а педаль тормоза не задействована, что ни как не препятствует несанкционированному движению, например буксировке, транспортного средства. По существу двойная блокировка является в противоугонных целях излишней, что скорее снижает, чем обеспечивает защищенность и надежность устройства. Кроме того, область применения прототипа ограничена требованием к непременно грушевидной форме поперечного сечения ручки рычага стояночного тормоза, необходимостью вмешательства в его конструкцию, что нежелательно и не всегда возможно.
Изобретение преследует следующее цели. Затруднить угон транспортного средства, включая несанкционированную буксировку, упростить и повысить надежность конструкции, уменьшить габариты и создать условия для удобного хранения устройства в кабине водителя, ограничить возможности для преднамеренной разблокировки рычага стояночного тормоза посредством разрушения штоковой тяги, взлома механизма секретности запорного блока или иным противоправным способом.
Указанные задачи достигаются за счет блокировки стояночного тормоза в рабочем поднятом положении, определенного размещения и закрепления корпуса замкового механизма, изменений геометрических параметров и конструкции штока, усиления его на уязвимом участке, точечной защиты стенок внутрисалонного кузова.
Для решения этих задач корпус замкового механизма оснащен крепежными узлами (фланцами или отверстиями в корпусе с резьбой под болты), неподвижно установлен на стенке внутрисалонного кузова, например в легкодоступном пространстве, используемом в качестве водительского ящика, под откидывающимся подлокотником, разделяющим передние сидения транспортного средства. При этом в передней двойной стенке водительского ящика и защитных стальных накладках рассверливаются взаимно расположенные вертикально сквозные отверстия, соответствующие гнездам в корпусе замка под концы съемной скобы, блокирующей рычаг стояночного тормоза в рабочем поднятом положении. Таким образом, неподвижной крепежной базой устройства служит в этом случае стенка внутрисалонного кузова автомобиля. Габариты корпуса запорного устройства и внутренней защитной стальной накладки, размещенные в водительском ящике, подбираются таким образом, чтобы легко можно было вставить в замок и поворачивать ключ, но стеснить условия взлома механизма секретности или разрушения корпуса замка. В качестве корпуса замкового механизма может быть использован модифицированный указанным способом корпус широко распространенных замков со съемной душкой (патент РФ 2124105, Е05В 67/20), на практике – например модель ВС 901, выпускаемая ООО «Эмиссар».
Кроме того, стягивающий шток устройства выполнен в виде съемной скобы дважды U-образно изогнутой на 180 градусов во взаимно перпендикулярных плоскостях. Первый изгиб в плоскости перемещения рычага стояночного тормоза исполняется таким образом, чтобы оба конца с запорными выемками упомянутой скобы без усилий проходили насквозь через отверстия в стенках внутрисалонного кузова и его защитных стальных накладках и входили в гнезда (вынимались из гнезд) корпуса замкового механизма. Второй изгиб скобы исполняется в плоскости перпендикулярной перемещению рычага стояночного тормоза, под углом, обеспечивающим охват рычага по его профилю в рабочем поднятом положении.
Главным слабым местом прототипа является шток, стягивающий и захватом блокирующий элементы управления, поскольку данная составная часть противоугонного устройства может быть без труда разрушена самым примитивным механическим способом с помощью ножовки по металлу. Для устранения данного недостатка конструкция съемной скобы на самом уязвимом горизонтальном участке от рычага стояночного тормоза до стенки внутрисалонного кузова транспортного средства усиливается ребром жесткости, привариваемом к ее обоим концам.
Для предотвращения взлома противоугонного антибуксировочного устройства точечным разрушением стенок внутрисалонного кузова, чаще всего изготовляемых из непрочного пластика, они защищаются в месте размещения и крепления корпуса замкового устройства стальными накладками.
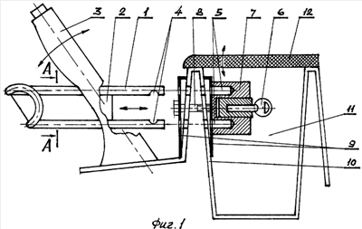
На фиг.1 показано устройство (вид со стороны водительского сидения в автомобиле с левым рулем), обеспечивающее блокировку рычага стояночного тормоза транспортного средства; на фиг.2 – вид сверху (подлокотник условно не показан) на фиг.1; на фиг.3 – сечение А-А на фиг.1.
Противоугонное антибуксировочное устройство содержит блокирующую съемную скобу 1, усиленную на определенном горизонтальном участке ребром жесткости 2, охватывающую рычаг стояночного тормоза 3 и вставленную обоими концами, имеющими запорные выемки 4, в гнезда 5 корпуса запираемого ключом 6 замкового механизма 7, с помощью крепежных узлов 8 (фланцевого 8.1 либо в виде отверстий в корпусе с резьбой под болты 8.2) и с применением защитных стальных накладок 9 установленного на стенке внутрисалонного кузова 10, например в легкодоступном пространстве водительского ящика 11 под разделяющим передние сидения и откидывающимся подлокотником 12.
Устройство работает следующим образом. Сразу после парковки транспортного средства стояночный тормоз приводится в рабочее поднятое положение. Поднимается откидывающийся подлокотник 12 и из водительского ящика 11 достается съемная скоба 1, хранившаяся там во время движения автомобиля. Упомянутая скоба 1 вставляется обоими концами с запорными выемками 4 через сквозные отверстия в стенках внутрисалонного кузова 10 и защитных стальных накладках 9 в гнезда 5 корпуса замкового механизма 7 таким образом, чтобы своим U-образным изгибом охватывает рычаг стояночного тормоза 3. При повороте ключа 6 оба конца с запорными выемками 4 скобы 1 жестко фиксируются в гнездах 5 замкового механизма 7, чем исключается ее любые перемещения, а вместе с ней и заблокированного рычага стояночного тормоза 3. Попыткам слома устройства при помощи разрушения скобы 1, что более доступно и имеет смысл на ее прямых горизонтальных участках, противостоит усиливающее ребро жесткости 2, приваренное к ее обоим концам в самом уязвимом месте между рычагом стояночного тормоза 3 и защитной стальной накладкой 9 лицевой поверхности стенки внутрисалонного кузова 10. Стальные накладки 9 служат для защиты от злонамеренного точечного разрушения стенок внутрисалонного кузова 10.
Разблокировка стояночного тормоза, снятие противоугонного антибуксировочного устройства и его размещение на временное хранение осуществляется в обратном порядке, составляет малый ряд простейших действий: вставить в замок и повернуть ключ, вынуть съемную скобу, положить ее в водительский ящик и закрыть подлокотником, что занимает считанные секунды.
Предложенный вариант размещения корпуса замка, наряду с возможностью удобного хранения съемной скобы в закрываемом водительском ящике устраняют опасность загрязнения механизма секретности и запорных выемок на концах скобы, что в противном случае может привести к невозможности как установить противоугонное антибуксировочное устройство, так и открыть замок и разблокировать рычаг стояночного тормоза.
Поскольку доступ взломщика к механизму секретности замка в ограниченном пространстве водительского ящика затруднен, единственно когда транспортное средство может быть несанкционированно использовано или похищено является метод разрушения блокирующей скобы либо стенок внутрисалонного кузова, что благодаря усиливающего ребра жесткости и защитных стальных накладок трудно осуществимо, а в последнем случае неприемлемо для злоумышленника, т.к. оставляет очевидные и практически неустранимые следы угона.
Формула изобретения
1. Противоугонное антибуксировочное устройство, состоящее из корпуса замкового механизма с крепежными узлами, захватывающего дважды U-образно изогнутого элемента, стягивающего штока, запираемого с одного конца в замковом механизме, отличающееся тем, что корпус замкового механизма неподвижно закреплен на стенке внутрисалонного кузова в водительском ящике под разделяющим передние сиденья откидывающимся подлокотником.
2. Устройство по п.1, отличающееся тем, что за пределами замкового механизма и захватывающего дважды U-образно изогнутого элемента к его обоим концам приварено усиливающее ребро жесткости.
РИСУНКИ
|
|