|
|
(21), (22) Заявка: 2007142572/09, 19.11.2007
(24) Дата начала отсчета срока действия патента:
19.11.2007
(46) Опубликовано: 10.06.2009
(56) Список документов, цитированных в отчете о поиске:
RU 2304361 C1, 10.08.2007. RU 2249858 C2, 10.04.2005. JP 2007052105 A, 01.03.2007.
Адрес для переписки:
215116, Смоленская обл., г. Вязьма, ул. Пушкина, 22, кв.38, Б.И. Волкову
|
(72) Автор(ы):
Волков Борис Иванович (RU)
(73) Патентообладатель(и):
Волков Борис Иванович (RU)
|
(54) ВИДЕОКАМЕРА
(57) Реферат:
Изобретение относится к бытовой цифровой видеотехнике, может использоваться для записи и воспроизведения видеоинформации. Техническими результатами являются упрощение конструкции фотоэлектрического преобразователя и увеличение в два раза разрешения кадра, достигаемые введением в видеокамеру двух ключей, самоходного распределителя импульсов, трех элементов ИЛИ, в фотоэлектрический преобразователь двух матриц ПЗИ, в устройство воспроизведения блока выделения синхроимпульсов стереопар /СИС/, в каждый канал устройства воспроизведения накопителя кодов кадра и формирователя управляющих сигналов, а устройство отображения видеоинформации представляется плоскопанельным светодиодным экраном. 10 ил., 2 табл.
Изобретение относится к бытовой цифровой видеотехнике, может использоваться для записи и воспроизведения видеоинформации. Прототипом принята “Видеокамера” [1], содержащая правый и левый объективы, фотоэлектрический преобразователь /ФЭП/, являющийся датчиком видеосигналов двух изображений одного пространства и включающий три пьезодефлектора с отражателями на их торцах, три усилителя, источники опорных напряжений, блоки строчной и кадровой развертки, четыре дихроичных зеркала, шесть микрообъективов, шесть фотоприемников, шесть предварительных усилителей, и содержащая шесть АЦП видеосигнала, два АЦП сигнала звука, синтезатор частот, первый ключ, триггер, второй и третий ключи, с первого по шестой кодеры, два кодера сигнала звука, пять блоков элементов И, видеоискатель, накопитель цифровой информации и устройство воспроизведения, которое содержит синтезатор частот, три канала сигналов R, G, В, два канала звука, элемент И и ключ, ИК-передатчик на корпусе цифрового монитора, ЗД-очки с ИК-приемником на оправе очков. Каналы сигналов R, G, В идентичны, каждый включает ключ и последовательно соединенные декодер, блок обработки /удвоения/ кодов и блок импульсных усилителей, выходы которых подключены к входам цифрового монитора. Видеорежим при получении видеоинформации 400отс×600стр×50 Гц, видеорежим при воспроизведении 800отсч×600строк×50 Гц, разрешение кадра 480000 пикселов /800×600/. Недостатками прототипа являются: конструкция ФЭП требует поддержания прецизионной юстировки при эксплуатации, недостаточное разрешение кадра /800×600/.
Цель изобретения – упрощение устройства ФЭП и увеличение разрешения кадра в два раза. Техническими результатами являются упрощение конструкции ФЭП введением в него двух матриц ПЗИ /приборов с зарядовой инжекцией, изготовленные по технологии Foreon X3 [2 с.552]/ и исключением из ФЭП пьезодефлекторов и блоков строчной и кадровой разверток, увеличение в два раза разрешения кадра /1200×800/ введением в каждый канал сигнала R, G, В накопителя кодов кадра и формирователя управляющих сигналов, и представлением устройства отображения видеоинформации плоскопанельным светодиодным экраном /СД-экраном/. Сущность изобретения в том, что в видеокамеру, содержащую первый и второй объективы, ФЭП, три АЦП видеосигнала, три кодера, три блока элементов И, синтезатор частот, три ключа и триггер, накопитель цифровой информации и устройство воспроизведения, включающее синтезатор частот, три канала сигналов R, G, B, каждый из которых включает ключ, декодер и блок обработки кодов, и устройство отображения видеоинформации с ИК-передатчиком, ЗД-очки с ИК-приемником на оправе, вводятся два ключа, самоходный распределитель импульсов /СРИ/, три элемента ИЛИ, в ФЭП вводятся две матрицы ПЗИ, и в устройство воспроизведения вводятся седьмой ключ и блок выделения синхроимпульса стереопар /СИС/, а в каждый канал сигнала R, G, В вводятся накопитель кодов кадра и формирователь управляющих сигналов, устройство отображения видеоинформации представляется плоскопанельным светодиодным экраном /СД-экран/. В видеокамере сформируется изображение одного пространства в двух последовательно идущих правом и левом кадрах, составляющих стереопару. Частота стереопар 25 Гц, частота кадров 50 Гц /25+25/.
Видеорежим в видеокамере: 600отсч×800строк×50 Гц. Получаемая информация в каждом кадре проходит сжатие за период кадра в 4 раза /или более/ и заносится в накопитель цифровой информации. При воспроизведении накопитель цифровой информации подключается к устройству воспроизведения, в котором сжатая информация восстанавливается, число отсчетов в каждой строке удваивается. Коды сигналов каждого кадра сосредотачиваются за период кадра в трех накопителях кодов кадра, кадровый импульс следующего кадра синхронно выдает коды R, G, В в три формирователя управляющих сигналов, преобразующих величину каждого кода в соответствующее ему число импульсов излучении светодиодов в СД-экране.
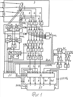
Схема видеокамеры на фиг.1, устройство воспроизведения на фиг.2, накопитель кодов кадра на фиг.3, блок регистров на фиг.4 и 5, блок выделения СИС на фиг.7, формирователь управляющих сигналов на фиг.6, СД-ячейка на фиг.8, излучающий элемент матрицы на фиг.9, расположение излучающих элементов в СД-экране на фиг.10. Частота дискретизации кодов видеосигналов составляет
fАЦП=800строк×600отсч×50 Гц=24 МГц,
где: 800 – число кодируемых строк в кадре,
600 – число кодируемых отсчетов в строке,
50 Гц – частота кадров: 25 правых + 24 левых.
Частота строк fс=800×50 Гц=40 кГц. Наименьший коэффициент сжатия потока кодов кадра принимается 4. Частота дискретизации кодов в сжатом потоке 6 МГц Тактовая частота при последовательном следовании кодов в последовательном виде в сжатом потоке: 
где: – число отсчетов в строке в сжатом потоке кодов,
9 раз – число разрядов в коде на выходе каждого кодера.
Видеорежим при воспроизведении: 800стр×1200отс×50 Гц, разрешение кадра 960000/1200×800/ пикселов.
Видеокамера включает /фиг.1/ первый /правый/ объектив 1, второй /левый/ объектив 2, фотоэлектрический преобразователь 3 /ФЭП/, являющийся датчиком видеосигналов в двух изображениях одного пространства и формирующий три видеосигнала правого кадра RП, GП, ВП и три видеосигнала левого кадра RЛ, GЛ, ВЛ, и содержит первую матрицу ПЗИ 4, фоточувствительная сторона которой расположена в фокальной плоскости первого объектива 1, вторую матрицу 5, фоточувствительная сторона которой расположена в фокальной плоскости второго объектива 2. Матрица ПЗИ – прибор с зарядовой инжекцией по технологии Foreon Х3 из трехслойного КМОП-датчика [2 с.552] и [3 с.832, 833, 835] с соответствующим оптическим разрешением /не менее 800×600/, первый, второй и третий выходы матрицы ПЗИ 4 подключены к первым входам предварительных усилителей 6, 7, 8, первый – третий выходы матрицы ПЗИ 5 подключены к вторым входам предварительных усилителей 6, 7, 8, выходы которых являются первым – третьим выходами ФЭП. Видеокамера включает первый 9, второй 10, третий 11 АЦП видеосигнала R, G, В, выполненные идентично АЦП в прототипе [1 с.4, 5, фиг.5], первый 12, второй 13, третий 14 кодеры, выполненные идентично кодерам в прототипе [1 с.5, фиг.10], первый 15, второй 16, третий 17 блоки элементов И, также выполненные идентично этим же блокам в прототипе [1 с.22, фиг.9], выходы которых подключены к первым входам соответственно 18, 19, 20 элементов ИЛИ, синтезатор 21 частот, последовательно соединенные первый ключ 22 и триггер 23, второй ключ 24, третий ключ 25, введенные четвертый ключ 26 и пятый ключ 27 и самоходный распределитель 28 импульсов /СРИ/, выход которого подключен параллельно к вторым входам элементов ИЛИ 18, 19, 20, включает видеоискатель 29, последовательно соединенные первый АЦП 30 сигнала звука, первый кодер 31 сигнала звука и первый блок 32 элементов И сигнала звука, последовательно соединенные второй АЦП 33 сигнала звука, второй кодер 34 сигнала звука и второй блок 35 элементов И сигнала звука, накопитель 36 цифровой информации и устройство 37 воспроизведения. Самоходный распределитель 28 импульсов имеет девять разрядов, выходы которых объединены, объединенный выход подключен параллельно к вторым входам элементов ИЛИ 18, 19, 20. При поступлении на вход самоходного распределителя 28 импульсов /СРИ/ пускового импульса 25 Гц он выдает код из девяти единиц 111111111, являющийся синхроимпульсом стереопар СИС. Три кода СИС синхронно поступают на первый – третий входы блока 36 и являются первым кодом в каждой стереопаре. Устройство 37 воспроизведения /фиг.2/ содержит синтезатор 38 частот, шестой 39 и седьмой 40 ключи, вновь введенный блок 41 выделения синхроимпульса стереопар СИС, канал сигнала R, включающий первый ключ 42 и последовательно соединенные первый декодер 43, первый блок 44 обработки кодов, первый накопитель 45 кодов кадра и первый формирователь 46 управляющих сигналов, канал сигнала G, включающий второй ключ 47 и последовательно соединенные второй декодер 48, второй блок 49 обработки кодов, второй накопитель 50 кодов кадра и второй формирователь 51 управляющих сигналов, канал сигнала В, включающий третий ключ 52, и последовательно соединенные третий декодер 53, третий блок 54 обработки кодов, третий накопитель 55 кодов кадра и третий формирователь 56 управляющих сигналов, содержит первый канал звука, включающий четвертый ключ 57, последовательно соединенные декодер 58 кодов звука, регистр 59 сигнала звука, блок 60 формирования аналового сигнала звука и громкоговоритель 61, второй канал звука, включающий пятый ключ 62, последовательно соединенные декодер 63 кодов звука, регистр 64 сигнала звука, блок 65 формирования аналового сигнала звука и громкоговоритель 66, и включает плоскопанельный светодиодный экран 67 с ИК-передатчиком 68 на корпусе СД-экрана, ЗД-очки 69 и ИК-приемник 70 на оправе ЗД-очков. Декодеры 43, 48, 53 выполнены идентично декодерам в прототипе [1 с.5, фиг.11], декодеры 63, 58 кодов звука выполнены аналогично декодерам в прототипе. Блоки 44, 49, 54 обработки кодов выполнены идентично этим же блокам в прототипе [1 c.6, 11, фиг.12]. Накопители 45, 50, 55 кодов кадра идентичны, каждый включает /фиг.3/ последовательно соединенные блоки 71 регистров, которых по числу строк 800 в кадре, т.е. 711-800. Информационным входом блока 45 /50, 55/ являются поразрядно объединенные первый – восьмой входы всех блоков 711-800 регистров. Выходами являются выходы всех блоков 71 регистров, всего выходов 7,68×106/1200×8×800/. Управляющими входами являются: первым – первый управляющий вход /50 Гц/ первого блока 711 регистров, вторым – объединенные вторые управляющие входы /Uвыд 40 кГц/ блоков 71, третьим – объединенные третьи управляющие входы /Uд48 МГц/ блоков 71 /фиг.3/. Управляющий вход каждого предыдущего блока 71 регистров является первым управляющим входом для каждого последующего блока 71 регистров. Управляющий выход последнего /800-го/ блока регистров подключен параллельно к четвертым управляющим входам всех блоков 71 регистров. Блоки 71 регистров идентичны, каждый включает /фиг.4, 5/ первый 72 и второй 73 ключи, распределитель 74 импульсов и восемь регистров 751-8, каждый из которых содержит по 1200 разрядов /по числу отсчетов в строке/. Информационными входами 1-8 блока 71 регистров являются поразрядно объединенные первый – восьмой третьих разрядов восьми регистров 75. Выходами являются параллельные выходы всех разрядов восьми регистров 75, всего выходов 9600/1200×8/. Выходы 800 блоков 71 регистров являются выходами каждого накопителя 45, 50, 55 кодов кадра. Управляющими входами являются: первым – первый управляющий вход /50 Гц/ первого ключа 72, вторым – сигнальный вход /Uвыд 40 кГц/ второго ключа 73, третьим – сигнальный вход /Uд 48 МГц/ первого ключа 72, четвертым – первый управляющий вход второго ключа 73. Выход ключа 72 подключен к входу распределителя 74 импульсов, выходы которого последовательно с первого по 1200-й подключены к первым /тактовым/ входам разрядов параллельно восьми регистров 75. Последний выход блока 74 подключен к второму управляющему входу первого ключа 72 и является управляющим выходом блока 71 и подключен к первому управляющему входу ключа 72 в следующем блоке 72 /фиг.5/. Выход второго ключа 73 подключен параллельно к вторым входам разрядов восьми регистров 75 и к второму управляющему входу ключа 73, прошедший один импульс Uвыд закрывает ключ 73. Выходы накопителей 45, 50, 55 кодов кадра подключены /фиг.2/ к информационным входам формирователей 46, 51, 56 управляющих сигналов своих каналов, назначение которых выполнять преобразование “код – число импульсов излучений” для получения скважности излучения каждого светодиода за период кадра соответственно величине кода цветового сигнала. Каждый из блоков 46, 51, 56 включает /фиг.6/ блок 76 формирователей импульсов, содержащий идентичные схемы формирователей импульсов по числу преобразователей и вход которого является управляющим входом Uк 50 Гц, и содержит преобразователи «код – число импульсов излучений» по числу отсчетов в строке 1200 и числу строк в кадре 800, т.е. 960000/1200×800/. Преобразователи идентичны, каждый включает /фиг.6/ последовательно соединенные дешифратор 77, информационные входы которого с первого по восьмой являются и информационными входами формирователя управляющих сигналов, блок 78 ключей из 255 ключей и выходной ключ 79, включает самоходный распределитель 80 импульсов /СРИ/ и источник 81 питания одного светодиода в СД-экране. 255 выходов дешифратора 77 подключены к первым управляющим входам Uот соответствующих ключей в блоке 78 ключей, выходы ключей объединены и подключены к управляющему входу Uот выходного ключа 79, сигнальный вход которого подключен к выходу источника 81 питания. Вход СРИ 80 подключен к своему выходу в блоке 76 формирователей импульсов и имеет 255 разрядов, выходы которых подключены к сигнальным входам соответствующих 255 ключей в блоке 78 /вход 2/. Информационными входами блока 46 /51, 56/ являются информационные входы всех дешифраторов 77, выходы всех выходных ключей 79 являются выходами блока 46 /51, 56/, которые подключены к соответствующим входам СД-экрана 67 /фиг.2/. Исходное состояние выходных ключей 79 и ключей в блоках 78 закрытое. На управляющий вход блока 46 поступает сигнал Uк 50 Гц, который поступает параллельно на входы всех схем формирователей импульсов, формирующих импульсы соответствующей амплитуды и длительности, являющиеся пусковыми Uп для СРИ 80. Каждый импульс с блока 78 ключей открывает выходной ключ 79 на время 78 мкс: 20 мс – длительность кадра, 255 – разрешение 8-разрядного кода, число выходов с блока 80. С приходом кода в дешифратор 77 сигналы с его выходов открывают соответствующие ключи в блоке 78, которые последовательно пропускают на вход выходного ключа 79 с соответствующих разрядов блока 80 сигналы Uот, и светодиод в СД-экране за период кадра выдает соответствующее число импульсов излучений, следующие друг за другом через равные интервалы времени. Чем больше величина кода, тем больше импульсов излучений выдает светодиод за период кадра. Пример распределения импульсов излучений в периоде кадра приведен в таблице 1.
0 – отсутствие импульса излучения,
1, 2, 3 – 255 – последовательное следование излучений в периоде кадра. Следование импульсов излучений в кадре через соответствующие равные интервалы времени создают естественные условия для восприятия зрением человека яркости изображения и достоверности цветопередачи. Инерционность срабатывания принимается до I мкс. По окончании накопления кодов кадра блоками 45, 50, 55 все коды R, G, В синхронно выдаются в блоки 46, 51, 56, где они преобразуются в число подач напряжения питания на светодиоды СД-экрана 67. Современные технологии позволяют выполнить каждый из блоков 45, 55, 50, 46, 51, 56 одной микросхемой. Блок 41 выделения СИС включает /фиг.7/ первый 82, второй 83, третий 84 счетчики импульсов, счетные входы которых являются первым – третьим входами блока 41, первый 85 и второй 86 элементы И, первый 87, второй 88, третий 89 элементы НЕ и диод. Выходы первого и второго счетчиков импульсов 82, 83 подключены к входам элемента И 85, выход которого и выход третьего счетчика импульсов 84 подключены к входам второго элемента И 86, выход которого является выходом блока 41. Входы элементов НЕ подключены к счетным входам первого-третьего счетчиков 82, 83, 84 импульсов, выходы элементов НЕ и выход элемента И 86 через диод объединены и подключены параллельно к управляющим входам счетчиков импульсов 82, 83, 84. Плоскопанельный светодиодный экран 67 представляет совокупность излучающих элементов в матрице по числу разрешения кадра 960000, которые выполняются в стекле СД-экрана. СД-экран включает экранное стекло и матрицу из излучающих элементов по числу разрешения кадра /1200×800/960000 пикселов. Каждый излучающий элемент включает /фиг.9/ три светодиодных ячейки /СД-ячейки/, каждая из которых излучает один из основных цветов R, G, B. СД-ячейка содержит /фиг.8/ светодиод 90 белого свечения и соответствующие цветной светофильтр 91 на излучающий стороне. Три СД-ячейки составляют излучающий элемент /фиг.9/, расположение которых в СД-экране на фиг.10. Уровень яркости излучения СД-ячейки пропорционален числу импульсов излучений светодиода за период кадра, которых может быть от 1 до 255, занимающих от 78 мкс до 20 мс. Суммарное излучение трех основных цветов тремя СД-ячейками формирует яркость и цветовой тон одного пиксела экрана. В качестве светодиодов могут быть применены сверхъяркие светодиоды типа производимых фирмами “Nichia”, «Ledtronics», «Kingbright» [4 с47], но диаметром до 0,5 мм /фиг.8/, а лучше светодиоды, разрабатываемые по технологии PLЕД, использующей светодиоды с полимерными органическими молекулами [5 с.43]. Светодиоды исполняются в стекле /или в пленке/ методом микроэлектронной технологии. При размере одного излучающего элемента 1×1 мм /фиг.9/ размеры СД-экрана составляют: по горизонтали 1200×1 мм = 1200 мм, по вертикали 800×1 мм = 800 мм, по диагонали 1442 мм или 56,7 дюймов. Фотоэлектрический преобразователь 3 матрицами ПЗИ 4 и 5 формирует три аналоговых цветовых сигнала правого изображения и три аналоговых цветовых сигнала левого изображения. В первом периоде кадра /50 Гц/ импульсы 24 МГц считывания сигналов R, G, В пикселов по горизонтали [3 с.832] поступают с ключа 24 на второй вход матрицы ПЗИ 4 и 40 кГц с ключа 26 на первый вход матрицы ПЗИ 4 для считывания сигналов по вертикали. Аналоговые видеосигналы с первого-третьего выходов матрицы ПЗИ 4 поступают на первые входы предварительных усилителей 6, 7, 8. При втором кадре импульсы 24 МГц и 40 кГц поступают с ключей соответственно 25 и 27 на второй и первый входы второй матрицы ПЗИ 5 для считывания сигналов пикселов. Аналоговые видеосигналы с 1-3 выходов второй матрицы ПЗИ 5 поступают на вторые входы предварительных усилителей 6, 7, 8. Чередуясь, на входы АЦП 9, 10, 11 поступают аналоговые цветовые сигналы сначала правого, затем левого кадров стереопары. Порядок следования в стереопаре первым правого кадра задают ключ 22 и триггер 23. Ключ 22 открывается сигналом 25 Гц стереопары с восьмого выхода синтезатора 21 частот. Открытый ключ 22 пропускает импульсы 50 Гц в триггер 23. С приходом первого импульса 50 Гц сигнал с первого выхода триггера 23 открывает ключи 24, 26, считываются сигналы с первой матрицы ПЗИ 4. С приходом второго импульса 50 Гц на вход триггера 23 сигнал с его второго выхода открывает ключи 25, 27, считываются сигналы с второй матрицы ПЗИ 5. АЦП 9-11 преобразуют аналоговые сигналы в 8-разрядные коды, которые с частотой 24 МГц в параллельном виде поступают на входы своих кодеров 12, 13, 14. Синтезатор 21 частот выдает: с первого выхода импульсы 24 МГц дискретизации видеосигналов на сигнальные входы 24, 25, со второго – импульсы частоты кадров 50 Гц на вход первого ключа 22 и на первый вход видеосигнал 29, с третьего – импульсы дискретизации 90 кГц сигнала звука на управляющие входы АЦП 30, 33 сигнала звука, с четвертого – тактовые импульсы 1,53 МГц сигнала звука на управляющие входы блоков 32, 35 элементов И и на первый управляющий вход накопителя 36 цифровой информации, с пятого выхода тактовые импульсы 54 МГц на второй управляющий вход блока 36, с шестого – импульсы 6 МГц Uвыд на управляющие входы блоков 15-17 элементов И, с седьмого выхода импульсы 40 кГц частоты строк на сигнальные входы ключей 26, 27 и на второй управляющий вход видеоискателя 29, с восьмого – импульсы частоты 45 Гц стереопар на управляющий вход первого ключа 22 и на вход СРИ 28. АЦП 33, 30 преобразуют сигналы звука в 16-разрядные коды, которые в параллельном виде поступают на входы кодеров 31, 34, С АЦП 9-11 коды поступают соответственно в 12-14 кодеры, выполняющие сжатие потока кодов выполнением операций: сравнения величин кодов для выявления кодов, равных по величине и следующих друг за другом, подсчет числа кодов, равных по величине, и формирование двоичного кода этого числа, введение кода числа равных кодов в поток вслед за первым кодом своей последовательности и введение в этот код маркера /сигнала в девятый разряд/ для его опознания при декодировании. В прототипе коэффициент сжатия потока кодов за кадр принят равным 2, т.е. в диапазоне 2-255 [1 c.8] при дискретизации 12 МГц. А чем выше частота дискретизации кодов, тем в потоке больше кодов, равных по величине. В заявляемом устройстве частота дискретизации кодов в два раза выше 24 МГц, поэтому наименьший коэффициент сжатия принят равным 4. Для обнаружения при восстановлении сжатой информации кода числа равных кодов в него в девятый разряд вводится сигнал: восемь разрядов 1-8 являются информационными, а сигнал девятого разряда является служебным для опознания кода при декодировании. С кодеров 12-14 коды в параллельном виде поступают на входы своих 15-17 элементов И, преобразующие параллельные коды в последовательные, которые поступают на первые входы элементов ИЛИ 18, 19, 20, с выходов которых коды поступают соответственно на первый, второй, третий входы блока 36, на четвертый и пятый входы которого поступают с блоков элементов И 32, 33 последовательные коды сигналов звука. На первый и второй управляющие входы блока 36 с четвертого и пятого выходов синтезатора 21 частот поступают соответственно импульсы UТ 1,53 МГц и 54 МГц. Для воспроизведения видеоинформации с накопителя 36 цифровой информации /фиг.2/ к его третьему – седьмому входам подключаются соответственно с первого по пятый управляющие выходы устройства 37 воспроизведения. Синтезатор 38 частот выдает: с первого выхода – импульсы 40 кГц на вторые управляющие входы накопителей 45, 50, 55 кодов кадра, со второго – импульсы 48 МГц двойной частоты дискретизации на третьи управляющие входы блоков 45, 50, 55, с третьего – тактовые импульсы 54 МГц на сигнальные входы ключей 39, 40 и на первые управляющие входы декодеров 43, 48, 53, с четвертого – импульсы дискретизации 24 МГц на вторые управляющие входы декодеров 43, 48, 53 и на управляющие входы блоков 44, 49, 54 обработки кодов, с пятого – импульсы 1,53 МГц на сигнальные входы ключей 57, 62 и на первые управляющие входы декодеров 58, 63, с шестого – импульсы 90 кГц дискретизации сигнала звука на вторые управляющие входы декодеров 58, 63, с седьмого выхода – импульсы Uк частоты 50 Гц кадров на первые управляющие входы блоков 45, 50, 55 и на управляющие входы формирователей управляющих сигналов 46, 51, 56. Исходное состояние ключей 39, 42, 47, 52, 57, 62 открытое, второго ключа 40 закрытое. После включения питания ключ 39 в открытом состоянии пропускает UT 54 МГц через открытые ключи 42, 47, 52 на третий – пятый входы блока 36, выдающие коды сигналов R, G, В в последовательном виде на информационные входы декодеров 43, 48, 53, параллельно коды поступают и на 1-3 входы блока 41 выделения СИС. С приходом на входы трех счетчиков 82, 83, 8 4 /фиг.7/ кодов СИС на выходе блока 41 появляется импульс 25 Гц. При других кодах, хотя бы в одном из них будет “О”, по которому с любого элемента НЕ счетчики импульсов обнуляются, и ложного СИС на выходе блока 41 не будет. Сигнал 25 Гц /СИС/ выполняет привязку первого импульса 54 МГц /Uвыд/ к началу правого кадра стереопары, закрывает ключ 39, открывает ключ 40, пропускающий импульсы 54 МГц через открытые ключи 42, 47, 52 на третий-пятый управляющие входы блока 36, выдающие коды R, G, В на входы декодеров 43, 48, 53, восстанавливающие сжатые потоки кодов выполнением операций: определяют код числа равных кодов, дешифрируют его для формирования числа сигналов выдачи первого кода по числу изъятых кодов, выдают первый код последовательности по числу изъятых кодов. С выходов декодеров восстановленные потоки кодов поступают в свои блоки 44, 49, 54 обработки кодов, выполняющие удвоение числа отсчетов в строке с 600 до 1200, получением промежуточных /средних/ кодов между каждым прошедшим кодом и следующим за ним. С выходов блоков 44, 49, 54 коды идут с частотой 48 МГц на первый – восьмой информационные входы накопителей 45, 50, 55 кодов кадра. С приходом импульса 25 Гц /СИС/ на вход ИК-передатчика 68 он излучает ИК-импульс, принимаемый ИК-приемником 70 /фиг.2/. ИК-приемник выдает управляющий сигнал в ЖК-ячейку левого стекла ЗД-очков, затемняя его на 20 мс, затем выдает второй управляющий сигнал в ЖК-ячейку правого стекла, затемняя его на 20 мс: каждый глаз видит свой кадр. Стекла ЗД-очков выполнены по технологии ЖК-ячеек просветного типа, используемые как электронно-управляемые фильтры /затворы/ [3 с.558].
Работа блоков регистров, фиг.3, 4, 5. Сигналы кодов поступают на третьи входы разрядов восьми регистров 77 /фиг.4/. Заполнение регистров кодами первой строки начинается с открытием сигналом Uк 50 Гц первого ключа в первом блоке 711 регистров /фиг.4/, ключ 72 пропускает импульсы дискретизации 48 МГц на вход распределителя 74 импульсов, тактовые импульсы с которого поступают последовательно на первые /тактовые/ входы разрядов параллельно восьми регистров 75. По заполнению регистров 75 с последнего выхода /1200-го/ блока 74 сигнал U3 закрывает ключ 72 и в качестве управляющего выходного сигнала открывает ключ 72 в следующем блоке 712 регистров, регистры которого заполняются кодами второй строки. За период 20 мс кадра последовательно заполняются кодами регистры 75 всех блоков 711-800 регистров. С блока 71800 выходной сигнал поступает параллельно на четвертые входы всех блоков 71 регистров /фиг.3/ и открывает в них вторые ключи 73 /фиг.4/, которые пропускают по одному импульсу Uвыд, который выдает из всех блоков 71 синхронно коды кадра в формирователи 46, 51, 56 своих каналов. Каждый накопитель кодов кадра 45, 50, 55 имеет 7,68×106 выходов /1200×8×800/, которые подключены к стольким же входам в каждом из блоков 46, 51, 56, каждый из которых имеет по 960000 преобразователей /1200×800/ “код – число импульсов излучений”. Выходы трех формирователей управляющих сигналов 2,88×106/3×960000/ подключены к входам СД-экрана 67. Импульсы UT 1,53 МГц звука с ключей 57, 62 выдают с блока 36 коды звука на входы декодеров 58, 63. Коды сигналов звука в блоках 60, 65 преобразуются в аналоговые сигналы звука, которые воспроизводятся громкоговорителями 61, 66. Видеоискатель 29 использует коды с АЦП 9-11 и воспроизводит кадр 800 строк с 600 отсчетами в строке с частотой 25 Гц,
Работа видеокамеры.
ФЭП матрицами ПЗИ 4 и 5 формирует аналоговые видеосигналы правого и левого кадров, преобразуемые АЦП 9-11 с частотой 24 МГц в 8-разрядные коды, поступающие в кодеры 12-14, выполняющие сжатие потока кодов с коэффициентом не менее 4 за период кадра. Параллельные коды блоками 15-17 элементов И преобразуются в последовательные, которые через элементы ИЛИ 18-20 поступают на 1-3 входы накопителя 36 цифровой информации, не четвертый и пятый входы которого поступают коды сигналов звука. При воспроизведении /фиг.2/ тактовые сигналы 54 МГц с выходов ключей 42, 47, 52 поступают на третий – пятый управляющие входы блока 36 и выдают коды сигналов R, G, В на входы декодеров 43, 48, 53, восстанавливающие сжатые потоки кодов. Блоки 44, 49, 54 выполняют удвоение кодов в строке, коды с частотой 48 МГц с этих блоков поступают на информационные входы накопителей 45, 50, 55 кодов кадра, которые за первый период кадра сосредотачивают все коды кадра в своих блоках 711-800 регистров. Выходной сигнал с последнего блока 71800 регистров выдает все коды кадра в формирователи 46, 51, 56 управляющих сигналов, в которых коды преобразуются в сигналы запитывания светодиодов СД-экрана. Видеорежим воспроизведения на СД-экране 1200×800×50 Гц. Строчная и кадровая развертки отсутствуют за ненадобностью. При воспроизведении правого и левого кадров на экране стекла ЗД-очков поочередно теряют прозрачность, и зритель воспринимает изображение объемным. Импульсы 1,53 МГц с ключей 57, 62 поступают на шестой и седьмой входы блока 36, выдают коды звука, декодеры 58, 63 восстанавливают потоки кодов, блоки 59, 64 преобразуют коды в аналоговые звуковые сигналы, воспроизводимые громкоговорителями. Технические характеристики видеокамеры приведены в таблице 2.
| Таблица 2 |
| Технические характеристики |
Значения |
| Формирование двух изображений |
двумя матрицами ПЗИ |
| Частота стереопар / кадров |
25 Гц / 50 Гц |
| Видеорежим съемки |
800стр×600отсч×50 Гц |
| Число строк / число отсчетов |
800/600 |
| Частота дискретизации кодов при съемке |
24 МГц |
| Кодирование видеосигналов |
8 разрядов |
| Воспроизведение |
 |
| Видеорежим воспроизведения |
800стр×1200отсч×50 Гц |
| Разрешение кадра |
960000 пикселов 1200×800 |
| Восприятие объемного изображения |
через ЗД-очки с ИК-приемником |
| Воспроизведение изображения |
плоскопанельным светодиодным экраном |
Использованные источники
1. Патент 2304361 Cl, кл. H04N 13/00, бюл.22, от 10.08.07, прототип.
2. В.И.Мураховский. Устройство компьютера. М., 2003, с.552.
3. Колесниченко O.В, Шишигин И.В. Аппаратные средства PC. 5-е изд-е, СПб, 2004, с.832, 833, 835, 558.
4. “Радио” 9, 2004, с.47.
5. “Домашний компьютер” 12, 2006, с.43.
Формула изобретения
Видеокамера, содержащая первый, и второй объективы, фотоэлектрический преобразователь /ФЭП/, включающий с первого по третий предварительные усилители, выходы которых являются первым – третьим выходами ФЭП, содержащая первый – третий АЦП видеосигнала, информационные входы которых подключены к первому – третьему выходам ФЭП, управляющие входы трех АЦП видеосигнала объединены, с первого по третий кодеры, информационные с первого по восьмой входы которых подключены к первому – восьмому выходам соответственно первого – третьего АЦП видеосигнала, с первого по третий блоки элементов И, первый – девятый входы которых подключены к первому – девятому выходам соответственно первого – третьего кодеров, управляющие входы блоков элементов И объединены, синтезатор частот, последовательно соединенные первый ключ и триггер, сигнальный вход первого ключа подключен к второму выходу синтезатора частот, второй и третий ключи, сигнальные входы которых объединены и подключены к первому выходу синтезатора частот, первый управляющий вход второго ключа и второй управляющий вход третьего ключа объединены и подключены к первому выходу триггера, второй управляющий вход второго ключа и первый управляющий вход третьего ключа, объединены и подключены к второму выходу триггера, видоискатель, информационные входы которого подключены к первому – восьмому выходам первого – третьего АЦП видеосигнала, а первый и второй управляющие входы его подключены к восьмому и седьмому выходам синтезатора частот, содержащая последовательно соединенные первый АЦП сигнала звука, первый кодер сигнала звука и первый блок элементов И сигнала звука, последовательно соединенные второй АЦП сигнала звука, второй кодер сигнала звука и второй блок элементов И сигнала звука, на входы первого и второго АЦП сигнала звука поданы звуковые сигналы, управляющие входы их объединены и подключены к третьему выходу синтезатора частот, к четвертому выходу которого подключены управляющие входы первого и второго блоков элементов И сигнала звука, и содержащая последовательно соединенные накопитель цифровой информации и устройство воспроизведения, четвертый и пятый информационные входы накопителя цифровой информации подключены к выходам первого и второго элементов И звукового сигнала, первый и второй управляющие входы его подключены к четвертому и пятому выходам синтезатора частот, первый – пятый выходы накопителя цифровой информации подключены соответственно к первому – пятому входам устройства воспроизведения, первый – пятый выходы которого подключены соответственно к третьему – седьмому управляющим входам накопителя цифровой информации, устройство воспроизведения содержит синтезатор частот, шестой ключ, сигнальный вход которого подключен к третьему выходу синтезатора частот, содержит канал сигнала R, включающий первый ключ, и последовательно соединенные первый декодер и первый блок обработки кодов, канал сигнала G, включающий второй ключ и последовательно соединенные второй декодер и второй блок обработки кодов, канал сигнала В, включающий третий ключ и последовательно соединенные третий декодер и третий блок обработки кодов, информационные входы первого, второго и третьего декодеров подключены соответственно к первому – третьему выходам накопителя цифровой информации, первые управляющие входы первого – третьего декодеров объединены и подключены к третьему выходу синтезатора частот, вторые управляющие входы первого – третьего декодеров и первые управляющие входы первого – третьего блоков обработки кодов объединены и подключены к четвертому выходу синтезатора частот, сигнальные входы первого – третьего ключей объединены и подключены к выходу шестого ключа, первый и второй управляющие входы первого – третьего ключей подключены соответственно к второму и первому управляющим выходам в первом – третьем декодерах, выход первого – третьего ключей подключены соответственно к третьему, четвертому и пятому управляющим входам накопителя цифровой информации, содержит первый канал звука, включающий четвертый ключ и последовательно соединенные первый декодер кодов звука, регистр сигнала звука, блок формирования аналового звукового сигнала и громкоговоритель, второй канал звука, включающий пятый ключ и последовательно соединенные второй декодер кодов звука, регистр сигнала звука, блок формирования аналового звукового сигнала и громкоговоритель, информационные входы первого и второго декодеров кодов звука подключены к четвертому и пятому выходам накопителя цифровой информации, сигнальные входы четвертого и пятого ключей и первые управляющие входы первого и второго декодеров кодов звука объединены и подключены к пятому выходу синтезатора частот, вторые управляющие входы первого и второго декодеров кодов звука и первые управляющие входы регистров сигнала звука объединены и подключены к шестому выходу синтезатора частот, первые и вторые управляющие входы четвертого и пятого ключей подключены к второму и первому выходам первого и второго декодеров кодов звука, выходы четвертого и пятого ключей подключены к шестому и седьмому управляющим входам накопителя цифровой информации, устройство воспроизведения содержит ИК-передатчик, расположенный на корпусе устройства отображения видеоинформации, и ЗД-очки с ИК-приемником на их оправе, входное окно которого при воспроизведении изображения располагается против выходного окна ИК-передатчика, отличающаяся тем, что в нее введены четвертый и пятый ключи, сигнальные входы которых объединены и подключены к седьмому выходу синтезатора частот, с первого по третий элементы ИЛИ, первые входы которых подключены к выходам соответственно первого – третьего блоков элементов И, объединенные управляющие входы которых подключены к шестому выходу синтезатора частот, введен самоходный распределитель импульсов /СРИ/, вход которого и управляющий вход первого ключа объединены и подключены к восьмому выходу синтезатора частот, выходы первого – девятого разрядов СРИ объединены и подключены параллельно к вторым входам первого – третьего элементов ИЛИ в ФЭП введены первая и вторая матрицы ПЗИ, фоточувствительная сторона первой матрицы ПЗИ расположена в фокальной плоскости первого объектива, первый – третий выходы ее подключены к первым входам соответственно первого – третьего предварительных усилителей и управляющие входы ее подключены: первый к выходу четвертого ключа, второй к выходу второго ключа, фоточувствительная сторона второй матрицы ПЗИ расположена в (фокальной плоскости второго объектива, первый – третий выходы ее подключены к вторым входам первого – третьего предварительных усилителей, первый и второй управляющие входы ее подключены соответственно к выходу пятого ключа и к выходу третьего ключа, первый управляющий вход четвертого ключа и второй управляющий вход пятого ключа объединены и подключены к первому выходу триггера, второй управляющий вход четвертого ключа и первый управляющий вход пятого ключа объединены и подключены к второму выходу триггера, выходы второго и третьего ключей через диоды объединены и подключены к объединенным управляющим входам первого – третьего АЦП видеосигнала, в устройство воспроизведения введены седьмой ключ, сигнальный вход которого подключен к сигнальному входу шестого ключа, выход которого и выход седьмого ключа объединены, блок выделения синхроимпульсов стереопар /СИС/, первый – третий входы которого подключены к первому – третьему выходам накопителя цифровой информации, а выход его подключен параллельно к входу ИК-передатчика, к второму управляющему входу шестого ключа и к первому управляющему входу седьмого ключа, и плоскопанельный светодиодный экран /СД-экран/, в каждый канал сигнала R, G, В введены накопитель кодов кадра и формирователь управляющих сигналов, информационные входы накопителя кодов кадра подключены к выходам блока обработки кодов своего канала, а выходы подключены к информационным входам формирователя управляющих сигналов своего канала, управляющие входы которых объединены с первыми управляющими входами накопителей кодов кадра трех каналов и подключены к седьмому выходу синтезатора частот, первый выход которого подключен параллельно к вторым управляющим входам трех накопителей кодов кадра, третьи управляющие входы которых объединены и подключены к второму выходу синтезатора частот, плоскопанельный светодиодный экран содержит экранное стекло и выполненную в нем матрицу из излучающих элементов по числу разрешения кадра /1200×800/, каждый излучающий элемент включает три светодиодных ячейки /СД-ячейки/, каждая из которых излучает один из основных цветов, СД-ячейка включает светодиод белого свечения и соответствующий цветной светофильтр на излучающей стороне, управляющий вход каждого светодиода подключен к соответствующему выходу соответствующего формирователя управляющих сигналов, накопители кодов кадра идентичны, каждый включает последовательно соединенные блоки регистров, которых по числу строк в кадре, информационными входами являются поразрядно объединенные первый – восьмой входы всех блоков регистров, управляющими входами являются: первым – первый управляющий вход первого блока регистров, вторым – объединенные вторые управляющие входы блоков регистров, третьим – объединенные третьи управляющие входы блоков регистров, каждый управляющий выход предыдущего блока регистров является первым управляющим входом каждого последующего блока регистров, управляющий выход последнего блока регистров подключен параллельно к четвертым управляющим входам всех блоков регистров, выходами накопителя кодов кадра являются параллельные выходы всех блоков регистров /1200×800/, блоки регистров идентичны, каждый включает первый и второй ключи, распределитель импульсов и восемь регистров, информационным входом являются поразрядно объединенные третьи входы разрядов восьми регистров, выходами являются параллельные выходы всех разрядов восьми регистров, управляющими входами являются: первым – первый управляющий вход первого ключа, вторым – сигнальный вход второго ключа, третьим – сигнальный вход первого ключа, четвертым – первый управляющий вход второго ключа, выход первого ключа подключен к входу распределителя импульсов, выходы которого последовательно подключены к первым /тактовым/ входам разрядов параллельно восьми регистров, последний выход распределителя импульсов подключен к второму управляющему входу первого ключа и является управляющим выходом, подключенный к первому управляющему входу следующего блока регистров, выход второго ключа подключен к вторым входам разрядов параллельно восьми регистров и к второму управляющему входу второго ключа, формирователи управляющих сигналов идентичны, каждый включает блок формирователей импульсов, вход которого является управляющим входом формирователя управляющих сигналов, и преобразователи “код – число импульсов излучений” по числу разрешения кадра /1200×800/, каждый из которых включает последовательно соединенные дешифратор, первый – восьмой входы которого являются информационными входами преобразователя “код – число импульсов излучений”, блок ключей из 255 ключей и выходной ключ, самоходный распределитель импульсов /СРИ/ из 255 разрядов, выходы которых подключены к сигнальным входам соответствующих ключей в блоке ключей и источник питания, соответствующие выходы дешифратора подключены к управляющим входам /UОТ/ соответствующих ключей в блоке ключей, выходы ключей которого объединены и объединенный выход подключен к управляющему входу /UОТ/ выходного ключа, сигнальный вход которого подключен к выходу источника питания, выход выходного ключа является выходом преобразователя, блок формирования импульсов содержит схемы формирования импульсов по числу преобразователей “код – число импульсов излучений”, выход каждой схемы формирования импульсов подключен к входу СРИ своего преобразователя, информационными входами формирователя управляющих сигналов являются входы дешифраторов всех преобразователей, выходами являются выходы выходных ключей всех преобразователей “код – число импульсов излучений”, блок выделения СИС включает первый – третий счетчики импульсов, счетные входы которых являются 1-3 входами блока, первый и второй элементы И, первый – третий элементы НЕ и диод, выходы первого и второго счетчиков импульсов подключены к входам первого элемента И, выход которого и выход третьего счетчика импульсов подключены к входам второго элемента И, выход которого является выходом блока выделения СИС, входы 1-3 элементов НЕ подключены к счетным входам соответственно первого – третьего счетчиков импульсов, а выходы элементов НЕ и выход второго элемента И через диод объединены и подключены параллельно к управляющим входам первого – третьего счетчиков импульсов.
РИСУНКИ
|
|