|
(21), (22) Заявка: 2008115446/09, 14.09.2006
(24) Дата начала отсчета срока действия патента:
14.09.2006
(30) Конвенционный приоритет:
19.09.2005 EP 05405545.4
(46) Опубликовано: 10.06.2009
(56) Список документов, цитированных в отчете о поиске:
ЕР 0746078 А2, 04.12.1996. SU 1504729 A2, 30.08.1989. SU 1617530 A1, 30.12.1990. US 2003098671 A1, 29.05.2003. US 200105633 A1, 27.12.2001.
(85) Дата перевода заявки PCT на национальную фазу:
21.04.2008
(86) Заявка PCT:
CH 2006/000494 20060914
(87) Публикация PCT:
WO 2007/033505 20070329
Адрес для переписки:
103735, Москва, ул.Ильинка, 5/2, ООО “Союзпатент”, пат.пов. Ю.Б.Перегудовой, рег. 1103
|
(72) Автор(ы):
ПОННАЛУРИ Сринивас (CH), РОННЕР Беат (CH)
(73) Патентообладатель(и):
АББ ШВАЙЦ АГ (CH)
|
(54) СПОСОБ ОБНАРУЖЕНИЯ СЕКЦИОНИРОВАННОЙ РАБОТЫ РАСПРЕДЕЛЕННОГО ГЕНЕРАТОРА
(57) Реферат:
Использование: в области электротехники. Технический результат заключается в обеспечении возможности немедленно обнаружить ненамеренное секционирование и безопасно выключить распределенный генератор энергии, даже если нет внезапного изменения напряжения и даже если активная и реактивная нагрузка локальной секции точно согласуются с вырабатываемой активной и реактивной мощностью распределенных генераторов. Способ содержит этапы, на которых вводят опорное прямоугольное колебание реактивного тока, обнаруживают изменения напряжения на нагрузке при каждом изменении опорного колебания реактивного тока и определяют, превышают ли обнаруженные изменения напряжения на нагрузке заданное пороговое значение обнаружения секционирования, что указывает на потерю магистрали и секционированную работу генератора энергии. 2 н. и 7 з.п. ф-лы, 5 ил.
Область техники, к которой относится изобретение
Настоящее изобретение относится к области силовой электроники, и в частности, к способу обнаружения секционированной работы распределенного генератора, подключенного к энергосистеме общего пользования, и к устройству для обнаружения секционированной работы распределенного генератора энергии.
Такие распределенные ресурсы, как распределенные генераторы энергии, используются для подачи дополнительной активной мощности в энергосистему общего пользования вблизи электрических нагрузок или для того, чтобы гарантировать резервное питание при критических нагрузках, когда мощность из энергосистемы временно недоступна. Распределенные генераторы подключаются к энергосистеме силовыми электронными переключателями.
Когда один или несколько распределенных ресурсов становятся изолированными от остальной энергосистемы и непреднамеренно продолжают обслуживать локальные секционированные нагрузки отдельно от энергосистемы общего пользования, это состояние известно как «потеря магистрали» или «непреднамеренное секционирование».
При потере стабильности, обеспечиваемой энергосистемой общего пользования, разности активной и реактивной мощности локальной секционированной нагрузки и генерированной мощности распределенного генератора могут привести к внезапным большим изменениям напряжения. Это обычно вызывает немедленное срабатывание и отключение защитного устройства распределенного генератора.
Если же активная и реактивная мощность локальной секционированной нагрузки согласуется с генерированной активной и реактивной мощностью, то не будет скачка напряжения, который запустил бы защитное устройство. Если только не имеется альтернативного обнаружения секционирования, распределенный генератор продолжит работать. Даже хотя некоторые из распределенных генераторов спроектированы для того, чтобы функционировать при секционировании, все же с секционированием связано несколько потенциально серьезных проблем:
– оборудование для производства распределенной энергии, такое как электродвигатель-генератор, может стать изолированным источником электроэнергии во время перебоев в энергосистеме, причиняя при этом вред персоналу и оборудованию энергосистемы общего пользования;
– оборудование потребителей может быть испорчено неуправляемыми выбросами напряжения и частоты;
– оборудование энергосистемы общего пользования, такое как защитные разрядники, может быть испорчено перенапряжениями, которые происходят во время сдвига нейтрального опорного уровня или при резонансе;
– персоналу энергосистемы общего пользования или населению может быть причинен вред при самопроизвольном включении линий с распределенными ресурсами.
Поэтому желательно немедленно реагировать при обнаружении непреднамеренных потерь магистрали. Чтобы решить упомянутые выше вопросы, касающиеся распределенного производства энергии, был разработан Underwriters Laboratories Standard UL 1741. Стандарт UL 1741 требует отключения распределенного генератора в течение двух секунд, если потеряно подключение к энергосистеме общего пользования.
Уровень техники
В документе «Islanding Detection Method of Distributed Generation Units Connected to Power Distribution System» (Способ обнаружения секционирования распределенных генераторных блоков, подключенных к распределенной энергосистеме питания), J.E.Kim, J.S.Hwang, IEEE 2000, предложен способ для распределенного производства энергии на основе синхронных генераторов. Чтобы обнаружить секционирование, увеличивают внутреннее электромагнитное поле генератора и проверяют изменение потока реактивной мощности и напряжения нагрузки. Когда внутренний импеданс электрогенератора поднимается на несколько процентов от номинала для электрогенераторов, однопроцентное изменение генерируемого напряжения создаст большое изменение в реактивной мощности при наличии подключения к энергосистеме. Вследствие стабильности энергосистем общего пользования на нагрузочное напряжение это не повлияет. Когда размыкается прерыватель подключения, реактивная мощность не будет значительно изменяться и нагрузочное напряжение изменится в той же самой пропорции, что и изменение внутреннего напряжения. С помощью этой информации обнаруживают потерю магистрали.
В документе «Performance of Inverter Interfaced Distributed Generation» (Характеристика соединенного с инвертором распределенного генератора), Simon R.Wall, IEEE 2001, предложен способ, в котором частотный выход системы фазовой автоподстройки частоты (ФАПЧ) (PLL), как показано на фиг.3, возмущается добавлением дополнительной возмущающей частоты. Когда имеется энергосистема общего пользования, нагрузочное напряжение почти неизменно. Увеличение частоты увеличит фазовый угол внутреннего напряжения инвертора. Поскольку при наличии напряжения энергосистемы общего пользования нагрузочное напряжение остается неизменным, контроллеры активной и реактивной мощности будут компенсировать угловую ошибку. В случае секционированной работы увеличение частоты вызовет опережение угла внутреннего напряжения. Поскольку нагрузочный импеданс значительно выше, чем внутренний импеданс электрогенератора, нагрузочное напряжение будет следовать за изменением фазового угла. Это не изменит значительно активную и реактивную мощности, но ФАПЧ увидит опережение фазы в напряжении и постарается нагнать его путем дальнейшего увеличения частоты. Этот процесс будет идти до тех пор, пока не активируется скорость изменения захвата частоты или пока не произойдет перезахват частоты.
В документе «An Improved Anti-Islanding Algorithm for Utility Interconnection of Multiple Distributed Fuel Cell Powered Generation» (Усовершенствованный алгоритм противосекционирования для соединений множества распределенных источников энергии на топливных элементах с энергосистемой общего пользования), Ch. Jeraputra et al., IEEE 2005, представлен алгоритм противосекционирования для соединения множества распределенных источников энергии на топливных элементах (РИПТЭ) (DFPG) с энергосистемой общего пользования. Хотя алгоритм управления мощностью непрерывно возмущает реактивную мощность, подаваемую РИПТЭ, предложенный алгоритм рассчитывает коэффициент кросс-корреляции скорости изменения отклонения частоты по отношению к реактивной мощности, чтобы подтвердить секционирование. Если этот индекс выше 50%, алгоритм далее инициирует возмущение реактивной мощности и продолжает вычислять индекс корреляции. Если коэффициент корреляции превышает 80%, может быть подтверждено появление секционирования. Предложенный способ позволяет обнаружить появление секционирования при наличии нескольких РИПТЭ, которые работают независимо.
Сущность изобретения
Цель изобретения состоит в предложении нового способа обнаружения секционирования распределенного генератора энергии и в обеспечении устройства для обнаружения секционированной работы распределенного генератора энергии.
Изобретенный способ содержит этапы, на которых вводят опорное колебание реактивного тока, обнаруживают изменения нагрузочного напряжения, вызванные изменениями в опорном колебании реактивного тока, и определяют, превышают ли обнаруженные изменения нагрузочного напряжения заданное пороговое значение обнаружения секционирования, указывающее на потерю магистрали и секционированную работу генератора энергии. Когда имеется подключение к энергосистеме, нагрузочное напряжение локальной секции такое же, как напряжение в энергосистеме. В случае отключения энергосистемы нагрузочное напряжение локальной секции обеспечивается инвертором или распределенным генератором.
Опорное колебание реактивного тока может быть прямоугольным колебанием, пилообразным колебанием, синусоидальным колебанием или трапециевидным колебанием. Отсчеты нагрузочного напряжения берутся каждый раз, когда опорный ток проходит пороговое значение или, в случае прямоугольного колебания, когда он изменяет свое значение. Предпочтительно, значение счетчика наращивается каждый раз, когда обнаруженные изменения нагрузочного напряжения превышают заданное пороговое значение обнаружения секционирования, а потерю магистрали обнаруживают, если в течение заданного периода времени приращение значения счетчика превышает заданное значение. Если значение счетчика сбрасывают в начале заданного периода времени, потерю магистрали обнаруживают, если значение счетчика превышает заданную величину в конце заданного периода времени.
Если заданное пороговое значение обнаружения секционирования по напряжению выбрано на уровне по меньшей мере приблизительно 50 процентов от уровня импеданса, то надежность обнаружения секционирования может быть подтверждена. Для значений существенно ниже 50 процентов от уровня импеданса имеется некоторый риск ложного обнаружения секционированной работы.
Если используемый вводимый ток является гармоническим, его частоту предпочтительно устанавливают ниже сопряженной частоты фильтра LCL в инверторе. Иначе существенная часть вводимого тока отфильтровывается конденсатором, и лишь малая часть достигает энергосистемы общего пользования.
С помощью предложенного обнаружения потери магистрали секционирование можно обнаруживать в наикратчайший промежуток времени, даже если активная и реактивная нагрузка локальной секции точно соответствуют активной и реактивной мощности распределенных генераторов. Так что даже без внезапного изменения напряжения непреднамеренное секционирование можно немедленно обнаружить, и управляющая электроника может безопасно отключить распределенный генератор энергии.
Краткое описание чертежей
Предложенные способ и устройство будут пояснены подробнее на основе чертежей.
Фиг.1 показывает схемную модель работы энергосистемы.
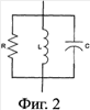
Фиг.2 показывает резонансную цепь для проверки на противосекционирование, как определено стандартом UL 1741.
Фиг.3 показывает примерную общую систему фазовой автоподстройки частоты (ФАПЧ).
Фиг.4 показывает опорный реактивный ток, выработанный для изобретенного обнаружения потери магистрали.
Фиг.5 показывает логическую схему для обнаружения секционирования.
Описание предпочтительных вариантов осуществления
Как упомянуто выше, распределенные генераторы генерируют и подают активную мощность в энергосистему общего пользования, а некоторые из них также имеют возможность функционировать в режиме секции. Однако по причинам безопасности важно, чтобы такое генерирование мощности не происходило в непреднамеренной секции. Непреднамеренная секция может быть создана из-за размыкания прерывателя обслуживающим персоналом или путем автоматического выключения прерывателя на дальнем конце. Такая ситуация условно показана на фиг.1. Когда входной прерыватель Bg разомкнут, основанный на силовой электронике распределенный генератор DG, который также зачастую называют распределенным ресурсом (DR) или бесперебойным источником питания (БИП) (UPS), продолжает запитывать локальную секцию мощностью.
Когда имеется подключение к энергосистеме общего пользования, нагрузочное напряжение локальной секции такое же, как напряжение в энергосистеме. В случае отключения энергосистемы нагрузочное напряжение локальной секции обеспечивается инвертором или распределенным генератором. Если активная и реактивная нагрузка локальной секции значительно отличается от выработки активной и реактивной мощности распределенных генераторов, тогда после размыкания входного прерывателя эта разность создаст большое изменение напряжения. Это большое изменение напряжения указывает на потерю магистрали. Защита распределенного генератора сработает и безопасно разомкнет контактор BDR. Распределенный генератор отключится, и никакого дальнейшего действия не потребуется.
Однако активная и реактивная нагрузки локальных секций точно согласуются с вырабатываемой активной и реактивной мощностью распределенных генераторов, управляющая электроника не «увидит» скачка напряжения, и распределенный генератор будет продолжать работать. Стандарт UL 1741 определяет, что распределенный генератор должен отключаться даже при таком условии в течение двух секунд. Для проверки нагрузка Zld локальной секции соединяется с распределенным генератором, как показано на фиг.2. Параллельные L и С нагрузки настраиваются на основную частоту сети и разделяются для согласования с вырабатываемой реактивной мощностью распределенного генератора. Резистор выбран для согласования с вырабатываемой активной мощностью распределенного генератора. Во время проверки активная и реактивная мощность, вводимая в сеть, не должна изменяться больше, чем на ±3 процента от номинальных кВА распределенного генератора, согласно требованиям проверки по UL 1741. Для проверки обнаружения потери магистрали в соответствии с изобретением входной прерыватель размыкается. Для того чтобы пройти проверку на обнаружение потери магистрали, распределенный генератор должен отключаться в течение 2 секунд от размыкания входного прерывателя.
Обнаружение потери магистрали согласно изобретению основано на введении реактивных тока или мощности на основной или любой другой выбранной частоте. Уровни введения выбраны так, чтобы быть в пределах стандарта UL 1741±3 процента от номинального тока.
В примерном варианте осуществления обнаружения потери магистрали согласно изобретению опорное прямоугольное колебание реактивного тока, как показано на фиг.4, генерируется на частоте 5 Гц с величиной ±3 процента от номинального тока. Частота опорного прямоугольного колебания реактивного тока была установлена на 5 Гц. Разумеется, частоту можно установить на другое значение выше 5 Гц или даже ниже, если имеется достаточное число изменений в опорном токе в течение двухсекундного периода.
Введение реактивного тока влияет на нагрузочное напряжение uld. Поэтому нагрузочное напряжение отслеживается, и обнаруживаются изменения, соответствующие вводу тока. Пока имеется подключение к энергосистеме общего пользования, а значит, обеспечена стабильность, изменение нагрузочного напряжения из-за введенного опорного прямоугольного колебания реактивного тока минимально.
Но как только энергосистема отсоединена при размыкании входного прерывателя Bg, нагрузочное напряжение изменяется значительно. Импеданс Zld нагрузки обособленной секции в несколько раз выше, чем полный импеданс энергосистемы.
Для обнаружения потери магистрали нагрузочное напряжение отбирается и сохраняется каждый раз, когда происходит изменение в опорном прямоугольном колебании реактивного тока. Отсчеты напряжений по осям d и q изменений нагрузочного напряжения сохраняются, как показано на фиг.5, и будут сравниваться в момент следующего изменения в опорном прямоугольном колебании реактивного тока с текущим на тот момент нагрузочным напряжением. Подсчитывается разность между действующими напряжениями u(t) по осям d и q и ранее отобранными и сохраненными значениями u(t-dt). Абсолютная величина разности между действующими напряжениями по осям d и q и их отобранными и сохраненными значениями сравнивается далее с пороговым значением LOMdet_u обнаружения секционирования. Если в какой-либо момент изменение напряжения превышает пороговое значение обнаружения секционирования, детектируется потеря магистрали. Для того чтобы не было ложного обнаружения потери магистрали, если сравниваемые значения превышают пороговое значение вследствие возмущения во все еще подключенной энергосистеме общего пользования, можно соблюдать следующие меры безопасности.
Создается счетчик для подсчета числа обнаружений потери магистрали за определенный период времени. Каждый раз, когда обнаружена потеря магистрали, значение счетчика получает приращение. За определенный стандартом UL 1741 период в две секунды примерное опорное прямоугольное колебание реактивного тока имеет 20 фронтов, так что его значение изменяется 20 раз. Это дает возможность сравнивать напряжения и обнаруживать потерю магистрали по меньшей мере 19 раз за двухсекундный интервал. В конце этого интервала, если счетчик не перешел заданное пороговое значение LOMcnt счетчика, к примеру, более 10, предполагается, что потери магистрали нет и скачки напряжения вызваны возмущениями в напряжении энергосистемы общего пользования. Если счетчик превысил это определенное число, то детектируется потеря магистрали. Счетчик сбрасывается в начале каждого периода в две секунды.
Вместо прямоугольного колебания вводимый опорный реактивный ток может быть альтернативно пилообразным колебанием, синусоидальным колебанием или трапециевидным колебанием. Опорное колебание можно использовать для запуска отбора нагрузочного напряжения. Отсчет отслеживаемого напряжения берется каждый раз, когда токовое колебание проходит определенное пороговое значение или когда оно изменяется от положительного к отрицательному значению и наоборот.
В предположении линейной нагрузки и разности Р активной мощности и разности Q реактивной мощности скачок нагрузочного напряжения как функция разности мощности, когда потеряна магистраль, задается уравнением:

Оба напряжения ud и uq по осям d и q получают возмущения в случае потери магистрали. Это вызывает внезапное изменение угла напряжения, а потому ФАПЧ будет изменять частоту f. Это, в свою очередь, будет уменьшать или увеличивать частоту в зависимости от импеданса и изменения мощности.
Обнаружение потери магистрали согласно изобретению предпочтительно используется в сочетании с дополнительным обнаружением потери магистрали на основе df/dt и избыточного/недостаточного напряжения. Эти дополнительные виды обнаружения также включены в фиг.5.
Если частота или активное и (или) реактивное напряжения изменяются быстрее, чем заданный номинал (LOMdet_f, LOMdet_d или LOMdet_q), это является индикацией для потери магистрали. Оба этих дополнительных обнаружения можно использовать для быстрого обнаружения потери магистрали всякий раз, когда локальная нагрузка не согласуется с вырабатываемой мощностью. Выход каждой ветви обнаружения отслеживается, и потеря магистрали обнаруживается системой всякий раз, когда по меньшей мере одна из параллельных систем обнаружения вырабатывает сигнал обнаружения потери магистрали.
Перечень ссылочных символов
| BDR |
прерыватель распределенного ресурса |
| Bg |
входной прерыватель |
| DG |
распределенный генератор |
| Zld |
нагрузка локальной секции |
| LOMdet_d, LOMdet_q, |
 |
| LOMdet_u, LOMdet_f |
пороговые значения обнаружения секционирования |
| LOMcnt |
порог счетчика обнаружения секционирования |
| 1 |
локальная секция |
| 2 |
энергосистема общего пользования |
Формула изобретения
1. Способ обнаружения секционированной работы распределенного ресурса, причем упомянутый распределенный ресурс имеет нагрузку (Zld) локальной секции, содержащий этапы, на которых вводят реактивный ток опорного колебания, обнаруживают изменения напряжения на нагрузке локальной секции, вызванные реактивным током опорного колебания путем измерения, отбора и сохранения текущих значений (u(t)) напряжения на нагрузке и сравнения текущих значений напряжения на нагрузке с ранее измеренными, отобранными и сохраненными значениями (u(t-dt)) напряжения на нагрузке, при этом упомянутые изменения напряжения на нагрузке выявляют каждый раз, когда ток опорного колебания проходит пороговое значение, и определяют, превышают ли обнаруженные изменения напряжения на нагрузке заданное пороговое значение обнаружения секционирования, что указывает на секционированную работу распределенного ресурса.
2. Способ по п.1, в котором реактивный ток опорного колебания представляет собой прямоугольное колебание, или пилообразное колебание, или синусоидальное колебание, или трапециевидное колебание.
3. Способ по любому из пп.1 или 2, в котором вводимый реактивный ток опорного колебания представляет собой прямоугольное колебание, и изменения напряжения на нагрузке выявляют каждый раз, когда опорный ток изменяет свое значение.
4. Способ по п.1, содержащий этап, на котором дают приращение значению счетчика каждый раз, когда обнаруженные изменения напряжения на нагрузке превышают заданное пороговое значение обнаружения секционирования, и обнаруживают секционированную работу, если в течение заданного периода времени приращение значения счетчика превышает заданное пороговое значение (LOMcnt) счетчика.
5. Способ по п.4, в котором значение счетчика сбрасывают в начале заданного периода времени и обнаруживают секционированную работу, если значение счетчика превышает заданное пороговое значение (LOMcnt) счетчика в конце этого заданного периода времени.
6. Способ по любому из пп.1,4 и 5, в котором дополнительно выявляют изменение частоты (df(t)/dt) напряжения на нагрузке, и обнаруживают секционированную работу, если скорость изменения частоты превышает заданную скорость (LOMdet f).
7. Способ по любому из пп.1, 4 и 5, в котором дополнительно выявляют изменение активного и/или реактивного напряжения (dud(t)/dt, duq(t)/dt) на нагрузке и обнаруживают секционированную работу, если скорость изменения напряжения на нагрузке превышает заданную скорость (LOMdet d, LOMdet q).
8. Устройство для обнаружения секционированной работы распределенного ресурса, содержащее средство для введения опорного колебания реактивного тока, средство для обнаружения изменений напряжения на нагрузке, вызываемых изменениями в опорном колебании реактивного тока, причем упомянутое средство обнаружения содержит средство для измерения, отбора и сохранения текущих значений (u(t)) напряжения на нагрузке и средство для сравнения текущих значений напряжения на нагрузке с ранее измеренными, отобранными и сохраненными значениями (u(t-dt)) напряжения на нагрузке, и средство для обнаружения того, превышают ли обнаруженные изменения напряжения на нагрузке заданное пороговое значение обнаружения секционирования, что указывает на секционированную работу генератора энергии.
9. Устройство по п.8, содержащее счетчик, значение которого может получать приращение каждый раз, когда обнаруженные изменения напряжения на нагрузке превышают заданное пороговое значение обнаружения секционирования, и средство для обнаружения секционированной работы, если в течение заданного периода времени приращение значения счетчика или само значение счетчика превышает заданное значение.
РИСУНКИ
MM4A – Досрочное прекращение действия патента СССР или патента Российской Федерации на изобретение из-за неуплаты в установленный срок пошлины за поддержание патента в силе
Дата прекращения действия патента: 15.09.2009
Извещение опубликовано: 10.08.2010 БИ: 22/2010
|