|
|
(21), (22) Заявка: 2008119524/09, 19.05.2008
(24) Дата начала отсчета срока действия патента:
19.05.2008
(46) Опубликовано: 10.06.2009
(56) Список документов, цитированных в отчете о поиске:
SU 985875 A, 30.12.1982. RU 2160951 С2, 20.12.2000. SU 1545280 A1, 23.02.1990. US 4484246 A, 20.11.1984.
Адрес для переписки:
119334, Москва, ул. Косыгина, 5, кв.35, М.Б. Щедрину
|
(72) Автор(ы):
Левиуш Александр Ильич (RU), Стрелков Валерий Михайлович (RU), Фокин Герман Георгиевич (RU), Дони Николай Анатольевич (RU), Шурупов Алексей Александрович (RU)
(73) Патентообладатель(и):
Общество с ограниченной ответственностью “Научно-производственное предприятие “ЭКРА” (RU)
|
(54) СПОСОБ ВКЛЮЧЕНИЯ ТРЕХФАЗНОЙ ЛИНИИ ЭЛЕКТРОПЕРЕДАЧИ
(57) Реферат:
Изобретение относится к электроэнергетике и может быть применено в аппаратуре релейной защиты и автоматики для управления включением трехфазной линии электропередачи (ЛЭП). Технический результат изобретения – исключение возможности включения линии, все фазы которой отключены, на междуфазные КЗ и упрощение реализации способа. Способ характеризуется тем, что включают первую фазу, измеряют напряжения на второй и третьей фазах, проверяют превышение первой контрольной величиной каждого из измеренных напряжений и при положительном результате проверок включают вторую фазу, измеряют напряжение на третьей фазе, проверяют превышение второй контрольной величиной напряжения, измеренного на третьей фазе, и при положительном результате проверки включают третью фазу, а при отрицательном результате любой из проверок или наличии сигнала релейной защиты на отключение включенной фазы последующие фазы не включают, а ранее включенные – отключают. После включения первой фазы и измерения напряжений на второй и третьей фазах дополнительно проверяют превышение каждым из измеренных напряжений третьей контрольной величины. Первую и вторую контрольные величины принимают равными 75-85%, а третью – 5-15% от номинального значения фазного напряжения. 4 з.п. ф-лы, 1 ил.
Изобретение относится к электроэнергетике и может быть применено в аппаратуре релейной защиты и автоматики (РЗА) для управления включением трехфазной линии электропередачи (ЛЭП), в частности при автоматическом повторном включении (АПВ) после аварийного отключения ЛЭП или при ее вводе в работу.
Уровень техники
АПВ на линиях электропередачи является эффективным средством повышения надежности энергосистем. Особенно эффективно АПВ на ЛЭП высокого и сверхвысокого напряжений. При этом в зависимости от вида короткого замыкания (КЗ), приведшего к срабатыванию защиты, и наличия на линии устройств однофазного АПВ состояние линии перед началом работы АПВ может быть различным (отключены одна, две или все три фазы на одном или на обоих концах линии). При аварийном двухстороннем отключении трех фаз линии высокого или сверхвысокого напряжения в подавляющем числе случаев осуществляют трехфазное АПВ путем одновременного подключения (с заданной выдержкой времени, отстроенной от времени погасания дуги и деионизации среды в месте КЗ) сразу всех трех фаз линии с одного из ее концов. Если КЗ на линии к моменту такого включения самоустранилось, то линию включают и с другого конца. Работа линии восстанавливается. При устойчивом КЗ (на землю или междуфазном) линия отключается релейной защитой сразу же после ее подключения с одного конца и подключения с другого (противоположного) конца не производят [1].
С точки зрения устойчивости энергосистемы основную опасность представляют включения на междуфазные КЗ, особенно на близкие КЗ, сопровождающиеся глубоким снижением напряжения прямой последовательности [2]. Поэтому основным недостатком одновременного подключения трех фаз ЛЭП является высокая вероятность включения на междуфазное К.З. Этот недостаток настолько серьезен, что на особо ответственных электропередачах, например на линиях, связывающих АЭС с энергосистемой, предусматривается запрет трехфазного АПВ.
Известен способ АПВ трехфазной линии электропередачи, при котором после аварийного отключения двух фаз линии осуществляют их поочередное включение [3]. Способ [3] направлен на то, чтобы избежать включения на междуфазные КЗ, и выбран в качестве прототипа. Согласно прототипу предварительно измеряют напряжение на отключенных фазах, проверяют соответствие каждого измеренного напряжения ожидаемому напряжению, наводимому на неповрежденной отключенной фазе, и при положительном результате проверок повторно включают отключенную фазу, а при отрицательном – последующие фазы не включают, а ранее включенные отключают [3].
При поочередном АПВ по способу [3] не всегда удается избежать включения линии на междуфазные КЗ. Это связано с тем, что способ [3] требует выполнения (непосредственно перед измерением напряжений на отключенных фазах) сложной процедуры «неодинаковой или/и неодновременной компенсации емкостей» для каждой из отключенных фаз с использованием шунтирующих и/или компенсирующих реакторов, а установленные в нем проверочные соотношения между измеренными и ожидаемыми (контрольными) напряжениями не обеспечивают достоверных и однозначных выводов о наличии или отсутствии замыканий на отключенных фазах. Это привело к тому, что способ [3] не нашел практического применения на ЛЭП высокого и сверхвысокого напряжений, где АПВ особенно эффективны.
Раскрытие существа изобретения
Задача изобретения – повысить надежность предотвращения включения линии на междуфазные КЗ.
Технический результат изобретения – исключение возможности включения линии на междуфазные КЗ, являющиеся наиболее тяжелыми для устойчивости энергосистемы, и упрощение реализации способа. При осуществлении изобретения неуспешные повторные включения какой-либо фазы (с последующим ее отключением защитой) могут иметь место только при однофазных КЗ (т.е. при замыканиях одной фазы на землю), что в большинстве случаев допустимо по условиям устойчивости энергосистемы.
Предметом изобретения является способ включения трехфазной линии электропередачи, характеризующийся тем, что включают первую фазу, измеряют напряжения на второй и третьей фазах, проверяют превышение первой контрольной величиной каждого из измеренных напряжений и при положительном результате проверок включают вторую фазу, измеряют напряжение на третьей фазе, проверяют превышение второй контрольной величиной напряжения, измеренного на третьей фазе, и при положительном результате проверки включают третью фазу, а при отрицательном результате любой из проверок или наличии сигнала релейной защиты на отключение включенной фазы последующие фазы не включают, а ранее включенные – отключают.
Изобретение имеет развития, состоящие в том, что:
– первую контрольную величину принимают равной 75-85% от номинального значения фазного напряжения;
– вторую контрольную величину принимают равной 75-85% от номинального значения фазного напряжения;
– после включения первой фазы и измерения напряжений на второй и третьей фазах дополнительно проверяют превышение каждым из измеренных напряжений третьей контрольной величины;
– третью контрольную величину принимают равной 5-15% от номинального значения фазного напряжения.
Развитие с введением дополнительной проверки позволяет избежать включения второй и третьей фаз и на однофазное КЗ. В этом случае включение какой-либо фазы на КЗ вообще не происходит, если на первой фазе нет замыкания на землю.
Остальные развития позволяют делать достоверные выводы о наличии или отсутствии междуфазных и однофазных замыканий для большинства существующих линий высокого и сверхвысокого напряжений.
Осуществление изобретения с учетом его развития
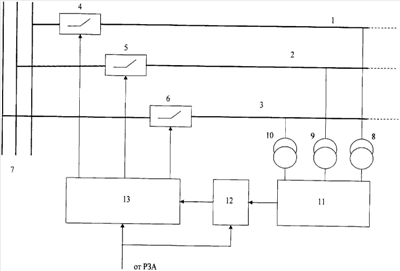
На чертеже приведена функциональная схема, иллюстрирующая реализацию предлагаемого способа с помощью измерительного и коммутирующего оборудования ЛЭП.
На чертеже показаны три фазы 1, 2, 3 (фазные провода ЛЭП), расположенные на одной стороне ЛЭП:
– выключатели 4, 5, 6, подключающие фазы 1, 2, 3 к трехфазной шине 7 подстанции;
– измерительные трансформаторы 8, 9, 10 напряжения, подключенные к фазам 1, 2, 3 ЛЭП;
– измерительный блок 11, к которому подключены выходы трансформаторов 8, 9, 10;
– блок 12 анализа;
– блок 13 управления выключателями 4, 5, 6.
Способ осуществляют следующим образом.
В исходном состоянии все три фазы ЛЭП отключены, например, аварийно по сигналу релейной защиты (РЗ), с двух сторон ЛЭП. Пока ни одна из фаз не подключена своим выключателем к шине 7, на фазах 1, 2, и 3 нет напряжений, наведенных другими фазами.
Спустя заданное время от момента аварийного отключения блок 13 включает выключатель 4 фазы 1, начиная процесс АПВ. Если на фазе 1 линии сохранилось КЗ на землю, то на блоки 13 и 12 поступает от системы РЗА соответствующий сигнал, по которому блок 13 отключает выключатель 4, а блок 12 прекращает процесс АПВ.
Если же на фазе 1 нет замыкания на землю, то процесс АПВ продолжается. Блок 11 измеряет напряжения, поступающие с трансформаторов 9 и 10 (например, преобразует их в цифровой код), и передает результаты измерений в блок 12, который сравнивает каждое из измеренных напряжений с первой контрольной величиной, равной, например, 80% от номинального значения фазного напряжения.
Если первая контрольная величина превышает каждое напряжение, измеренное на фазах 2 и 3, и, следовательно, на фазах 2 и 3 присутствуют только напряжения, наведенные с фазы 1 через межфазные емкости, то блок 12 устанавливает факт отсутствия междуфазных КЗ фаз 2 и 3 с фазой 1 и процесс АПВ продолжается. Если первая контрольная величина превышена хотя бы одним из напряжений, измеренных на фазах 2 и 3, то блок 12 формирует сигнал о наличии КЗ между соответствующей фазой и фазой 1. Процесс АПВ прекращается, а в блок 13 поступает команда на отключение выключателя 4.
После этого (в соответствии с развитием по п.4 формулы изобретения) блок 12 переходит к сравнению напряжений, измеренных на фазах 2 и 3, с третьей контрольной величиной, равной, например, 10% от номинального значения фазного напряжения. Если третья контрольная величина превышена каждым из измеренных напряжений и, следовательно, на фазах 2 и 3 присутствуют напряжения, наведенные через межфазные емкости от включенной фазы 1, то блок 12 устанавливает факт отсутствия замыкания на землю фаз 2 и 3. С учетом ранее сделанного вывода об отсутствии междуфазных КЗ блок 12 формирует сигнал на включение выключателя 5. Если третья контрольная величина не превышена напряжением, измеренным хотя бы на одной из фаз 2 или 3, то блок 12 устанавливает факт наличия однофазного замыкания на землю соответствующей фазы и, воздействуя на блок 13, отключает выключатель 4 и прекращает процесс АПВ.
После включения выключателя 5 блок 12 повторно измеряет напряжение, поступающее с трансформатора 10, подключенного к третьей фазе, и сравнивает измеренное напряжение с второй контрольной величиной. Если вторая контрольная величина превышает напряжение, измеренное на третьей фазе, и, следовательно, на фазе 3 присутствуют только напряжение, наведенное через межфазные емкости с включенных фаз 1 и 2, то блок 12 устанавливает факт отсутствия КЗ между фазами 2, 3 и через заданное время выдает в блок 13 команду на включение выключателя 6. Если вторая контрольная величина не превышает напряжения, измеренного на третьей фазе, то блок 12 устанавливает факт наличия КЗ между фазами 2 и 3. Процесс АПВ прекращается, а в блок 13 поступает команда на отключение выключателей 4 и 5.
Включение ЛЭП при ее вводе в работу (после окончания строительства или ремонта) по предлагаемому способу осуществляется аналогично.
Как видно из изложенного, осуществление изобретения (в том числе и без развития по п.4 формулы изобретения) позволяет при любых видах повреждений предотвратить включение (подключение к шине 7) двух фаз, между которыми имеется КЗ. Это снижает риск потери устойчивости энергосистемой.
При выполнении изобретения с учетом его развития по п.4 формулы изобретения, кроме того, предотвращается включение фаз 2 и 3 при наличии их замыкания на землю. При этом только одна фаза (фаза 1, которую включают первой) подключается к шине 7 без проверки наличия на ней КЗ на землю. Отсюда следует, что при равновероятных замыканиях фаз ЛЭП на землю в двух третях случаев включений ЛЭП по предлагаемому способу первой будет включена неповрежденная фаза, а включение фазы, на которой имеет место КЗ на землю, вообще не будет производиться. Это снижает риск повреждения оборудования.
Из изложенного также видно, что предложенный способ в отличие от [3] не требует выполнения непосредственно перед измерением напряжений процедуры неодинаковой или/и неодновременной компенсации емкостей для каждой из отключенных фаз (с использованием шунтирующих и компенсирующих реакторов) и устанавливает однозначные и достоверные проверочные соотношения между измеренными напряжениями и контрольными величинами. Диапазоны выбора контрольных величин, которые даны в уточняющих пунктах формулы изобретения, рассчитаны с использованием методики, приведенной в [4], подтверждены экспериментально и применимы практически для всех существующих трехфазных ЛЭП высокого и сверхвысокого напряжений.
Источники информации
1. Беркович М.А., Комаров А.Н., Семенов В.А. Основы автоматики энергосистем. М.: Энергоиздат, 1981. Стр.41-42.
2. Авт. свид. СССР 843074, МПК Н02Н 3/06. Способ трехфазного автоматического повторного включения линии электропередачи и устройство для его осуществления. БИ 29, 1981 г.
3. Авт. свид. СССР 985875, МПК Н02Н 3/06. Способ автоматического повторного включения линии электропередачи. БИ 48, 1982 г.
4. Н.Н.Беляков, К.П.Кадомская, М.Л.Левинштейн и др. Процессы при однофазном автоматическом повторном включении линий высоких напряжений. Под ред. М.Л.Левинштейна. М.: Энергоатомиздат, 1991.
Формула изобретения
1. Способ включения трехфазной линии электропередачи, характеризующийся тем, что включают первую фазу, измеряют напряжения на второй и третьей фазах, проверяют превышение первой контрольной величиной каждого из измеренных напряжений и при положительном результате проверок включают вторую фазу, измеряют напряжение на третьей фазе, проверяют превышение второй контрольной величиной напряжения, измеренного на третьей фазе, и при положительном результате проверки включают третью фазу, а при отрицательном результате любой из проверок или наличии сигнала релейной защиты на отключение включенной фазы последующие фазы не включают, а ранее включенные – отключают.
2. Способ по п.1, отличающийся тем, что первую контрольную величину принимают равной 75-85% от номинального значения фазного напряжения.
3. Способ по п.1, отличающийся тем, что вторую контрольную величину принимают равной 75-85% от номинального значения фазного напряжения.
4. Способ по п.1, отличающийся тем, что после включения первой фазы и измерения напряжений на второй и третьей фазах дополнительно проверяют превышение каждым из измеренных напряжений третьей контрольной величины.
5. Способ по п.4, отличающийся тем, что третью контрольную величину принимают равной 5-15% от номинального значения фазного напряжения.
РИСУНКИ
|
|