|
|
(21), (22) Заявка: 2008101237/28, 21.01.2008
(24) Дата начала отсчета срока действия патента:
21.01.2008
(46) Опубликовано: 10.06.2009
(56) Список документов, цитированных в отчете о поиске:
RU 2112283 C1, 27.05.1998. SU 956908 A, 07.09.1982. EP 1574778 A1, 14.09.2005. RU 2010347 C1, 30.03.1994. RU 5466 U1, 16.11.1997.
Адрес для переписки:
115569, Москва, ул. Шипиловская, 5, кв.182, О.И. Брик
|
(72) Автор(ы):
Пичугин Владимир Сергеевич (RU), Степанов Сергей Васильевич (RU)
(73) Патентообладатель(и):
Общество с ограниченной ответственностью “Химлабо” (RU)
|
(54) ИСТОЧНИК СВЕТА ДЛЯ ЛАБОРАТОРНЫХ РАБОТ ПО ФИЗИКЕ
(57) Реферат:
Источник света включает лампу, расположенную в корпусе, одна из сторон которого выполнена с отверстием. Корпус выполнен в виде патрона, передний открытый торец которого закрыт крышкой с центральным отверстием, а задний также снабжен центральным отверстием. Лампа закреплена на плате с микросхемой и выходным проводом, которая посредством центрирующих вкладышей установлена внутри корпуса. При этом выходной провод выведен в центральное отверстие заднего торца и снабжен вилкой с плоскими контактами, а лампа выполнена в виде лампы тлеющего разряда. При этом как корпус, так и крышка могут быть выполнены как круглого, так и многогранного сечения в поперечной плоскости. Технический результат – создание источника света, который был бы пригоден для всего комплекса лабораторных работ по курсу физики не только по разделу оптические явления, но в других разделах, прост в изготовлении, надежен, нагляден и удобен в использовании. 1 з.п. ф-лы, 2 ил.
Изобретение относится к учебным пособиям при проведении лабораторных работ и может быть использовано как прибор по физике во всех областях учебно-наглядного оборудования при изучении прохождения светового луча, а также при демонстрации оптических явлений.
Во многих физических опытах часто используется какой-нибудь источник света. Известен источник света по свидетельству на полезную модель 5466, кл. G09B 3/10, 1996 г., «Учебно-наглядное пособие L-микро для изучения оптических явлений», где источник света в виде лампочки посредством кронштейна закреплен с возможностью поворота на подставке с магнитными полосками. Однако данная установка неудобна в использовании, так как она имеет ненадежное крепление и не позволяет регулировать расположение источника света по высоте и имеет большой диапазон рассеивания света.
Источник света по патенту РФ 2010347, G09B 23/22, выполненный в виде лампочки с отражателем, свет от которой проходит сквозь светофильтры. Данное устройство также дает рассеивающий свет и не пригодно во многих демонстрационных опытах.
Источник света по патенту РФ 2154307 «Учебный оптический интерферометр» также содержит источник света в виде лампочки накаливания, заключенной в корпус с установленной в нем линзой, а пучок света проходит сквозь эту линзу. Данный источник света также неудобен в использовании при проведении опытов.
Наиболее близким техническим решением является техническое решение по патенту РФ 2112283, кл. G09B 23/22, 1996 г., «Учебный прибор по оптике». Данное устройство содержит источник света или, как он назван в описании патента 2112283, осветитель с маломощной лампой накаливания (см. фиг.3) со спиральной нитью. Лампа заключена в корпус, имеющий отверстие для выхода пучка света. Однако данный источник света не обеспечивает проведение всего комплекса лабораторных работ, проводимых на уроках физики в средних и высших учебных заведениях оптических явлений, и неудобен в эксплуатации.
Технической задачей настоящего изобретения является создание такого источника света, который был бы пригоден для всего комплекса лабораторных работ по курсу физики не только по разделу оптические явления, но в других разделах, например электричества, прост в изготовлении, надежен, нагляден и удобен в использовании.
Поставленная задача достигается тем, что в источник света, включающий лампу, расположенную в корпусе, одна из сторон которого выполнена с отверстием, при этом корпус выполнен в виде патрона, передний открытый торец которого закрыт крышкой с центральным отверстием, а задний также снабжен центральным отверстием, а лампа закреплена на плате с микросхемой и выходным проводом, которая посредством центрирующих вкладышей установлена внутри корпуса, при этом выходной провод выведен в центральное отверстие заднего торца и снабжен вилкой с плоскими контактами, а лампа выполнена в виде лампы тлеющего разряда.
Поставленная задача достигается тем, что как корпус, так и крышка могут быть выполнены как круглого, так и многогранного сечения в поперечной плоскости.
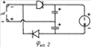
На фиг.1 изображен общий вид источника света, на фиг.2 – микросхема платы.
Источник света для лабораторных работ по физике содержит корпус 1, который выполнен в виде патрона, корпус может быть выполнен как круглой, так и любой другой формы, например прямоугольной, многогранной. Передний открытый торец 2 корпуса закрыт крышкой 3 с центральным отверстием 4, а в заднем закрытом торце 5 также выполнено отверстие 6. Наружная поверхность крышки 3 может быть выполнена как круглой, так и многогранной, причем к одному и тому же корпусу может прилагаться несколько крышек с различным диаметром отверстий 4 для получения различного пучка света. Внутри корпуса 1 установлена плата 7 с микросхемой и выводящим проводом 8, на которой закреплена лампа 9, цоколь которой взаимодействует с конденсаторами микросхемы. Предпочтительнее использовать лампу тлеющего разряда, что обеспечивает получение линейчатого света. Микросхема может содержать, по крайней мере, два электролитических конденсатора и два полупроводниковых диода.
Плата 7 внутри корпуса зафиксирована центрирующими вкладышами 10, а выводящий провод 8 микросхемы платы выведен в отверстие 6 заднего торца, свободный конец провода 8 снабжен вилкой 11 с плоскими контактами 12.
При проведении опытов по изучению оптических явлений источник света может располагаться на столе, а благодаря выполнению крышки 3 или корпуса 1 с многогранной внешней поверхностью источник света будет устойчиво установлен на столе. Кроме того, выполнение корпуса в виде патрона позволяет крепить источник света в лапках любого штатива, что позволяет регулировать расположение источника света по высоте. Использование вилки 11 с плоскими контактами 12 обеспечивает безопасность проведения опытов, а кроме того, на школьных партах установлены розетки с плоскими отверстиями.
Предложенное техническое решение источника света позволяет использовать его в любых лабораторных работах по электричеству и оптике.
Таким образом, предложенное конструктивное выполнение как всего источника света, так и его отдельных элементов, позволяет проводить весь комплекс работ по демонстрации опытов в общеобразовательных школах. Устройство просто в изготовлении, надежно при использовании учащимися на уроках и безопасно в эксплуатации, а главное обеспечивает наглядность проведения опытов.
Формула изобретения
1. Источник света, включающий лампу, расположенную в корпусе, одна из сторон которого выполнена с отверстием, отличающийся тем, что корпус выполнен в виде патрона, передний открытый торец которого закрыт крышкой с центральным отверстием, а задний также снабжен центральным отверстием, а лампа закреплена на плате с микросхемой и выходным проводом, которая посредством центрирующих вкладышей установлена внутри корпуса, при этом выходной провод выведен в центральное отверстие заднего торца и снабжен вилкой с плоскими контактами, а лампа выполнена в виде лампы тлеющего разряда.
2. Источник света по п.1, отличающийся тем, что как корпус, так и крышка могут быть выполнены как круглого, так и многогранного сечения в поперечной плоскости.
РИСУНКИ
|
|