|
|
(21), (22) Заявка: 2007139678/09, 26.09.2007
(24) Дата начала отсчета срока действия патента:
26.09.2007
(46) Опубликовано: 10.06.2009
(56) Список документов, цитированных в отчете о поиске:
RU 2267798 C1, 10.01.2006. RU 2234107 C1, 10.08.2004. RU 2193747 C1, 27.11.2002. RU 42327 U1, 27.11.2004. RU 1672832 A1, 10.10.1999. US 3903521 A, 02.09.1975. US 3896437 A, 22.07.1975. CA 2013522 A1, 21.06.2007. WO 2007069253 A1, 21.06.2007.
Адрес для переписки:
355003, г.Ставрополь, ул. Л. Толстого, 2, кв.19, В.И. Винокурову
|
(72) Автор(ы):
Винокуров Владимир Иванович (RU), Винокуров Дмитрий Владимирович (RU), Мужичек Сергей Михайлович (RU), Привалов Сергей Владимирович (RU), Федосов Олег Юрьевич (RU)
(73) Патентообладатель(и):
Винокуров Владимир Иванович (RU), Винокуров Дмитрий Владимирович (RU), Мужичек Сергей Михайлович (RU), Привалов Сергей Владимирович (RU), Федосов Олег Юрьевич (RU)
|
(54) РАДИОЛОКАЦИОННЫЙ ИМИТАТОР ЦЕЛИ
(57) Реферат:
Изобретение относится к области радиолокации и может быть использовано в контрольно-измерительной аппаратуре доплеровских радиолокационных систем (РЛС). Достигаемым техническим результатом является расширение функциональной возможности за счет осуществления имитации сигнала, отраженного от реальной цели, представляющей собой совокупность блестящих точек, являющихся источниками вторичного излучения. Радиолокационный имитатор цели содержит определенным образом соединенные между собой модуль сверхвысокой частоты (СВЧ), линию связи, рупорную антенну, группу синтезаторов доплеровских частот, группу умножающих цифроаналоговых преобразователей (ЦАП), группу ключей, первое перепрограммируемое постоянное запоминающее устройство (ППЗУ), второе ППЗУ, интерфейс мультиплексной шины и мультиплексную шину управления, причем модуль СВЧ состоит из устройства автоматической регулировки мощности, импульсного модулятора, группы амплитудных модуляторов, СВЧ сумматора, переключателя уровня мощности и цифрового аттенюатора, определенным образом соединенных между собой и соответствующими элементами заявленного имитатора. 1 ил.
Изобретение относится к области радиолокации и может быть использовано в контрольно измерительной аппаратуре доплеровских радиолокационных систем (РЛС).
Известен радиолокационный имитатор цели, содержащий модуль СВЧ, состоящий из последовательно соединенных устройства автоматической регулировки мощности, импульсного модулятора, амплитудного модулятора, переключателя уровня мощности и цифрового аттенюатора, входы устройства автоматической регулировки мощности и импульсного модулятора являются соответственно входами СВЧ и импульсной модуляции радиолокационного имитатора цели, линию связи, рупорную антенну, подключенную через линию связи к выходу цифрового аттенюатора, группу ключей, выходы которых подключены к соответствующим входам управления цифровым аттенюатором, первое перепрограммируемое постоянное запоминающее устройство, разряды выходной шины которого подключены ко входам соответствующих ключей, интерфейс мультиплексной шины, соответствующие выходы которого подключены к адресным входам первого перепрограммируемого постоянного запоминающего устройства и ко входам управления импульсным модулятором, амплитудным модулятором и переключателем уровня мощности, синтезатор доплеровских частот и мультиплексную шину управления, соединенную с шинами интерфейса мультиплексной шины и управления синтезатора доплеровских частот, второе перепрограммируемое постоянное запоминающее устройство, адресные входы которого соединены с адресными входами первого перепрограммируемого постоянного запоминающего устройства, и умножающий цифроаналоговый преобразователь, шина управления которого подключена к выходной шине второго перепрограммируемого постоянного запоминающего устройства, вход подключен к выходу синтезатора доплеровских частот, а выход – ко входу амплитудного модулятора (Патент РФ 2267798, кл. G01S 7/40, опубл. 10.01. 2006, Бюл. 1).
Недостатком данного радиолокационного имитатора цели являются заниженные функциональные возможности, обусловленные тем, что данный имитатор позволяет осуществлять имитацию только точечной цели, т.е. состоящей только из одной блестящей точки. Однако, как известно, реальная цель представляет собой совокупность блестящих точек, являющихся источниками вторичного излучения. (Радиолокационные характеристики летательных аппаратов / М.Е.Варганов, Ю.С.Зиновьев, Л.Ю.Астанин и др.; Под ред. Л.Т.Тучкова. – М.: Радио и связь, 1985. -236 с., ил.).
Технический результат изобретения заключается в том, что радиолокационный имитатор цели, содержащий модуль СВЧ, состоящий из последовательно соединенных устройства автоматической регулировки мощности и импульсного модулятора, последовательно соединенных переключателя уровня мощности и цифрового аттенюатора, вход устройства автоматической регулировки мощности является входом СВЧ, а также линию связи и рупорную антенну, подключенную через линию связи к выходу цифрового аттенюатора, группу ключей, выходы которых подключены к соответствующим входам управления цифровым аттенюатором, первое перепрограммируемое постоянное запоминающее устройство, разряды выходной шины которого подключены ко входам соответствующих ключей, интерфейс мультиплексной шины, соответствующие выходы которого подключены к адресным входам первого перепрограммируемого постоянного запоминающего устройства и ко входам управления переключателем уровня мощности и импульсным модулятором, мультиплексную шину управления, соединенную с шинами интерфейса мультиплексной шины, второе перепрограммируемое постоянное запоминающее устройство, адресные входы которого соединены с адресными входами первого перепрограммируемого постоянного запоминающего устройства, дополнительно содержит в модуле СВЧ группу амплитудных модуляторов, многоотводную линию задержки, СВЧ сумматор и сумматор, причем вход многоотводной линии задержки является входом импульсной модуляции, а выходы соединены со входами сумматора, выход которого соединен со входом импульсного модулятора, выход которого соединен со входами группы амплитудных модуляторов, выходы которых соединены через СВЧ сумматор со входом переключателя уровня мощности, а также группу синтезаторов доплеровских частот, выходы которых соединены с входами группы умножающих цифроаналоговых преобразователей, шины управления которых подключены к выходу второго перепрограммируемого постоянного запоминающего устройства, а выходы соединены со входами группы амплитудных модуляторов, входы группы синтезаторов доплеровских частот соединены с выходом мультиплексной шины управления, а выходы с входами группы амплитудных модуляторов, выход интерфейса мультиплексной шины соединен с входами группы амплитудных модуляторов.
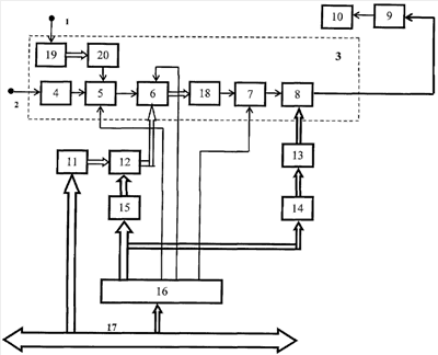
На чертеже приведена функциональная схема радиолокационного имитатора цели, где: 1 – вход импульсной модуляции; 2 – вход СВЧ; 3 – модуль СВЧ; 4 – устройство автоматической регулировки мощности; 5 – импульсный модулятор; 6 – группа амплитудных модуляторов; 7 – переключатель уровня мощности; 8 – цифровой аттенюатор; 9 – линия связи; 10 – рупорная антенна; 11 – группа синтезаторов доплеровских частот; 12 – группа умножающих ЦАП; 13 – группа ключей; 14 – первое ППЗУ; 15 – второе ППЗУ; 16 – интерфейс мультиплексной шины; 17 – мультиплексная шина управления; 18 – СВЧ сумматор; 19 – многоотводная линия задержки; 20 – сумматор.
Радиолокационный имитатор цели содержит модуль СВЧ 3, линию связи 9, рупорную антенну 10, группу синтезаторов доплеровских частот 11, группу умножающих ЦАП 12, группу ключей 13, первое ППЗУ 14, второе ППЗУ 15, интерфейс мультиплексной шины 16 и мультиплексную шину управления 17, причем модуль СВЧ 3 состоит из последовательно соединенных устройства автоматической регулировки мощности 4, импульсного модулятора 5, группы амплитудных модуляторов 6, СВЧ сумматора 18, переключателя уровня мощности 7 и цифрового аттенюатора 8, причем вход устройства автоматической регулировки мощности 4 является входом СВЧ, а вход импульсной модуляции радиолокационного имитатора цели соединен со входом многоотводной линии задержки 19, выходы которой соединены через сумматор 20 со входом импульсного модулятора 5, выход цифрового аттенюатора 8 является выходом модуля СВЧ 3 и соединен через линию связи 9 с входом рупорной антенны 10, выходы группы ключей 13 подключены к соответствующим входам управления цифровым аттенюатором 8, разряды выходной шины первого 14 перепрограммируемого постоянного запоминающего устройства подключены ко входам соответствующих ключей 13, соответствующие выходы интерфейса мультиплексной шины 16 подключены к адресным входам первого 14 перепрограммируемого постоянного запоминающего устройства и ко входам управления импульсным модулятором 5, амплитудным модулятором 6 и переключателем уровня мощности 7, мультиплексная шина управления 17 соединена с шинами интерфейса мультиплексной шины 16 и входами управления группы синтезаторов доплеровских частот 11, выходы которых соединены со входами группы умножающих цифроаналоговых преобразователей 12, шина управления которых подключена к выходной шине второго 15 перепрограммируемого постоянного запоминающего устройства, вход подключен к выходу группы синтезаторов доплеровских частот 11, а выход – ко входу группы амплитудных модуляторов 6, адресные входы второго 15 перепрограммируемого постоянного запоминающего устройства соединены с адресными входами первого 14 перепрограммируемого постоянного запоминающего устройства.
Работа радиолокационного имитатора цели происходит следующим образом. На вход СВЧ 2 поступает сигнал несущей частоты РЛС. Если РЛС работает в импульсном режиме, то на вход импульсной модуляции 1 подается задержанный сигнал запуска передатчика РЛС. В модуле СВЧ 3 он поступает на вход многоотводной линии задержки 19, на выходе которой образуется последовательность импульсов, имитирующих реальную цель, которая через сумматор 20 поступает на вход импульсного модулятора 5. Далее сигнал поступает на группу амплитудных модуляторов 6 с подавлением несущей частоты, на выходе которой формируются боковые частоты, смещенные относительно несущей частоты на величину частоты сигналов с группы синтезаторов доплеровских частот 11, которые поступают на входы группы амплитудных модуляторов 6 через группу умножающих цифроаналоговых преобразователей 12. Затем этот доплеровский сигнал поступает через переключатель уровня мощности 7 с СВЧ-усилителем, обеспечивающий работу РИЦа в режиме повышенной мощности, и далее, на цифровой аттенюатор 8 для установки выходной мощности. С выхода цифрового аттенюатора 8 сигнал через линию связи 9 поступает на рупорную антенну 10 для излучения его с целью имитации сигнала, отраженного от реальной цели. При помощи мультиплексной шины управления 17, подключенной к электронно-вычислительной машине (ЭВМ), и интерфейса мультиплексной шины 16 обеспечивается управление импульсным 5 и группой амплитудных модуляторов 6, переключателем уровня мощности 7 и цифровым аттенюатором 8. Управление цифровым аттенюатором 8 осуществляется через группу ключей 13 и первое ППЗУ 14, которое преобразует код затухания в децибелах, поступающего на адресные входы ППЗУ 14, в код управления цифровым аттенюатором 8. Эти значения кодов записываются в ППЗУ 14 при калибровке цифрового аттенюатора 8. Это позволяет произвести глубокую калибровку выходной мощности радиолокационного имитатора цели. Точная калибровка выходной мощности радиолокационного имитатора цели осуществляется за счет изменения глубины амплитудной модуляции путем изменения уровня сигналов модуляции, поступающих с выхода группы синтезаторов доплеровских частот 11 через группу умножающих ЦАП 12 для каждого значения величины затухания. Для этого используется группа умножающих ЦАП 12, на шину управления которых поступает код с выходной шины второго ППЗУ 15. Величина этого кода определяет коэффициент передачи группы умножающих ЦАП 12 и, следовательно, уровень сигнала модуляции. На адресные входы ППЗУ 15, объединенные с адресными входами ППЗУ 14, поступает код затухания в децибелах. Выходные коды в ППЗУ 15 записываются при точной калибровке выходной мощности радиолокационного имитатора цели.
Формула изобретения
Радиолокационный имитатор цели, содержащий модуль сверхвысокой частоты (СВЧ), состоящий из последовательно соединенных устройства автоматической регулировки мощности и импульсного модулятора, последовательно соединенных переключателя уровня мощности и цифрового аттенюатора, вход устройства автоматической регулировки мощности является входом СВЧ, а также линию связи и рупорную антенну, подключенную через линию связи к выходу цифрового аттенюатора, группу ключей, выходы которых подключены к соответствующим входам управления цифровым аттенюатором, первое перепрограммируемое постоянное запоминающее устройство, разряды выходной шины которого подключены ко входам соответствующих ключей, интерфейс мультиплексной шины, соответствующие выходы которого подключены к адресным входам первого перепрограммируемого постоянного запоминающего устройства и ко входам управления переключателем уровня мощности и импульсным модулятором, мультиплексную шину управления, соединенную с шинами интерфейса мультиплексной шины, второе перепрограммируемое постоянное запоминающее устройство, адресные входы которого соединены с адресными входами первого перепрограммируемого постоянного запоминающего устройства, отличающийся тем, что содержит в модуле СВЧ группу амплитудных модуляторов, многоотводную линию задержки, СВЧ сумматор и сумматор, причем вход многоотводной линии задержки является входом импульсной модуляции, а выходы соединены со входами сумматора, выход которого соединен со входом импульсного модулятора, выход которого соединен со входами группы амплитудных модуляторов, выходы которых соединены через СВЧ сумматор со входом переключателя уровня мощности, а также группу синтезаторов доплеровских частот, выходы которых соединены с входами группы умножающих цифроаналоговых преобразователей, шины управления которых подключены к выходу второго перепрограммируемого постоянного запоминающего устройства, а выходы соединены со входами группы амплитудных модуляторов, входы группы синтезаторов доплеровских частот соединены с выходом мультиплексной шины управления, выход интерфейса мультиплексной шины соединен с входами группы амплитудных модуляторов.
РИСУНКИ
|
|