|
|
(21), (22) Заявка: 2006112901/28, 21.10.2004
(24) Дата начала отсчета срока действия патента:
21.10.2004
(30) Конвенционный приоритет:
22.10.2003 FI 20031546
(43) Дата публикации заявки: 27.11.2007
(46) Опубликовано: 10.06.2009
(56) Список документов, цитированных в отчете о поиске:
RU 2097893 С1, 27.11.1997. SU 1781644 A1, 15.12.1992. EP 1065510 A1 03.01.2001. WO 99/10753 A1, 04.03.1999.
(85) Дата перевода заявки PCT на национальную фазу:
22.05.2006
(86) Заявка PCT:
FI 2004/000625 20041021
(87) Публикация PCT:
WO 2005/038474 20050428
Адрес для переписки:
119146, Москва, а/я 33, ИнтерПат, пат.пов. И.В.Журавлевой
|
(72) Автор(ы):
МЯКИНЕН Олави (FI)
(73) Патентообладатель(и):
АББ ОУ (FI)
|
(54) СПОСОБ И УСТРОЙСТВО ДЛЯ ОПРЕДЕЛЕНИЯ НЕУСТОЙЧИВОГО ЗАМЫКАНИЯ НА ЗЕМЛЮ
(57) Реферат:
Изобретение относится к определению короткого замыкания на землю в электрической распределительной сети. Сущность: изобретение основано на определении нулевой последовательности напряжения (U0) и суммарного тока (ISUM) фазовых токов. Нулевая последовательность напряжения и суммарный ток фильтруются так, что отфильтрованная нулевая последовательность напряжения и суммарный ток содержат только составляющую переходного процесса, появляющуюся во время неустойчивого (прерывистого) замыкания на землю. Когда амплитуды (A(U0), A(ISUM)) составляющей переходного процесса нулевой последовательности напряжения (UO) и суммарного тока (ISUM) превысят соответствующие заранее заданные значения (A(U0LIMIT), (A(ISUMLIMIT)) для амплитуды и когда разность фаз между фазовыми углами ( (U0), (ISUM)) составляющей переходного процесса указанных нулевой последовательности напряжения (U0) и суммарного тока (ISUM) находятся в заранее заданном диапазоне значений, то устанавливается, что в наблюдаемой распределительной электрической сети возникло неустойчивое (прерывистое) замыкание на землю. В зависимости от разности фаз устанавливается, возникло ли неустойчивое (прерывистое) замыкание на землю в наблюдаемом фидере или в каком-то другом фидере гальванически соединенной электрической распределительной сети. Технический результат: повышение надежности определения замыкания. 2 н. и 20 з.п. ф-лы, 23 ил.
ОБЛАСТЬ ИЗОБРЕТЕНИЯ
Настоящее изобретение относится к способу для определения неустойчивого (прерывистого) замыкания на землю в распределительной электрической сети, при котором неустойчивое замыкание на землю определяют на основе нулевой последовательности напряжения в распределительной электрической сети и суммарного тока фазовых токов в начале фидерной линии в распределительной электрической сети.
Настоящее изобретение относится также к устройству для определения неустойчивого (прерывистого) замыкания на землю в распределительной электрической сети, при котором неустойчивое замыкание на землю определяют на основе нулевой последовательности напряжения в распределительной электрической сети и суммарного тока фазовых токов в начале фидерной линии в распределительной электрической сети.
ПРЕДПОСЫЛКИ ИЗОБРЕТЕНИЯ
Неустойчивое (прерывистое) замыкание на землю в распределительной электрической сети связано с нарушением изоляции между проводником фазы и землей или части сети соединения с землей, т.е. с нарушением, при котором, по крайней мере, в одной фазе проводника фидерной линии распределительной электрической сети возникает контакт с землей тем или иным образом. На практике неустойчивое (прерывистое) замыкание на землю возникает, например, в виде дуги в результате искрового разряда в защитном искровом разряднике трансформатора вследствие падения дерева на воздушную линию при касании его ветвей проводов линии или когда происходит разрыв проводника фазы и его контакт с землей. Неустойчивое (прерывистое) замыкание на землю может произойти в одном или более проводниках. Возмущения от неустойчивого (прерывистого) замыкания на землю возникают во всей гальванически соединенной сети. Гальванически соединенная сеть относится к фидерным сетям от подстанции, которые соединены с той же собирательной шиной подстанции в данном режиме работы.
Примерно от 60% до 70% нарушений в распределительной электрической сети составляют неустойчивые (прерывистые) замыкания на землю, причем 80% из них являются неустойчивыми (прерывистыми) замыканиями на землю в одной фазе. Многофазное неустойчивое (прерывистое) замыкание на землю часто возникает как вторичный отказ по отношению к замыканию в одной фазе и возникает в результате искрового разряда, вызванного повышением напряжения в неповрежденных фазах или от переходных процессов в момент неустойчивого (прерывистого) замыкания на землю. Большинство неустойчивых (прерывистых) замыканий на землю носят временный характер и исчезают или сами собой или в результате повторного включения, вызванного системой защиты от неустойчивого (прерывистого) замыкания на землю.
Большая часть неустойчивых (прерывистых) замыканий на землю в распределительной электрической сети являются так называемыми непредвиденными или дуговыми разрядными замыканиями, при которых неустойчивое (прерывистое) замыкание на землю возникает повторно и настолько часто, что на местном максимуме или минимуме напряжения в фазе происходит искровой разряд. Неустойчивое (прерывистое) замыкание на землю возникает в виде пика или очень короткого импульса значения напряжения и тока в фазе или в последовательности нулевого напряжения, соответствующего среднему мгновенному значению фазового напряжения и суммы фазовых токов, т.е. суммарного тока. Неустойчивое (прерывистое) замыкание на землю быстро затухает само собой, но при постоянном повторении вновь и вновь без необходимости нагружает электрическую распределительную сеть, ослабляет изолирующие свойства сети в точке его возникновения и со временем может перейти в постоянное неустойчивое (прерывистое) замыкание на землю, которое не позволит эксплуатировать сеть без ее ремонта. Неустойчивое (прерывистое) замыкание на землю также снижает качество поставляемой потребителям электроэнергии и может вызвать нарушение работы и отказы чувствительной аппаратуры, соединенной с этой сетью. Для удобства работы и обслуживания сети важно определять неустойчивое (прерывистое) замыкание на землю в сети, а также выявлять, на какой питающей подстанции возникло это замыкание с тем, чтобы до возникновения постоянного неустойчивого (прерывистого) замыкание на землю обнаружить местонахождение замыкания и принять необходимые защитные меры, которые должны быть выполнены защитными реле подстанции и направлены на аварийный фидер без вмешательства в работу остальных фидеров сети.
Обычно тот же самый способ применяется для определения и защиты как от неустойчивого (прерывистого) замыкания на землю, так и от постоянного замыкания. Указанные технические решения основаны на вычислении быстрых преобразований Фурье (FFT) для амплитуды и фазового угла основной гармоники, т.е. 50 Гц составляющей в нулевой последовательности напряжения в гальванически соединенной сети и амплитуды и фазового угла основной гармоники, т.е. 50 Гц составляющей суммарного тока, измеренных на входе фидера. Постоянное неустойчивое (прерывистое) замыкание на землю определяется на рассматриваемом фидере, когда амплитуды основной 50 Гц составляющей гармоники в последовательности нулевого напряжения в гальванически соединенной сети и амплитуды основной 50 Гц составляющей гармоники суммарного тока находятся в заданном диапазоне значений. Определение неустойчивого (прерывистого) замыкания на землю происходит путем восстановления, т.е. обнуления, однако лишь до момента появления следующего замыкания или пика в течение определенного периода времени. Такое решение имеет то преимущество, что определение неустойчивого (прерывистого) замыкания на землю проводится тем же способом, что и определение постоянного замыкания, при этом могут использоваться те же настройки реле защиты, что и для основного неустойчивого (прерывистого) замыкания на землю. Таким образом, применяемая защита, использующая этот принцип, преобразует импульс замыкания или пик замыкания в суммарном токе при старте фидера посредством быстрых преобразований Фурье (FFT) и вычисленной 50 Гц гармоники, для которой определяется угол фазы в дополнение к амплитуде. Таким же образом происходит определение для 50 Гц гармоники в нулевой последовательности напряжения во время неустойчивого (прерывистого) замыкания на землю. Однако трудно определить направление, в котором происходит это замыкание, и, следовательно, определить аварийный фидер, т.к. определение направления основано на разности углов фаз основной 50 Гц составляющей в нулевой последовательности напряжения и фазового угла весьма неопределенной основной 50 Гц составляющей суммарного тока. Следовательно, такой способ склонен к ошибочным стартам, т.к. во время неустойчивого (прерывистого) замыкания на землю разность фаз и на аварийных фидерах также достигает диапазона настройки включения реле в таком способе. Ввиду того что длительность аварийного пика тока очень коротка – порядка 1 мс и т.к. он по своей природе, имея переходный характер, содержит множество различных частот, воплощение способа, основанного на 50 Гц основной гармоники сигнала, является весьма неопределенным и склонным к ошибкам.
Другой известный способ определения неустойчивого (прерывистого) замыкания на землю связан с выполнением следующих условий: а) мгновенное значение суммарного тока в начале фидера превышает предельное вычисляемое значение; b) на аварийном фидере полярность нулевой последовательности тока и полярность нулевой последовательности напряжения находятся в одной фазе; с) на неаварийном фидере полярность суммарного тока и полярность нулевой последовательности напряжения находятся в разных фазах; и d) используется счетчик, показания которого повышаются при выполнении условия b) и понижаются при выполнении условия с). При достижении счетчиком заранее установленного значения замыкание определяется как неустойчивое (прерывистое) замыкание на землю. Счетчик выставляется на ноль, если интервал между импульсами замыкания или пиками замыкания, вызванными коротким замыканием, превышает установленное предельное значение. Такое решение в значительной мере основано на событиях во временном интервале. Определение направления короткого замыкания при этом способе затруднено из-за того, что, как в аварийном фидере или в аварийных фидерах, суммарный импульс тока состоит из множества частотных гармоник. Высокочастотная составляющая разрядного тока, т.е. разрядный ток переходного процесса, возникающий в суммарном импульсе тока, может вызвать мгновенное значение суммарного тока в аварийном фидере в той же фазе, что и нулевая последовательность напряжения в выбранный момент. В этом случае защитные реле фидеров могут ошибочно сработать, как при неустойчивом (прерывистом) замыкании на землю.
КРАТКОЕ ОПИСАНИЕ ИЗОБРЕТЕНИЯ
Целью настоящего изобретения является создание нового улучшенного способа и устройства для определения неустойчивого (прерывистого) замыкания на землю в распределительных электрических сетях.
Способ согласно настоящему изобретению отличается созданием нулевой последовательности напряжения указанной распределительной электрической сети; созданием суммарного тока фазовых токов в указанном фидере в начале питающей линии; фильтрацией указанной нулевой последовательности напряжения, и при этом отфильтрованная нулевая последовательность напряжения содержит, по существу, только составляющую переходного процесса, возникающую при неустойчивом (прерывистом) замыкании на землю; фильтрацией указанного суммарного тока, при этом отфильтрованный суммарный ток содержит, по существу, только составляющую переходного процесса, возникающую при неустойчивом (прерывистом) замыкании на землю; определением амплитуды и фазового угла составляющей переходного процесса указанной нулевой последовательности напряжения, по крайней мере, для одной частоты; определением амплитуды и фазового угла указанной составляющей переходного процесса суммарного тока, по крайней мере, для одной частоты; формированием разности фаз между фазовыми углами указанной нулевой последовательности напряжения и составляющей переходного процесса суммарного тока; сравнением разности фаз между указанными фазовыми углами составляющих переходного процесса нулевой последовательности напряжения и составляющей переходного процесса суммарного тока с заранее заданным значением указанной разности фаз, и если указанные амплитуды составляющих переходного процесса нулевой последовательности напряжения и суммарного тока превышают соответствующие заданные значения амплитуд и если разность фаз между фазовыми углами указанных составляющих переходного процесса нулевой последовательности напряжения и суммарного тока находятся внутри заданного диапазона, то устанавливается, что в наблюдаемой распределительной электрической сети возникло неустойчивое (прерывистое) замыкание на землю.
Кроме того, устройство согласно настоящему изобретению отличается тем, что содержит средства для образования нулевой последовательности напряжения указанной распределительной электрической сети; средства для образования суммарного тока фазовых токов в указанном фидере в начале питающей линии; средства фильтрации указанной нулевой последовательности напряжения, при этом отфильтрованная нулевая последовательность напряжения содержит, по существу, только составляющую переходного процесса, возникающую при неустойчивом (прерывистом) замыкании на землю; средства фильтрации указанного суммарного тока, при этом отфильтрованный суммарный ток содержит, по существу, только составляющую переходного процесса, возникающую при неустойчивом (прерывистом) замыкании на землю; средства определения амплитуды и фазового угла составляющей переходного процесса указанной нулевой последовательности напряжения, по крайней мере, для одной частоты; средства определения амплитуды и фазового угла указанной составляющей переходного процесса суммарного тока, по крайней мере, для одной частоты; средства формирования разности фаз между фазовыми углами указанной нулевой последовательности напряжения и составляющей переходного процесса суммарного тока; средства для сравнениям разности фаз между указанными фазовыми углами составляющих переходного процесса нулевой последовательности напряжения и составляющей переходного процесса суммарного тока с заранее заданным значением указанной разности фаз, и если указанные амплитуды составляющих переходного процесса нулевой последовательности напряжения и суммарного тока превышают соответствующие заданные значения амплитуд и если разность фаз между фазовыми углами указанных составляющих переходного процесса нулевой последовательности напряжения и суммарного тока находятся внутри заданного диапазона, то устанавливается, что в наблюдаемой распределительной электрической сети возникло неустойчивое (прерывистое) замыкание на землю.
Основная идея данного изобретения заключается в том, что неустойчивое (прерывистое) замыкание на землю в распределительной электрической сети определяется посредством получения нулевой последовательности напряжения указанной распределительной электрической сети и суммарного тока фидера в начале питающей линии и осуществлением фильтрации указанной нулевой последовательности напряжения и указанного суммарного тока таким образом, что отфильтрованная нулевая последовательность напряжения и суммарного тока содержит, по существу, только составляющую переходного процесса, возникающую при неустойчивом (прерывистом) замыкании на землю. Кроме того, основная идея данного изобретения заключается в определении амплитуд и фазовых углов, составляющих переходного процесса нулевой последовательности напряжения и суммарного тока, по крайней мере, на одной частоте, и сравнении определенных амплитуд и разности фазовых углов составляющих переходного процесса нулевой последовательности напряжения и суммарного тока с соответствующими заранее заданными значениями, и если указанные амплитуды составляющих переходного процесса нулевой последовательности напряжения и суммарного тока находятся в заданном диапазоне значений, то устанавливается, что в наблюдаемой распределительной электрической сети возникло неустойчивое (прерывистое) замыкание на землю. В соответствии с одним вариантом воплощения данного изобретения используется способ определения неустойчивого (прерывистого) замыкания на землю на фидере, при котором амплитуда и фазовый угол составляющей переходного процесса суммарного тока заранее установлены, используемый диапазон значений разности фаз между фазовыми углами составляющих переходного процесса нулевой последовательности напряжения и суммарного тока является диапазоном углов b± , где, например, b равен -90° градусам и  равно 80°. В соответствии со вторым вариантом воплощения данного изобретения при обнаружении неустойчивого (прерывистого) замыкания на землю в наблюдаемом фидере питающей сети прерыватель указанного фидера переводится в разомкнутое положение для защиты распределительной электрической сети от воздействия неустойчивого (прерывистого) замыкания на землю. В соответствии с третьим вариантом воплощения данного изобретения используется способ для определения неустойчивого (прерывистого) замыкания на землю в распределительной электрической сети вне наблюдаемого фидера, при котором используемый диапазон значений для разности фаз между фазовыми углами составляющих переходного процессах нулевой последовательности напряжения и суммарного тока составляет – b± где, например, b равно 90º и  равно 80º.
Преимущество настоящего изобретения заключается в том, что вывод об определении неустойчивого (прерывистого) замыкания на землю делается на основании изменений амплитуд и фазовых углов переходного процесса импульса суммарного тока и нулевой последовательности напряжения, по крайней мере, на одной частоте, типичной для переходного процесса. Таким образом, появляется возможность избежать присущих известному уровню техники проблем, в особенности связанных с надежностью поддержания фазового угла частоты основной гармоники в распределительной сети, так как происшедшее событие наблюдается на частоте, типичной для него. Данное техническое решение позволяет надежно определять амплитуды и фазовые углы в переходных процессах, возникающих как в нулевой последовательности напряжения, так и в суммарном токе. На основе амплитуд в переходных процессах можно определить, что рассматриваемое замыкание действительно вызвано коротким замыканием на землю, и на основе фазовых углов можно определить направление, в котором находится короткое замыкание относительно наблюдаемого фидера. Техническое решение в соответствии с настоящим изобретением может использоваться для определения неустойчивого (прерывистого) замыкания на землю или в наблюдаемом фидере, для которого определяется суммарный ток, или для определения неустойчивых (прерывистых) замыканий на землю окружающей питающей сети вне указанного фидера. Кроме того, данное решение может использоваться для создания надежной защиты от неустойчивого (прерывистого) замыкания на землю.
КРАТКОЕ ОПИСАНИЕ ЧЕРТЕЖЕЙ
Настоящее изобретение будет более подробно описано со ссылками на прилагаемые чертежи, где
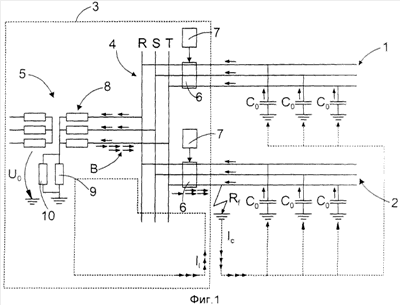
Фиг.1 – схема однофазного неустойчивого (прерывистого) замыкания на землю в распределительной электрической сети с выравнивающим контуром.
Фиг.2 – схема эквивалентного соединения распределительной электрической сети с выравнивающим контуром во время неустойчивого (прерывистого) замыкания на землю.
Фиг.3 – схема устройства согласно данному изобретению.
Фиг.4, 6, 7, 9, 10, 12 и 14 иллюстрируют примеры суммарного тока аварийного фидера на различных стадиях способа согласно данному изобретению.
Фиг.5, 8, 11, 13 и 15 – примеры нулевой последовательности напряжения в распределительной электрической сети на разных стадиях способа согласно данному изобретению.
Фиг.16 – разность фаз между нулевой последовательностью напряжения в распределительной электрической сети и суммарным током аварийного фидера во время аварийного импульса неустойчивого (прерывистого) замыкания на землю.
Фиг.17а, 17b, 17с, 17d и 17е – примеры функционирования способа согласно данному изобретению для наблюдаемого аварийного фидера.
Фиг.18, 19, 20 и 21 – примеры суммарного тока в аварийном фидере на разных стадиях данного способа согласно данному изобретению.
Фиг.22 – разность фаз между нулевой последовательностью напряжения в распределительной электрической сети и суммарным током аварийного фидера во время аварийного импульса неустойчивого (прерывистого) замыкания на землю; и
Фиг.23а, 23b, 23с, 23d и 23е – примеры функционирования способа в наблюдаемом аварийном фидере согласно данному изобретению.
Для лучшего понимания данное изобретение представлено на упрощенных схемах. Одинаковые детали на фигурах имеют одни и те же цифровые обозначения.
ПОДРОБНОЕ ОПИСАНИЕ ИЗОБРЕТЕНИЯ
На Фиг.1 показана схема электрической распределительной сети и происходящее в ней однофазное неустойчивое (прерывистое) замыкание на землю. Электрическая распределительная сеть, показанная на Фиг.1, содержит две трехфазные питающие линии или фидеры, фидер 1 и фидер 2. Фидеры 1 и 2 ответвляются от системы шин 4 подстанции 3, отходящей от поврежденной линии, шина которых соединена с основным трансформатором 5 подстанции 3. Три разные фазы сети обозначены как R, S и Т. В электрической распределительной сети, показанной на Фиг.1, имеются выключатели 6 на начальном участке обоих фидеров, посредством размыкания указанных выключателей можно предотвратить, например, подачу питания на данный фидер в процессе развития замыкания на указанном фидере. Замыкание и размыкание выключателя 6 управляется защитными реле 7, которые следят за состоянием сети на основе осуществляемых измерений, превалирующих в сети напряжений и токов в фидерах, и в случае возникновения нештатной ситуации, при необходимости выдает управляющую команду на размыкание выключателя 6.
В распределительной электрической сети, показанной на Фиг.1, компенсирующая катушка 9, обладающая индуктивностью Li, соединена с нейтральной точкой вторичной обмотки основного трансформатора 5, т.е. с нейтральной точкой сети, при этом задачей компенсирующей катушки является компенсация емкостного тока короткого замыкания на землю основной гармоники, создаваемой в сети во время аварийного заземления. Распределительная электрическая сеть, показанная на Фиг.1, таким образом компенсируется, т.е. имеется резонансная заземленная сеть, означающая, что в дополнение к прямым емкостным соединениям С0 с землей сеть обычно имеет соединение с землей через нейтральную точку основного трансформатора 5. На Фиг.5 также показан дополнительный резистор 10 нагрузки, чье сопротивление равно Ri и который соединен параллельно с компенсирующей катушкой 9 в нейтральной точке сети. Назначение дополнительного резистора 10 нагрузки заключается в увеличении действительной составляющей тока короткого замыкания на землю, возникающего во время аварийного заземления с целью улучшения определения неустойчивого (прерывистого) замыкания на землю. Обычно дополнительный резистор 10 нагрузки включается только в случае, если замыкание не исчезает за счет компенсации.
В штатном режиме прямые емкостные соединения С0 с землей взаимно равны, и, как говорят, сеть симметрична относительно земли. Напряжение между нейтральной точкой симметричной сети и землей, т.е. нулевая последовательность напряжения, всегда равно нулю. Аналогично сумма зарядных токов в сети, протекающих через прямые емкостные соединения С0 с землей, также равна нулю. При возникновении однофазного неустойчивого (прерывистого) замыкания на землю, т.е. при проводимом соединении проводника фазы с землей либо непосредственно, либо посредством аварийного импеданса, напряжение на аварийной фазе уменьшается, в то время как напряжения в неповрежденных фазах растут. Из-за асимметрии напряжений суммарный ток зарядных токов в сети отличен от нуля и образует аварийный ток, который течет на землю через нейтральную точку заземления, т.е. аварийный ток If. Таким образом, напряжение в нейтральной точке, т.е. нулевая последовательность напряжения U0, вырабатывается между нейтральной точкой сети и землей. Это напряжение равно напряжению, вырабатываемому аварийным током заземления If при его протекании через прямые емкостные соединения С0 с землей.
На Фиг.1 показан аварийный ток заземления Iс и нулевая последовательность напряжения U0, вырабатываемая во время однофазного неустойчивого (прерывистого) замыкания на землю в скомпенсированной сети, когда фаза Т фидера 2 входит в гальваническое соединение с землей посредством сопротивления Rf. На Фиг.1 стрелкой В изображен в качестве примера емкостной аварийный ток заземления Iс в сети. Значение аварийного сопротивления Rf представляет собой полное сопротивление между проводником аварийной фазы и проводником земли. Емкость С0 является емкостью одной фазы трехфазной сети. Во время неустойчивого (прерывистого) замыкания на землю ток, текущий на землю через аварийное сопротивление Rf, направлен на землю как через нагрузку, так и через питающую сеть. Ток, текущий на землю, т.е. ток заземления, имеет наибольшее значение в аварийной точке. Ток заземления уменьшается по направлению к оконечности фидеров по мере роста тока, протекающего через прямые емкости С0 к неаварийным фазам так, что на концах фидеров ток заземления равен нулю. Зарядные токи аварийных фаз протекают через трансформаторы к аварийной фазе и далее к аварийной точке. Таким образом, вся гальванически соединенная сеть участвует в образовании аварийного тока заземления If. Во время аварийного нарушения заземления нулевая последовательность напряжения U0 вызывает в компенсационной катушке 9 индуктивный ток Ii, который имеет противоположное направление аварийному току заземления Iс, который стремится скомпенсировать аварийный ток заземления, протекающий через аварийную точку. Резонансная заземленная сеть полностью компенсируется, когда индуктивное сопротивление катушки соответствует индуктивному сопротивлению сети на рабочей частоте сети. Во время неустойчивого (прерывистого) замыкания на землю в скомпенсированной сети большая часть аварийного тока заземления течет через компенсационную катушку 9 и только так называемая остаточная составляющая аварийного тока заземления течет через аварийную точку, при этом остаточная составляющая тока состоит из индуктивного или емкостного тока, вызываемого недостаточно точной настройкой компенсационной катушки 9 и эффективного тока, возникающего из-за потерь в сети и гармоник тока от насыщения катушки. Остаточная составляющая аварийного тока заземления является суммой тока растущего по направлению к неаварийным фазам через прямые емкости, индуктивного тока компенсационной катушки 9 и эффективного тока текущим через дополнительное сопротивление нагрузки, т.е. где подчеркивание отображает векторную сумму.
На Фиг.2 также показана схема эквивалентной связи в цепи аварийного заземления скомпенсированной сети, в которой фаза сетевого напряжения Uv соответствует источнику напряжения 11 в соответствии с известной специалисту в этой области теоремой Тевенина (Thevenin).
Скомпенсированные сети могут также использовать частичную компенсацию, где только часть емкостного тока аварийного заземления может быть скомпенсирована посредством компенсационной катушки 9.
Основные принципы явления неустойчивого (прерывистого) замыкания на землю известны сами по себе специалисту в этой области и поэтому они не будут здесь описаны более подробно. Явление неустойчивого (прерывистого) замыкания на землю детально обсуждается, например, в труде “Проектирование электрических распределительных сетей” (Lakervi E. & Holmes E., London United Kingdom, Peter Peregrinus Ltd., 1989, 320 p.).
На Фиг.3 показана схема варианта воплощения устройства для определения неустойчивого (прерывистого) замыкания на землю, которое основано на переходных процессах заряда или разряда, которые происходят в начальный момент нарушения заземления. Неустойчивое (прерывистое) замыкание на землю приводит к изменению в электрической сети, в которой напряжение аварийной фазы падает и ее прямые емкостные соединения Сo с землей разряжаются и вызывают переходный процесс разряда. В то же самое время напряжения в аварийных фазах повышаются и их прямые емкостные соединения Сo с землей заряжаются, вызывая переходный процесс заряда. Во время переходного процесса разряда заряд емкостного соединения Сo с землей аварийной фазы разряжается колебательно между аварийной точкой заземления и концами фидера. Частота переходного процесса разряда изменяется от 500 Гц до десятков кГц. Теоретически амплитуда переходного процесса разряда может быть очень велика, но практически она быстро затухает благодаря эффекту емкостного сопротивления и поверхностному эффекту, а также аварийному сопротивлению Rf и сопротивлению заземления. Во время переходного процесса заряда емкостные соединения Сo с землей неаварийных фаз накапливают заряд. Теоретически частота переходного процесса разряда может достигать 6 кГц, но практически эта частота переходного процесса разряда составляет от 100 до 1200 Гц, потому что частота переходного процесса затухает, так как большая часть зарядного тока протекает через обмотку основного трансформатора электрической сети. При неустойчивом (прерывистом) замыкании на землю на пике напряжения фазы напряжение аварийной фазы может стать в 2,5 раза выше своего пикового значения до аварии в фазе. Соответственно, амплитуда аварийного тока в переходном процессе может возрасти в 10-20 раз по сравнению с амплитудой основой частоты аварийного тока.
Техническое решение для определения неустойчивого (прерывистого) замыкания на землю основано на переходных процессах заряда и разряда суммарного тока ISUM в фидере и нулевой последовательности напряжения U0 электрической сети. Нулевая последовательность напряжения U0 может быть получена, например, вычислением посредством вычислительного средства 14 среднего значения мгновенных значений напряжений фаз UR, US и UT, измеренных при помощи известных преобразователей напряжения 12 или датчиков напряжения 12. Аналогично, нулевая последовательность напряжения U0 может быть также измерена непосредственно при помощи преобразователя или датчика, измеряющего одновременно напряжение во всех фазах. Суммарный ток ISUM получают соответствующим образом путем вычисления в вычислительном средстве 14′ сумм мгновенных значений фазовых токов IR, IS и IT, измеренных известным образом при помощи преобразователей тока 13 или датчиков тока 13. Аналогично, суммарный ток ISUM может быть также измерен непосредственно при помощи преобразователя тока или датчика тока, измеряющего ток одновременно во всех фазах.
После определения нулевой последовательности напряжения U0 и суммарного тока
ISUM указанные значения сигналов фильтруются полосовым фильтром 15, полоса пропускания которого выбирается такой, чтобы сохранить те частотные составляющие сигнала, которые находятся в пределах полосы фильтра 15. В зависимости от характера переходного процесса – заряда или разряда, используемого для определения непредвиденного нарушения заземления, возникающего в начальный момент неустойчивого (прерывистого) замыкания на землю, полоса пропускания фильтра 15 настраивается на определенный диапазон частот так, чтобы пропускалась только указанная переходная составляющая, а более высокочастотные и низкочастотные составляющие отфильтровывались. До прохождения полосового фильтра частота переходного процесса не известна достаточно точно, поэтому низкие и высокие крайние частоты полосового фильтра 15 выбирают такими, чтобы на основе знания поведения сети частота переходного процесса наверняка находилась в рассматриваемом диапазоне частот. Нет необходимости в точном знании частот переходного процесса заранее, достаточна их грубая оценка.
После проведения полосовой фильтрации возможно более точное определение частоты переходного процесса и время цикла при помощи вычислительного средства 16 на основе длительности полуцикла отфильтрованного суммарного тока. При необходимости вычисленные частота и время цикла могут быть использованы на последующем этапе для определения амплитуды и фазового угла нулевой последовательности напряжения U0 и переходных составляющих суммарного тока
ISUM методом быстрых преобразований Фурье (FFT). В действительности, как переходный процесс заряда, так и переходный процесс разряда содержат множество гармоник различных частот, но в большинстве случаев на практике в переходном процессе имеется одна доминирующая частота, характерная для сети, влияние которой на переходный процесс наибольшее, и, согласно настоящему изобретению, указанная гармоника определяет частоту переходного процесса.
Затем либо непосредственно после полосовой фильтрации, либо после определения времени цикла частоты переходного процесса с помощью вычислительного устройства 17 определяют амплитуды А(U0), А(ISUM) и фазовые углы (U0), (ISUM) переходного процесса, проявляющегося в нулевой последовательности напряжения U0 и суммарного тока ISUM при использовании метода быстрых преобразований Фурье (FFT). При вычислении FFT предпочтительно используется непрерывное преобразование Фурье. Длина окна вычислений непрерывного преобразования Фурье может быть фиксированной, но для достижения более точного результата вычисления в качестве длины может быть выбрана ранее вычисленная длительность цикла переходного процесса заряда. Длина окна вычислений зависит от числа контрольных точек сигнала, используемых одновременно для вычисления. Частота, используемая для вычислений FFT, которая является частотой гармоники переходного процесса, амплитуда и фазовый угол которой определена, может быть заранее заданной фиксированной частотой, но с тем, чтобы улучшить точность вычисления можно использовать точно вычисленную ранее частоту переходного процесса в качестве указанной частоты. При необходимости использованная в вычислении фиксированная частота определяется выбранной частотой защитного реле, используемого для выбора измеряемого сигнала и числа вычисляемых точек, используемых в вычислениях FFT. Когда определение нарушения неустойчивого (прерывистого) замыкания на землю основано на переходном процессе заряда, используемая частота выбирается преимущественно равной, по крайней мере, 4 кГц, а когда используется переходный процесс разряда, то используемая частота выбирается преимущественно равной, по крайней мере, 10 кГц. Для большей ясности на Фиг.3 не показаны средства измерения сигнала, работа которых известна сама по себе.
Факт неустойчивого (прерывистого) замыкания на землю для случая, показанного на Фиг.1, устанавливается на наблюдаемом фидере 2, когда амплитуда А(U0) переходного процесса нулевой последовательности напряжения U0 сети превышает заранее заданное значение напряжения U0LIMIT, амплитуда А(ISUM) переходного процесса суммарного тока ISUM фидера 2 превышает заранее заданное значение суммарного тока ISUMLIMIT и разность углов фаз ( (U0), (ISUM)) фазовых углов переходного процесса (U0), (ISUM) суммарного тока ISUM и нулевой последовательности напряжения U0 находится в пределах заранее заданного диапазона углов. В случае аварийного фидера диапазон углов составляет b± , где, например, b равен -90°, а  равен 80°. Значение  может изменяться в диапазоне от 70 до 90°). Эти условия должны быть выполнены с тем, чтобы факт неустойчивого (прерывистого) замыкания на землю в наблюдаемом фидере мог быть установлен. Сравнение может быть выполнено в средстве 18 для сравнения и вычитания, где также может быть определена разность углов фаз суммарного тока переходного процесса и нулевой последовательности. Заданное значение U0LIMIT амплитуды А(U0) переходного процесса нулевой последовательности напряжения U0 и заданное значение ISUMLIMIT амплитуды А(ISUM) суммарного тока ISUM фидера 2 всегда выбираются в соответствии с оперативной ситуацией сети, так как на амплитуды воздействуют кроме разных других такие факторы, как аварийный емкостной ток заземления сети, основной трансформатор, местонахождение нарушения в сети, мгновенное значение напряжения фазы во время нарушения и величина сопротивления заземления.
Наиболее раннее определение факта неустойчивого (прерывистого) замыкания на землю в наблюдаемой фазе как минимум происходит на основе одного аварийного импульса или аварийного пика, амплитуд фазовых углов переходного процесса нулевой последовательности напряжения U0 и суммарного тока ISUM аварийного импульса при выполнении вышеприведенных условий. Поскольку вышеописанная ситуация также возникает, когда в сети происходит продолжительное или постоянное замыкание на землю с малым импедансом, окончательное решение по установлению неустойчивого (прерывистого) замыкания на землю в наблюдаемом фидере может быть принято при условии, что при проведении заранее заданного числа, например, по крайней мере, трех, указанных отдельных измерений установлено, что временной промежуток между отдельными измерениями короче, чем заданное время восстановления между этими измерениями. Для подсчета аварийных импульсов, возникающих при неустойчивом (прерывистом) замыкания на землю в фидере может быть использовано, например, средство выключения 19.
В дополнение к установлению неустойчивого (прерывистого) замыкания на землю предлагаемое техническое решение может также использоваться для защиты от аварийного заземления, при котором на основании управляющей команды CTL, выдаваемой защитным реле 7, выключатель отключает аварийный фидер. Из-за того что управление отключением выключателя всегда приводит к перебоям в энергопитании указанного участка сети, предпочтительно, если возникает более одного установленного неустойчивого (прерывистого) замыкания на землю для рассматриваемого фидера, например, три вышеуказанных нарушения, до того как аварийный фидер отключается.
Устройство, показанное на Фиг.3, воплощено на практике в качестве защитного реле 7 электрической распределительной сети, и поэтому указанные элементы, очерченные пунктирной линией на Фиг.3, представляют собой защитное реле 7. На практике элементы и процессы, представленные на фиг.3, воплощены посредством одного или более микропроцессоров или процессоров сигналов в защитном реле, где все операции, требующие вычислений, успешно исполняются с помощью программ, обрабатываемых процессором.
Предлагаемое техническое решение позволяет достичь надежного определения неустойчивого (прерывистого) замыкания на землю, так как феномен, вызываемый неустойчивым (прерывистым) замыканием на землю, и переменные его характеризующие: амплитуда и угол фазы, наблюдаются в типичном диапазоне частот. Данное решение также позволяет достичь оперативной и надежной аварийной защиты от неустойчивого (прерывистого) замыкания на землю и, кроме того, обеспечивает более простое обнаружение места аварии на основе определения истинного направления к месту аварии. Преимущество данного решения, основанного на переходном процессе заряда, особенно проявляется на очень низких, около 4 кГц, выбранных частотах и при весьма приемлемых требуемых вычислительных мощностях.
На основе нулевой последовательности напряжения U0 и суммарного тока ISUM аварийного фидера, для случая, представленного на Фиг.1, это фидер 1, возможно соответственно установить неустойчивое (прерывистое) замыкание на землю в другом ненаблюдаемом в данный момент фидере, т.е. где-то в области гальванически соединенной окружающей сети. Наблюдая за аварийным фидером, устанавливается возникновение неустойчивого (прерывистого) замыкания на землю и на другом фидере, когда амплитуда А(U0) переходного процесса нулевой последовательности напряжения U0 превышает заранее заданное значение U0LIMIT, амплитуда А(ISUM) переходного процесса суммарного тока ISUM превышает заранее заданное значение ISUMLIMIT; и разность фаз ( (U0), (ISUM)) фазовых углов (U0), (ISUM) суммарного тока ISUM и нулевой последовательности напряжения U0 находится в заранее заданном диапазоне углов.
Таким же образом при наблюдении за аварийным фидером неустойчивое (прерывистое) замыкание на землю в окружающей сети устанавливается, как минимум, на основе не более чем одного аварийного импульса или аварийного пика, если амплитуды и фазовые углы переходного процесса нулевой последовательности напряжения U0 и суммарного тока ISUM аварийного импульса отвечают вышеуказанным условиям. Также в этом случае окончательное решение по установлению неустойчивого (прерывистого) замыкания на землю в окружающей сети может быть принято при условии, что при проведении заранее заданного числа, например, по крайней мере, трех, указанных отдельных измерений установлено, что временной промежуток между отдельными измерениями короче, чем заданное время восстановления между этими измерениями.
Определение неустойчивого (прерывистого) замыкания на землю в неаварийном фидере имеет то преимущество, что, когда защита аварийного заземления, основанная на основной частоте сети, используется для защиты от продолжительного, т.е. постоянного замыкания на землю, неустойчивое (прерывистое) замыкание на землю координируется с определением неустойчивого замыкания на землю, при этом установление неустойчивого (прерывистого) замыкания на землю на неаварийном фидере может быть также использовано для предотвращения размыкания выключателя из-за ошибочного срабатывания обычной защиты от неустойчивого (прерывистого) замыкания на землю в указанном фидере.
На следующих фигурах с 4 по 23 иллюстрируется пример осуществления способа, согласно настоящему изобретению как на аварийном фидере, так и на неаварийном фидере во время неустойчивого (прерывистого) замыкания на землю в электрической распределительной сети. Пример, показанный на фигурах с 4 по 23, основан на измерениях на аварийном и неаварийном фидерах суммарного тока ISUM и нулевой последовательности напряжения U0 в электрической распределительной сети, выполненных в полевых испытательных измерениях на электрической распределительной сети. Этот пример иллюстрирует установление неустойчивого (прерывистого) замыкания на землю на основании наблюдения за переходным процессом заряда нулевой последовательности напряжения U0 и суммарного тока ISUM.
На Фиг.4 показан суммарный ток ISUM аварийного фидера для периода, равного около 1,2 с. На Фиг.5 показана нулевая последовательность напряжения U0 распределительной сети для того же периода времени. Фиг.4 и 5 ясно показывают явление, типичное для неустойчивого (прерывистого) замыкания на землю, где во время измерения суммарного тока ISUM имеется множество аварийных импульсов, повторяющихся в течение очень короткого периода времени, и где при измерении нулевой последовательности напряжения U0 происходит быстрый рост величины нулевой последовательности напряжения в начальный момент неустойчивого (прерывистого) замыкания на землю, а затем медленный спад неустойчивого (прерывистого) замыкания на землю до появления следующего аварийного случая, когда вновь начнется рост величины нулевой последовательности напряжения. На Фиг.6 показана часть Фиг.4, которая иллюстрирует первые четыре суммарных импульса тока. На Фиг.7, в свою очередь, показана часть Фиг.6, которая иллюстрирует второй по очереди суммарный импульс тока аварийного фидера. Далее на Фиг.8 показано изменение в нулевой последовательности напряжения, соответствующее импульсу суммарного тока Фиг.7. Использованная в измерениях пробная частота на Фиг.4-8 равна 50 кГц. На Фиг.9 показан импульс суммарного тока Фиг.7, где пробная частота равна 4,16 кГц.
На Фиг.10 показан суммарный ток ISUM аварийного фидера, а на Фиг.11 показана нулевая последовательность напряжения U0 распределительной сети после полосовой фильтрации. В этом примере нижний предел полосы фильтра 15 составляет 300 Гц, а верхний предел составляет 1200 Гц, при этом фильтр 15 использовал функцию окна Ганна (Hann). Естественно, также возможно использовать другие пределы полосы частот и функцию окна. Фиг.12 показывает часть Фиг.10, на которой и представлен второй по очереди импульс суммарного тока ISUM. Фиг.13, в свою очередь, показывает часть Фиг.11, на которой представлено изменение в нулевой последовательности напряжения, соответствующее второму по очереди импульсу суммарного тока. Эффект фильтрации проявляется в падающем изменении уровня амплитуды суммарного тока ISUM и нулевой последовательности напряжения U0, поскольку отдельно от переходной составляющей все другие частотные составляющие суммарного тока и нулевой последовательности напряжения отфильтровываются.
На Фиг.14 показана амплитуда суммарного тока ISUM в аварийном фидере, а на Фиг.15 показана амплитуда нулевой последовательности напряжения U0 распределительной сети, вычисленная с помощью непрерывного преобразования Фурье (FFT). Частота, использованная при вычислении FFT, является фиксированной и равна 500 Гц, что означает, что амплитуда 500 Гц составляющей переходного процесса была вычислена. На Фиг.10 показана разность углов фаз между фазовыми углами суммарного тока ISUM и нулевой последовательности напряжения U0 на указанной частоте 500 Гц для второго по очереди импульса суммарного тока. Из Фиг.16 видно, как указанная разность углов фаз остается в диапазоне углов -90°±80°, характерных для аварийного фидера во время аварии.
На Фиг.17а, 17b, 17с и 17е показан способ для первых четырех импульсов суммарного тока при наблюдении аварийного фидера. На Фиг.17а показана амплитуда суммарного тока 500 Гц составляющей, а на Фиг.17b показана амплитуда нулевой последовательности напряжения 500 Гц составляющей. Возрастающие импульсы в дескрипторе на Фиг.17с отражают каждый отдельный импульс суммарного тока, вызванный неустойчивым (прерывистым) замыканием на землю в наблюдаемом или контролируемом фидере, в то время как гладкий дескриптор на Фиг.17d показывает, что в неаварийном фидере нет никакой реакции на аварию в сети. На Фиг.17е снижение дескриптора от единицы до нуля показывает, что в аварийном фидере это уже обнаружено на основе первого импульса суммарного тока и что авария произошла в указанном фидере.
На Фиг.18 показан суммарный ток ISUM в неаварийном фидере в соответствующей примерной ситуации. На Фиг.19 показана часть Фиг.18, которая представляет собой второй по очереди импульс суммарного тока неаварийного фидера. Фиг.20 показывает импульс суммарного тока неаварийного фидера, как на Фиг.19, после полосовой фильтрации. Фиг.21 показывает амплитуду 500 Гц составляющей импульса суммарного тока Фиг.20, вычисленного с помощью непрерывного преобразования Фурье (FFT). Фиг.22 показывает разность фаз между фазовыми углами 500 Гц составляющей суммарного тока и нулевой последовательности напряжения второго по очереди импульса суммарного тока. Из Фиг.22 видно, как указанная разность фаз остается внутри вышеуказанного диапазона углов +90°±80°, характерных для аварийного фидера во время аварии.
На Фиг.23а, 23b, 23с, 23d и 23е показано воплощение данного способа для первых четырех импульсов суммарного тока при наблюдении неаварийного фидера. На Фиг.23а показана амплитуда 500 Гц составляющей суммарного тока, а на Фиг.23b показана амплитуда 500 Гц составляющей нулевой последовательности напряжения. Гладкий дескриптор на Фиг.23с показывает, что аварийный фидер не реагирует на способ определения условий неаварийного фидера, в то время как импульсы дескриптора на Фиг.23d показывают, что каждый импульс суммарного тока определяется как вызванный неустойчивым (прерывистым) замыканием на землю, происшедшим в сети, окружающей наблюдаемый фидер, а не аварией, случившейся в наблюдаемом фидере. На Фиг.23е понижение дескриптора с нуля до минус единицы показывает, что неаварийный фидер уже обнаружен на основе первого импульса суммарного тока и что авария произошла в окружающей сети, а не в наблюдаемом фидере.
Схемы и связанное с ними описание предназначены только для иллюстрации идеи данного изобретения. Детали данного изобретения могут изменяться в объеме формулы изобретения. Таким образом, в дополнение к скомпенсированным распределительным сетям настоящее изобретение может быть соответственно использовано в нейтральных распределительных сетях, т.е. сетях, имеющих нормальное соединение с землей только через прямые емкостные связи сети, так как явления переходного процесса примерно одинаковы как в изолированных сетях, так и в скомпенсированных сетях. Кроме того, настоящее изобретение может также применяться в электрических распределительных сетях, заземленных через гальваническое сопротивление, включенное между нейтральной точкой вторичной обмотки основного трансформатора и землей. Кроме того, топология сети не влияет на техническое решение, согласно настоящему изобретению, и оно может использоваться и в четырехпроводных сетях, и в трехфазных сетях, так же как и в сетях с подвесными линиями и в кабельных сетях. Данное изобретение также соответствующим образом применимо в сетях, где основная частота сети отлична от 50 Гц и где число фаз отличается от трех.
Вместо суммарного тока и нулевой последовательности напряжения определение неустойчивого (прерывистого) замыкания на землю в электрической распределительной сети может быть также осуществлено на основе фазовых переменных сети, т.е. фаз напряжения и фаз тока. В этом случае эти фазовые переменные обрабатывают соответственными способами обработки сигнала, такими как фильтрация, так чтобы отфильтрованная фаза тока и отфильтрованная фаза напряжения, по существу, содержали только составляющие, появляющиеся в переходном процессе неустойчивого (прерывистого) замыкания на землю, включающие переходные процессы как заряда, так и разряда. Таким же образом, как и в техническом решении, основанном на суммарном токе и нулевой последовательности напряжения, в техническом решении, основанном на фазовых переменных сети, существенным является то, что защита основана на наблюдении переходного процесса, вызванного неустойчивым (прерывистым) замыканием на землю, по крайней мере, на одной частоте, типичной для переходного процесса заряда или разряда.
Формула изобретения
1. Способ определения неустойчивого (прерывистого) замыкания на землю в электрической распределительной сети, при котором неустойчивое (прерывистое) замыкание на землю идентифицируют на основе нулевой последовательности напряжения (U0) в электрической распределительной сети и суммарного тока фазовых токов в начале фидера питающей линии (1, 2) в электрической распределительной сети, отличающийся тем, что получают нулевую последовательность напряжения (U0) в электрической распределительной сети; получают суммарный ток (ISUM) фазовых токов (IR, IS, IT) в начале указанного фидера питающей линии (1, 2); фильтруют указанную нулевую последовательность напряжения (U0) таким образом, что отфильтрованная нулевая последовательность напряжения (U0) содержит, по существу, только составляющую переходного процесса, появляющуюся при неустойчивом (прерывистом) замыкании на землю; фильтруют указанный суммарный ток (ISUM), который содержит, по существу, только составляющую переходного процесса, появляющуюся при неустойчивом (прерывистом) замыкании на землю; определяют амплитуду (A(U0)) и фазовый угол ( (U0)) указанной составляющей переходного процесса нулевой последовательности напряжения (U0), по крайней мере, на одной частоте; определяют амплитуду (A(ISUM)) и фазовый угол ( (ISUM)) указанной составляющей переходного процесса суммарного тока (ISUM), по крайней мере, на одной частоте; формируют разность фаз между фазовыми углами ( (U0), (ISUM) указанных составляющих переходного процесса нулевой последовательности напряжения (U0) и суммарного тока (ISUM); сравнивают указанную амплитуду (A(U0)) составляющей переходного процесса нулевой последовательности напряжения (U0) с заранее заданным значением (A(U0LIMIT)) для указанной амплитуды; сравнивают указанную амплитуду (А(ISUM)) суммарного тока составляющей переходного процесса (ISUM) с заранее заданным значением (A(ISUMLIMIT)) для указанной амплитуды; сравнивают разность фаз между указанными фазовыми углами ( (U0), (ISUM)) указанных составляющих переходного процесса нулевой последовательности напряжения (U0) и суммарного тока (ISUM) с заранее заданным значением разности фаз и, если указанные амплитуды (A(U0), A(ISUM)) составляющей переходного процесса нулевой последовательности напряжения (U0) и суммарного тока (ISUM) превысят заранее заданные значения (A(U0LIMIT), A(ISUMLIMIT)) для амплитуд, и, если разности фаз между фазовыми углами ( (U0), (ISUM)) указанной составляющей переходного процесса нулевой последовательности напряжения (U0) и суммарного тока (ISUM) находятся внутри заданного диапазона, то устанавливается, что в наблюдаемой распределительной электрической сети возникло неустойчивое (прерывистое) замыкание на землю; при этом когда разность фаз между фазовыми углами ( (U0), (ISUM)) составляющих переходного процесса нулевой последовательности напряжения (U0) и суммарного тока (ISUM) находится внутри заранее заданного диапазона b± , где b равен -90° и  равен 80°, то устанавливается, что в фидере (1, 2) возникло неустойчивое (прерывистое) замыкание на землю, для которого определены амплитуда (А(ISUM)) и фазовый угол ( (ISUM)) составляющей переходного процесса суммарного тока (ISUM), а когда разность фаз между фазовыми углами ( (U0), (ISUM)) составляющей переходного процесса нулевой последовательности напряжения (U0) и суммарного тока (ISUM) находятся внутри заданного диапазона – b± , где b равен -90° и  равен 80°, то устанавливается, что неустойчивое (прерывистое) замыкание на землю возникло в каком-то другом фидере гальванически соединенной электрической распределительной сети, а не в фидере (1, 2), для которого определены амплитуда (А(ISUM)) и фазовый угол ( (ISUM)) составляющей переходного процесса суммарного тока (ISUM).
2. Способ по п.1, отличающийся тем, что задается управляющая команда (CTL) для размыкания выключателя (6) в фидере питающей линии для защиты электрической распределительной сети от воздействия непредвиденного нарушения заземления.
3. Способ по п.1, отличающийся тем, что определяют амплитуды (A(U0), (A(ISUM)) и фазовые углы ( (U0), ( (ISUM)) составляющих переходного процесса нулевой последовательности напряжения (U0) и суммарного тока (ISUM) посредством вычисления непрерывного преобразования Фурье (FFT).
4. Способ по п.3, отличающийся тем, что определяют амплитуды (A(U0), (A(ISUM)) и фазовые углы ( (U0), ( (ISUM)) составляющих переходного процесса нулевой последовательности напряжения (U0) и суммарного тока (ISUM) с использованием фиксированного значения частоты.
5. Способ по п.3, отличающийся тем, что определяют, по крайней мере, одну частоту для составляющей переходного процесса нулевой последовательности напряжения (U0) и суммарного тока (ISUM) и определяют амплитуды (A(U0), А(ISUM)) и фазовые углы ( (U0), ( (ISUM)) составляющих переходного процесса нулевой последовательности напряжения (U0) и суммарного тока (ISUM) для указанного значения частоты.
6. Способ по п.5, отличающийся тем, что определяют, по крайней мере, одну частоту переходного процесса нулевой последовательности напряжения (U0) и суммарного тока (ISUM) на основе длины полуцикла суммарного тока (ISUM).
7. Способ по п.1, отличающийся тем, что указанные нулевую последовательность напряжения (U0) и суммарный ток (ISUM) фильтруют с помощью полосового фильтра.
8. Способ по п.1, отличающийся тем, что получают нулевую последовательность напряжения (U0) электрической распределительной сети посредством вычисления средних мгновенных значений отдельных напряжений в фазах (UR, US, UT) и получают суммарный ток (ISUM) фазовых токов (IR, IS, IT) посредством вычисления сумм мгновенных значений отдельных фазовых токов (IR, IS, IT).
9. Способ по любому из предшествующих пунктов, отличающийся тем, что указанная составляющая переходного процесса является составляющей переходного процесса заряда.
10. Способ по любому из пп.1-8, отличающийся тем, что указанная составляющая переходного процесса является составляющей переходного процесса разряда.
11. Способ по п.1, отличающийся тем, что электрическая распределительная сеть является частично или полностью скомпенсированной сетью, изолированной сетью или гальванически заземленной сетью.
12. Устройство для определения неустойчивого (прерывистого) замыкания на землю в электрической распределительной сети, выполненное с возможностью установления неустойчивого (прерывистого) замыкания на землю на основе нулевой последовательности напряжения (U0) в электрической распределительной сети и суммарного тока (ISUM) фазовых токов (IR, IS, IT) в начале фидера питающей линии (1, 2) в электрической распределительной сети, отличающееся тем, что содержит средство для получения нулевой последовательности напряжения (U0) в указанной электрической распределительной сети; средство для получения суммарного тока (ISUM) фазовых токов (IR, IS, IT) в начале указанного фидера питающей линии (1, 2) в начале фидера питающей линии (1, 2); средство для фильтрации указанной нулевой последовательности напряжения (U0) таким образом, что отфильтрованная нулевая последовательность напряжения (U0) содержит, по существу, только составляющую переходного процесса, появляющуюся при неустойчивом (прерывистом) замыкании на землю; средство для фильтрации указанного суммарного тока (ISUM) таким образом, что отфильтрованный суммарный ток (ISUM) содержит, по существу, только составляющую переходного процесса, появляющуюся при неустойчивом (прерывистом) замыкании на землю; средство для определения амплитуды (A(U0) и фазового угла ( (ISUM)) указанной составляющей переходного процесса нулевой последовательности напряжения (U0), по крайней мере, на одной частоте; средство для определения амплитуды (A(ISUM) и фазового угла ( (ISUM)) указанной составляющей переходного процесса, по крайней мере, на одной частоте; средство для формирования разности фаз между фазовыми углами ( (U0), (ISUM)) указанной составляющей переходного процесса нулевой последовательности напряжения (U0) и суммарного тока (ISUM); средство для сравнения амплитуды (A(U0) указанной составляющей переходного процесса нулевой последовательности напряжения (U0) с заранее заданным значением (A(U0LIMIT)) для указанной амплитуды; средство для сравнения амплитуды (A(ISUM)) указанной составляющей переходного процесса суммарного тока (ISUM) с заранее заданным значением (A(ISUMLIMIT)) для указанной амплитуды; средство для сравнения разности фаз между фазовыми углами ( (U0), ( (ISUM)) указанной составляющей переходного процесса нулевой последовательности напряжения (U0) и суммарного тока (ISUM) с заранее заданным значением заданного диапазона указанной разности фаз; и средство для определения неустойчивого (прерывистого) замыкания на землю в наблюдаемой электрической распределительной сети, если указанные амплитуды (A(U0), А(ISUM)) составляющей переходного процесса нулевой последовательности напряжения (U0) и суммарного тока (ISUM) превысят соответствующие заранее заданные значения (А(U0LIMIT)), (A(ISUMLIMIT)) для амплитуд и, если разности фаз фазовых углов ( (U0), ( (ISUM)) указанных составляющих переходного процесса нулевой последовательности напряжения (U0) и суммарного тока (ISUM) находятся внутри заданного диапазона, при этом, когда разность фаз между фазовыми углами ( (U0), (ISUM)) составляющей переходного процесса нулевой последовательности напряжения (U0) и суммарного тока (ISUM) находятся внутри заданного диапазона b± , где b равен -90° и  равен 80°, то устройство настраивается так, чтобы установить, что в фидере (1, 2) возникло неустойчивое (прерывистое) замыкание на землю, для которого определены амплитуда (A(ISUM)) и фазовый угол ( (ISUM)) составляющей переходного процесса суммарного тока (ISUM), a когда разность фаз между фазовыми углами ( (U0), (ISUM)) указанной составляющей переходного процесса нулевой последовательности напряжения (U0) и суммарного тока (ISUM) находится внутри заданного диапазона – b± , где b равен -90° и  равен 80°, то устройство настраивается так, чтобы установить, что неустойчивое (прерывистое) замыкание на землю возникло в каком-то другом фидере гальванически соединенной электрической распределительной сети, а не в фидере (1, 2), для которого определены амплитуда (A(ISUM)) и фазовый угол ( (ISUM)) составляющей переходного процесса суммарного тока (ISUM).
13. Устройство по п.12, отличающееся тем, что дополнительно содержит средство для выработки управляющей команды (CTL) для размыкания выключателя (6) в указанном фидере питающей линии для защиты электрической распределительной сети от воздействия непредвиденного нарушения заземления.
14. Устройство по п.12, отличающееся тем, что содержит средства для определения амплитуд (A(U0), (A(ISUM)) и фазовых углов ( (U0), ( (ISUM)) составляющих переходного процесса нулевой последовательности напряжения (U0) и суммарного тока (ISUM) посредством вычисления непрерывного преобразования Фурье (FFT).
15. Устройство по п.14, отличающееся тем, что выполнено с возможностью определения амплитуд (A(U0), (A(ISUM)) и фазовых углов ( (U0), ( (ISUM)) составляющих переходного процесса нулевой последовательности напряжения (U0) и суммарного тока (ISUM) посредством использования заранее заданного фиксированного значения частоты.
16. Устройство по п.14, отличающееся тем, что содержит средства для определения, по крайней мере, одной частоты для составляющей переходного процесса нулевой последовательности напряжения (U0) и суммарного тока (ISUM) и выполнены с возможностью определения амплитуд (A(U0), А(ISUM)) и фазовых углов ( (U0), ( (ISUM)) составляющих переходного процесса нулевой последовательности напряжения (U0) и суммарного тока (ISUM) для указанного значения частоты.
17. Устройство по п.16, отличающееся тем, что содержит средства для определения, по крайней мере, одной частоты для составляющей переходного процесса нулевой последовательности напряжения (U0) и суммарного тока (ISUM) на основе длины полуцикла суммарного тока (ISUM).
18. Устройство по п.12, отличающееся тем, что содержит полосовой фильтр (15) для фильтрации указанных нулевой последовательности напряжения (U0) и суммарного тока (ISUM).
19. Устройство по п.12, отличающееся тем, что содержит устройство для получения нулевой последовательности напряжения (U0) электрической распределительной сети посредством вычисления средних мгновенных значений отдельных напряжений в фазах (UR, US, UT) и устройство для получения суммарного тока (ISUM) фазовых токов (IR, IS, IT) посредством вычисления средних мгновенных значений отдельных фазовых токов (IR, IS, IT).
20. Устройство по любому из пп.12-19, отличающееся тем, что указанная составляющая переходного процесса является составляющей переходного процесса заряда.
21. Устройство по любому из пп.12-19, отличающееся тем, что указанная составляющая переходного процесса является составляющей переходного процесса разряда.
22. Устройство по п.12, отличающееся тем, что электрическая распределительная сеть является частично или полностью скомпенсированной сетью, изолированной сетью или гальванически заземленной сетью.
РИСУНКИ
|
|