|
|
(21), (22) Заявка: 2008106729/09, 21.02.2008
(24) Дата начала отсчета срока действия патента:
21.02.2008
(46) Опубликовано: 10.06.2009
(56) Список документов, цитированных в отчете о поиске:
ФРАДИН А.З., РЫЖКОВ Е.В. Измерение параметров антенно-фидерных устройств. – М.: Гос. издательство литературы по вопросам связи и радио, 1962, с.264. SU 883802 А, 23.11.1981. SU 1180812 А1, 23.09.1985. SU 1617388 А1, 30.12.1990. SU 1617390 А1, 30.12.1990. RU 28792 U1, 10.04.2003. RU 2082985 С1, 27.06.1997. RU 2094812 С1, 27.10.1997. RU 2298198 С1, 27.04.2007. JP 9178790 А1, 11.07.1997. JP 2000214201 А1, 23.10.1992.
Адрес для переписки:
394052, г.Воронеж, ул. Краснознаменная, 153, ФГУ “ФГНИИЦ РЭБ ОЭСЗ”
|
(72) Автор(ы):
Акиньшина Галина Николаевна (RU), Беляев Виктор Вячеславович (RU), Прокопенко Вячеслав Васильевич (RU), Ужахов Тимур Султанович (RU)
(73) Патентообладатель(и):
Федеральное государственное учреждение “Федеральный государственный научно-исследовательский испытательный центр радиоэлектронной борьбы и оценки эффективности снижения заметности” Минобороны России (ФГУ “ФГНИИЦ РЭБ ОЭСЗ” Минобороны России” (RU)
|
(54) УСТРОЙСТВО ДЛЯ АВТОМАТИЧЕСКОГО ИЗМЕРЕНИЯ ДИАГРАММ НАПРАВЛЕННОСТИ АНТЕНН
(57) Реферат:
Изобретение относится к радиотехнике, к антенным измерениям, и может быть использовано для исследования диаграмм направленности антенн различных радиотехнических систем. Технический результат состоит в повышении точности измерения в 2-3 раза за счет статистической обработки результатов измерений, а также в сокращении времени измерений в 3-4 раза за счет автоматизации процесса измерения. Устройство содержит последовательно соединенные передатчик, направленный ответвитель, устройство для измерения мощности сигнала, устройство обработки и управления, первый цифроаналоговый преобразователь. Устройство вращения приемной антенны механически присоединено к оси вращения приемной антенны. К данной оси также механически подсоединен датчик угла поворота приемной антенны, который своим выходом подключен ко второму входу устройства обработки и управления. Третий вход данного устройства подключен к выходу приемника, своим входом подключенного к выходу приемной антенны. Устройство обработки и управления своим вторым выходом подключено к входу второго цифроаналогового преобразователя. Выход данного преобразователя подключен к устройству вращения исследуемой антенны, механически соединенному с осью вращения исследуемой антенны. К данной оси вращения также механически присоединен датчик угла поворота исследуемой антенны, который своим выходом подключен к четвертому входу устройства обработки и управления. Первый выход направленного ответвителя подключен ко входу исследуемой антенны. 2 ил.
Изобретение относится к антенным измерениям и может быть использовано для исследования диаграмм направленности антенн различных радиотехнических систем.
Одним из основных технических параметров антенн, характеризующих электродинамический режим их функционирования, является диаграмма направленности. Экспериментальная оценка диаграмм направленности антенн является сложной измерительной задачей, которая решается на основе методики выполнения измерений и устройства для ее реализации. Снятие диаграмм направленности антенн представляет собой очень трудоемкий процесс, поэтому в случае измерения большого числа диаграмм направленности антенн применяются автоматические устройства.
Известно (аналог) устройство автоматического контроля и настройки вторичных параметров антенн [СССР, АС 883802, G01R 29/10, 1981], содержащее в измерительном канале последовательно соединенные исследуемую антенну, фазовращатель, волноводный тройник, измерительный приемник, блок оцифровки, блок сопряжения и ЭВМ. Недостатком этого устройства является отсутствие опорного канала, что при нестабильности уровня выходного сигнала высокочастотного генератора приводит к существенным погрешностям измерения.
Из известных устройств для автоматического измерения диаграмм направленности антенн наиболее близким по назначению и достижению технического результата является устройство для автоматического снятия диаграмм направленности [А.З.Фрадин, Е.В.Рыжков. Измерение параметров антенно-фидерных устройств. М.: – Государственное издательство литературы по вопросам связи и радио, 1962, с.264], содержащее последовательно соединенные передатчик (генератор высокой частоты), направленный ответвитель, переменный аттенюатор, который через вращающееся сочленение соединен с исследуемой антенной, а также содержащее последовательно соединенные вспомогательную антенну, временной коммутатор, приемник, детектор, сравнивающее устройство и сервомеханизм, выход которого подключен ко второму входу переменного аттенюатора, второй выход данного аттенюатора подключен к первому входу самопишущего прибора, ко второму входу данного прибора подключен выход блока вращения и выработки данных угла исследуемой антенны, механически присоединенного к оси вращения исследуемой антенны, причем ко второму входу временного коммутатора подключен второй выход направленного ответвителя, а второй выход коммутатора подключен ко второму входу сравнивающего устройства. В этом устройстве сигнал, принимаемый вспомогательной антенной, сравнивается с сигналом, поступающим с выхода направленного ответвителя. Разностный сигнал поступает в сервомеханизм, управляющий переменным аттенюатором и доводящий ослабление мощности, поступающей в исследуемую антенну, до такого уровня, при котором в сравнивающем устройстве сигналы становятся равными. Поворот аттенюатора передается на самописец. Блоком вращения и выработки данных угла исследуемой антенны регулируется скорость протяжки ленты самописца в соответствии со скоростью вращения исследуемой антенны. Таким образом, на ленте самописца вычерчивается диаграмма направленности исследуемой антенны.
Однако данное устройство автоматического снятия диаграмм направленности антенн не позволяет изучить тонкую структуру диаграммы направленности исследуемой антенны из-за инерционности аппаратуры, входящей в состав устройства. А наличие самопищущего прибора, в котором скорость протяжки ленты управляется блоком вращения и выработки данных угла исследуемой антенны, вносит значительные погрешности в результаты измерений и не обеспечивает высокое быстродействие устройства.
Использование автоматизации процесса измерений позволит проводить статистическую обработку данных, то есть получать более точные значения в каждой точке измерений за счет преобразования аналогового сигнала в цифровую форму, а также значительно сократить время измерений. Использование современных средств спектрального анализа сигналов позволит определить как спектральный состав принимаемого сигнала, так и спектральный состав переданного сигнала (от источника высокочастотного сигнала), что позволит измерять диаграмму направленности исследуемой антенны в широком диапазоне частот.
Техническим результатом данного изобретения является повышение быстродействия устройства для автоматического снятия диаграмм направленности антенн при одновременном повышении точности измерения за счет автоматизации процесса измерения и статистической обработки измерительной информации.
Поставленная задача решается за счет того, что в известное устройство для автоматического измерения диаграмм направленности антенн, содержащее попарно последовательно соединенные передатчик и направленный ответвитель, приемную антенну и приемник, а также содержащее исследуемую антенну, механически соединенную с устройством вращения данной антенны, введены последовательно соединенные устройство для измерения мощности сигнала, устройство обработки и управления, цифроаналоговый преобразователь и устройство вращения приемной антенной. Устройство вращения приемной антенной механически соединено с приемной антенной, к оси вращения которой механически присоединен датчик угла поворота приемной антенны. Выход данного датчика присоединен ко второму входу устройства обработки и управления. Причем выход приемника присоединен к третьему входу устройства обработки и управления. Кроме того, введены второй цифроаналоговый преобразователь и датчик угла поворота исследуемой антенны, который механически присоединен к оси вращения исследуемой антенны, а выход данного датчика присоединен к четвертому входу устройства обработки и управления. При этом выход второго цифроаналогового преобразователя соединен с устройством вращения исследуемой антенны, а вход – со вторым выходом устройства обработки и управления. Первый выход направленного ответвителя соединен с входом исследуемой антенны, второй выход – с входом устройства для измерения мощности сигнала.
Точность измерений повышается за счет преобразования из аналоговой формы исследуемых сигналов с выходов устройства для измерения мощности сигнала и приемника в цифровую, что позволяет проводить статистическое усреднение результатов измерений не менее чем по десяти реализациям. А использование современных средств автоматизации и обработки цифровой информации позволяет добиться значительного повышения быстродействия устройства для автоматического измерения диаграмм направленности антенн по сравнению с прототипом.
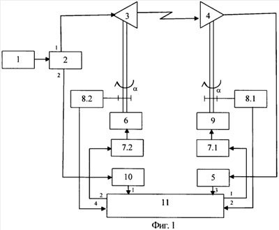
На фиг.1 представлена структурная схема устройства для автоматического измерения диаграмм направленности антенн.
На фиг.2 представлена структурная схема устройства обработки и управления.
Устройство для автоматического измерения диаграмм направленности антенн содержит (фиг.1) передатчик – 1, направленный ответвитель – 2, исследуемую (передающую) антенну – 3, приемную антенну – 4, приемник – 5, устройство вращения исследуемой антенны – 6, цифроаналоговые преобразователи – 7.1, 7.2, датчики угла поворота антенн – 8.1, 8.2, устройство вращения приемной антенны – 9, устройство для измерения мощности сигнала – 10, устройство обработки и управления – 11.
При этом передатчик – 1, направленный ответвитель – 2 (своим первым выходом) и исследуемая антенна – 3 соединены последовательно. Второй выход направленного ответвителя – 2 соединен с входом устройства для измерения мощности сигнала – 10. Выход данного устройства соединен с первым входом устройства обработки и управления – 11. К третьему входу устройства обработки и управления – 11 подключен приемник – 5, ко входу которого подключена приемная антенна – 4. Второй выход устройства обработки и управления – 11 подключен ко входу второго цифроаналогового преобразователя – 7.2, который подключен ко входу устройства вращения исследуемой антенны – 6. Данное устройство механически присоединено к оси вращения исследуемой антенны – 3, также к данной оси вращения механически присоединен датчик угла поворота антенн – 8.2, выход которого подключен к четвертому входу устройства обработки и управления – 11, которое своим первым выходом соединено со входом первого цифроаналогового преобразователя – 7.1, выход которого соединен с входом устройства вращения приемной антенны – 9, которое механически соединено с осью вращения приемной антенны – 4. Также к ее оси вращения механически подключен датчик угла поворота антенн – 8.1, своим выходом присоединенный ко второму входу устройства обработки и управления – 11.
Устройство обработки и управления – 11 может быть выполнено в виде блока (фиг.2), имеющего в своем составе блок съема данных – 12, содержащий первую сетевую карту – 13.1, и блок обработки данных – 14, содержащий вторую сетевую карту – 13.2, а также канал общего пользования (КОП) – 15 и семь адаптеров – 16.1-16.7.
При этом адаптеры – 16.1-16.7 обеспечивают связь следующим образом:
16.1 – связь блока съема данных – 12 с КОП – 15;
16.2 – связь КОП – 15 с цифроаналоговым преобразователем – 7.1;
16.3 – связь датчика угла поворота – 8.1 с КОП – 15;
16.4 – связь датчика угла поворота – 8.2 с КОП – 15;
16.5 – связь устройства для измерения мощности сигнала – 10 с КОП – 15;
16.6 – связь приемника – 5 с КОП – 15;
16.7 – связь КОП – 15 с цифроаналоговым преобразователем – 7.2.
Для реализации технического решения может быть использовано стандартное промышленное оборудование. Так, например, передатчик – 1 может быть реализован по многокаскадной схеме, в которой в качестве генератора СВЧ могут быть использованы триодные генераторы, магнетроны, лампы обратной волны (ЛОВ), стабилитроны или другие генераторные приборы [A.M.Педак. Справочник по основам радиолокационной техники. Под редакцией В.В.Дружинина. М.: Военное издательство Министерства Обороны, 1967 г., 277 с.].
Направленный ответвитель 2 может быть выполнен в форме ответвителя с распределенной связью [A.M.Педак. Справочник по основам радиолокационной техники. Под редакцией В.В.Дружинина. М.: Военное издательство Министерства Обороны, 1967 г., 140 с.].
В качестве приемной антенны – 4 может быть использована антенна измерительная рупорная П6-23А [Научно-производственная компания «Ритм», г.Краснодар].
В качестве приемного устройства – 5 и устройства для измерения мощности сигнала – 10 могут использоваться анализаторы спектров СК4-75. Данные анализаторы имеют видеовыход, что позволяет их подключить к устройству обработки и управления – 11 [ФГУП ННИПИ «Кварц», г.Нижний Новгород].
В качестве устройства вращения исследуемой антенны – 6 и устройства вращения приемной антенны – 9 могут использоваться электродвигатели постоянного тока.
В качестве датчиков угла поворота антенн – 8.1 и – 8.2 могут быть использованы датчики углового положения AVS58-H. Данные датчики обладают интерфейсом SSI, что делает возможным подключения их к устройству обработки и управления – 11.
Основным узлом устройства для автоматического измерения диаграмм направленности антенн является устройство обработки и управления – 11 (фиг.2), которое может быть выполнено в виде последовательно соединенных блока обработки данных – 13 и блока съема данных – 12, в качестве которых могут быть использованы электронно-вычислительные машины (ЭВМ). При этом связь между ними осуществляется через сетевые карты, а подключение внешних устройств – через платы адаптеров посредством реализации международного стандарта GPIB (IEEE-488-1978) или канала общего пользования (КОП) согласно ГОСТ 26.003-80. Ввод исходных данных должен осуществляться в диалоговом режиме, а сами измерения проходить в автоматическом режиме по специальной программе.
Программа управления может быть создана с использованием объектно-ориентированного подхода и должна обеспечивать решение следующих задач:
– регистрация и запись в файл информации об угловом положении исследуемой (передающей) антенны и соответствующие ему амплитудные значения сигналов, получаемых как от устройства для измерения мощности сигнала – 10, так и от приемника – 5;
– экспресс-обработка полученных результатов измерений с проведением статистического усреднения выборок;
– отображение на дисплее полученных результатов усреднения с привязкой их к угловому положению исследуемой антенны (измерения «в реальном масштабе времени»);
– управление положением приемной антенны;
– управление положением исследуемой (передающей) антенны;
– просмотр файлов, содержащих измерительную информацию.
Устройство для автоматического измерения диаграмм направленности антенн (фиг.1) работает следующим образом.
Передатчик – 1 формирует сигнал, который поступает через направленный ответвитель – 2 с его первого выхода на измерительную антенну – 3 и с нее излучается в направлении приемной антенны – 4. С ее выхода сигнал поступает в приемник – 5, настроенный на частоту f, с выхода которого – на третий вход устройства обработки и управления – 11. Кроме того, со второго выхода направленного ответвителя – 2 сигнал поступает в устройство для измерения мощности сигнала – 10, настроенного на частоту f. С выхода устройства – 10 сигнал, содержащий информацию о соотношении уровня сигнала заданной частоте, поступает на первый вход устройства обработки и управления – 11. Устройство обработки и управления – 11 управляет угловым положением приемной антенны – 4 путем выдачи управляющего сигнала с его первого выхода на вход цифроаналогового преобразователя – 7.1, с выхода которого сигнал поступает на вход устройства вращения приемной антенны – 9, которое посредством механической связи с приемной антенной – 4 выполняет ее поворот. Контроль углового положения приемной антенны – 4 осуществляется устройством обработки и управления – 11 по его второму входу через датчик угла поворота – 8.1, механически подключенному к оси вращения приемной антенны – 4. Управление положением приемной антенны – 4 необходимо для наведения максимума ее диаграммы направленности на исследуемую антенну – 3. Устройство обработки и управления – 11 через свой второй выход осуществляет управление положением исследуемой антенны – 3 путем выдачи управляющего сигнала на цифроаналоговый преобразователь – 7.2, с выхода которого сигнал поступает на вход устройства вращения исследуемой антенны – 6. Данное устройство посредством механической связи с исследуемой антенной – 3 осуществляет ее поворот. С датчика угла поворота – 8.2, который механически соединен с осью вращения исследуемой антенны – 3, поступает информация об угловом положении исследуемой антенны -3 на четвертый вход устройства обработки и управления – 11, которое производит регистрацию и статистическую обработку сигналов, принимаемых от приемника – 5 и от устройства для измерения мощности сигнала – 10 с одновременной привязкой углового положения исследуемой антенны – 6.
Устройство обработки и управления – 11 (фиг.2), входящее в состав устройства для автоматического измерения диаграмм направленности антенн, работает следующим образом. Перед проведением измерений оператор путем ввода управляющих команд в блок съема данных – 12 выдает команду на вращение приемной антенны – 4 (фиг.1). С блока съема данных – 12 через адаптер – 16.1 команды управления угловым положением приемной антенны – 4 поступают в КОП – 15, откуда через адаптер – 16.2 поступают на первый выход устройства обработки управления – 11. Информация об угловом положении приемной антенны – 4, поступающая через второй вход в блок обработки и управления – 11, выдается в КОП – 15 через адаптер – 16.3. Из КОП – 15 данная информация через адаптер – 16.1 поступает в блок съема данных – 12. Кроме того, в блок съема данных – 12 также поступает информация об уровнях сигналов с первого и третьего входов устройства обработки и управления – 11. Так, информация с первого входа блока обработки и управления – 11 поступает по маршруту: первый вход адаптер – 16.5 КОП – 15 адаптер – 16.1 блок съема данных – 12, а информация с третьего входа поступает по маршруту: третий вход адаптер -16.6 КОП – 15 адаптер – 16.1 блок съема данных – 12. Оператор снимает команду вращения приемной антенны в блоке съема данных – 12 в случае достижения максимума отношения сигналов, поступающих с первого и третьего входов устройства обработки и управления – 11, что равносильно наведению максимума приемной антенны – 4 на исследуемую антенну – 3. В процессе проведения измерения диаграммы направленности исследуемой антенны – 3 блок съема данных – 12 осуществляет управление вращением исследуемой антенны – 3 путем выдачи управляющей команды в КОП – 15 через адаптер – 16.1. Адаптер – 16.7, получив из КОП – 15 команду на вращение исследуемой антенны – 3, транслирует данную команду на второй выход устройства обработки и управления – 11. Информация об угловом положении исследуемой антенны – 3, поступающая на четвертый вход устройства обработки и управления – 11, выдается в КОП – 15 через адаптер – 16.4. Из КОП – 15 информация через адаптер – 16.1 поступает в блок съема данных – 12, осуществляющий трансляцию измерительной информации в блок обработки данных – 14 через сетевые карты – 13.1 и – 13.2. Измерительная информация содержит сведения как об углах поворота, получаемых со второго и четвертого входов устройства обработки и управления – 11, так и сведения об уровнях сигналов, получаемых с первого и третьего входов устройства обработки и управления – 11. Блок обработки данных – 14 осуществляет регистрацию, экспресс-анализ и статистическую обработку результатов измерений с отображением результатов на монитор и выдачей на печать.
Как показывают экспериментальные исследования, устройство для автоматического измерения диаграмм направленности антенн позволяет повысить точность измерения в 2-3 раза за счет статистической обработки результатов измерений, а автоматизация процесса измерений позволяет сократить время измерений в 3-4 раза.
Формула изобретения
Устройство для автоматического измерения диаграмм направленности антенн, содержащее попарно последовательно соединенные передатчик и направленный ответвитель, приемную антенну и приемник, а также содержащее исследуемую антенну, механически соединенную с устройством вращения данной антенны, отличающееся тем, что в него введены последовательно соединенные устройство для измерения мощности сигнала, устройство обработки и управления, цифроаналоговый преобразователь и устройство вращения приемной антенны, которое механически соединено с приемной антенной, к оси вращения которой механически присоединен датчик угла поворота приемной антенны, выход которого подключен ко второму входу устройства обработки и управления, причем выход приемника присоединен к третьему входу устройства обработки и управления, кроме того, введены второй цифроаналоговый преобразователь и датчик угла поворота исследуемой антенны, который механически присоединен к оси вращения исследуемой антенны и к четвертому входу устройства обработки и управления, причем выход второго цифроаналогового преобразователя подключен к устройству вращения исследуемой антенны, а вход – ко второму выходу устройства обработки и управления, при этом первый выход направленного ответвителя соединен с входом исследуемой антенны, а второй выход – со входом устройства для измерения мощности сигнала.
РИСУНКИ
|
|