|
|
(21), (22) Заявка: 2007136975/28, 26.09.2007
(24) Дата начала отсчета срока действия патента:
26.09.2007
(46) Опубликовано: 10.06.2009
(56) Список документов, цитированных в отчете о поиске:
SU 1382118 A1, 10.05.1995. SU 935829 A1, 15.06.1982. SU 853582 A1, 07.08.1981. SU 1394169 A1, 07.05.1988. US 4467271 A, 21.08.1984.
Адрес для переписки:
196128, Санкт-Петербург, ул. Благодатная, 6, Закрытое акционерное общество “МЕРА”
|
(72) Автор(ы):
Иванов Юрий Михайлович (RU), Косенков Борис Владимирович (RU)
(73) Патентообладатель(и):
Закрытое акционерное общество “МЕРА” (RU)
|
(54) СПОСОБ ПОВЕРКИ ПЬЕЗОЭЛЕКТРИЧЕСКОГО ВИБРОПРЕОБРАЗОВАТЕЛЯ БЕЗ ДЕМОНТАЖА С ОБЪЕКТА КОНТРОЛЯ
(57) Реферат:
Изобретение относится к области проверки метрологических характеристик виброизмерительных преобразователей (датчиков) и определения возможности их дальнейшего использования без демонтажа с объекта эксплуатации. Техническим результатом изобретения является уменьшение затрат на определение возможности применения виброизмерительных преобразователей (датчиков) в составе измерительных информационных систем при периодических поверках. При осуществлении способа возбуждают вибропреобразователь, снимают значение напряжения на выходе и вычисляют коэффициент преобразования, по значению которого делают вывод о состоянии вибропреобразователя. При этом возбуждают вибропреобразователь нормированным электрическим сигналом последовательно на частотах, составляющих рабочий диапазон вибропреобразователя, путем подачи от внешнего генератора синус-сигнала напряжения замещения механического возбуждения вибропреобразователя, полученного в результате измерения падения напряжения на резисторе, включенном в разрыв сигнальной цепи вибропреобразователя, возбужденного при первичной поверке заданным значением виброускорения на заданной частоте. 2 ил.
Предлагаемое изобретение относится к измерительной технике и может быть использовано для определения метрологических характеристик пьезоэлектрического вибропреобразователя (далее – ВП), входящего в состав средств измерения физических величин вибрации в случаях невозможности его демонтажа для периодической поверки.
Одной из основных характеристик пьезоэлектрического вибропреобразователя является коэффициент преобразования (далее Кд), который определяют при поверке прибора в установленный межповерочный интервал по стандартной методике [Методическая инструкция 1873-88 Виброметры с пьезоэлектрическими и индукционными преобразователями. Методика поверки.]. В тех случаях, когда демонтаж вибропреобразователя невозможен (например, если выходной кабель ВП неотъемный и находится в кабельной трассе большой протяженности), его поверка по стандартной методике требует доставки поверочной установки к месту нахождения ВП, что вызывает определенные трудности. Кроме того, размещение поверочной установки вблизи установленных ВП, к примеру, в условиях корабля невозможно.
Наиболее близким, взятым за прототип, является способ проверки работоспособности пьезоэлектрических ВП, при котором в цепь «ВП – согласующее устройство» вводят напряжение с частотой, лежащей в рабочем диапазоне частот датчика [Патент Российской Федерации 2176396 «Способ дистанционного периодического контроля коэффициента преобразования пьезоэлектрического акселерометра», 2001 г., патентообладатель Научно-производственное объединение измерительной техники]. При этом уровень сигнала на выходе согласующего устройства (СУ) зависит от емкости датчика и длины соединительного кабеля этой цепи. Постоянство величины выходного сигнала СУ при проверках является признаком целостности электрической цепи, т.е. сохранением свойств средства измерения. Способ отличается простотой в применении, но получаемая информация является неполной и пригодна лишь для определения целостности электрической цепи ВП – СУ.
Таким образом, существует потребность в создании способа поверки пьезоэлектрического вибропреобразователя, обеспечивающего получение полной и надежной информации о состоянии ВП, а также снижение трудоемкости процесса поверки.
Поставленная задача решается за счет того, что в известном способе поверки пьезоэлектрического вибропреобразователя без демонтажа его с объекта установки вибропреобразователь возбуждается нормированным электрическим сигналом последовательно на частотах, составляющих рабочий диапазон вибропреобразователя, путем подачи от внешнего генератора синус-сигнала напряжения замещения механического возбуждения вибропреобразователя, полученного в результате измерения падения напряжения на резисторе, включенном в разрыв сигнальной цепи вибропреобразователя, возбужденного при первичной поверке заданным значением виброускорения на заданной частоте.
Техническим результатом заявляемого способа является возможность поверки пьезоэлектрического вибропреобразователя без его демонтажа с места установки и доставки в поверочную лабораторию благодаря использованию обратного пьезоэлектрического эффекта для возбуждения вибропреобразователя, установленного на объекте контроля, электрическим сигналом от синус-генератора, нормированным по величине напряжением Uзам. При реализации заявленного способа с помощью дополнительного устройства (адаптера) определяют значение напряжения замещения Uзам1 эквивалентной электрической схемы датчика, соответствующего коэффициенту преобразования холостого хода (х.х) – Кпх.х, а при периодической поверке сравнивают значения Uзам1 и Uзам0, затем по их соотношению, исходя из требований к погрешности коэффициента преобразования, делается вывод о качестве датчика, т.е. неуходе Кд из границ заданной погрешности.
Заявляемый способ позволяет учитывать индивидуальную длину соединительного кабеля до согласующего устройства, которая становится известной только после монтажа ВП на объекте контроля.
Заявленное решение не известно заявителю из доступных источников информации т.е. соответствует критерию охраноспособности «новизна». Заявленный способ содержит новую совокупность существенных признаков, не вытекает очевидным образом из существующего уровня техники и отвечает требованиям критерия «изобретательский уровень». Заявляемый способ может быть реализован промышленным путем с использованием известных технических средств.
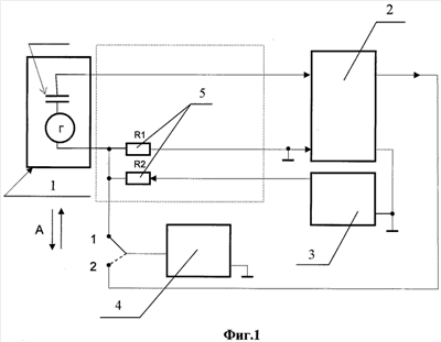
На фиг.1 показана блок-схема соединений для определения напряжения замещения механического возбуждения ВП.
Схема содержит пьезоэлектрический вибропреобразователь 1, согласующее устройство 2, генератор 3, вольтметр 4 и резисторы 5.
Напряжение Uзам эквивалентно механическому возбуждению ВП (т.е. напряжению замещения холостого хода эквивалентной электрической схемы ВП) заданным виброускорением А. По измеренному отклику Uд вибропреобразователя вычисляют коэффициент преобразования, который по определению равен

Напряжение Uзам определяют в лабораторных условиях при первичной поверке.
Для этого при первичной поверке определяют дополнительную характеристику ВП, которая названа “напряжением замещения механического возбуждения вибропреобразователя”, обозначаемым в тексте Uзам. Технически это осуществляют следующим образом. ВП подключают, как показано на фиг 1.
Испытуемый вибропреобразователь закрепляют на вибростоле и задают виброускорение А=10 м/с2 на частоте =160 Гц.
На выходе согласующего устройства появится электрический сигнал Uвых1. Фиксируют величину Uвых1. Останавливают вибровозбудитель и при A=0 подают через резистор R2 сигнал от генератора такой величины, чтобы выходное напряжение Uвых2 согласующего устройства было равно Uвых1. По достижении Uвых2=Uвых1 измеряют падение напряжения на резисторе R1, которое является искомым напряжением замещения Uзам механического возбуждения ВП.
Определяют величину Uзам на частотах 1/1-октавного ряда, входящих в рабочий диапазон ВП. Результаты фиксируют.
Если от генератора синус-сигнала последовательно подать через резистор R2 напряжение Uзам на частотах 1/1-октавного ряда, входящих в рабочий диапазон ВП, то на выходе появится сигнал Uдi пропорциональный ускорению 10 м/с2. Искомые коэффициенты преобразования вычисляют по формуле
Kдi=Uдi/10
По результатам измерений Кдi вычисляют неравномерность частотной характеристики ВП относительно коэффициента преобразования, вычисленного на частоте 160 Гц по формуле

Таким образом, заменив механические нормированное воздействие на вибропреобразователь электрическим воздействием, мы получили одинаковое возбуждение вибропреобразователя. Нормированной мерой электрического возбуждения является напряжение Uзам.
Для примера изложены результаты определения Uзам для вибропреобразователя мод. МВ43-10А:
| F, Гц |
Аэ, м/с2 |
Ua, мВ |
Uзам, мВ |
| 160 |
10,0 |
1004,5 |
22,20 |
Ниже приведены результаты измерения коэффициента преобразования вибропреобразователя мод. МВ43-10А -62197. Измерения проводились в октавной полосе частот в диапазоне частот (20-10000) Гц. Тем самым получены результаты, позволяющие проследить изменение коэффициента преобразования с изменением частоты, т.е. определить неравномерность частотной характеристики, которую необходимо определять при поверке в соответствии с требованиями МИ 1873-88 (фиг.2):
Поверка МВ43-10А -62197 |
| методом замещения |
 |
Аэ, |
 |
| F, Гц |
Uзам,мВ |
Uпр,мВ |
м/с2 |
К, мВ/м/с2 |
Нер. ЧХ,% |
| 20 |
21,70 |
103,3 |
10,0 |
10,33 |
-0,58 |
| 40 |
21,70 |
103,3 |
10,0 |
10,33 |
-0,58 |
| 80 |
21,70 |
103,4 |
10,0 |
10,37 |
-0,19 |
| 160 |
21,70 |
103,9 |
10,0 |
10,39 |
0,00 |
| 315 |
21,70 |
103,9 |
10,0 |
10,39 |
0,00 |
| 630 |
21,70 |
103,6 |
10,0 |
10,41 |
0,19 |
| 1250 |
21,70 |
104,0 |
10,0 |
10,40 |
0,68 |
| 2500 |
21,70 |
104,8 |
10,0 |
10,48 |
1,15 |
| 5000 |
21,70 |
105,1 |
10,0 |
10,55 |
1,54 |
| 8000 |
22,57 |
108,3 |
10,0 |
10,83 |
4,25 |
| 10000 |
23,80 |
112,1 |
10,0 |
11,21 |
7,89 |
Заявляемый способ дает возможность значительно уменьшить затраты на определение возможности применения виброизмерительных преобразователей (датчиков) в составе измерительных информационных систем при периодических поверках.
Формула изобретения
Способ поверки пьезоэлектрического вибропреобразователя без демонтажа его с объекта установки, при котором возбуждают вибропреобразователь, снимают значение напряжения на выходе и вычисляют коэффициент преобразования, по значению которого делают вывод о состоянии вибропреобразователя, отличающийся тем, что возбуждают вибропреобразователь нормированным электрическим сигналом последовательно на частотах, составляющих рабочий диапазон вибропреобразователя, путем подачи от внешнего генератора синус-сигнала напряжения замещения механического возбуждения вибропреобразователя, полученного в результате измерения падения напряжения на резисторе, включенном в разрыв сигнальной цепи вибропреобразователя, возбужденного при первичной поверке заданным значением виброускорения на заданной частоте.
РИСУНКИ
|
|