|
|
(21), (22) Заявка: 2006134319/28, 28.09.2006
(24) Дата начала отсчета срока действия патента:
28.09.2006
(43) Дата публикации заявки: 10.04.2008
(46) Опубликовано: 10.06.2009
(56) Список документов, цитированных в отчете о поиске:
SU 1610272 A1, 30.11.1990. SU 1315806 A2, 07.06.1987. JP 62034008 A, 14.02.1987. JP 61095207 A, 14.05.1986. SU 1413424 A1, 30.07.1988. US 4355902 A, 26.10.1982.
Адрес для переписки:
109316, Москва, Волгоградский пр-кт, 45, ОАО НПИЦ “Арминт”
|
(72) Автор(ы):
Манин Анатолий Платонович (RU), Белоус Ростислав Альбертович (RU), Орловский Валентин Петрович (RU)
(73) Патентообладатель(и):
ОТКРЫТОЕ АКЦИОНЕРНОЕ ОБЩЕСТВО “НАУЧНО-ПРОИЗВОДСТВЕННЫЙ ИСПЫТАТЕЛЬНЫЙ ЦЕНТР “АРМИНТ” (RU)
|
(54) ЭЛЕКТРОННО-ЦИФРОВОЕ УСТРОЙСТВО ИЗМЕРЕНИЯ УГЛОВЫХ КООРДИНАТ
(57) Реферат:
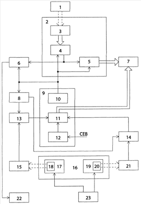
Изобретение относится к технике измерений, может использоваться в локации и геодезическом приборостроении и предназначено преимущественно для использования при измерениях угловых координат движущихся объектов. Технический результат – выполнение дистанционных измерений угловых координат движущихся объектов, например летательных аппаратов. Электронно-цифровое устройство измерения угловых координат содержит объектив 1 канала наблюдения, фотоприемное устройство 2 канала наблюдения, выполненное в виде матрицы 3 фотодетекторов, устройства 4 считывания информации, входная шина которого соединена с электрическими выходами матрицы 3 фотодетекторов, и аналого-цифрового преобразователя 5, информационный вход и синхровход которого соединены соответственно с выходом и синхровходом устройства 4 считывания информации, видеоконтрольный адаптер 6, устройство 7 регистрации информации, блок 8 формирования отсчетов, блок 9 управления и преобразования информации, содержащий блок 10 синхронизации, преобразователь 11 кодов и преобразователь 12 время-код, первый и второй преобразователи 13 и 14 угол-код, блок 15 считывания с вертикального диска, опорно-поворотное устройство 16, механизм 17 вертикального наведения, который содержит вертикальный диск 18 с кодовой дорожкой, а механизм 19 горизонтального наведения – горизонтальный диск 20 с кодовой дорожкой, блок 21 считывания с горизонтального диска, видеоконтрольное устройство 22 и пульт 23 дистанционного управления. 1 ил.
Изобретение относится к технике измерений, может использоваться в геодезическом приборостроении и локации и предназначено преимущественно для измерения угловых координат быстро движущихся объектов, например летательных аппаратов.
Известен электронный теодолит, содержащий пульт управления и объектив канала наблюдения, установленный на опорно-поворотном устройстве, механизмы горизонтального и вертикального наведения которого содержат соответственно горизонтальный и вертикальный диски с кодовыми дорожками, оптически связанные с ними соответственно блок считывания с горизонтального диска и блок считывания с вертикального диска, выходы которых подключены соответственно к первому и второму входам преобразователя угол-код, выход которого соединен с входом цифрового табло [1].
Известный электронный теодолит обеспечивает высокую точность измерения угловых координат и удобство их считывания оператором при геодезических измерениях.
Однако известный электронный теодолит не позволяет выполнять дистанционные измерения угловых координат быстро движущихся объектов, поскольку оператор должен находиться в месте установки электронного теодолита и за один цикл измерения оператором угловых координат движущегося объекта в одной точке его траектории движения движущийся объект выходит из поля зрения оператора.
Технический результат состоит в обеспечении возможности выполнять дистанционные измерения угловых координат быстро движущихся объектов, например летательных аппаратов.
Для достижения указанного технического результата в электронно-цифровое устройство измерения угловых координат, содержащее пульт управления и объектив канала наблюдения, установленный на опорно-поворотном устройстве, механизмы горизонтального и вертикального наведения которого содержат соответственно горизонтальный и вертикальный диски с кодовыми дорожками, оптически связанные с ними соответственно блок считывания с горизонтального диска и блок считывания с вертикального диска, выход последнего из которых подключен к входу первого преобразователя угол-код, введены видеоконтрольное устройство, видеоконтрольный адаптер, второй преобразователь угол-код, устройство регистрации информации, блок формирования отсчетов, блок управления и преобразования информации, содержащий блок синхронизации, преобразователь кодов и преобразователь время-код, а также закрепленное в опорно-поворотном устройстве и оптически связанное с объективом канала наблюдения фотоприемное устройство канала наблюдения, выполненное в виде матрицы фотодетекторов, выходы которых соединены с входной шиной устройства считывания информации, выход и синхровход которого соединены соответственно с информационным входом и синхровходом аналого-цифрового преобразователя, выход которого подключен к первой входной шине устройства регистрации информации, вторая входная шина которого соединена с выходом преобразователя кодов, первый, второй и третий входы которого подключены к выходам соответственно первого преобразователя угол-код, второго преобразователя угол-код и преобразователя время-код, вход которого является информационным входом блока управления и преобразования информации, выход блока синхронизации соединен с синхровходом устройства считывания информации, выход которого соединен с информационным входом видеоконтрольного адаптера, выход которого подключен к входу видеоконтрольного устройства, а синхровход – к выходу блока синхронизации и к входу блока формирования отсчетов, первый и второй выходы которого подключены к управляющим входам соответственно первого и второго преобразователей угол-код, вход последнего из которых подключен к выходу блока считывания с горизонтального диска, при этом пульт управления выполнен дистанционным, а его первый и второй выходы подключены к управляющим входам соответственно механизмов вертикального и горизонтального наведения.
Видеоконтрольное устройство включает либо телевизионный монитор, либо жидкокристаллический монитор. Соответственно видеоконтрольный адаптер выполнен с возможностью формирования либо аналогового видеосигнала, либо цифрового видеосигнала.
Предлагаемое электронно-цифровое устройство измерения угловых координат обеспечивает высокую точность измерения угловых координат летательных аппаратов и позволяет выполнять дистанционные измерения, поскольку оператор может находиться в месте, удаленном от места установки электронного теодолита.
При этом достигается положительный технический результат – обеспечивается возможность выполнять дистанционные измерения угловых координат быстро движущихся объектов.
Проведенный заявителем анализ уровня техники, включая поиск по патентным и научно-техническим источникам информации и выявление источников, содержащих сведения об аналогах заявленного технического решения, позволил установить, что заявитель не обнаружил источник, характеризующийся признаками, тождественными (идентичными) всем существенным признакам заявленного технического решения. Определение из перечня выявленных аналогов прототипа, как наиболее близкого по совокупности признаков аналога, позволило установить совокупность существенных по отношению к усматриваемому заявителем техническому результату отличительных признаков заявленного электронно-цифрового устройства измерения угловых координат, изложенных в формуле изобретения. Следовательно, заявленное техническое решение соответствует критерию “новизна”.
Проведенный заявителем дополнительный поиск не выявил известные решения, содержащие признаки, совпадающие с отличительными от прототипа признаками заявленного электронно-цифрового устройства измерения угловых координат. Следовательно, заявленное техническое решение не вытекает для специалиста явным образом из известного уровня техники, поскольку из уровня техники, определенного заявителем, не выявлено влияние предусматриваемых существенными признаками заявленного технического решения преобразований для достижения технического результата. Заявленное техническое решение не основано на изменении количественного признака (признаков), представлении таких признаков во взаимосвязи, либо изменении ее вида. Следовательно, заявленное техническое решение соответствует критерию “изобретательский уровень”.
Предлагаемое электронно-цифровое устройство измерения угловых координат может быть реализовано с помощью известных функциональных элементов.
На фиг.1 приведена функциональная схема заявленного электронно-цифрового устройства измерения угловых координат.
Электронно-цифровое устройство измерения угловых координат содержит объектив 1 канала наблюдения, фотоприемное устройство 2 канала наблюдения, выполненное в виде матрицы 3 фотодетекторов, устройства 4 считывания информации, входная шина которого соединена с электрическими выходами матрицы 3 фотодетекторов, и аналого-цифрового преобразователя 5, информационный вход и синхровход которого соединены соответственно с выходом и синхровходом устройства 4 считывания информации, видеоконтрольный адаптер 6, устройство 7 регистрации информации, блок 8 формирования отсчетов, блок 9 управления и преобразования информации, содержащий блок 10 синхронизации, преобразователь 11 кодов и преобразователь 12 время-код, первый и второй преобразователи 13 и 14 угол-код, блок 15 считывания с вертикального диска, опорно-поворотное устройство 16, механизм 17 вертикального наведения, который содержит вертикальный диск 18 с кодовой дорожкой, а механизм 19 горизонтального наведения – горизонтальный диск 20 с кодовой дорожкой, блок 21 считывания с горизонтального диска, видеоконтрольное устройство 22 и пульт 23 дистанционного управления. Объектив 1 канала наблюдения установлен на опорно-поворотном устройстве 16, горизонтальный и вертикальный диски 20 и 18 с кодовыми дорожками механизмов 19 и 17 горизонтального и вертикального наведения которого оптически связаны с блоками 21 и 15 считывания соответственно с горизонтального и вертикального дисков, выходы которых подключены к входам соответственно второго и первого преобразователей 14 и 13 угол-код, выходы которых соединены соответственно с вторым и первым входами преобразователя 11 кодов, а их управляющие входы подключены соответственно к второму и первому выходам блока 8 формирования отсчетов, вход которого соединен с выходом блока 10 синхронизации. Фотоприемное устройство 2 канала наблюдения закреплено в опорно-поворотном устройстве 16 и оптически связано с объективом 1 канала наблюдения. Первый и второй выходы пульта 23 дистанционного управления подключены к управляющим входам соответственно механизмов 17 и 19 вертикального и горизонтального наведения. Выход блока 10 синхронизации подключен к синхровходам видеоконтрольного адаптера 6 и устройства 4 считывания информации, выход которого соединен с входом видеоконтрольного адаптера 6, выход которого подключен к входу видеоконтрольного устройства 22. Выход аналого-цифрового преобразователя 5 подключен к первой входной шине устройства 7 регистрации информации, вторая входная шина которого соединена с выходом преобразователя 11 кодов, третий вход которого подключен к выходу преобразователя 12 время-код, вход которого является информационным входом блока 9 управления и преобразования информации.
Видеоконтрольное устройство 22 включает либо телевизионный монитор, либо жидкокристаллический монитор. Соответственно видеоконтрольный адаптер 6 выполнен с возможностью формирования либо аналогового видеосигнала, либо цифрового видеосигнала.
Устройство работает следующим образом.
Электронно-цифровое устройство измерения угловых координат устанавливают и горизонтируют в точке стояния, видеоконтрольное устройство 22 и пульт 23 дистанционного управления размещают на необходимом для решения задач измерений расстоянии в месте нахождения оператора.
Изображение движущихся объектов, например, летательных аппаратов, расположенных в точке наблюдения на заданной траектории их движения, проецируется через объектив 1 канала наблюдения на матрицу 3 фотодетекторов фотоприемного устройства 2 канала наблюдения. Считывание электрического сигнала изображения с матрицы 3 фотодетекторов осуществляют с помощью входящего в состав фотоприемного устройства 2 канала наблюдения устройства 4 считывания информации, входная шина которого соединена с электрическими выходами матрицы 3 фотодетекторов. Для передачи изображений, формируемых фотоприемным устройством 2 канала наблюдения и отображения их на стандартном видеоконтрольном устройстве 22 предназначен видеоконтрольный адаптер 6. Блок 10 синхронизации в составе блока 9 управления и преобразования информации синхронизирует работу устройства 4 считывания информации и аналого-цифрового преобразователя 5 фотоприемного устройства 2 канала наблюдения и видеоконтрольного адаптера 6 и обеспечивает установку заданного стандарта (частоту кадров, число строк и число элементов на строке) при формировании видеосигнала для видеоконтрольного устройства 22.
Оператор наблюдает на экране видеоконтрольного устройства 22 движущиеся по заданной траектории объекты, например летательные аппараты, и наводит на них электронно-цифровое устройство измерения угловых координат с помощью пульта 23 дистанционного управления, воздействуя на механизмы 17 и 19 вертикального и горизонтального наведения опорно-поворотного устройства 16.
Взятие необходимого числа вертикальных или горизонтальных отсчетов координат движущихся объектов в различных точках траектории движения летательных аппаратов и их привязку к системе единого времени (СЕВ) осуществляют путем одновременной покадровой регистрации изображения движущихся объектов, значений соответствующих каждому кадру углов (угла места и азимута) и меток времени СЕВ в устройстве 7 регистрации информации.
Для этого электрический сигнал каждого кадра изображения движущихся объектов с выхода устройства 4 считывания информации подают на информационный вход аналого-цифрового преобразователя 5, на выходе которого получают цифровой сигнал изображения, например, в виде параллельного двоичного восьмиразрядного кода, который подают на первую входную шину устройства 7 регистрации информации. Одновременно на вторую входную шину устройства 7 регистрации информации с выхода преобразователя 11 кодов подают цифровые сигналы со значениями соответствующих каждому кадру изображения углов (угла места и азимута) и меток времени СЕВ.
Значения соответствующих каждому кадру изображения углов (угла места и азимута) поступают на первый и второй входы преобразователя 11 кодов с выходов соответственно первого и второго преобразователей 13 и 14 угол-код, входы которых соединены с выходами соответственно блоков 15 и 21 считывания с вертикального и горизонтального дисков. При этом блоки 15 и 21 считывания соответственно с вертикального и горизонтального дисков, первый и второй преобразователи 13 и 14 угол-код работают известным из прототипа образом.
Моменты времени, в которые производят отсчеты значений указанных выше углов, определяются по сигналам, поступающим на управляющие входы первого и второго преобразователей 13 и 14 угол-код соответственно с первого и второго выходов блока 8 формирования отсчетов, вход которого соединен с выходом блока 10 синхронизации. Эти моменты времени могут быть привязаны к началу, середине или концу соответствующего кадра изображения движущихся объектов.
Включение и выключение режима записи устройства 7 регистрации информации могут осуществлять как автономно, так и дистанционно. В последнем случае пульт 23 дистанционного управления может иметь третий выход, а устройство 7 регистрации информации – управляющий вход, которые соединены между собой.
Изложенные выше сведения свидетельствуют о выполнении при использовании заявленного технического решения следующей совокупности условий:
– средства, воплощающие заявленное электронно-цифровое устройство измерения угловых координат при их осуществлении, предназначены для использования в промышленности, а именно в локации и геодезическом приборостроении;
– для заявленного электронно-цифрового устройства измерения угловых координат в том виде, как оно охарактеризовано в независимом пункте изложенной формулы изобретения, подтверждена возможность его осуществления с помощью описанных в заявке или известных до даты приоритета средств и методов.
Следовательно, заявленное техническое решение соответствует критерию “промышленная применимость”.
При использовании предлагаемого электронно-цифрового устройства измерения угловых координат достигается высокая точность измерения при дистанционных измерениях параметров траектории движения движущихся объектов, например летательных аппаратов.
Литература
1. SU 1610272 А1 (Шульц В.Г. и др.), 30.11.1990.
Формула изобретения
Электронно-цифровое устройство измерения угловых координат, содержащее пульт управления и объектив канала наблюдения, установленный на опорно-поворотном устройстве, механизмы горизонтального и вертикального наведения которого содержат соответственно горизонтальный и вертикальный диски с кодовыми дорожками, оптически связанные с ними соответственно блок считывания с горизонтального диска и блок считывания с вертикального диска, выход последнего из которых подключен к входу первого преобразователя угол-код, отличающееся тем, что введены видеоконтрольное устройство, видеоконтрольный адаптер, второй преобразователь угол-код, устройство регистрации информации, блок формирования отсчетов, блок управления и преобразования информации, содержащий блок синхронизации, преобразователь кодов и преобразователь время-код, а также закрепленное в опорно-поворотном устройстве и оптически связанное с объективом канала наблюдения фотоприемное устройство канала наблюдения, выполненное в виде матрицы фотодетекторов, выходы которых соединены с входной шиной устройства считывания информации, выход и синхровход которого соединены соответственно с информационным входом и синхровходом аналого-цифрового преобразователя, выход которого подключен к первой входной шине устройства регистрации информации, вторая входная шина которого соединена с выходом преобразователя кодов, первый, второй и третий входы которого подключены к выходам соответственно первого преобразователя угол-код, второго преобразователя угол-код и преобразователя время-код, вход которого является информационным входом блока управления и преобразования информации, выход блока синхронизации соединен с синхровходом устройства считывания информации, выход которого соединен с информационным входом видеоконтрольного адаптера, выход которого подключен к входу видеоконтрольного устройства, а синхровход – к выходу блока формирования отсчетов, первый и второй выходы которого подключены к управляющим входам соответственно первого и второго преобразователей угол-код, вход последнего из которых подключен к выходу блока считывания с горизонтального диска, при этом пульт управления выполнен дистанционным, а его первый и второй выходы подключены к управляющим входам соответственно механизмов вертикального и горизонтального наведения.
РИСУНКИ
MM4A – Досрочное прекращение действия патента СССР или патента Российской Федерации на изобретение из-за неуплаты в установленный срок пошлины за поддержание патента в силе
Дата прекращения действия патента: 29.09.2008
Извещение опубликовано: 27.07.2010 БИ: 21/2010
|
|