|
|
(21), (22) Заявка: 2006123177/28, 29.06.2006
(24) Дата начала отсчета срока действия патента:
29.06.2006
(43) Дата публикации заявки: 20.01.2008
(46) Опубликовано: 10.06.2009
(56) Список документов, цитированных в отчете о поиске:
RU 2065665 C1, 20.08.1996. SU 1768938 A, 15.10.1992. SU 1779906 A1, 07.12.1982. US 4364045, 14.12.1982. US 6664782 B2, 16.12.2003. JP 2-275313 A, 09.11.1990.
Адрес для переписки:
150064, г.Ярославль, Ленинградский пр-кт, д.86, кв.220, А.А.Чиркову
|
(72) Автор(ы):
Чирков Александр Алексеевич (RU)
(73) Патентообладатель(и):
Чирков Александр Алексеевич (RU)
|
(54) УСТРОЙСТВО ИЗМЕРЕНИЯ ПЕРЕМЕЩЕНИЙ
(57) Реферат:
Изобретение относится к измерительной технике и может быть использовано для измерения малых линейных перемещений или других физических величин, преобразованных в линейные перемещения. Технический результат: повышение точности измерения путем снижения величины погрешности, обусловленной воздействием помех, повышение быстродействия, стабильности и повторяемости амплитудно-частотных и фазочастотных характеристик, надежности и функциональности устройства. Сущность: устройство содержит цифровой синтезатор сигнала, двуканальный аналого-цифровой преобразователь, двуканальный программируемый усилитель, цифровой процессор обработки сигналов, память данных и память программ. Память программ содержит подпрограммы управления цифровым синтезатором сигналов, аналого-цифровым преобразователем, адаптивной обработки сигнала, программу цифрового оптимального фильтра, ввода и вывода данных. 1 ил.
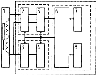
Изобретение относится к измерительной технике и может быть использовано для измерения малых линейных перемещений или других физических величин, преобразованных в линейные перемещения. Целью изобретения является повышение точности измерения путем снижения величины погрешности, обусловленной воздействием помех, повышение быстродействия, стабильности и повторяемости амплитудно-частотных и фазочастотных характеристик, надежности и функциональности устройства. Поставленная цель достигается тем, что обработка сигналов преобразователя перемещений перенесена из аналоговой области в цифровую посредством введения в предлагаемое устройство элементов цифровой обработки сигналов, таких как цифровой синтезатор сигнала 4, двуканальный аналого-цифровой преобразователь 5, двуканальный программируемый усилитель 2, цифровой процессор обработки сигналов 6, память данных 7 и память программ 8, содержащая подпрограммы управления цифровым синтезатором сигналов, управления аналого-цифровым преобразователем, адаптивной обработки сигнала, программу цифрового оптимального фильтра, ввода и вывода данных (см. чертеж).
Изобретение относится к измерительной технике и может быть использовано в различных областях науки и техники для измерения малых линейных перемещений или других физических величин, преобразованных в линейные перемещения.
Наиболее близким по технической сущности к предлагаемому решению является известное устройство измерения перемещений с индуктивным преобразователем (см. патент SU 1779906 A1 G01B 7/00 от 07.12.92), выбранное в качестве прототипа, в котором для повышения точности измерений путем снижения величины погрешности, обусловленной воздействием помех, введены вторая и третья дополнительные обмотки генератора переменного тока, сумматор, интегратор, блок выборки и хранения, блок формирования сигнала выборки, блок формирования стробирующего сигнала, управляемый делитель напряжения и блок управления.
Такое устройство имеет ряд недостатков: представленная функциональная схема устройства содержит фильтр, выполненный на аналоговых элементах, имеющих производственный разброс параметров, температурную зависимость, что снижает стабильность, повторяемость и надежность устройства. Кроме того, отсутствует задание амплитудно-частотных и фазочастотных характеристик фильтра. Большая масса, габариты и энергопотребление ограничивают спектр применения представленного устройства.
Устранение подобных недостатков у приведенного аналога требует усложнения устройства, ведет к снижению помехоустойчивости и, как следствие, к снижению точности измерения.
Целью изобретения является повышение точности измерения путем снижения величины погрешности, обусловленной воздействием помех, повышение быстродействия, стабильности и повторяемости амплитудно-частотных и фазочастотных характеристик, надежности и функциональности устройства.
Поставленная цель достигается тем, что обработка сигналов преобразователя перемещений перенесена из аналоговой области в цифровую посредством введения в предлагаемое устройство элементов цифровой обработки сигналов, таких как цифровой синтезатор сигнала, двуканальный аналого-цифровой преобразователь, двуканальный программируемый усилитель, цифровой процессор обработки сигналов, память данных и память программ содержащая подпрограммы управления цифровым синтезатором сигналов, управления аналого-цифровым преобразователем, адаптивной обработки сигнала, программу цифрового оптимального фильтра, ввода и вывода данных.
Функциональная схема предлагаемого устройства измерения перемещений представлена на чертеже.
Питание индуктивного преобразователя перемещений 1 обеспечивает цифровой синтезатор сигнала, состоящий из интегрального программируемого цифрового формирователя сигнала 4, работающего по принципу прямого цифрового синтеза (DDS) и фильтра нижних частот 3. Сигнал Z1 с выхода фильтра нижних частот 3 подается на обмотку возбуждения при подключении к устройству измерения перемещений преобразователя перемещений, выполненного по схеме линейного переменного дифференциального трансформатора (LVDT), (ВВР 315 Series, © 2003 Macro Sensors 03/06/03, 7300 US Route 130 North, Bidg. 22 Pennsauken, NJ 08110-1541 USA tel: 856-662-8000 fax: 856-317-1005 www.macrosensors.com.), (TESA GTL 21-3230029, «Измерительные системы для обеспечения качества 2001», каталог продукции фирмы TESA, раздел L).
Сигналы Z1 и инверсный Z2 с выхода фильтра нижних частот 3 используются при подключении к устройству измерения перемещений преобразователя перемещений, выполненного по полумостовой схеме (Преобразователь модель 75501, ТУ 2-034-0221197-002-88, Ленинградский завод «Измерен»), (TESA GTL 21-3230057, «Измерительные системы для обеспечения качества 2001», каталог продукции фирмы TESA, раздел L).
При помощи подпрограммы управления цифровым синтезатором сигнала цифровой процессор обработки сигнала 6 загружает в регистры интегрального программируемого цифрового формирователя сигнала 4 коэффициенты, отвечающие за частоту, фазу и форму сигнала, необходимые для работы индуктивного преобразователя перемещений 1. Кроме того, цифровой процессор обработки сигнала 6 формирует сигнал тактирование, необходимый для работы интегрального программируемого цифрового формирователя сигнала 4. Описание принципа работы и алгоритма программирования рассмотрим на примере (AD9833 One Technology Way, P.O.Box 9106, Norwood, MA 02062-9106, U.S.A. Tel: 781/329-4700 ww.analog.com. Fax: 781/326-8703 © 2003 Analog Devices, Inc. All rights reserved.), (AD 9830 © Analog Devices, Inc., 1996 One Technology Way, P.O.Box 9106, Norwood, MA 02062-9106, U.S.A. Tel: 617/329-4700 Fax: 617/326-8703).
С выхода двуканального программируемого усилителя сигнал поступает на вход двуканального аналого-цифрового преобразователя 5.
Цифровой процессор при помощи подпрограммы управления аналого-цифрового преобразователя выполняет калибровку, производя выравнивание передаточных характеристик аналого-цифровых преобразователей (см. C8051F 060/1/2/3, Mixed Signal ISP Flash MCU Family, n. 5.4, Preliminary Rev. 1.1 12/03 Copyright © 2003 by Silicon Laboratories C8051F 060/1/2/3-DS11). Подпрограмма управления аналого-цифровым преобразователем обеспечивает оцифровку входных аналоговых сигналов S и Z1 («Журнал Компоненты и технологии 7, 2005 г.», «Как работать с АЦП и ЦАП в микроконтроллерах SiLabs», Елена Ламберт).
С выхода двуканального аналого-цифрового преобразователя цифровые сигналы Si, Zli поступают на вход цифрового процессора обработки сигналов 6, где происходит цифровая обработка сигналов при помощи подпрограмм цифровой фильтрации, ввода и вывода данных согласно принципу функционирования индуктивных преобразователей перемещения (см. AD698 Universal LVDT Signal Conditioner, © Analog Devices, Inc., 1995 One Technology Way, P.O.Box 9106, Norwood. MA 02062-9106, U.S.A. Tel: 617/329-4700. Fax: 617/326-8703).
В зависимости от задач анализа результатов измерения малых линейных перемещений выбирается адаптивный или оптимальный цифровой фильтр.
Реализацию цифрового фильтра рассмотрим на примере (FFT ROUTINES FOR THE C8051F 12X FAMILY AN142-DS11 Rev.1.1 12/03 Copyright © 2003 by Silicon Laboratories).
В тех случаях когда необходимо жестко фиксировать полосы пропускания и задерживания, желательно иметь фильтр наименьшего порядка. Конструируется передаточная функция минимального порядка, при которой обеспечивается выполнение всех заданных условий, с учетом разрядности и архитектуры цифрового процессора. Такие фильтры относятся к классу оптимальных (см. Основы цифровой обработки сигналов: Курс лекций. / Авторы: А.И.Солонина, Д.А.Улахович, С.М.Арбузов, Е.Б.Соловьева, И.И.Гук. – СПб.: БХВ-Петербург, 2003. – 608 с.: ил., с.276).
Основной проблемой, возникающей при анализе недетерминированных сигналов, является определение их временных и частотных характеристик, поскольку любой недетерминированный сигнал в принципе является нелинейным объектом, что чрезвычайно усложняет их анализ. Под термином адаптация применительно к системам цифровой обработки сигнала будем понимать изменение их параметров и, возможно, структуры с целью достижения заданного эффекта в результате приспособления к неизвестным внешним условиям. К последним можно отнести всевозможные случайные помехи, характеристики каналов распространения сигналов, принципиально неустранимые шумы квантования. Главным свойством адаптивной системы можно считать изменяющееся во времени функционирование с саморегуляцией. В большинстве реальных условий диапазон входных воздействий известен приблизительно и меняется сложным образом во времени. Тогда адаптивная система цифровой обработки сигнала имеет преимущества по сравнению с неизменяемой (см. Основы цифровой обработки сигналов: Курс лекций. / Авторы: А.И.Солонина, Д.А.Улахович, С.М.Арбузов, Е.Б.Соловьева, И.И.Гук. – СПб.: БХВ-Петербург, 2003. – 608 с.: ил., с.423).
Приведенное решение позволяет минимизировать массу и габариты устройства посредством изготовления устройства на основе интегральных приборов класса “система-на-кристалле” (SoC), на едином кристалле которых интегрированы процессор (процессоры, в т.ч. специализированные), некоторый объем памяти, ряд периферийных устройств и интерфейсов, т.е. максимум того, что необходимо для решения задач, поставленных перед устройством.
Формула изобретения
Устройство измерения перемещений, содержащее индуктивный преобразователь, отличающееся тем, что, с целью повышения точности измерения путем снижения величины погрешности, обусловленной воздействием помех, а также повышения быстродействия, стабильности и повторяемости амплитудно-частотных и фазочастотных характеристик, надежности и функциональности устройства, посредством введения в устройство элементов цифровой обработки сигналов – цифрового синтезатора сигнала, двуканального аналого-цифрового преобразователя, двуканального программируемого усилителя, цифрового процессора обработки сигналов, памяти данных и памяти программ, содержащих подпрограммы адаптивной обработки сигнала, цифрового оптимального фильтра, ввода и вывода данных, подпрограммы управления цифровым синтезатором сигналов и аналого-цифровым преобразователем, при этом цифровой синтезатор сигнала обеспечивает питание индуктивного преобразователя сигнала, а вход двуканального программируемого усилителя соединен с выходом преобразователя перемещения и с выходом цифрового синтезатора сигнала, выход двуканального программируемого усилителя соединен с входом двуканального аналого-цифрового преобразователя, с выхода двуканального аналого-цифрового преобразователя цифровой сигнал поступает на вход цифрового процессора обработки сигналов.
РИСУНКИ
|
|