|
|
(21), (22) Заявка: 2007123808/12, 25.06.2007
(24) Дата начала отсчета срока действия патента:
25.06.2007
(43) Дата публикации заявки: 27.12.2008
(46) Опубликовано: 10.06.2009
(56) Список документов, цитированных в отчете о поиске:
RU 2199069 C2, 20.02.2003. RU 2054151 C1, 10.02.1996. US 5494004 A, 27.02.1996.
Адрес для переписки:
194156, Санкт-Петербург, ул. Манчестерская, 4, кв.84, В.Л. Кокореву
|
(72) Автор(ы):
Погребняк Анатолий Петрович (RU), Воеводин Сталив Иванович (RU), Кокорев Валерий Леонидович (RU), Кокорев Александр Леонидович (RU)
(73) Патентообладатель(и):
Погребняк Анатолий Петрович (RU), Воеводин Сталив Иванович (RU), Кокорев Валерий Леонидович (RU), Кокорев Александр Леонидович (RU)
|
(54) СПОСОБ АВТОМАТИЧЕСКОЙ ГАЗОИМПУЛЬСНОЙ ОЧИСТКИ ПОВЕРХНОСТЕЙ НАГРЕВА КАМЕР КОНВЕКЦИИ НЕФТЕНАГРЕВАТЕЛЬНЫХ ПЕЧЕЙ
(57) Реферат:
Изобретение относится к области энерготехнологии, а непосредственно к способу автоматической газоимпульсной очистки поверхностей нагрева. Изобретение обеспечивает повышение надежности работы за счет непрерывности удаления конденсата и достижения заданной мощности ударной волны в импульсных камерах. Способ включает удаление конденсата из демпфера и из каждой линии пламепроводов, продувку пламепроводов воздухом с заданным интервалом времени, продувку трубопровода подачи газа, заполнение импульсных камер газовоздушной смесью, осуществление высоковольтных разрядов с интервалом времени, достаточным для заполнения импульсных камер, осуществление взрывов газовоздушной смеси в импульсных камерах заданное количество раз и с заданным интервалом времени. Удаление конденсата из демпфера узла подготовки и зажигания смеси, расположенного над импульсными камерами, и всех пламепроводов происходит одновременно и непрерывно для исключения образования конденсата, при этом сначала открывают электроприводную задвижку на линии подачи газа, затем включают вентилятор для осуществления одновременной продувки всех пламепроводов воздухом в течение заданного времени, открывают электромагнитный клапан на линии подачи газа и в течение заданного времени осуществляют одновременное заполнение всех импульсных камер газовоздушной смесью, после чего подают высоковольтные разряды с интервалом времени, достаточным для одновременного заполнения всех импульсных камер газовоздушной смесью, осуществляя взрывы газовоздушной смеси одновременно во всех импульсных камерах, и при достижении заданного количества взрывов останавливают очистку. 1 ил.
Изобретение относится к области энерготехнологии, а непосредственно к способу автоматической газоимпульсной очистки поверхностей нагрева.
Известен способ автоматической газоимпульсной очистки (1), включающий первоначальное измерение уровня конденсата в демпфере, при достижении заданного уровня которого осуществляют последовательно с заданным интервалом времени слив конденсата с каждой линии пламепроводов, последовательную продувку пламепроводов воздухом и после завершения продувки последнего пламепровода в течение заданного времени осуществляют продувку трубопровода подачи газа, измеряют соответствие давления газа в трубопроводе подачи газа заданному в демпфере и для каждой импульсной камеры производят высоковольтные разряды с паузой между разрядами, достаточной для заполнения импульсной камеры газовоздушной смесью, после каждого взрыва газовоздушной смеси в импульсной камере сравнивается фактическое и заданное количество взрывов и при превышении заданного значения разницы фактического и заданного количества взрывов происходит аварийная остановка газоимпульсной очистки.
Недостатками данного способа являются:
– необходимость наличия заданного уровня конденсата в демпфере узла подготовки и зажигания смеси и пламепроводах, что исключает применение этого способа автоматической газоимпульсной очистки в условиях открытой компоновки очищаемого оборудования (например, котлы-утилизаторы, нефтенагревательные печи), особенно при наличии отрицательных температур из-за замерзания конденсата в демпфере и пламепроводах, а также снижает надежность и эффективность работы автоматической газоимпульсной очистки из-за погасания пламени во влажных пламепроводах в связи с наличием сконденсировавшейся влаги и, как следствие, образования интенсивной коррозии, что значительно сокращает срок службы трубопроводов и других узлов газоимпульсной очистки;
– необходимость осуществления последовательно операций по сливу конденсата из каждого пламепровода, поочередной продувки каждого пламепровода воздухом, поочередного заполнения импульсных камер газовоздушной смесью, осуществление поочередно высоковольтных импульсов и взрывов в импульсных камерах усложняет систему управления газоимпульсной очисткой и алгоритм ее работы, значительно увеличивает продолжительность цикла очистки.
Задачей настоящего изобретения является повышение надежности работы установки за счет непрерывности удаления конденсата и достижения заданной мощности ударной волны в импульсных камерах.
Поставленная задача решается способом автоматической газоимпульсной очистки поверхностей нагрева камер конвекции нефтенагревательных печей, включающим удаление конденсата из демпфера и из каждой линии пламепроводов, продувку пламепроводов воздухом с заданным интервалом времени, продувку трубопровода подачи газа, заполнение импульсных камер газовоздушной смесью, осуществление высоковольтных разрядов с интервалом времени достаточным для заполнения импульсных камер, осуществление взрывов газовоздушной смеси в импульсных камерах заданное количество раз и с заданным интервалом времени, отличающимся тем, что удаление конденсата из демпфера узла подготовки и зажигания смеси, расположенного над импульсными камерами, и всех пламепроводов происходит одновременно и непрерывно для исключения образования конденсата в демпфере и пламепроводах, при этом сначала открывается электроприводная задвижка на линии подачи газа, а после ее полного открытия включается в работу вентилятор и осуществляется одновременная продувка всех пламепроводов воздухом в течение заданного времени, открывается электромагнитный клапан на линии подачи газа и в течение заданного времени осуществляется одновременное заполнение всех импульсных камер газовоздушной смесью, после чего начинают подаваться высоковольтные разряды с интервалом времени, достаточным для одновременного заполнение всех импульсных камер газовоздушной смесью, происходят взрывы газовоздушной смеси одновременно во всех импульсных камерах и при достижении заданного количества взрывов осуществляется остановка газоимпульсной очистки.
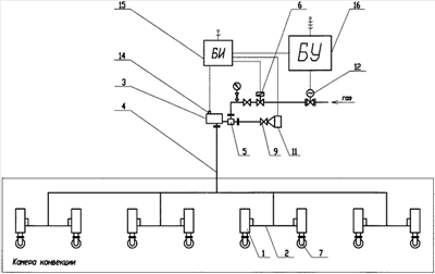
На чертеже изображена схема устройства автоматической газоимпульсной очистки поверхностей нагрева и размещения ее узлов.
Способ автоматической газоимпульсной очистки заключается в том, что из демпфера 3 узла подготовки и зажигания смеси через патрубок 4 и из всех пламепроводов 2 через импульсные камеры 1 и патрубки 7 осуществляется постоянное и одновременное удаление конденсата. Первоначально, при достижении заданного значения температуры уходящих газов осуществляется открытие электроприводной задвижки 12, после полного открытия которой включается в работу вентилятор 11 и через кран 9, смеситель 5, демпфер 3 в течение заданного времени осуществляют одновременную продувку воздухом всех линий пламепроводов 2, импульсных камер 1 и патрубков 7.
После завершения продувки воздухом пламепроводов и импульсных камер открывается электромагнитный клапан газа 6 и в течение заданного времени осуществляют через электроприводную задвижку 12 и электромагнитный клапан 6 продувку трубопровода подачи газа и подачу газа в смеситель 5 узла подготовки и зажигания смеси, заполняют одновременно все импульсные камеры 1 газовоздушной смесью. При помощи высоковольтных разрядов от запальника 14, с паузой между разрядами, достаточной для заполнения газовоздушной смесью импульсных камер 1, происходит ее воспламенение в демпфере 3 узла подготовки и зажигания смеси, пламя через пламепроводы поступает в импульсные камеры 1 и инициирует взрыв газовоздушной смеси одновременно во всех импульсных камерах. Осуществляется одновременное количество взрывов газовоздушной смеси в импульсных камерах, достаточное для очистки поверхностей нагрева. После осуществления заданного количества взрывов происходит остановка газоимпульсной очистки и автоматическое приведение всех ее элементов в исходное состояние в соответствии с программой.
Управление процессом автоматической газоимпульсной очистки осуществляется посредством комплекса управления, состоящего из электромагнитного клапана газа 6, вентилятора 11, электроприводной задвижки газовой 12, запальника 14, блока исполнительного 15, блока управления 16.
Заявленное изобретение повышает степень автоматизации, так как решает задачу применения автоматической газоимпульсной очистки в условиях отрицательных температур наружного воздуха, повышения надежности и эффективности ее работы, сокращения продолжительности цикла очистки, увеличения сроков годности ее узлов.
Предложенный способ автоматической газоимпульсной очистки поверхностей нагрева получил широкое внедрение на нефтенагревательных печах и котлах-утилизаторах и показал высокую надежность и эффективность, в том числе при открытой компоновке в условиях отрицательных температур наружного воздуха.
Источники информации
1. Патент РФ 2199069, 2003 г.
Формула изобретения
Способ автоматической газоимпульсной очистки поверхностей нагрева камер конвекции нефтенагревательных печей, включающий удаление конденсата из демпфера и из каждой линии пламепроводов, продувку пламепроводов воздухом с заданным интервалом времени, продувку трубопровода подачи газа, заполнение импульсных камер газовоздушной смесью, осуществление высоковольтных разрядов с интервалом времени, достаточным для заполнения импульсных камер, осуществление взрывов газовоздушной смеси в импульсных камерах заданное количество раз и с заданным интервалом времени, отличающийся тем, что удаление конденсата из демпфера узла подготовки и зажигания смеси, расположенного над импульсными камерами, и всех пламепроводов происходит одновременно и непрерывно для исключения образования конденсата в демпфере и пламепроводах, при этом сначала открывается электроприводная задвижка на линии подачи газа, а после ее полного открытия включается в работу вентилятор и осуществляется одновременная продувка всех пламепроводов воздухом в течение заданного времени, открывается электромагнитный клапан на линии подачи газа и в течение заданного времени осуществляется одновременное заполнение всех импульсных камер газовоздушной смесью, после чего начинают подаваться высоковольтные разряды с интервалом времени, достаточным для одновременного заполнения всех импульсных камер газовоздушной смесью, происходят взрывы газовоздушной смеси одновременно во всех импульсных камерах и при достижении заданного количества взрывов осуществляется остановка газоимпульсной очистки.
РИСУНКИ
|
|