|
|
(21), (22) Заявка: 2007135413/06, 24.09.2007
(24) Дата начала отсчета срока действия патента:
24.09.2007
(46) Опубликовано: 10.06.2009
(56) Список документов, цитированных в отчете о поиске:
RU 2269070 С2, 27.01.2006. RU 2227214 С2, 20.04.2004. RU 2270345 С2, 20.02.2006. US 3486489 А, 30.12.1969. DE 3002098 А1, 23.07.1981. WO 02/090730 А1, 14.11.2002.
Адрес для переписки:
440028, г.Пенза, ул. Титова, 28, ГОУ ВПО “Пензенский государственный университет архитектуры и строительства”
|
(72) Автор(ы):
Салмин Владимир Васильевич (RU), Галахов Андрей Александрович (RU)
(73) Патентообладатель(и):
ГОУ ВПО “Пензенский государственный университет архитектуры и строительства” (RU)
|
(54) СИСТЕМА СМАЗКИ ДВС С ТЕРМОРЕГУЛИРУЕМЫМ МАСЛЯНЫМ РАДИАТОРОМ
(57) Реферат:
Изобретение относится к теплоэнергетике и может быть использовано в двигателях внутреннего сгорания, в частности в смазочных системах ДВС. Система смазки двигателя внутреннего сгорания, состоящая из масляного радиатора с изменяемой площадью охлаждающей поверхности теплообмена, содержащего телескопические перепускные трубки, согласно изобретению дополнительно содержит механизм управления с датчиком положения рейки топливного насоса высокого давления, рейкой топливного насоса высокого давления, блоком управления и исполнительным механизмом, который через привод перемещает подвижный бачок масляного радиатора, увеличивая площадь охлаждающей поверхности. Изобретение обеспечивает улучшение эффективных показателей работы дизеля на различных нагрузочно-скоростных режимах работы путем поддержания оптимального температурного режима в смазочной системе. 1 ил.
Изобретение относится к теплоэнергетике и может быть использовано в двигателях внутреннего сгорания, в частности в смазочных системах ДВС.
Известен теплообменник (см. а.с. 1160223, кл. F28D 7/00, опубл. 07.06.85 г.), содержащий камеры для теплоотдающей и тепловоспринимающей сред, разделенные трубной решеткой с закрепленным пучком тепловых труб; пучок стержней, установленных в межтрубном пространстве с возможностью перемещения приводом, камера для тепловоспринимающей среды снабжена установленным на входе последней электроконтактным манометром, соединенным через регулятор с приводом перемещения пучка стержней.
Недостатком этого теплообменника является большая трудоемкость изготовления.
Известен теплообменник (см. а.с. 1590920, кл. F28D 15/00, опубл. 07.09.90 г.), содержащий телескопически установленные одна в другую тепловые трубы с подвижной внутренней из них, введенной в полость вала, и неподвижной наружной частью, жестко закрепленной на валу и соединенной с подвижной частью посредством пружины, размещенной внутри трубы.
Недостатками данного теплообменника являются применение высокотоксичных веществ в качестве охлаждающих сред, потери мощности на привод теплообменника, большая трудоемкость изготовления и большие эксплуатационные издержки.
Наиболее близкой к предлагаемой по техническому существу и достигаемому результату является система смазки двигателя внутреннего сгорания (патент РФ 2269070), содержащая масляный радиатор с изменяемой площадью охлаждаемой поверхности, включающий в себя патрубок подвода масла к термоклапану, патрубок отвода масла от термоклапана, патрубок подвода масла от термоклапана к неподвижному бачку 5 масляного радиатора, подвижный бачок, перепускные телескопические трубки, уплотнительные устройства, термоклапанов, пружины равной упругости для обеспечения возвратно-поступательного движения подвижной части масляного радиатора относительно неподвижную; привод, состоящий из системы тяг и рычагов с возможностью регулирования их длины при помощи гаек, неподвижную опору, вакуумный регулятор, соединенный с впускным трубопроводом системы питания двигателя с дроссельной заслонкой через патрубок, датчик температуры, установленный в нижней перепускной телескопической трубке; термореле, электромагнитный клапан, установленный в патрубке.
Недостатком указанной системы смазки является невозможность ее применения на дизельном двигателе из-за качественного принципа регулирования его работы.
Технической задачей изобретения является улучшение эффективных показателей работы дизеля на различных нагрузочно-скоростных режимах работы путем поддержания оптимального температурного режима в смазочной системе.
Поставленная задача решается за счет того, что система смазки двигателя дизеля, состоящая из масляного радиатора с изменяемой площадью охлаждающей поверхности теплообмена, содержащего телескопические перепускные трубки, дополнительно содержит механизм управления с датчиком положения рейки топливного насоса высокого давления, рейкой топливного насоса высокого давления, блоком управления и исполнительным механизмом, который через привод перемещает подвижный бачок масляного радиатора, увеличивая площадь охлаждающей поверхности.
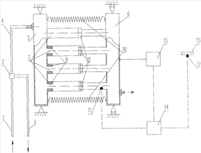
Изобретение поясняется чертежом.
Смазочная система дизеля состоит из 1, 4 – патрубков подвода моторного масла; 2 – термоклапана; 3 – патрубка отвода моторного масла; 5 – неподвижного бачка масляного радиатора; 6 – подвижного бачка масляного радиатора; 7 – перепускных телескопических трубок; 8 – уплотнителей; 9 – термоклапанов; 10 – пружин; 11 – датчика температуры моторного масла; 12 – датчика положения рейки топливного насоса высокого давления; 13 – рейки топливного насоса высокого давления; 14 – блока управления, 15 – исполнительного механизма.
Устройство работает следующим образом.
При работе дизеля моторное масло по патрубку 1 поступает к термоклапану 2, который открывается при достижении рабочей температуры моторного масла 80-85°С. Если рабочая температура ниже данного значения, масло по патрубку 3 поступает в главную масляную магистраль.
При достижении данной температуры моторное масло через термоклапан 2 поступает по патрубку 4 в неподвижный бачок масляного радиатора 5. При охлаждении масло перетекает по верхней телескопической трубке 7 и попадает в подвижный бачок 6. При дальнейшем увеличении температуры моторного масла последовательно открываются термоклапаны 9, находящиеся в телескопических трубках 7, которые рассчитаны на температуры, лежащие в интервалах 85-90, 90-95, 95-100°С соответственно.
Рост нагрузки на дизель увеличивает количество теплоты, поступающей в моторное масло. Перепуска масла по телескопическим трубкам 7 для поддержания оптимальной температуры оказывается недостаточно и возникает потребность в увеличении площади охлаждающей поверхности масляного радиатора. При перетекании масла по нижней телескопической трубке 7 оно воздействует на датчик температуры 11, посылающий сигнал на блок управления 14, включающий в работу исполнительный механизм 15.
При росте нагрузки увеличивается цикловая подача топлива в цилиндры дизеля, что приводит к изменению положения рейки топливного насоса высокого давления 13. Изменение положения рейки 13 регистрируется датчиком 12, сигнал с которого поступает на блок управления 14. Блок управления 14 посылает управляющий сигнал исполнительному механизму 15, который через привод перемещает подвижный бачок масляного радиатора, увеличивая площадь охлаждающей поверхности.
При дальнейшем росте нагрузки охлаждающая поверхность масляного радиатора возрастает до максимального значения.
При уменьшении нагрузки на дизельный двигатель происходит обратный процесс.
Таким образом, в зависимости от нагрузочного режима работы дизельного двигателя подвижный бачок 6 масляного радиатора занимает определенное положение относительно неподвижного бачка 5, обеспечивающее поддержание оптимальной температуры моторного масла в зависимости от нагрузочно-скоростного режима работы дизеля.
Формула изобретения
Система смазки двигателя дизеля, состоящая из масляного радиатора с изменяемой площадью охлаждающей поверхности теплообмена, содержащего телескопические перепускные трубки, отличающаяся тем, что дополнительно содержит механизм управления с датчиком положения рейки топливного насоса высокого давления, рейкой топливного насоса высокого давления, блоком управления и исполнительным механизмом, который через привод перемещает подвижный бачок масляного радиатора, увеличивая площадь охлаждающей поверхности.
РИСУНКИ
|
|