|
|
(21), (22) Заявка: 2008103126/14, 31.01.2008
(24) Дата начала отсчета срока действия патента:
31.01.2008
(46) Опубликовано: 10.06.2009
(56) Список документов, цитированных в отчете о поиске:
RU 2240767 C1, 27.11.2004. RU 2128493 C1, 10.04.1999. RU 2219892 С1, 27.12.2003. WO 2006/067822 A1, 29.06.2006. WO 98/07401 A2, 26.02.1998.
Адрес для переписки:
121087, Москва, ул.Новозаводская, 8, корп.4, кв.34, А.В.Сивачеву
|
(73) Патентообладатель(и):
Общество с ограниченной ответственностью “ВентАрт” (RU)
|
(54) АППАРАТ ИСКУССТВЕННОЙ ВЕНТИЛЯЦИИ ЛЕГКИХ
(57) Реферат:
Изобретение относится к медицинской технике и может использоваться в отделениях хирургии, анестезиологии и интенсивной терапии. Аппарат содержит блок управления, дыхательный блок и блок подачи кислорода. Блок управления 1 включает контроллер, первый многоразрядный вход которого подключен соответственно к первому, второму и третьему датчикам угла поворота. Каждый из датчиков через соединительные муфты подключен к первому, второму и третьему шаговым двигателям. Блок управления содержит преобразователь давления, распределитель воздушного потока. Дыхательный блок включает дроссели в линии вдоха, генератор потока, датчики расхода, стабилизатор давления, обратные клапаны, предохранительный клапан 16, тройник пациента 20, линии вдоха 34 и линию выдоха 35, третий дроссель 25, третий шаговый двигатель 13, пережимной клапан 28, обратный клапан выдоха 24 и саморасправляющийся мешок. Блок подачи кислорода содержит датчик давления, стабилизатор давления, пропорциональный клапан, датчик расхода. Изобретение позволяет обеспечить высокую точность дозирования дыхательного объема, отказаться от разделительного меха, реализовать оптимальные физиологические формы режимов вентиляции и поддерживать в случае необходимости заданное постоянное положительное давление в соответствии с заданной программой. 2 ил.
Изобретение относится к медицинской технике, а именно к устройствам для проведения искусственной вентиляции легких (ИВЛ), и найдет применение в отделениях хирургии, анестезиологии и интенсивной терапии.
Известен аппарат ИВЛ (патент РФ 2128493, А61Н 31/02), содержащий блок высокого давления с регулятором давления, инжектором, регулятором потока газа и реле давления, блок меха с регулятором дыхательных объемов и концевым выключателем инжектора, преобразователь давления, пневмопереключатель, дыхательный контур и блок управления.
Известный аппарат ИВЛ имеет существенные недостатки: перемещение разделительного меха осуществляется медицинским газом (кислородом или воздухом), поступающим от пневматического привода аппарата, более того, пневмопереключатель, служащий в пневмоприводе аппарата для коммутации газовых потоков, при своей работе также использует сжатый медицинский газ. Таким образом усложняется конструкция аппарата, что снижает в целом его эксплуатационные характеристики.
Известен аппарат ИВЛ (патент РФ 2219892, A 61 Н 31/02), содержащий блок управления с электроприводом и преобразователем давления, пневматически связанным с тройником пациента, дыхательный блок, включающий разделительный мех, связанный через передачу «винт-гайка» с электроприводом, линии вдоха и выдоха пациента, соединенные с тройником пациента. Линия вдоха пневматически связана с разделительным мехом. Аппарат содержит обратный клапан, установленный на линии вдоха, и мембранные управляемые клапаны, установленные на линиях вдоха и выдоха пациента, управляемые генераторами пневматических импульсов в виде мембраны с центральным соплом и клапана, кинематически связанного с якорем электромагнита. Надмембранная полость генераторов пневматически связана с соответствующими мембранными управляемыми клапанами на линиях вдоха и выдоха, а подмембранная полость – с выходом дозатора газовых смесей и дыхательным мешком. Блок подачи дыхательной смеси аппарата содержит дозатор газовой смеси, вход которого пневматически связан с источником сжатых медицинских газов, а выход – с дыхательным мешком, предохранительным клапаном и клапаном подсоса атмосферного воздуха, а также с разделительным мехом через обратный клапан.
Аппарат ИВЛ по патенту РФ 2219892 имеет существенные конструктивные и эксплуатационные недостатки, которые значительно ограничивают эффективность его применения в медицинской практике.
Так, в частности генератором дыхательного потока является мех, который с помощью электродвигателя осуществляет возвратно-поступательные движения, обеспечивая тем самым искусственную вентиляцию легкий. Существуют медицинские методики, которые требуют поддержание положительного давления на протяжении длительного времени при самостоятельном дыхании. Запатентованная пневматическая схема данного аппарата ИВЛ непригодна для реализации подобной методики.
Существенным конструктивным недостатком рассматриваемого аппарата является невозможность точного дозирования дыхательного объема в широком диапазоне, требуемом при использовании аппарата у взрослых, детей и новорожденных (20-2000 мл). В случае большой минутной вентиляции инерционность подвижной крышки мехов и деталей механической передачи затрудняет остановку в точно заданном месте, а большой внутренний объем разделительного меха значительно увеличивает растяжимость аппарата, что затрудняет дозирование малых объемов с учетом низких значений и вариабельности растяжимости легких детей и новорожденных.
Известен аппарат ИВЛ (патент РФ 2240767, А61Н 31/02), наиболее близкий по технической сущности и схемотехнической реализации к патентуемому изобретению, который принят в качестве прототипа.
Аппарат ИВЛ, приведенный в патенте РФ 2240767, содержит дыхательный блок, блок управления и блок подачи дыхательной смеси.
Дыхательный блок включает два разделительных меха, установленных между подвижной и неподвижной крышками, последняя из которых приводится в движение с помощью вращения ротора электромотора. В области выступа крышки установлены концевые выключатели.
Дыхательный блок содержит два пневматических переключателя, электрический переключатель и мембранный клапан. В линии вдоха дыхательного контура установлен обратный клапан, а в линии выдоха – мембранный клапан, управляемый пневмосигналом через переключатель от генератора пневматических импульсов. Линии вдоха и выдоха соединены с тройником пациента гибкими шлангами.
В блок управления входят контролер, преобразователь давления, мембранный клапан, генератор пневматических импульсов и электродвигатель.
Блок подачи дыхательной смеси содержит дозатор газовой смеси, клапан подсоса атмосферного воздуха, дыхательный мешок-ресивер и предохранительный клапан. Газ из мешка-ресивера поступает в меха через клапан.
Для аппарата ИВЛ, реализованного по патенту РФ 2240767, характерны те же существенные конструктивные и эксплуатационные недостатки, которые выявлены в известном аппарате ИВЛ (патент РФ 2219892).
Сдвоенные меха увеличивают точность вдувания объема смеси, но не позволяют поддерживать длительное время положительное давление в режимах самостоятельного дыхания и двухфазной вентиляции. Габаритные детали меха и их инерционность снижают точность дозирования дыхательного объема.
Существенным недостатком настоящего аппарата является низкая точность подачи процентного содержания кислорода в каждом дыхательном цикле. Растяжимость мешка-ресивера имеет нелинейную характеристику. В разные фазы дыхания (вдох, выдох и при положительном давлении в конце выдоха (ПДКВ)) в мешок-ресивер поступает разное количество кислорода, кроме этого, каждая резиновая камера имеет свой коэффициент растяжимости, т.е. разное сопротивление блоку подачи дыхательной смеси. Исходя из этого, невозможно произвести точную настройку аппарата в каждом дыхательном цикле на заданное процентное содержание кислорода.
Настоящее изобретение решает задачу
повышения точности дозирования дыхательного объема от 20 до 2500 мл и поддержания точного дозирования кислорода в каждом дыхательном цикле;
обеспечения оптимальной физиологичной формы режимов вентиляции;
обеспечения заданного постоянного положительного давления в режимах самостоятельного дыхания и в режимах двухфазной вентиляции;
повышения надежности и стабильности работы аппарата.
Решение поставленной технической задачи достигается следующим образом.
Аппарат искусственной вентиляции легких, подобный аппарату ИВЛ, приведенному в патенте РФ 2240767, и содержащий блок управления, дыхательный блок и блок подачи кислорода, согласно изобретению отличается принципиально новым схемотехническим выполнением каждого из трех его составляющих блоков.
Так, блок управления содержит контроллер, первый многоразрядный вход которого подключен соответственно к первому, второму и третьему датчикам угла поворота. Каждый датчик угла поворота через соответствующие первую, вторую и третью соединительные муфты, установленные на валу шагового двигателя, подключен соответственно к первому, второму и третьему шаговому двигателю. Блок управления содержит преобразователь давления, подключенный к первому многоразрядному входу контроллера и пневматически связанный с линией выдоха через распределитель воздушной среды. Предусмотрено, что выходы преобразователя давления и распределителя воздушной среды соединены с атмосферой.
Согласно изобретению дыхательный блок содержит первый и второй дроссели в линии вдоха. Каждый из дросселей подключен соответственно к валу первого и второго шагового двигателя. Блок содержит генератор потока, который подключен к источнику электрического питания и пневматически к первому и второму дросселям и первому стабилизатору давления. Предусмотрено, что генератор потока имеет выход для соединения с атмосферой. Выходы первого и второго дросселей пневматически связаны с первым датчиком расхода и первым стабилизатором давления, выход которого подключен к атмосфере, и с первым обратным клапаном. Выход датчика расхода связан с предохранительным клапаном и тройником пациента в линии вдоха. Линия выдоха соединена с тройником пациента и пневматически с распределителем воздушной смеси и с третьим дросселем, который подключен к валу третьего шагового двигателя и пережимному клапану. Выход пережимного клапана соединен с выходом третьего дросселя и с выходом обратного клапана выдоха, выход которого соединен с атмосферой через второй датчик расхода. Пневматический вход обратного клапана выдоха соединен через второй обратный клапан с входом первого обратного клапана с атмосферой и саморасправляющимся мешком.
Согласно изобретению блок подачи кислорода содержит датчик давления, один выход которого связан с атмосферой, а другой пневматически связан со входом второго стабилизатора давления и со входом, предназначенным для подключения источника высокого давления. Выход второго стабилизатора давления подключен ко входу пропорционального клапана, который пневматически связан с третьим датчиком расхода.
Изобретением предусмотрено, что второй многоразрядный вход контроллера подключен соответственно к первому, второму, третьему датчику расхода, к датчику давления. Первый, второй, третий, четвертый выходы контроллера подключены соответственно ко входу первого, второго шагового двигателя, входу пропорционального клапана, входу третьего шагового двигателя, входу распределителя воздушной смеси и входу пережимного клапана. Источник питания подключен ко входу контроллера, а двунаправленная многоразрядная шина контроллера предназначена для подключения к центральному процессору.
Технический результат патентуемого аппарата ИВЛ заключается в том, что разработанное изобретение позволяет
обеспечить высокую точность дозирования дыхательного объема за счет принципиально новой и эффективной конструктивной реализации дыхательного блока, который выполнен в виде программно-управляемых дросселей, установленных непосредственно на вал шагового двигателя. Патентуемое решение позволяет отказаться от традиционного используемого в подобных случаях разделительного меха;
реализовать оптимальные физиологичные формы режимов вентиляции и поддерживать в случае необходимости заданное постоянное положительное давление длительное время в соответствии с заданной программой;
в любой фазе дыхания осуществлять точное дозирование и контроль процентного содержания кислорода, установленного врачом;
благодаря реализованным в аппарате оригинальным конструктивным решениям патентуемый аппарат может одинаково эффективно использоваться для проведения ИВЛ у новорожденных, детей и взрослых;
осуществлять контролируемую ручную вентиляцию и обеспечивать возможность реализации широкого спектра режимов вентиляции, включая самостоятельное дыхание с многоуровневым положительным давлением и различными формами подачи дыхательной смеси;
обеспечить заданное постоянное положительное давление в режимах самостоятельного дыхания и в режимах двухфазной вентиляции, обеспечить более точную дозировку дыхательного объема от 20 до 2500 мл и поддерживать точное дозирование кислорода в каждом дыхательном цикле.
Сущность изобретения поясняется описанием варианта конструктивной реализации патентуемого аппарата ИВЛ и графическими материалами, на которых представлены:
фиг.1 – блок-схема патентуемого аппарата ИВЛ;
фиг.2 – укрупненная блок-схема алгоритма работы контроллера.
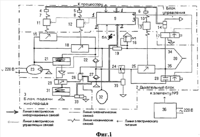
Патентуемый аппарат искусственной вентиляции легких (ИВЛ) содержит блок управления 1, дыхательный блок 2 и блок подачи кислорода 3.
Блок управления 1 осуществляет программное управление режимами вентиляции, обеспечивает установку параметров вентиляции, осуществляет контроль и коррекцию жизненно важных параметров ИВЛ.
Блок управления 1 включает контроллер 9, первый многоразрядный вход которого подключен соответственно к первому (блок 4), второму (блок 5) и третьему (блок 6) датчикам угла поворота. Каждый из датчиков 4, 5 и 6 через первую (элемент 7), вторую (элемент 8) и третью (элемент 10) соединительные муфты, установленные на валу шагового двигателя, подключен к первому (блок 11), второму (блок 12) и третьему (блок 13) шаговым двигателям.
Контроллер 9 осуществляет все операции по управлению аппаратом ИВЛ: расчеты, логические операции, обработку аналогового сигнала в электрические сигналы управления, формирование управляющих сигналов шаговыми двигателями и т.д.
Контроллер 9 выполнен на основе микропроцессорного контроллера, например фирмы ATMEL AT 90 mega 103 (см., например, Справочник «Изделия и компоненты, предлагаемые фирмой «КТЦ-МК». Микроконтроллеры фирмы Atmel семейства AVR. Издательство «КТЦ-МК»).
Контроллер 9 осуществляет управление аппаратом в соответствии с разработанной программой. Укрупненная блок-схема алгоритма работы аппарата приведена на фиг.2. Полная и подробная документация о программном обеспечении работы патентуемого аппарата ИВЛ содержится в технической документации заявителя.
Блок управления 1 содержит преобразователь давления 14, подключенный к первому многоразрядному входу контроллера 9 и пневматически связанный с линией выдоха 35 через распределитель 17. Выходы преобразователя давления 14 и распределителя 17 соединены с атмосферой.
Дыхательный блок 2 включает первый 15 и второй 18 дроссели в линии вдоха 34. Дроссели 15 и 18 подключены соответственно к первому (блок 11) и второму (блок 12) валу шагового двигателя.
Дыхательный блок 2 содержит генератор потока 23, который подключен к источнику электрического питания и пневматически к первому 15 и второму 18 дросселям и первому стабилизатору давления 21. Генератор потока 23 имеет выход для соединения с атмосферой.
Выходы первого 15 и второго 18 дросселя пневматически связаны с первым датчиком расхода 19 и первым стабилизатором давления 21, выход которого подключен к атмосфере, и с первым обратным клапаном 22. Выход датчика расхода 19 связан с предохранительным клапаном 16 и тройником пациента 20 в линии вдоха 34.
Линия выдоха 35 соединена с тройником пациента 20, пневматически с распределителем воздушной смеси 17 и с третьим дросселем 25, который подключен к валу третьего шагового двигателя 13 и пережимному клапану 28. Выход пережимного клапана 28 соединен с выходом третьего дросселя 25 и с выходом обратного клапана выдоха 24.
Выход обратного клапана выдоха 24 соединен с атмосферой через второй датчик расхода 30, пневматический вход обратного клапана выдоха 24 соединен через второй обратный клапан 27 с входом первого обратного клапана 22 с атмосферой и саморасправляющимся мешком 32.
Блок подачи кислорода 3 содержит датчик давления 33, один выход которого связан с атмосферой, а другой пневматически связан со входом второго стабилизатора давления 31 и с входом, предназначенным для подключения к источнику высокого давления.
Выход второго стабилизатора давления 31 подключен ко входу пропорционального клапана 29, который пневматически связан с третьим датчиком расхода 26.
Второй многоразрядный вход контроллера 9 подключен соответственно к первому 19, второму 30, третьему 26 датчикам расхода, к датчику давления 33.
Первый, второй, третий и четвертый выходы контроллера 9 подключены соответственно ко входу первого 11, второго 12 шагового двигателя, входу пропорционального клапана 29, входу третьего шагового двигателя 13, входу распределителя воздушной смеси 17 и входу пережимного клапана 28, а двунаправленная многоразрядная шина контроллера 9 предназначена для подключения к центральному процессору.
Патентуемый аппарат содержит источник питания 36, выход которого подключен к входу контроллера 9.
Относительно конкретики схемно-технической реализации патентуемого аппарата ИВЛ необходимо пояснить следующее. Специалисты, работающие в области разработки аппаратов ИВЛ, располагают соответствующими знаниями о наличии многообразных конкретных технических средств для конечной реализации каждого узла и блока патентуемого аппарата, помимо тех средств, что приведены в качестве возможных вариантов реализаций. Конкретная техническая реализация отдельных элементов и узлов разработанного устройства не представляет труда для специалистов, поскольку вытекает из уровня техники на основе практических данных и включает в себя известные современные и стандартные элементы и компоненты.
Разработанный аппарат ИВЛ работает следующим образом.
От центрального процессора по двунаправленной шине к контроллеру 9 поступает информация в соответствии с заданным режимом вентиляции.
Контроллер 9 считывает информацию с датчиков угла поворота 4, 5, 6, механически связанных через муфты 7, 8, 10 и через оси шаговых двигателей 11, 12, 13 с дросселями 15, 18, 25, определяя их положение. Далее рассчитывается результат рассогласования для каждого дросселя 15, 18, 25 между заданной и считанной информацией. В соответствии с результатом контроллер 9 осуществляет поворот шаговых двигателей 11, 12, 13, компенсируя угол рассогласования, и тем самым устанавливает заслонки дросселей 15, 18, 25 в заданное положение. В фазе вдоха дроссель 25 и пережимной клапан 28 устанавливаются контроллером 9 в закрытое состояние. От генератора потока 23 через открытые дроссели 15 и 18 и датчик расхода 19 воздушный поток попадает в линию вдоха 34. С помощью этого датчика 19 определяется истинная скорость потока в линии вдоха 34 и передается в виде аналогового электрического сигнала в контроллер 9. В памяти контроллера 9 происходит сравнение информации заданной скорости со скоростью, принятой от датчика расхода 19. В зависимости от знака и величины рассогласования, с помощью шаговых двигателей 11, 12 происходит коррекция положения заслонок дросселей 15 и 18, причем заслонка дросселя 15 служит для грубой настройки, заслонка дросселя 18 – для тонкой настройки воздушного потока. Окончательный результат положения заслонок дросселей 15 и 18 в конце цикла вдоха фиксируется датчиками угла поворота 4, 5 и запоминается в памяти контроллера. В следующем цикле вдоха с помощью шаговых двигателей 11 и 12 заслонки дросселей 15 и 18 будут установлены в это же положение и алгоритм подстройки повторится. Управляя заслонками дросселей 15 и 18 с помощью шаговых двигателей в соответствии с программой контроллера 9, можно создавать любую форму вдувания. Для предотвращения баротравмирования легких пациента при нештатных ситуациях или при ручной вентиляции от соморасправляющегося мешка 32 в линию вдоха 34 включен механический предохранительный клапан 16, который ограничивает предельно допустимое давление в линии вдоха 34 и выдоха 35 пациента.
Фаза выдоха начинается с команды контроллера 9 одновременного закрытия дросселей 15 и 18 с помощью шаговых двигателей 11, 12 и открытия дросселя 25 шаговым двигателем 13 и пережимного клапана 28. Положение заслонок дросселей 15, 18, 25 контролируется датчиками угла поворота 4, 5, 6. Регистрация давления в линии вдоха 34 и выдоха 35 осуществляется контроллером 9 с помощью датчика преобразования давления в электрический сигнал 14. Преобразователь давления 14 подключен к линии выдоха 35 через распределитель 17. Распределитель 17 служит для компенсации ошибки измерения, возникающей при изменении атмосферного давления, периодически соединяя вход преобразователя 14 с атмосферой. С выходов дросселя 25 и пережимного клапана 28 выдыхаемая смесь попадает через обратный клапан выдоха 24 и датчик расхода 30 в атмосферу. Зная объем входящего потока в линии вдоха 34 и объем выходящего потока в линии выдоха 35, контроллер определяет герметичность системы. Пережимной клапан 28 служит для уменьшения сопротивления выдоха, т.е. для облегчения выдоха.
В режимах, в которых присутствует положительное давление в конце фазы выдоха (ПДКВ), работа дросселя 15, 18, 25 и пережимного клапана 28 осуществляется по следующему алгоритму. После окончания фазы вдоха контроллер 9 устанавливает заслонки дросселей 15 и 18 в положение, при котором через линию 34 вдоха мог проходить заданный опорный поток, а дроссель 25 и пережимной клапан 28 устанавливаются в начальный момент выдоха в открытое состояние. По мере уменьшения давления в линии вдоха и выдоха 34 и 35 контроллер 9 определяет момент закрытия пережимного клапана 28 и не полного прикрытия заслонки дросселя 25. При этом в линии вдоха 34 и выдоха 35 создается положительное давление, которое измеряется преобразователем давления 14 и передается в контроллер 9 для сравнения с заданным значением. В соответствии с результатом рассогласования контроллер 9 устанавливает заслонку дросселя 25 с помощью шагового двигателя 13 и датчика угла поворота 6 в положение, обеспечивающее заданное ПДКВ. Данное положение запоминается в памяти контроллера 9 и в следующем цикле при достижении определенного давления контроллер 9 сразу устанавливает заслонку дросселя 25 в это же положение. На протяжении всего времени выдоха происходит контроль и коррекция ПДКВ.
В случае работы аппарата в режиме двухфазной вентиляции алгоритм работы аналогичен режиму создания ПДКВ. С помощью дросселей 15 и 18 создается опорный поток в линии вдоха 34 и выдоха 35. Дросселем 25 устанавливается заданное давление, при этом пережимной клапан 28 находится в закрытом состоянии и пациент может самостоятельно дышать на фоне этого давления продолжительное время. Установка нового порога давления достигается новым положением заслонки дросселя 25.
Задача стабилизатора давления 21 обеспечить стабильную постоянную разность давления между входами и выходами дросселей 15 и 18.
Процентное содержание кислорода обеспечивается следующим образом. В фазах вдоха или выдоха контроллер 9 открывает пропорциональный клапан 29 в соответствии с заданным значением и кислород через датчик потока 26 попадает на вход датчика потока 19. Воздушная смесь, состоящая из атмосферного воздуха и подводимого кислорода, поступает в линию вдоха 34 через датчик потока 19, Контроллер 9 на основе поступающей информации от датчиков потока 19 и 29 рассчитывает процентное содержание кислорода в смеси и в случае расхождения с заданной величиной процентного содержания кислорода и других заданных параметров осуществляет коррекцию потока кислорода пропорциональным клапаном 29 или дросселями 15 и 18. Все положения дросселей 15, 18 и пропорционального клапана 29 запоминаются в конце дыхательных фаз. В новом дыхательном цикле дроссели 15 и 18 и пропорциональный клапан устанавливаются в то же положение, обеспечивая заданное процентное содержание кислорода.
Датчик давления кислорода 33 сигнализирует контроллер о падении давления в подводящей магистрали. Стабилизатор 31 обеспечивает стабильное давление кислорода на входе в пропорциональный клапан.
При самостоятельном дыхании через аппарат контроллер 9 устанавливает дроссели 15 и 18 в закрытое состояние, а дроссель 25 и пережимной клапан 28 – в открытое состояние.
При вдохе воздушный поток через два обратных клапана 27, 22, датчик расхода и линию вдоха 34 поступает в легкие пациента. При выдохе обратные клапаны 22 и 27 закрываются и препятствуют попаданию выдыхаемого воздуха в линию вдоха 34. Выдыхаемый воздух по линии выдоха через открытые дроссель 25 и пережимной клапан 24, обратный клапан выдоха 24 и датчик расхода 30 попадает в атмосферу.
При ручной вентиляции, используемой при отсутствии напряжения, давление, создаваемое саморасправляющимся мешком 32, воздействует на мембрану обратного клапана выдоха 24 и закрывает линию выдоха. Воздушный поток, создаваемый, саморасправляющимся мешком 32 через обратный клапан 22, датчик потока 19 и линию вдоха 34, попадает в легкие пациента. При расправлении мешка 32 давление в камере обратного клапана выдоха 24 падает и линия выдоха 35 через нормально открытый пережимной клапан 28 и датчик потока 30 соединяется с атмосферой. Тем самым обеспечивается свободный выдох.
Проведенные испытания патентуемого аппарата ИВЛ подтвердили высокую надежность и стабильность его работы. По существу, патентуемый аппарат представляет собой новое поколение аппаратов ИВЛ, отличающихся современной элементной базой, эффективной и надежной системой программного управления всеми режимами вентиляции, высокой точностью дозирования дыхательного объема. По своим технико-экономическим и эксплутационным характеристикам патентуемый аппарат существенно превосходит отечественные и зарубежные разработки аналогичного назначения.
Формула изобретения
Аппарат искусственной вентиляции легких, содержащий блок управления, включающий контроллер, дыхательный блок, включающий тройник пациента, линию вдоха и линию выдоха, а также блок подачи кислорода, отличающийся тем, что блок управления содержит контроллер, первый многоразрядный вход которого подключен соответственно к первому, второму и третьему датчикам угла поворота, каждый из которых через соответствующую первую, вторую и третью соединительную муфту, установленную на валу шагового двигателя, подключен соответственно к первому, второму и третьему шаговому двигателю и преобразователь давления, подключенный к первому многоразрядному вдоху контроллера, и пневматически связанный с линией выдох через распределитель воздушной среды, выходы преобразователя давления и распределителя воздушной среды соединены с атмосферой, дыхательный блок содержит первый и второй дроссели в линии вдоха, каждый из которых подключен соответственно к валу первого и второго шагового двигателя, генератор потока, который подключен к источнику электрического питания и пневматически к первому и второму дросселям и первому стабилизатору давления, генератор потока имеет выход для соединения с атмосферой, выходы первого и второго дросселя пневматически связаны с первым датчиком расхода и первым стабилизатором давления, выход которого подключен к атмосфере, и с первым обратным клапаном, выход датчика расхода связан с предохранительным клапаном и тройником пациента в линии вдоха, линия выдоха соединена с тройником пациента и пневматически с распределителем воздушной смеси и с третьим дросселем, который подключен к валу третьего шагового двигателя и пережимному клапану, выход которого соединен с выходом третьего дросселя и с выходом обратного клапана выдоха, выход которого соединен с атмосферой через второй датчик расхода, пневматический вход обратного клапана выхода соединен через второй обратный клапан с входом первого обратного клапана с атмосферой, и саморасправляющимся мешком, блок подачи кислорода содержит датчик давления, один выход которого связан с атмосферой, а другой пневматически связан со входом второго стабилизатора давления и со входом, предназначенным для подключения источника высокого давления, выход второго стабилизатора давления подключен ко входу пропорционального клапана, который пневматически связан с третьим датчиком расхода, при этом второй многоразрядный вход контроллера подключен соответственно к первому, второму, третьему датчику расхода, к датчику давления, первый, второй, третий, четвертый выходы контроллера подключены соответственно ко входу первого, второго шагового двигателя, входу пропорционального клапана, входу третьего шагового двигателя, входу распределителя воздушной смеси и входу пережимного клапана, источник питания подключен ко входу контроллера, а двунаправленная многоразрядная шина контроллера предназначена для подключения к центральному процессору.
РИСУНКИ
|
|