|
|
(21), (22) Заявка: 2008101899/14, 24.01.2008
(24) Дата начала отсчета срока действия патента:
24.01.2008
(46) Опубликовано: 10.06.2009
(56) Список документов, цитированных в отчете о поиске:
Барокамеры и их системы жизнеобеспечения. T.11, 2004, с.14-65. RU 62815 U1, 10.05.2007. RU 2294187, 27.02.2007. US 5738093, 14.04.1998.
Адрес для переписки:
127083, Москва, А-83, Петровско-Разумовская аллея, 12А, ФГУ “ГосНИИИВМ Минобороны России”
|
(72) Автор(ы):
Мурашев Николай Владимирович (RU), Литвинов Авенир Михайлович (RU)
(73) Патентообладатель(и):
Федеральное государственное учреждение “Государственный научно-исследовательский испытательный институт военной медицины” Министерства обороны Российской Федерации (ФГУ “ГосНИИИ ВМ Минобороны России”) (RU)
|
(54) ДЫХАТЕЛЬНАЯ ЗАМКНУТАЯ СИСТЕМА ПАЦИЕНТА БАРОКАМЕРЫ
(57) Реферат:
Изобретение относится к кислородным системам, предназначенным для обеспечения длительного дыхания человека в условиях повышенного и пониженного давления. Технический результат – увеличение безопасности, производительности, экономии кислорода за счет повышения эксплуатационной надежности, стабильности параметров, облегчения выдоха и снижения расхода газовой смеси. Технический результат достигается тем, что управляющая магистраль регулятора подачи кислородно-газовой смеси или кислорода соединена с линией выхода и связи предохранительного устройства с атмосферой барокамеры. В этой линии выхода и связи установлен регулятор избыточного давления, а сама линия выхода и связи одновременно соединена с жестким корпусом дыхательного мешка и регулятором подачи газа. Параллельно регулятору подачи газовой смеси или кислорода введена линия продувки замкнутого дыхательного контура с перекрывным клапаном. В замкнутом дыхательном контуре между точками подключения предохранительного устройства и регулятора подачи газа установлен обратный клапан, а на входе в жесткий корпус дыхательного мешка подключен распределитель газа. 1 з.п. ф-лы, 1 ил.
Изобретение относится к кислородным системам, предназначенным для обеспечения длительного дыхания человека в условиях повышенного и пониженного давления, а также при наличии агрессивных сред и вредных примесей в химической промышленности, транспорте, в авиации, космосе, морском флоте и других областях, где внешние условия отличаются от нормальных гигиенических условий дыхания человека. Изобретение относится к медицинской технике и может быть использовано в системах гипербарической оксигенации для лечения и профилактики пациентов. Применяемые в медицинских учреждениях стран мира системы гипербарической оксигенации, выполненные в виде жестких металлических барокамер, очень громоздки и неудобны при транспортировке. Известны гибкие, мягкие трансформируемые барокамеры (Пат. 2076676, пат. США 5738093, 1998 г.), визуализация внутреннего объема которых из-за наличия ячеек усложнена, в них практически отсутствуют средства безопасности, приборы аварийного и медицинского контроля, сигнализации, недостаточен аудио- и видеомониторинг пациентов. Главную роль в этих барокамерах играют кислородные системы, предназначенные для обеспечения длительного дыхания пациентов в условиях повышенного и пониженного давления, а также при наличии агрессивных сред и вредных примесей, где внешние условия значительно отличаются от нормальных гигиенических условий дыхания человека. Так, известна кислородная система полузамкнутого типа, содержащая источник кислорода, соединенный через регулятор подачи с дыхательным контуром, включающим нагнетатель, регенерациониый патрон /1, 2/. Наиболее близкой по технической сущности к заявляемому устройству и выбранной в качестве прототипа является аварийная стационарная дыхательная система замкнутого типа для обеспечения дыхания водолазов аварийной газовой смесью в случае изменения заданного состава газовой среды в барокамере и наличия в ней вредных веществ более допустимых величин вследствие выхода из строя основной системы очистки газовой среды или пожара в барокамере /3/, содержащая источник кислорода, соединенный через шланг подачи газовой смеси из стационарного баллона, установленного снаружи барокамеры, через автомат вдоха дыхательной полумаски для поступления в легкие водолаза и обратного выброса через автомат-клапан выдоха в барокамеру. Недостатком этой системы-прототипа является большой расход кислорода из-за отсутствия устройств, синхронизирующих его подачу по фазам дыхания, и обеспечивающих безопасность пациента.
Задачей и техническим решением изобретения является повышение эффективности лечения и профилактики болезней пациентов в барокамере путем увеличения безопасности, производительности, экономии кислорода за счет повышения стабильности параметров, облегчения выдоха, снижения расхода газовой смеси или кислорода и увеличения эксплуатационной надежности дыхательной замкнутой системы ДЗС пациента.
Заданный технический результат достигается тем, что управляющая магистраль регулятора подачи кислородно-газовой смеси или чистого 100%-го кислорода соединена линией выхода и связи предохранительного устройства ДЗС с атмосферой барокамеры, причем в этой линии выхода и связи установлен регулятор избыточного давления, а сама линия выхода и связи одновременно соединена с жестким корпусом дыхательного мешка и регулятором подачи газа. Параллельно регулятору подачи газовой смеси или кислорода введена линия продувки замкнутого дыхательного контура с перекрывным клапаном, один конец которого подключен к входу регулятора подачи газа, а другой конец соединен с его выходом. Причем в замкнутом дыхательном контуре между точками подключения предохранительного устройства и регулятора подачи газа установлен обратный клапан, а на входе в жесткий корпус дыхательного мешка подключен распределитель газа. Последний выполнен в виде двухпозиционного клапана, соединенного через воздушный редуктор с входным воздушным штуцером, подключенным к источнику воздуха, а через второй кислородный редуктор распределитель газа подсоединен к кислородному баллону и (или) через четвертый редуктор он соединен с кислородно-газовым баллоном.
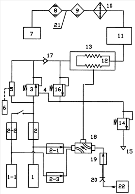
На чертеже приведена функциональная блок-схема предлагаемой дыхательной замкнутой системы пациента барокамеры.
Дыхательная замкнутая система пациента барокамеры содержит аварийный источник кислорода – кислородный баллон 1, резервный кислородно-газовый баллон 1-1, первый кислородный редуктор 2, второй кислородный редуктор 2-1, третий кислородно-газовый редуктор 2-2, четвертый кислородно-газовый редуктор 2-3, регулятор 3 подачи кислородно-газовой смеси или кислорода. Система дополнительно включает управляющую магистраль 4 регулятора 3 подачи газа, перекрывной клапан 5, узел 6 автоматики, нагнетатель 7, регенерационный патрон 8, осушитель 9, теплообменник 10, дыхательную маску 11, дыхательный мешок 12, жесткий корпус 13 дыхательного мешка 12, регулятор 14 избыточного давления, выходной воздушный патрубок 15 в атмосферу барокамеры, предохранительное устройство 16, обратный клапан 17, распределитель 18 газа, воздушный редуктор 19, воздушный входной штуцер 20, замкнутый дыхательный контур 21, источник воздуха 22.
Кислородно-газовый баллон 1-1 или кислородный баллон 1 соответственно через второй кислородный 2-1, первый кислородный 2, третий кислородно-газовый 2-2, четвертый кислородно-газовые 2-3 редукторы соединены с замкнутым дыхательным контуром 21, образованным последовательно соединенными нагнетателем 7, регенерационным патроном 8, осушителем 9, теплообменником 10, дыхательной маской 11, дыхательным мешком 12 и обратным клапаном 17. Предохранительное устройство 16 соединено с выходом эластичного дыхательного мешка 12 и входом регулятора 14 избыточного давления. Кроме того, выходной воздушный патрубок 15 предохранительного устройства 16 через регулятор избыточного давления соединен с управляющей магистралью 4 регулятора 3 подачи газа. Параллельно регулятору 3 подачи газовой смеси или кислорода установлена линия продувки, включающая перекрывной клапан 5. Один конец линии продувки подключен к регулятору 3 подачи, а другой – к его выходу. Обратный клапан 17 установлен в замкнутом дыхательном контуре 21 после выхода из дыхательного мешка 12 в предохранительное устройство 16. На входе в жесткий корпус 13 установлен распределитель 18 газа, выполненный в виде двухпозиционного клапана, подключенного через воздушный редуктор 19 к входному воздушному штуцеру 20, связанному с источником 22 воздуха, а через второй кислородный редуктор 2-1 – к кислородному баллону 1 или через четвертый редуктор 2-3 – к кислородно-газовому баллону 1-1.
Замкнутая дыхательная система пациента барокамеры работает следующим образом. Вентилирующий воздух, поступающий в систему через входной воздушный штуцер 20, воздушный редуктор 19, распределитель газа 18, сбрасывается в атмосферу барокамеры через регулятор 14 избыточного давления и выходной патрубок 15. В результате в жестком корпусе 13 мешка 12 и в управляющей магистрали 4 регулятора 3 подачи кислорода или кислородно-газовой смеси (КГС) устанавливается требуемая величина избыточного давления, определяющаяся настройкой регулятора избыточного давления 14. Если давление в замкнутом дыхательном контуре 21, т.е. в эластичном дыхательном мешке 12, меньше, чем давление в жестком корпусе 13 мешка 12 и в управляющей магистрали 4 регулятора 3 подачи кислорода или кислородно-газовой смеси, то регулятор 3 подачи открывается и заполняет замкнутый дыхательный контур 21 кислородно-газовой смесью или в аварийном случае кислородом. Когда давление в эластичном дыхательном мешке 12 уравняется с давлением в жестком корпусе 13 мешка 12, регулятор 3 подачи газа закрывается, прекращая доступ КГС или кислорода из источника 1-1, 1 в замкнутый дыхательный контур 21. Нагнетатель 7 прогоняет газовую смесь или кислород, содержащийся в замкнутом дыхательном контуре 21, через регенерационный патрон 8, осушитель 9, теплообменник 10. При поглощении КГС или кислорода в процессе дыхания и поглощении углекислого газа в процессе регенерации давление в замкнутом дыхательном контуре 21 падает, при этом периодически открывается регулятор 3 подачи, восполняя расход КГС или кислорода в замкнутом дыхательном контуре 21.
В процессе дыхания периодически срабатывает перекрывной клапан 5 по сигналу из узла 6 автоматики, обеспечивая продувку замкнутого дыхательного контура 21 чистым кислородом или кислородно-газовой смесью. Поток чистого газа при этом проходит через нагнетатель 7, регенерационный патрон 8, осушитель 9, теплообменник 10, дыхательную маску 11, эластичный дыхательный мешок 12, предохранительное устройство 16, регулятор 14 избыточного давления и выходной патрубок 15. При перерывах подачи вентилируемого воздуха, а также при проверках функционирования дыхательной системы распределитель газа 18 устанавливают в крайнее правое положение, открывая доступ кислородно-газовой смеси или кислорода в жесткий корпус 13, обеспечивая надежную работу замкнутой системы в течение короткого промежутка времени. Переключение распределителя газа 18 может осуществляться вручную и автоматически (схема управления переключением на чертеже условно не показана).
Положительный эффект предлагаемой дыхательной замкнутой системы пациента барокамеры заключается в исключении утечек кислорода или кислородно-газовой смеси и, как важный результат, уменьшении его расхода. В результате этого достигается снижение массы за счет баллонов. Повышена эксплуатационная надежность дыхательной системы, так как на входе в жесткий корпус 13 дыхательного мешка 12 отсутствует пневмоклапан, совершающий большое число циклов открываний и закрываний и поэтому быстро изнашивающийся в процессе эксплуатации. Значительно упрощена конструкция дыхательного мешка, так как исключена необходимость установки пружины и механически управляемых клапанов. При продувке замкнутого дыхательного контура 21 за счет установки обратного клапана 17 обеспечивается вентиляция дыхательного мешка 12, что способствует лучшей очистке контура 21 от азота и вредных примесей. При перерывах подачи вентилируемого воздуха и в процессе продувки замкнутого дыхательного контура 21 сохраняется стабильность параметров газовой смеси в замкнутом контуре 21, вследствие подачи кислорода, или кислородно-воздушной, или кислородно-гелиевой смеси в жесткий корпус 13 в зависимости от содержания газов в баллоне 1-1.
Источники информации
1. Уманский С.П. Снаряжение летчика и космонавта. М., Военное издательство, 1967. – С.138, рис.61.
2. Патент США 3292617, кл.128-146.5, 1966.
3. Смолин В.В., Соколов Г.М., Павлов Б.Н., Демчишин М.Д. Глубоководные водолазные спуски и их медицинское обеспечение. – 5.2. Барокамеры и их системы жизнеобеспечения. – Том 11. Фирма «Слово». ГНЦ РФ ИМБП РАН. 2004. С.14-65 (прототип).
Формула изобретения
1. Дыхательная замкнутая система пациента барокамеры, содержащая установленные снаружи барокамеры источники кислородно-газовой смеси и кислорода, соединенные через регулятор подачи с замкнутым дыхательным контуром пациента, включающим помещенный в жесткий корпус дыхательный эластичный мешок с предохранительным устройством, нагнетатель, регенерационный патрон, осушитель, теплообменник и дыхательную маску, содержащую ремни для крепления к лицу, а также трубопроводы с арматурой, отличающаяся тем, что в линии выхода и связи предохранительного устройства с атмосферой барокамеры установлен регулятор избыточного давления, а сама линия связана с полостью жесткого корпуса дыхательного мешка и регулятором подачи кислородно-газовой смеси или кислорода, параллельно регулятору подачи газовой смеси или кислорода введена линия продувки замкнутого дыхательного контура с перекрывным клапаном, в замкнутом контуре между точками подключения предохранительного устройства и регулятора подачи кислородно-газовой смеси и кислорода установлен обратный клапан, а на входе в полость жесткого корпуса – распределитель газа.
2. Система по п.1, отличающаяся тем, что распределитель газа выполнен в виде двухпозиционного клапана, подключенного к баллону с кислородно-газовой смесью, к баллону с кислородом и к источнику воздуха.
РИСУНКИ
|
|