|
|
(21), (22) Заявка: 2007128534/09, 24.07.2007
(24) Дата начала отсчета срока действия патента:
24.07.2007
(43) Дата публикации заявки: 27.01.2009
(46) Опубликовано: 27.05.2009
(56) Список документов, цитированных в отчете о поиске:
Радиотехнические системы. /Под ред. Ю.Д.Казаринова. – М.: Высшая школа, 1990, с.314, рис.14.10. RU 2192101 С2, 27.10.2002. RU 2231224 С2, 20.06.2004. RU 2208916 С1, 20.07.2003. WO 2005/006011 А1, 20.01.2005. US 4583048, 15.04.1986. ПРОКИС ДЖ. Цифровая связь. – М.: Радио и связь, 2000, с.260, рис.5.4.3; с.310, рис.6.3.5.
Адрес для переписки:
660074, г.Красноярск, ул. Киренского, 26, Политехнический институт СФУ, ПИО
|
(72) Автор(ы):
Бондаренко Валерий Николаевич (RU)
(73) Патентообладатель(и):
Федеральное государственное образовательное учреждение высшего профессионального образования “Сибирский федеральный университет” (СФУ) (RU)
|
(54) УСТРОЙСТВО СИНХРОНИЗАЦИИ ПРИЕМНИКА ШУМОПОДОБНЫХ СИГНАЛОВ С МИНИМАЛЬНОЙ ЧАСТОТНОЙ МАНИПУЛЯЦИЕЙ
(57) Реферат:
Изобретение относится к радиотехнике и может использоваться в приемниках шумоподобных сигналов с минимальной частотной манипуляцией. Достигаемый технический результат – повышение помехоустойчивости и точности синхронизации приемников шумоподобных сигналов с минимальной частотной манипуляцией. Устройство содержит блок фазовой синхронизации (2), включающий фазовый дискриминатор шумоподобного сигнала с минимальной частотной манипуляцией (4), петлевой фильтр (11) и синтезатор отсчетов несущей частоты (6), а также блок кодовой синхронизации (3), включающий когерентный временной дискриминатор шумоподобного сигнала с минимальной частотной манипуляцией (12), петлевой фильтр (14), управляемый генератор тактовой частоты (15), генератор кода (16), дешифратор (17) и синтезатор отсчетов опорных квадратурных сигналов (13). 1 ил.
Изобретение относится к области радиотехники и может использоваться в приемниках шумоподобных сигналов с минимальной частотной манипуляцией.
Известно устройство синхронизации корреляционного приемника сложных фазоманипулированных сигналов, содержащее первый и второй перемножители, сигнальные входы которых объединены, а выходы подключены к блоку некогерентной обработки ортогональных сигналов и сумматору, к выходу которого подключены последовательно соединенные полосовой фильтр, третий перемножитель и блок слежения за задержкой, выход которого подключен к синхронизирующему входу блока некогерентной обработки ортогональных сигналов [АС СССР 1046943, Мкл. H04B 1/10, 07.10.83].
Однако известное устройство обладает невысокой помехоустойчивостью и точностью синхронизации опорных сигналов.
Наиболее близким техническим решением к предлагаемому является устройство синхронизации приемника шумоподобных фазоманипулированных сигналов, содержащее блок фазовой синхронизации, включающий первый и второй перемножители, сигнальные входы которых объединены, а опорные входы подключены к выходу третьего перемножителя соответственно через фазовращатель на /2 и непосредственно, первый и второй интеграторы, входы которых подключены к выходам первого и второго перемножителей соответственно, а выходы соединены со входами четвертого перемножителя, к выходу которого подключены последовательно соединенные первый петлевой фильтр и управляемый генератор несущей частоты, выход которого соединен с одним из входов третьего перемножителя, блок кодовой синхронизации, включающий последовательно соединенные синхронный детектор и временной дискриминатор, выход которого соединен со входом пятого перемножителя, другой вход которого подключен к выходу решающего блока, к выходу пятого перемножителя подключены последовательно соединенные второй петлевой фильтр, управляемый генератор тактовой частоты и генератор кода, выходы которого соединены соответственно с опорными входами временного дискриминатора, а также другим входом третьего перемножителя, при этом опорный вход синхронного детектора подключен к выходу управляемого генератора несущей частоты, а выход решающего блока, подключенного к выходу первого интегратора, является выходом демодулятора приемника [Радиотехнические системы / Ю.П.Гришин, В.П.Ипатов, Ю.М.Казаринов и др. Под ред. Ю.М.Казаринова. – М.: Высш. шк., 1990, с.314 (рис.14.10)].
Недостаток известного устройства – потери в помехоустойчивости приема, обусловленные применением двухканального временного дискриминатора с «опережающим» и «задержанным» каналами.
Предлагаемое изобретение призвано решить задачу повышения помехоустойчивости и точности синхронизации опорных сигналов.
Поставленная задача решается тем, что в устройство синхронизации приемника шумоподобных сигналов с минимальной частотной манипуляцией, включающее блок фазовой синхронизации с фазовым дискриминатором, содержащим первый и второй перемножители, сигнальные входы которых объединены, первый и второй интеграторы, третий перемножитель, к выходу которого подключены последовательно соединенные первый петлевой фильтр и синтезатор отсчетов несущей частоты, квадратурные выходы которого соединены соответственно с опорными входами первого и второго перемножителей, блок кодовой синхронизации, включающий временной дискриминатор, к выходу которого подключены последовательно соединенные второй петлевой фильтр, управляемый генератор тактовой частоты и генератор кода, согласно изобретению в фазовый дискриминатор введены четвертый, пятый, шестой и седьмой перемножители, вычитатель и первый сумматор, а также решающий блок, вход которого соединен с выходом первого интегратора, при этом сигнальные входы четвертого и шестого, пятого и седьмого перемножителей попарно объединены и подключены к выходам соответственно первого и второго перемножителей, выходы четвертого и седьмого, пятого и шестого перемножителей объединены соответственно через вычитатель и первый сумматор, к выходам которых подключены первый и второй интеграторы соответственно, сигнальный вход третьего перемножителя подключен к выходу второго интегратора, опорный вход третьего перемножителя подключен к выходу решающего блока, который является выходом демодулятора приемника, в блок кодовой синхронизации введены восьмой и девятый перемножители, сигнальные входы которых соединены соответственно с выходами первого и второго перемножителей, второй сумматор, входы которого подключены к выходам восьмого и девятого перемножителей, а выход соединен со входом десятого перемножителя, другой вход которого подключен к инверсному выходу генератора кода, третий интегратор, подключенный по входу к выходу десятого перемножителя, одиннадцатый перемножитель, один вход которого соединен с выходом третьего интегратора, другой вход подключен к выходу решающего блока, а выход одиннадцатого перемножителя соединен со входом второго петлевого фильтра, синтезатор отсчетов опорных квадратурных сигналов, подключенный по входу к прямому выходу генератора кода, к дополнительным выходам которого подключен дешифратор, при этом квадратурные выходы синтезатора отсчетов опорных квадратурных сигналов соединены соответственно с объединенными опорными входами четвертого, пятого и девятого перемножителей и шестого, седьмого и восьмого перемножителей, а синхронизирующие входы первого, второго и третьего интеграторов объединены и подключены к выходу дешифратора.
Введение перечисленных узлов с описанными связями позволяет по сравнению с прототипом повысить помехоустойчивость и точность синхронизации опорных сигналов.
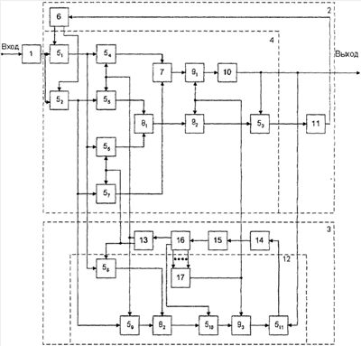
На фиг.1 приведена функциональная схема заявляемого устройства. Устройство синхронизации приемника шумоподобных сигналов с минимальной частотной манипуляцией содержит аналого-цифровой преобразователь 1, вход которого является входом устройства, блок 2 фазовой синхронизации и блок 3 кодовой синхронизации. Блок 2 фазовой синхронизации содержит фазовый дискриминатор 4, включающий первый 51 и второй 52 перемножители, сигнальные входы которых объединены и подключены к выходу аналого-цифрового преобразователя 1, а опорные входы соединены соответственно с квадратурными выходами синтезатора 6 отсчетов несущей частоты, третий 53, четвертый 54, пятый 55, шестой 56 и седьмой 57 перемножители, вычитатель 7 и первый сумматор 81, первый и второй интеграторы 91 и 92, решающий блок 10, а также первый петлевой фильтр 11, вход которого подключен к выходу третьего перемножителя 53, а выход соединен со входом синтезатора 6 отсчетов несущей частоты. При этом сигнальные входы четвертого 54 и шестого 56, пятого 55 и седьмого 57 перемножителей попарно объединены и подключены соответственно к выходу первого 51 и второго 52 перемножителей, опорные входы четвертого 54 и пятого 55, шестого 56 и седьмого 57 перемножителей попарно объединены и подключены соответственно к квадратурным выходам блока 3 кодовой синхронизации. Выходы четвертого 54 и седьмого 57, пятого 55 и шестого 56 перемножителей объединены соответственно через вычитатель 7 и первый сумматор 81, к выходам которых подключены первый и второй интеграторы 91 и 92 соответственно. Сигнальный вход третьего перемножителя 53 подключен к выходу второго интегратора 92, опорный вход перемножителя 53 подключен к выходу решающего блока 10, вход которого соединен с выходом первого интегратора 91, а выход решающего блока 10 является выходом демодулятора (Дм) приемника. Блок 3 кодовой синхронизации содержит временной дискриминатор 12, включающий восьмой и девятый перемножители 58 и 59, сигнальные входы которых соединены соответственно с выходами первого и второго перемножителей 51 и 52, а опорные входы перемножителей 58 и 59 соединены с попарно объединенными опорными входами перемножителей 56 и 57, 54 и 55 соответственно и подключены к квадратурным выходам синтезатора 13 отсчетов опорных квадратурных сигналов, второй сумматор 82, десятый и одиннадцатый перемножители 510 и 511, третий интегратор 93, а также последовательно соединенные второй петлевой фильтр 14, управляемый генератор 15 тактовой частоты и генератор 16 кода, к дополнительным выходам которого подключен дешифратор 17. При этом выходы восьмого и девятого перемножителей 58 и 59 объединены через второй сумматор 82, к выходу которого подключен сигнальный вход десятого перемножителя 510, опорный вход которого подключен к инверсному выходу генератора 16 кода, а выход перемножителя 511 соединен со входом третьего интегратора 93. Один вход одиннадцатого перемножителя 511 подключен к выходу третьего интегратора 93, другой вход подключен к выходу решающего блока 10, а выход перемножителя 511 соединен со входом второго петлевого фильтра 14. Прямой выход генератора 16 кода соединен со входом синтезатора 13 отсчетов опорных квадратурных сигналов, а выход дешифратора 17 соединен с синхронизирующими входами первого 91, второго 92 и третьего 93 интеграторов.
Устройство синхронизации приемника шумоподобных сигналов (ШПС) с минимальной частотной манипуляцией работает следующим образом.
Входной шумоподобный сигнал после дискретизации и оцифровки в аналого-цифровом преобразователе 1 поступает на перемножители 51 и 52, где он перемножается с отсчетами опорных сигналов cos 0t и sin 0t частоты 0, равной средней частоте ШПС, которые вырабатываются синтезатором 6 отсчетов несущей частоты. Отсчеты квадратурных составляющих комплексной огибающей ШПС с выходов перемножителей 51 и 52 поступают на входы перемножителей 54, 56 и 55, 57 соответственно, где перемножаются с отсчетами опорных квадратурных сигналов, формируемых блоком 3 кодовой синхронизации. При идеальной кодовой синхронизации опорные квадратурные сигналы являются точными копиями квадратурных компонентов I(t) и Q(t) комплексной огибающей принимаемого ШПС. Результаты перемножения отсчетов квадратурных составляющих входного и опорных сигналов объединяются в вычитателе 7 и сумматоре 81, образуя соответственно «косинусную» и «синусную» квадратурные составляющие (составляющие удвоенной частоты 0 подавляются при последующей обработке). Интеграторы 91 и 92 в квадратурных каналах фазового дискриминатора 4 осуществляют когерентное накопление на интервале, равном периоду Tп повторения ШПС, поступающих на их входы отсчетов квадратурных составляющих, формируя соответственно корреляции z1 и z2. Сброс интеграторов 91 и 92 осуществляется с шагом Tп синхроимпульсами, вырабатываемыми блоком 3 кодовой синхронизации.
Результаты z1 и z2 интегрирования в квадратурных каналах фазового дискриминатора 4 поступают на выходной перемножитель 53, формирующий сигнал ошибки, пропорциональный фазовому рассогласованию принимаемого ШПС и опорных сигналов частоты 0. При этом корреляция z2 поступает на сигнальный вход перемножителя 53 непосредственно, а корреляция z1 поступает на опорный вход перемножителя 53 через решающий блок 10, осуществляющий преобразование вида sign(z1)(sign(х) – знаковая функция), благодаря чему исключается влияние цифровой модуляции ШПС на формирование сигнала ошибки. Выходной сигнал петлевого фильтра 11, сглаживающего флуктуации сигнала ошибки, используется для управления частотой и фазой опорных сигналов, формируемых синтезатором 6 отсчетов несущей частоты.
Блок 3 кодовой синхронизации работает следующим образом. Отсчеты квадратурных составляющих комплексной огибающей входного ШПС с выходов перемножителей 51 и 52 поступают соответственно на сигнальные входы перемножителей 58 и 59 временнóго дискриминатора 12. На опорные входы перемножителей 58 и 59 подаются отсчеты опорных квадратурных сигналов соответственно Q(t) и I(t), формируемых синтезатором 13 отсчетов опорных квадратурных сигналов. Сигналы с выходов перемножителей 58 и 59 объединяются в сумматоре 82, умножаются на отсчеты инверсной кодовой последовательности, формируемой генератором 16 кода, и далее поступают на интегратор 93, который осуществляет когерентное накопление отсчетов на интервале Tп, формируя сигнал ошибки. С помощью перемножителя 511 исключается влияние цифровой модуляции ШПС на формирование сигнала ошибки, пропорционального временнóму рассогласованию входного ШПС и опорных квадратурных сигналов I(t) и Q(t). Петлевой фильтр 14 сглаживает флуктуации сигнала ошибки, формируя управляющий сигнал для управляемого генератора 15 тактовой частоты. Меандровый сигнал тактовой частоты т=1/T, вырабатываемый управляемым генератором 15 тактовой частоты, поступает на вход генератора 16 кода. Формируемая генератором 16 кода кодовая последовательность поступает на вход синтезатора 13 отсчетов опорных квадратурных сигналов, определяя знак приращения фазы /2 на интервалах, равных длительности T элемента кодовой последовательности.
С выходов синтезатора 13 отсчетов опорные квадратурные сигналы поступают на перемножители 54, 55, 56 и 57 фазового дискриминатора 4 блока 2 фазовой синхронизации, а также на перемножители 58 и 59 временного дискриминатора 12. Дешифратор 17, подключенный к дополнительным выходам генератора 16 кода, формирует синхронизирующий сигнал (синхроимпульсы с частотой повторения Fп=1/Tп) для интеграторов 91, 92 и 93 соответственно фазового и временнóго дискриминаторов.
Пример реализации синтезатора отсчетов квадратурных сигналов с использованием накапливающего сумматора (аккумулятора фазы) и постоянного запоминающего устройства для хранения отсчетов квадратурных сигналов приведен в монографии [Цифровые системы фазовой синхронизации / М.И.Жодзишский, С.Ю.Сила-Новицкий, В.А.Прасолов и др. Под ред. М.И.Жодзишского. – М.: Сов.радио, 1980. – с.55-57].
Предлагаемое устройство позволяет повысить помехоустойчивость и точность синхронизации приемников шумоподобных сигналов с минимальной частотной манипуляцией.
Формула изобретения
Устройство синхронизации приемника шумоподобных сигналов с минимальной частотной манипуляцией, включающее аналого-цифровой преобразователь, вход которого является входом устройства, блок фазовой синхронизации с фазовым дискриминатором, содержащим первый и второй перемножители, сигнальные входы которых объединены и подключены к выходу аналого-цифрового преобразователя, первый и второй интеграторы, третий перемножитель, к выходу которого подключены последовательно соединенные первый петлевой фильтр и синтезатор отсчетов несущей частоты, квадратурные выходы которого соединены соответственно с опорными входами первого и второго перемножителей, блок кодовой синхронизации, включающий временной дискриминатор, к выходу которого подключены последовательно соединенные второй петлевой фильтр, управляемый генератор тактовой частоты и генератор кода, отличающееся тем, что в фазовый дискриминатор введены четвертый, пятый, шестой и седьмой перемножители, вычитатель и первый сумматор, а также решающий блок, вход которого соединен с выходом первого интегратора, при этом сигнальные входы четвертого и шестого, пятого и седьмого перемножителей попарно объединены и подключены к выходам соответственно первого и второго перемножителей, выходы четвертого и седьмого, пятого и шестого перемножителей объединены соответственно через вычитатель и первый сумматор, к выходам которых подключены первый и второй интеграторы соответственно, сигнальный вход третьего перемножителя подключен к выходу второго интегратора, опорный вход третьего перемножителя подключен к выходу решающего блока, который является выходом демодулятора приемника, в блок кодовой синхронизации введены восьмой и девятый перемножители, сигнальные входы которых соединены соответственно с выходами первого и второго перемножителей, второй сумматор, входы которого подключены к выходам восьмого и девятого перемножителей, а выход соединен со входом десятого перемножителя, другой вход которого подключен к инверсному выходу генератора кода, третий интегратор, подключенный по входу к выходу десятого перемножителя, одиннадцатый перемножитель, один вход которого соединен с выходом третьего интегратора, другой вход подключен к выходу решающего блока, а выход одиннадцатого перемножителя соединен со входом второго петлевого фильтра, синтезатор отсчетов опорных квадратурных сигналов, подключенный по входу к прямому выходу генератора кода, к дополнительным выходам которого подключен дешифратор, при этом квадратурные выходы синтезатора отсчетов опорных квадратурных сигналов соединены соответственно с объединенными опорными входами четвертого, пятого и девятого перемножителей и шестого, седьмого и восьмого перемножителей, а синхронизирующие входы первого, второго и третьего интеграторов объединены и подключены к выходу дешифратора.
РИСУНКИ
|
|