|
|
(21), (22) Заявка: 2008116533/09, 25.04.2008
(24) Дата начала отсчета срока действия патента:
25.04.2008
(46) Опубликовано: 27.05.2009
(56) Список документов, цитированных в отчете о поиске:
ПЕНТЕГОВ И.В. Основы теории зарядных цепей емкостных накопителей энергии. – Киев: Наукова думка, 1982, с.252. RU 2262184 C1, 10.10.2005. SU 1524163 A1, 23.11.1989. SU 799076 A1, 23.01.1981. US 6538906 B1, 25.03.2003.
Адрес для переписки:
197082, Санкт-Петербург, П-82, ул. Красного курсанта, 16, ВКА им. А.Ф. Можайского
|
(72) Автор(ы):
Быстров Владимир Константинович (RU), Лямин Василий Александрович (RU), Николаев Анатолий Григорьевич (RU), Ратушняк Александр Иванович (RU), Скворцов Андрей Геннадьевич (RU)
(73) Патентообладатель(и):
Государственное образовательное учреждение высшего профессионального образования ВОЕННО-КОСМИЧЕСКАЯ АКАДЕМИЯ им. А.Ф. Можайского (RU)
|
(54) СПОСОБ ЗАРЯДА ЕМКОСТНОГО НАКОПИТЕЛЯ ЭЛЕКТРИЧЕСКОЙ ЭНЕРГИИ И УСТРОЙСТВО ДЛЯ ЕГО ОСУЩЕСТВЛЕНИЯ
(57) Реферат:
Изобретение может быть использовано для заряда от трехфазного источника переменного тока (ТИПТ) ограниченной мощности накопительных конденсаторов (НК). Технический результат заключается в улучшении технико-экономических показателей зарядных устройств путем увеличения скорости передачи энергии в НК. Способ заключается в том, что при передаче в емкостный накопитель энергии трехфазного источника переменного тока ток каждой его линии ограничивают парами токоограничивающих дозирующих конденсаторов, которые запасают избыточную энергию фаз источника в одном полупериоде изменения его тока и передают ее в последующие полупериоды в емкостный накопитель, отличающийся тем, что токи упомянутого источника ограничивают пофазно и суммируют их с линейными токами в выпрямителе. 2 н.п. ф-лы, 4 ил.
Изобретение относится к способам и устройствам заряда емкостных накопителей электрической энергии (аккумуляторов, молекулярных и других накопительных конденсаторов), широко используемых в импульсной технике. Его целесообразно использовать при реализации способов так называемого «медленного» заряда (например, за несколько периодов изменения тока источника) от источников синусоидального напряжения, преимущественно для заряда емкостных накопителей электрической энергии (ЕНЭЭ) генераторов мощных импульсов, то есть заряда накопителя электрической энергии за длительное время от источника ограниченной мощности. Эти накопители используются в качестве мощных источников вторичного электропитания различных потребителей электрической энергии, таких как оптические квантовые генераторы, импульсные электрореактивные двигатели, радиолокационная техника, устройства экспериментальной физики, а также установок, использующих импульсные магнитные поля.
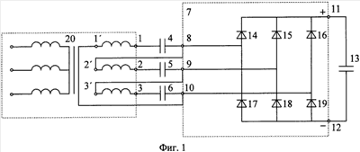
Схема устройства для реализации предлагаемого способа заряда ЕНЭЭ представлена на фиг.1.
Широко известны способы заряда ЕНЭЭ, преимущественно накопительного конденсатора (НК), как от источников постоянного тока, так и от источников переменного тока (ИПТ) с последующим его выпрямлением и ограничением тока для регулирования скорости заряда НК – зарядной мощности, определяемой произведением зарядного тока на напряжение.
В настоящее время известен способ «медленного» заряда ЕНЭЭ от источника постоянного тока неизменного напряжения через токоограничивающий – балластный резистор, включаемый в цепь заряда по схеме на фиг.2 [1,с.60].
Недостатком этого способа являются крайне низкий КПД, не превышающий 0,5, и низкие удельные энергетические показатели устройств для заряда ЕНЭЭ. Под удельными энергетическими показателями устройств заряда (УЗ) НК обычно понимается отношение среднезарядной мощности/энергии к массе УЗ. Низкие показатели вызваны тем, что избыточная энергия источника гасится на балластном сопротивлении. Именно поэтому этот способ и такие УЗ применяются крайне редко.
Известен и достаточно распространен способ «медленного» заряда ЕНЭЭ от источника переменного тока через вентильный выпрямитель, последовательно с которым включается токоограничивающий элемент, в качестве которого используются резисторы, катушки индуктивности, конденсаторы и индуктивно-емкостные двухполюсники [1, с.58 и др.], схема устройства для реализации которого приведена на фиг.3. При ограничении тока резистором КПД устройства повышается до 0,57 [1, с.219], однако этот коэффициент имеет более низкое значение по сравнению с зарядными цепями с реактивными токоограничивающими элементами. Это связано с наличием больших потерь энергии в резисторах. Поэтому при использовании реактивных токоограничивающих элементов этот способ может обеспечить более высокий КПД, так как избыток энергии источника, который гасится в резисторе (и тем снижает КПД), в реактивном элементе запасается в одном полупериоде изменения напряжения источника питания и возвращается в него в другом. Это повышает эффективность данного способа заряда ЕНЭЭ, поэтому он является энергосберегающим [1].
Недостатком этого способа является пониженный коэффициент мощности ИПТ при реактивном балласте из-за отставания/опережения тока заряда от напряжения источника. Индуктивный балласт позволяет повысить КПД зарядного устройства, но понижает внешнюю выходную вольт-амперную характеристику источника, а емкостный балласт из-за большей добротности емкости обеспечивает получение более высокого КПД и подъем вольт-амперной характеристики источника. Поэтому в случае ограничения тока заряда ЕНЭЭ токоограничивающедозирующими конденсаторами (ТДК) КПД возрастает до значений, близких к единице.
Наиболее близким по технической сущности к данному изобретению по п.1 формулы изобретения является энергосберегающий способ заряда емкостного накопителя электрической энергии, преимущественно накопительного конденсатора, от трехфазного источника переменного тока (ТИПТ) с использованием емкостного токоограничения и двухполупериодного выпрямления тока, заключающийся в том, что при передаче в емкостный накопитель энергии трехфазного источника переменного тока ток каждой его линии ограничивают парами токоограничивающедозирующих конденсаторов, которые запасают избыточную энергию фаз источника в одном полупериоде изменения его тока и передают ее в последующие полупериоды в емкостный накопитель. Схема устройства для реализации способа представлена на фиг.4 [1, с.252]. В этом способе в процессе циклического заряда НК осуществляется параметрическая реконфигурация электрических цепей заряда-разряда ТДК, в результате которой они обеспечивают передачу энергии источника в накопитель при малых потерях энергии.
Наиболее близким по технической сущности к заявленному устройству по п.2. формулы изобретения является устройство для заряда НК, содержащее трехфазный источник переменного тока, например трансформатор с тремя выходными обмотками (1, 2 и 3), начала которых обозначены цифрами 1, 2 и 3, а концы – 1′, 2′ и 3′ соответственно, три токоограничивающедозирующих конденсатора (4, 5 и 6) и трехфазный мостовой выпрямитель 7 с тремя входными выводами (8, 9 и 10) и двумя выходными (11 и 12), к которым подключен накопительный конденсатор (13), причем выводы начальных витков первой, второй и третьей фазных обмоток трехфазного источника переменного тока через токоограничивающедозирующие конденсаторы подключены соответственно к первому (8), второму (9) и третьему (10) входным выводам трехфазного мостового выпрямителя (7). Схема этого зарядного устройства приведена на фиг.4 [1, рис.95, с.252].
Обмотки ТИПТ могут быть соединены как звездой, так и треугольником. При соединении звездой выпрямитель детектирует токи линий, создаваемых парой соединенных последовательно фазовых обмоток (при этом одна фаза циклически в передаче энергии в НК не участвует). В случае соединения обмоток в треугольник ток каждой линии формируется током одной фазы и током двух других, соединенных последовательно друг с другом, и сумма этих токов ограничивается соответствующей парой ТДК.
Недостатком этого устройства, реализующего энергосберегающий способ «медленного» заряда НК, является то, что в нем ТДК ограничивают ток источника только при попарном их включении последовательно друг с другом (в результате чего эквивалентная емкость токоограничителя уменьшается в 2 раза) и передают запасенную энергию в НК также при попарном их перезаряде (в последующем такте преобразования), когда они включены также последовательно друг с другом. В этом случае эквивалентная емкость также уменьшается вдвое, что уменьшает скорость передачи энергии от ТИПТ в накопительный конденсатор. В связи с этим увеличить скорость передачи энергии можно только за счет увеличения емкости ТДК, что ухудшает удельные энергетические и массогабаритные показатели устройства.
Целью изобретения в энергосберегающем способе заряда ЕНЭЭ, преимущественно накопительного конденсатора, от трехфазного источника переменного тока с использованием емкостного токоограничения и двухполупериодного выпрямления тока, заключающемся в том, что при передаче в емкостный накопитель энергии трехфазного источника переменного тока ток каждой его линии ограничивают парами токоограничивающедозирующих конденсаторов, которые запасают избыточную энергию фаз источника в одном полупериоде изменения его тока и передают ее в последующие полупериоды в емкостный накопитель, является улучшение удельных энергетических и массогабаритных показателей устройств для заряда ЕНЭЭ путем увеличения скорости передачи в него энергии без увеличения емкости ТДК, то есть практически без увеличения массы зарядного устройства в целом.
В базовом объекте-прототипе энергия трехфазного ИПТ передается в ЕНЭЭ с относительно невысокой интенсивностью, которая обусловлена ограничением тока источника парой предвключенных и соединенных последовательно ТДК. Интенсивность заряда можно повысить уменьшением сопротивления ТДК, но это ведет к увеличению их массы, либо введением в зарядное устройство вольтодобавочных элементов, снабжая их добавочными ТДК с включением их последовательно с источником в состав выпрямителя умножителя напряжения, или токодобавочными блоками, которые могут быть включены параллельно существующим зарядным цепям.
Настоящим предлагается интенсифицировать процесс передачи энергии без увеличения массы зарядного устройства за счет рационального одновременного использования всех трех предвключенных ТДК и увеличить интенсивность передачи энергии ТИПТ в НК, реконфигурируя каналы передачи энергии, что позволяет создавать токодобавочные цепи за счет одновременной работы всех трех ТДК и их циклического переключения во время работы с режима ограничения тока парой ТДК на ограничение тока с одним ТДК и одновременной параллельной работой этих двух цепей. Такое переключение происходит шесть раз за период изменения питающего напряжения источника. Это происходит при полной симметрии работы фаз ИПТ в течение периода.
Таким образом, поставленная цель достигается за счет того, что токи упомянутого источника ограничивают пофазно и суммируют их с линейными токами в выпрямителе.
Поставленная цель в устройстве по п.2 формулы изобретения (схема по фиг.1) достигается тем, что устройство для заряда НК содержит трехфазный источник переменного тока, например трансформатор с тремя выходными обмотками (1, 2, и 3), три токоограничивающедозирующих конденсатора (4, 5 и 6) и трехфазный мостовой выпрямитель (7) с тремя входными выводами (8, 9 и 10) и двумя выходными (11 и 12), к которым подключен накопительный конденсатор (13), выпрямительный мост 7 образован вентилями 14-19.
Соединения трех фазовых обмоток ТИПТ последовательно-согласно через три ТДК в замкнутый треугольник, выводы вершин которого подключены к входным выводам трехфазного мостового выпрямителя, заряжающего НК, обеспечивает циклическое (шесть раз за период изменения тока источника) «размыкание» этого треугольника вентилями выпрямителя. Это «переключение» вентилями зарядных цепей треугольника обеспечивает передачу энергии ТИПТ в НК сразу тремя ТДК, в результате чего процесс заряда существенно ускоряется.
Выводы начальных витков обмоток ТИПТ в виде первой (1), второй (2) и третьей (3) фазных обмоток трехфазного источника переменного тока через токоограничивающедозирующие конденсаторы подключены соответственно к первому (8), второму (9) и третьему (10) входным выводам трехфазного мостового выпрямителя, при этом выводы концов первой (1′), второй (2′) и третьей (3′) фазных обмоток подключены соответственно к третьему (10), первому (8) и второму (9) входным выводам выпрямителя (7).
Прежде чем рассматривать работу устройства заряда НК с ТДК, необходимо отметить, что оно из-за наличия диодов (вольт-амперная характеристика которых существенно нелинейна) относится к так называемым параметрическим, существенно нелинейным и с многократной реконфигурацией цепям, причем параметрическая реконфигурация в нем определяется соотношением напряжений трехфазного ИПТ-ТДК-НК, где последнее непрерывно увеличивается в каждом полупериоде изменения тока источника.
В треугольнике, образованном тремя обмотками ТИПТ и тремя ТДК, совокупность каждой пары обмоток и двух ТДК можно рассматривать как открытый треугольник, который закрывается третьей фазой с третьим ТДК.
Напряжение на выводах открытого треугольника можно рассматривать как линейное, которое изменяется синфазно с напряжением фазы, замыкающей его. Эти цепи можно рассматривать как параллельно работающие.
За период изменения трехфазного напряжения (тока) ТИПТ каждая фазовая обмотка циклически переходит из одной цепи в другую. Таким образом, при работе выпрямительного устройства заряд НК осуществляется по двум контурам, работающим параллельно, которые в течение периода изменения напряжения фаз ТИПТ подвергаются реконфигурации, в результате которой происходит поочередное переключение ТДК из режима ограничения фазового тока в режим ограничения линейного тока. В контуре, работающем в режиме ограничения фазового тока, ток ограничивается одним ТДК, а в контуре, где протекает линейный ток, он ограничивается парой – двумя ТДК. Благодаря этому создается два зарядных канала, работающих одновременно, а в передаче энергии в накопитель участвуют одновременно все три фазы ТИПТ и три ТДК, благодаря чему процесс заряда НК интенсифицируется.
Так, например, когда на выходном выводе 2 ТИПТ [фиг.1] будет самый высокий потенциал, а на выводе 1 – самый низкий, ток по первому контуру будет протекать по цепи: 2-5-9-15-11-13-12-17-8-2′, т.е. ток фазы 2 будет ограничиваться только одним ТДК (5). В это же время ток будет протекать и по второму контуру – по цепи: 3′-9-15-11-13-12-17-8-4-1-1′-10-6-3, т.е. ток заряда, создаваемый линейным напряжением фаз 3 и 1, ограничивается двумя ТДК (4 и 6).
Таким образом, энергия ТИПТ, обмотки которого и ТДК соединены в треугольник, канализируется в НК по двум параллельным каналам, работающим одновременно. За каждый период изменения тока источника осуществляется шестикратная реконфигурация этих контуров. При этом в передаче энергии в НК участвуют одновременно все три фазы ТИПТ и все три ТДК, благодаря чему происходит интенсификация процесса заряда НК.
В контуре, по которому протекает ток фазы (первый канал) ТДК заряжается до напряжения, равного Umф-UHK, где Umф – амплитуда фазного/линейного напряжения источника, a UHK – напряжение, до которого заряжен НК. При этом ток заряда в этом канале в два раза превышает ток параллельного – второго канала, в котором, как и в базовом объекте, ток линии ограничивают два соединенных последовательно ТДК, каждый из которых заряжается до напряжения, равного 1/2 (Umф-UHK) – т.е. вдвое меньшего, чем ТДК в первом канале. Через 120 эл. град, когда фаза 3 второго канала при очередной реконфигурации цепей перейдет в первый, ТДК6, находящийся в цепи этой фазы, становится вольтодобавочным источником и ток заряда первого канала будет формироваться под действием напряжения фазы 3 и конденсатора 6, заряженного на предыдущем такте. Ток заряда во втором канале будет формироваться под действием линейного напряжения фаз 1 и 2. При этом напряжение ТДК 5 будет действовать согласно, а напряжение ТДК4 – встречно с линейным напряжением. За счет этого также происходит увеличение тока заряда НК и скорости передачи энергии в НК без увеличения емкости ТДК. Кроме того, при этом улучшается коэффициент использования мощности ТИПТ.
За период изменения напряжения ИПТ происходит параметрическое циклическое переключение всех фаз источника из одного канала в другой и перезаряд конденсаторов. По мере заряда НК напряжение вольтодобавки, создаваемое ТДК в каналах, будет уменьшаться, перезаряд ТДК практически прекратится и они при реконфигурации цепей будут только подразряжаться и подзаряжаться.
Таким образом, в предложенном способе заряда осуществляется формирование двух параллельно работающих зарядных каналов, в которых в течение периода изменения питающего напряжения осуществляется шестикратная реконфигурация зарядных каналов, в которых происходит одновременная работа всех трех фаз ТИПТ и трех ТДК. При этом в одном канале линейный ток ограничивается парой ТДК (как и в базовом объекте-прототипе), а в другом фазный ток ограничивается одним ТДК. Реализация способа заряда (п.2 формулы изобретения) обеспечивает создание токодобавочного канала, при этом ток в этом канале в два раза превышает ток линейной цепи (прототипа), а общий ток заряда превышает ток заряда базового объекта практически в три раза. Повышение тока заряда происходит без увеличения емкости ТДК, напряжения ТИПТ, массы устройства, а также происходит одновременная работа всех фаз ТИПТ.
Отсутствие в технической и патентной литературе сведений (рекомендаций) по выполнению заявленной схемы в целях достижения описанного эффекта (результата) показывает новизну взаимосвязи между совокупностью существенных признаков заявляемого изобретения и его положительным эффектом. Это обеспечивает существенное отличие данного изобретения от всех известных устройств аналогичного назначения.
Таким образом, если в способе заряда емкостного накопителя электрической энергии, преимущественно накопительного конденсатора, от трехфазного источника переменного тока с использованием емкостного токоограничения и двухполупериодного выпрямления тока, заключающемся в том, что при передаче в емкостный накопитель энергии трехфазного источника переменного тока ток каждой его линии ограничивают парами токоограничивающедозирующих конденсаторов, которые запасают избыточную энергию фаз источника в одном полупериоде изменения его тока и передают ее в последующие полупериоды в емкостный накопитель, причем токи упомянутого источника ограничивают пофазно и суммируют их с линейными токами в выпрямителе, скорость передачи энергии в накопитель повышается без увеличения емкости ТДК. Это улучшает технико-экономические показатели устройства заряда.
Следовательно, если в устройстве для заряда накопительного конденсатора, содержащем трехфазный источник переменного тока, например трансформатор с тремя обмотками, три токоограничивающедозирующих конденсатора и трехфазный мостовой выпрямитель с тремя входными выводами и двумя выходными, к которым подключен накопительный конденсатор, причем выводы начальных витков первой, второй и третьей фазных обмоток трехфазного источника переменного тока через токоограничивающедозирующие конденсаторы подключены соответственно к первому, второму и третьему входным выводам трехфазного мостового выпрямителя, при этом выводы концов первой, второй и третьей фазных обмоток подключены соответственно к третьему, первому и второму входным выводам выпрямительного моста согласно предлагаемой схеме, то это обеспечивает увеличение тока заряда и скорости передачи энергии в НК без увеличения емкости ТДК, мощности ИПТ и его массы, т.е. достигается улучшение удельных энергетических показателей устройства для заряда накопительного конденсатора.
Экспериментальные исследования макетов устройств для заряда ЕНЭЭ выполненных по схемам фиг.1 и 4, проведенные в лаборатории электроснабжения ВКА им. А.Ф.Можайского, подтвердили хорошую работоспособность и реальность достижения цели изобретения.
При формулировании предмета изобретения и составлении описания были приняты во внимание следующие источники информации:
1. И.В.Пентегов «Основы теории зарядных цепей емкостных накопителей энергии». Киев, «Наукова думка», 1982 г., 420с., ил.
2. Основы теории цепей. Учебник, изд.4, Москва, «Энергия», 1975 г., 752с., ил.
Формула изобретения
1. Способ заряда емкостного накопителя электрической энергии, преимущественно накопительного конденсатора, от трехфазного источника переменного тока с использованием емкостного токоограничения и двухполупериодного выпрямления тока, заключающийся в том, что при передаче в емкостный накопитель энергии трехфазного источника переменного тока ток каждой его линии ограничивают парами токоограничивающих дозирующих конденсаторов, которые запасают избыточную энергию фаз источника в одном полупериоде изменения его тока и передают ее в последующие полупериоды в емкостный накопитель, отличающийся тем, что токи упомянутого источника ограничивают пофазно и суммируют их с линейными токами в выпрямителе.
2. Устройство для заряда накопительного конденсатора, содержащее трехфазный источник переменного тока, например трансформатор с тремя выходными обмотками, три токоограничивающих дозирующих конденсатора и трехфазный мостовой выпрямитель с тремя входными выводами и двумя выходными, к которым подключен накопительный конденсатор, причем выводы начальных витков первой, второй и третьей фазных обмоток трехфазного источника переменного тока через токоограничивающие дозирующие конденсаторы подключены соответственно к первому, второму и третьему входным выводам трехфазного мостового выпрямителя, отличающееся тем, что выводы концов первой, второй и третьей фазных обмоток подключены соответственно к третьему, первому и второму входным выводам упомянутого выпрямителя.
РИСУНКИ
|
|