|
|
(21), (22) Заявка: 2008113859/09, 08.04.2008
(24) Дата начала отсчета срока действия патента:
08.04.2008
(46) Опубликовано: 27.05.2009
(56) Список документов, цитированных в отчете о поиске:
RU 2014720 C1, 15.06.1994. RU 2096902 C1, 20.11.1997. RU 64831 U1, 10.07.2007. SU 351477 A1, 25.11.1974. SU 1753568 A1, 07.08.1992. DE 1945801, 01.04.1971.
Адрес для переписки:
625000, г.Тюмень, ул. Володарского, 38, ТюмГНГУ, патентно-иформационный отдел
|
(72) Автор(ы):
Богатенков Юрий Васильевич (RU), Лукин Игорь Анатольевич (RU)
(73) Патентообладатель(и):
Открытое акционерное общество “Сибнефтепровод” (RU)
|
(54) СПОСОБ УМЕНЬШЕНИЯ ДЕЙСТВИЯ ПУСКОВОГО ТОКА СИНХРОННЫХ ЭЛЕКТРОДВИГАТЕЛЕЙ НАПРЯЖЕНИЕМ ВЫШЕ 1000 В И УСТРОЙСТВО ДЛЯ ЕГО ОСУЩЕСТВЛЕНИЯ
(57) Реферат:
Использование: в энергетике, а именно в системах возбуждения синхронного электропривода. Технический результат заключается в разработке технологии пуска синхронных двигателей напряжением выше 1000 В, обеспечивающей улучшение условий пуска. Сущность: уменьшение действия пускового тока достигается за счет повышения асинхронного момента в момент пуска при оптимальном управлении возбуждения в функции угла нагрузки. При этом на интервале изменения скольжения до первого заданного значения происходит разгон двигателя с применением пускового сопротивления, на интервале изменения скольжения от первого до второго заданного значения циклически переключают обмотку возбуждения с активного сопротивления на возбудитель с однополярным форсированным напряжением в моменты достижения вращающим электромагнитным моментом обмотки возбуждения соответственно максимальных мгновенных значений. Для вычисления оптимального управления возбуждением используют значения тока и напряжения ротора. На интервале скольжений, меньших второго заданного значения, осуществляют подачу постоянного по знаку напряжения возбуждения, благодаря чему двигатель втягивается в синхронизм. 2 н.п. ф-лы, 4 ил.
Изобретение относится к энергетике, а именно к явнополюсным синхронным электродвигателям большой и средней мощности напряжением выше 1000 В.
В настоящее время в системах возбуждения синхронных электродвигателей применяется способ управления пуском, основанный на замыкании активного сопротивления пускового резистора в цепь обмотки возбуждения [1, 2, 3].
Подача напряжения возбуждения происходит в функции частоты скольжения, т.е. частоты тока в цепи пускового сопротивления двигателя [1]. В тиристорном возбудителе пусковое сопротивление подключено к цепи выпрямленного напряжения с помощью тиристорного ключа. Тиристоры включаются под действием ЭДС, индуцируемой в обмотке ротора в момент пуска, при замыкании контактов. Преобразователь включается в период пускового режима при спадании частоты тока до заданной величины, соответствующей скольжению при входе двигателя в синхронизм, и состоит из трансформатора тока в цепи пускового сопротивления и схемы измерения длительности одного из полупериодов тока во вторичной цепи трансформатора тока.
Известный способ незначительно увеличивает электромагнитный момент, предохраняет обмотку возбуждения и тиристорный ключ от перенапряжения, а также способствует устранению имеющегося у большинства синхронных электродвигателей провала в асинхронной характеристике в районе скольжения, равного 0,5.
Недостатком является то, что повышение момента при скольжениях от 1 до 0,5 сопровождается снижением момента при меньших скольжениях, что увеличивает время последующей синхронизации. Кроме того, схема измерения частоты скольжения может подать напряжение на обмотку возбуждения в неблагоприятный момент для синхронизации двигателя.
Задачей, на решение которой направлено заявляемое изобретение, является разработка технологии пуска синхронных двигателей напряжением выше 1000 В, обеспечивающей улучшение условий пуска.
При осуществлении изобретения поставленная задача решается за счет достижения технического результата, который заключается в уменьшении действия пускового тока в синхронном электродвигателе за счет управления обмоткой возбуждения в процессе пуска и последующей точной синхронизации электромагнитного поля обмотки возбуждения ротора и электромагнитного поля обмотки статора синхронного двигателя.
Указанный технический результат по объекту – способ достигается тем, что в способе пуска синхронного двигателя с уменьшением действия пускового тока, при котором подключают обмотку возбуждения к пусковому сопротивлению, а обмотку статора к напряжению питающей сети, измеряют мгновенные значения напряжений на статоре и тока в обмотке возбуждения, определяют скольжение ротора. При достижении скольжением первого заданного значения при каждом провороте ротора относительно поля статора определяют моменты времени для переключений обмотки возбуждения, в соответствии с которыми и чередуют ее подключение к тиристорному преобразователю с однополярным напряжением с подключением к пусковому сопротивлению. При достижении скольжением второго заданного значения обмотку возбуждения подключают к тиристорному преобразователю с постоянным по знаку напряжением. Дополнительно измеряют мгновенные значения токов в роторе. Вычисляют значения угла нагрузки и фиксируют период смены его знака в течение каждого проворота ротора относительно поля статора. При этом обмотку возбуждения подключают к тиристорному преобразователю с однополярным напряжением в моменты смены знака функции при переходе отрицательного электромагнитного момента обмотки возбуждения в положительный, а к пусковому сопротивлению – в период отключения однополярного напряжения. Подключение обмотки возбуждения к тиристорному преобразователю с постоянным по знаку напряжением производят при достижении скольжением второго заданного значения в функции угла нагрузки .
Указанный технический результат по объекту – устройство достигается тем, что в устройстве пуска синхронного двигателя с уменьшением действия пускового тока, в котором обмотка возбуждения на роторе двигателя подключена к пусковому сопротивлению, а обмотка статора – к напряжению питающей сети, обмотка возбуждения параллельно соединена с тиристорным преобразователем, а пусковое сопротивление подключено к обмотке возбуждения через тиристорный ключ, в цепи обмотки возбуждения установлен трансформатор тока, связанный с блоком измерения частоты скольжения. Устройство дополнительно содержит в цепи обмотки возбуждения трансформатор напряжения, связанный с блоком управления тиристорного ключа пускового сопротивления. Трансформатор тока дополнительно связан с блоком управления сигналом, пропорциональным углу нагрузки синхронного электродвигателя. Блок измерения частоты скольжения и блок управления сигналом, пропорциональным углу нагрузки синхронного электродвигателя, соединены с блоком точной синхронизации и блоком управления тиристорным преобразователем и пусковым сопротивлением. Выходы блока точной синхронизации, блока управления тиристорным преобразователем и пусковым сопротивлением и блока управления тиристорного ключа пускового сопротивления связаны с входом сумматора сигналов управления тиристорным преобразователем и пусковым сопротивлением, выход которого соединен с тиристорным преобразователем и тиристорным ключом.
Известно, что при асинхронном пуске синхронный момент обмотки возбуждения, обусловленный протеканием в ней тока возбуждения, созданного приложенным постоянным напряжением, изменяется в функции нагрузки , равного углу между магнитными полями статора и ротора [4]. Через каждые полпериода изменения становится то ускоряющим, то тормозящим. Решение указанного способа состоит в том, что при разгоне синхронного электродвигателя данный эффект достигается путем подачи циклических форсировок возбуждения одного знака, чередующихся периодами гашения поля обмотки возбуждения на активное сопротивление резистора. Физический смысл управления состоит в том, что включением напряжения UE повышают амплитуду тока if, а кратковременным введением сопротивления RE (активное добавочное сопротивление) уменьшают фазовый сдвиг между током if и ЭДС вращения еs, наводимой в обмотке возбуждения вращающимся полем статора. Оба эффекта ведут к повышению электромагнитного момента [5].
Управление выпрямленным однополярным напряжением тиристорного преобразователя происходит в период ускоряющего момента обмотки возбуждения, а управление тиристорным ключом активного пускового сопротивления – в периоды ограничения максимального значения тока обмотки возбуждения, вызванных форсировкой напряжения. Вторым этапом управления является синхронизация при частоте скольжения, равной подсинхронной скорости двигателя.
На фиг.1 представлена диаграмма изменения пускового тока и напряжения ротора в обмотке возбуждения синхронного двигателя, где:
Uо.в.р. – ЭДС обмотки возбуждения ротора, Iо.в.р. – ток обмотки возбуждения ротора, UФ – напряжение форсировки.
На фиг.2 представлена диаграмма изменения пускового момента ротора, где: M1 – асинхронный момент синхронного двигателя при заявляемом способе, М2 – асинхронный момент синхронного двигателя в обычных схемах пуска.
На фиг.3 представлена диаграмма изменения пускового тока обмотки статора синхронного двигателя, где: I1 – ток в обмотке статора синхронного двигателя при обычной схеме пуска, I2 – ток в обмотке статора синхронного двигателя при заявляемом способе.
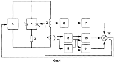
На фиг.4 – блок-схема устройства пуска синхронного двигателя с уменьшением действия пускового тока, где цифрами обозначены: 1 – тиристорный ключ пускового сопротивления, 2 – обмотка возбуждения, 3 – пусковое сопротивление (активное добавочное сопротивление), 4 – трансформатор тока, 5 – тиристорный преобразователь с (возбудитель), 6 – трансформатор напряжения, 7 – блок управления тиристорного ключа пускового сопротивления, 8 – блок измерения частоты скольжения, 9 – блок управления сигналом, пропорциональным углу нагрузки синхронного электродвигателя, 10 – блок точной синхронизации, 11 – блок управления тиристорным преобразователем и пусковым сопротивлением, 12 – сумматор сигналов управления пусковым сопротивлением и тиристорным преобразователем.
Трансформатор тока 4 связан с блоком 9 управления сигналом, пропорциональным углу нагрузки синхронного электродвигателя. Блок 8 измерения частоты скольжения и блок 9 управления сигналом, пропорциональным углу нагрузки синхронного электродвигателя, связаны с блоком 10 точной синхронизации и блоком 11 управления тиристорным преобразователем и пусковым сопротивлением. Выходы блоков 7, 10, 11 связаны с входом сумматора сигналов управления 12 тиристорным преобразователем и пусковым сопротивлением, выход которого соединен с тиристорным преобразователем 5 и тиристорным ключом 1.
В синхронном двигателе обмотка возбуждения 2 на роторе двигателя подключена к пусковому сопротивлению 3, а обмотка статора к напряжению питающей сети. Тиристорный преобразователь 5 соединен параллельно с обмоткой возбуждения 2, тиристорный ключ 1 пускового сопротивления 3 соединен последовательно с обмоткой возбуждения 2. Параллельно обмотке возбуждения 2 включен трансформатор напряжения 6, с вторичной обмотки которого поступает сигнал в блок управления 7 тиристорного ключа 1 пускового сопротивления 3. Последовательно с обмоткой возбуждения 2 включен трансформатор тока 4, который выдает сигнал изменения тока в блок 8 измерения частоты скольжения. Блок 8 выдает два сигнала управления, соответствующих двум уставкам частоты скольжения в блок 9, 10 и блок 11. Блок управления 11 выдает сигнал на тиристорный преобразователь 5 и тиристорный ключ 1, согласовывая импульсы управления с блоком 7 в сумматоре сигналов 12. В блоке синхронизации 10 вырабатывается сигнал на включение тиристорного преобразователя 5 и отключение от цепи обмотки возбуждения 2 пускового сопротивления 3, сигнал проходит через сумматор сигналов 12. Блок 9 начинает работу при срабатывании первой уставки блока 8 и управляет блоком 10 и 11 сигналом, пропорциональным углу изменения нагрузки.
Способ посредством устройства осуществляют следующим образом.
В момент подачи напряжения на обмотку статора синхронного двигателя при частоте скольжения магнитного поля статора относительно поля ротора, равного s=1 ротор начинает вращаться за счет асинхронного момента демпферной обмотки. В этот момент в обмотке возбуждения 2 наводится напряжение. Измеряют мгновенные значения напряжений на статоре и тока в обмотке возбуждения 2, токов в роторе, определяют скольжение ротора. С вторичной обмотки трансформатора напряжения 6 сигнал, пропорциональный напряжению в обмотке возбуждения 2, подается в блок 7 управления ключом пускового сопротивления. Блок 7, пропорционально изменяя полярность наведенного переменного напряжения в обмотке 2, подает импульсы управления на тиристорный ключ 1. Таким образом, с момента начала разгона ротора и до частоты скольжения s=0,3 (первое заданное значение) происходит разгон ротора с замкнутым пусковым сопротивлением в цепи обмотки возбуждения 2. В момент времени, когда частота скольжения ротора равна s=0,3, в блоке 8 измерения частоты скольжения срабатывает уставка, которая включает в работу блок 9 управления сигналом, пропорциональным углу нагрузки синхронного электродвигателя, и блок 10 управления тиристорным преобразователем 5 и тиристорным ключом 1 пускового сопротивления 3. Таким образом, при достижении скольжением первого заданного значения при каждом провороте ротора относительно поля статора определяют моменты времени для переключений обмотки возбуждения 2, в соответствии с которыми чередуют ее подключение к тиристорному преобразователю 5 с однополярным напряжением с подключением к пусковому сопротивлению 3. В момент достижения скольжением второго заданного значения s=0,05 в функции угла нагрузки в блоке 8 срабатывает уставка, выдающая сигнал в блок 11 на включение тиристорного преобразователя 5 с постоянным по знаку напряжением. Вся пусковая цепь выводится из работы тиристорного преобразователя 5 до следующего пуска.
Таким образом, в рассматриваемом устройстве управления пуском синхронного электродвигателя в функции угла нагрузки обмоткой возбуждения ротора и точная последующая синхронизация приводит к повышению электромагнитного момента СД и его разгон происходит в 1,5-1,6 раз быстрее. Поэтому во времени площадь потребления тока двигателем при оптимальном возбуждении меньше, чем при разгоне с пусковым сопротивлением.
Источники информации
1. Техническое описание и инструкция по эксплуатации возбудители тиристорные ВТЕ-320-6, ТЕ-8, ВТЕ-10-315.
2. Слодарж М.И. Режимы работы, релейная защита и автоматика синхронных электродвигателей. М.: Энергия, 1977.
3. Сыромятников И.А. Режимы работы асинхронных и синхронных двигателей. – 4-е изд., перераб. и доп. М.: Энергоатомиздат, 1984.
57.- С.65-71.
5. С.43-48.
Формула изобретения
1. Способ пуска синхронного двигателя с уменьшением действия пускового тока, при котором подключают обмотку возбуждения к пусковому сопротивлению, а обмотку статора – к напряжению питающей сети, измеряют мгновенные значения напряжений на статоре и тока в обмотке возбуждения, определяют скольжение ротора, при достижении скольжением первого заданного значения при каждом провороте ротора относительно поля статора определяют моменты времени для переключений обмотки возбуждения, в соответствии с которыми и чередуют ее подключение к тиристорному преобразователю с однополярным напряжением с подключением к пусковому сопротивлению, при достижении скольжением второго заданного значения обмотку возбуждения подключают к тиристорному преобразователю с постоянным по знаку напряжением, отличающийся тем, что дополнительно измеряют мгновенные значения токов в роторе, вычисляют значения угла нагрузки и фиксируют период смены его знака в течение каждого проворота ротора относительно поля статора, при этом обмотку возбуждения подключают к тиристорному преобразователю с однополярным напряжением в моменты смены знака функции при переходе отрицательного электромагнитного момента обмотки возбуждения в положительный, а к пусковому сопротивлению – в период отключения однополярного напряжения, а подключение обмотки возбуждения к тиристорному преобразователю с постоянным по знаку напряжением производят при достижении скольжением второго заданного значения в функции угла нагрузки .
2. Устройство пуска синхронного двигателя с уменьшением действия пускового тока, в котором обмотка возбуждения на роторе двигателя подключена к пусковому сопротивлению, а обмотка статора – к напряжению питающей сети, при этом обмотка возбуждения параллельно соединена с тиристорным преобразователем, а пусковое сопротивление подключено к обмотке возбуждения через тиристорный ключ, в цепи обмотки возбуждения установлен трансформатор тока, связанный с блоком измерения частоты скольжения, отличающееся тем, что дополнительно содержит в цепи обмотки возбуждения трансформатор напряжения, связанный с блоком управления тиристорного ключа пускового сопротивления, а трансформатор тока дополнительно связан с блоком управления сигналом, пропорциональным углу нагрузки синхронного электродвигателя, при этом блок измерения частоты скольжения и блок управления сигналом, пропорциональным углу нагрузки синхронного электродвигателя, связаны с блоком точной синхронизации и блоком управления тиристорным преобразователем и пусковым сопротивлением, выходы которых, как и выход блока управления тиристорного ключа пускового сопротивления связаны с входом сумматора сигналов управления тиристорным преобразователем и пусковым сопротивлением, выход которого соединен с тиристорным преобразователем и тиристорным ключом.
РИСУНКИ
|
|