|
|
(21), (22) Заявка: 2008110277/09, 17.03.2008
(24) Дата начала отсчета срока действия патента:
17.03.2008
(46) Опубликовано: 27.05.2009
(56) Список документов, цитированных в отчете о поиске:
RU 2231903 C2, 27.06.2004. JP 7135797 A, 23.05.1995. JP 6327264 A, 25.11.1994.
Адрес для переписки:
428000, Чувашская Республика, г.Чебоксары, пр. И. Яковлева, 4, ОАО “ВНИИР”
|
(72) Автор(ы):
Ушаков Игорь Иванович (RU), Матисон Владимир Арнольдович (RU), Донской Николай Васильевич (RU), Иванов Александр Григорьевич (RU)
(73) Патентообладатель(и):
Открытое акционерное общество “Всероссийский научно-исследовательский проектно-конструкторский и технологический институт релестроения с опытным производством” (RU)
|
(54) ТРЕХФАЗНЫЙ ВЫСОКОВОЛЬТНЫЙ ПРЕОБРАЗОВАТЕЛЬ ПЕРЕМЕННОГО НАПРЯЖЕНИЯ
(57) Реферат:
Трехфазный высоковольтный преобразователь переменного напряжения относится к преобразовательной технике и содержит входной силовой трансформатор, выпрямительный блок, соединенный с блоком сглаживающих конденсаторов, подключенных к соответствующим входам блоков автономных инверторов, выполненных, например, по трехуровневой схеме инвертора напряжения с нулевой точкой, выходы последних соответственно соединены с отводами нескольких обмоток многообмоточного трехфазного повышающего автотрансформатора, при этом указанные обмотки имеют общую точку и соответственно в каждой фазе соединены между собой параллельно и подключены к блоку выходных конденсаторов и фазам нагрузки, систему управления, блоки автономных инверторов, а автотрансформатор выполнен с одинаковыми параллельно соединенными в каждой фазе обмотками, количество которых равно общему количеству подключаемых к ним автономных инверторов, соответствующие входы последних соединены между собой и подключены к сглаживающим конденсаторам, а их выходные фазы подключены к соответствующим отводам параллельно соединенных обмоток автотрансформатора, имеющих общую точку, при этом управляющие цепи автономных инверторов подсоединены к соответствующим общим выходам системы управления. Технический результат – повышение мощности. 1 з.п. ф-лы, 3 ил.
Изобретение относится к электротехнике, в частности к области преобразовательной техники.
Известен трехфазный высоковольтный преобразователь частоты типа MELTRAC-F500HVC фирмы «Mitsubisi», описанный в журнале: «Силовая электроника», 3, 2007 г., Лазарев Г.Б. Частотно-регулируемый электропривод насосных и вентиляторных установок – эффективная технология энерго- и ресурсосбережения на тепловых электростанциях, который предназначен для регулируемого электропривода и выполнен на напряжение 6 кВ и более. Он содержит 18 ячеек, каждая из которых состоит из блока выпрямителя, конденсатора и 4 транзисторных ключей; высоковольтный трансформатор с 19 комплектами трехфазных обмоток. Недостатком является высокая сложность как по количеству полупроводниковых ключей (всего 72 ключа), так и по силовому трансформатору. Такой преобразователь частоты (и напряжения), кроме сложности, имеет большие потери энергии.
Наиболее близким по технической сущности к заявляемому решению и взятым за прототип является высоковольтный преобразователь частоты типа «Simovert MV» фирмы «Siemens», который описан в сборнике научных трудов ОАО «Электропривод» 65 лет. Москва, изд-во «ЗНАК», 2007 г. Осипов О.И., Панов А.С., Оськин А.А., Куцый К.Л. “Повышение эффективности работы сетевых насосов второго подъема частотно-регулируемым электроприводом” и предназначен для электропривода на напряжение 6 кВ и представлен на фиг.1, где приняты следующие обозначения:
1 – входной трансформатор с двумя комплектами вторичных обмоток, соединенных соответственно в треугольник и звезду;
2 – выпрямительный блок, состоящий из 2 трехфазных мостов;
3 – блок сглаживающих конденсаторов с общей точкой;
4 – блок автономного инвертора напряжения (АИН) на транзисторах IGBT;
6 – повышающий трехфазный автотрансформатор с обмотками 7;
9 – блок выходных конденсаторов;
10 – электродвигатель;
11 – система управления АИН.
Автотрансформатор 6 и блок выходных конденсаторов 9 образуют повышающий выходной синусный фильтр, обеспечивающий на входе двигателя близкую к синусоиде форму напряжения заданной частоты. При этом повышающий автотрансформатор одновременно повышает напряжение с выхода АИН до напряжения электродвигателя, например, 6 кВ.
При отсутствии автотрансформатора пришлось бы на выходе АИН устанавливать индуктивное плечо фильтра (реактор), а напряжение АИН следовало бы выбирать более высоким (6 кВ), что требует более высоковольтных IGBT-ключей, максимальное напряжение и ток которых в настоящее время ограничены техническими возможностями полупроводниковых приборов.
Недостаток прототипа заключается в ограничении по выходной мощности, которая определяется допустимым током ключей в блоке 4.
Технический результат заявляемого решения – повышение мощности трехфазного высоковольтного преобразователя переменного напряжения.
Технический результат достигается тем, что трехфазный высоковольтный преобразователь переменного напряжения содержит входной силовой трансформатор, выпрямительный блок, соединенный с блоком сглаживающих конденсаторов, подключенных к соответствующим входам блока автономного инвертора, выполненного, например, по трехуровневой схеме инвертора напряжения с нулевой точкой, три фазы которого через обмотки трехфазного повышающего автотрансформатора подключены к блоку выходных конденсаторов и нагрузке, например к электродвигателю, а также систему управления, при этом в него введены дополнительные блоки автономных инверторов, а автотрансформатор выполнен с одинаковыми параллельно соединенными в каждой фазе обмотками, количество которых равно общему количеству подключенных к ним автономных инверторов, соответствующие входы последних соединены между собой и подключены к сглаживающим конденсаторам, а их выходные фазы подключены к соответствующим отводам параллельно соединенных обмоток автотрансформатора, имеющих общую точку, при этом управляющие цепи автономных инверторов подсоединены к соответствующим общим выходам системы управления, причем трехфазный автотрансформатор может быть выполнен на базе трех однофазных автотрансформаторов, с тем же количеством обмоток и их соединением, что и в одной фазе трехфазного автотрансформатора.
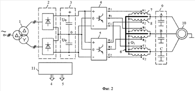
Сущность заключается в том, что увеличение мощности достигается за счет параллельного соединения автономных инверторов, входы которых подключены к общему источнику постоянного напряжения, а их выходы к параллельно включенным соответствующим обмоткам трехфазного многообмоточного автотрансформатора. При этом трехфазный автотрансформатор выполнен на базе однофазных автотрансформаторов, с тем же количеством обмоток на одну фазу и их соединением. На фиг.2 приведена схема предлагаемого устройства, где
1 – входной силовой трансформатор, содержащий два комплекта вторичных обмоток,
2 – выпрямительный блок, содержащий два трехфазных мостовых выпрямителя,
3 – блок сглаживающих конденсаторов с общей точкой 0,
4, 5 – блоки автономных инверторов, количество которых равно N, выполненные, например, на базе транзисторов (ключей) IGBT (N 2),
6 – трехфазный многообмоточный автотрансформатор,
7, 8 – обмотки автотрансформатора, количество которых на фазу равно N 2,
9 – блок выходных конденсаторов,
10 – электродвигатель,
11 – общая система управления автономными инверторами, с выходов которой подаются в блоки 4, 5 на симметрично расположенные ключи соответствующие синфазные последовательности импульсов с широтно-импульсной модуляцией.
Блоки 2 и 3 образуют общий источник постоянного напряжения с принятым в литературе названием – звена постоянного тока.
Зажимы a1-а2, в1-в2, с1-с2 – выходные фазы блоков 4-6, Uo-напряжение на конденсаторе блока 2.
Предлагаемое устройство содержит силовой трансформатор 1, соединенный с выпрямительным блоком 2, который подключен к блоку сглаживающих конденсаторов 3, подключенных к соответствующим параллельно включенным входам блоков автономных инверторов 4 и 5, выходы последних соответственно соединены с отводами обмоток 7, 8 многообмоточного трехфазного повышающего автотрансформатора 6, при этом обмотки 7, 8 имеют общую точку O1, в каждой фазе соединены соответственно между собой параллельно и подключены к блоку выходных конденсаторов 9 и к фазам А, В, С электродвигателя 10.
Управляющие цепи ключей блоков 4 и 5 соответственно подсоединены к общей системе управления 11. Вместо общего трехфазного автотрансформатора 6 могут быть применены три однофазных автотрансформатора с теми же обмотками 7, 8 в каждой фазе и с той же схемой их подключения.
Устройство по фиг.2 работает следующим образом.
Автономные инверторы 4 и 5 получают управление от общей системы управления 11. Каждый блок 4 и 5 содержит, например, по 4 транзисторных ключа в каждой фазе, которые преобразуют входное постоянное напряжение в переменное на выходах а1-а2, в1-в2, c1-с2. Величина и частота выходного напряжения регулируются блоком 11 методом ШИМ. Данные напряжения поступают на отводы (средние точки обмоток 7, 8) автотрансформатора 6, а с полной обмотки 7 (8) соответствующее выходное напряжение поступает на 9, 10. Практически имеем следующие линейные напряжения: Ua1-в1 3 кВ, UA-В=6÷10 кВ. Параллельное включение нескольких блоков АИН (4 и 5) обеспечивает возможность увеличения выходной мощности устройства в целом, а повышающий автотрансформатор 6 обеспечивает увеличение напряжения до уровня напряжения нагрузки. Выполнение нескольких обмоток 7, 8 в каждой фазе и их соединение между собой и с блоками 4, 5 обеспечивает равномерное распределение нагрузки в последних.
Равномерное распределение токов в блоках 4 и 5 достигается при помощи параллельно соединенных обмоток автотрансформатора 6, а также за счет управления от общих каналов формирования импульсов системы управления 11, распределяемых на симметрично расположенные ключи в блоках автономных инверторов. Как указывалось выше, данное устройство может быть выполнено также с количеством блоков АИН более двух.
Автотрансформатор 6 может быть выполнен в виде 3 однофазных автотрансформаторов с тем же набором обмоток и их соединением между собой.
На фиг.3 приведена схема с тремя блоками АИН 4, 5, 13 и автотрансформатором 6 с тремя обмотками 7, 8, 12. Здесь блоки АИН 4, 5, 13 управляются синфазно от общей системы управления 11, а равномерное распределение токов между блоками АИН осуществляется за счет индуктивных сопротивлений идентичных обмоток 7, 8, 12 автотрансформатора 6.
Формула изобретения
1. Трехфазный высоковольтный преобразователь переменного напряжения, содержащий входной силовой трансформатор, выпрямительный блок, соединенный с блоком сглаживающих конденсаторов, подключенных к соответствующим входам блока автономного инвертора, выполненного, например, по трехуровневой схеме инвертора напряжения с нулевой точкой, три фазы которого через обмотки повышающего трехфазного автотрансформатора подключены к блоку выходных конденсаторов и нагрузке, например к электродвигателю, а также систему управления, отличающийся тем, что дополнительно введены блоки автономных инверторов, а автотрансформатор выполнен с одинаковыми параллельно соединенными в каждой фазе обмотками, количество которых равно общему количеству подключаемых к ним автономных инверторов, соответствующие входы последних соединены между собой и подключены к сглаживающим конденсаторам, а их выходные фазы подключены к соответствующим отводам параллельно соединенных обмоток автотрансформатора, имеющих общую точку, при этом управляющие цепи автономных инверторов подсоединены к соответствующим общим выходам системы управления.
2. Трехфазный высоковольтный преобразователь переменного напряжения по п.1, отличающийся тем, что трехфазный автотрансформатор выполнен на базе однофазных автотрансформаторов, с тем же количеством обмоток и их соединением.
РИСУНКИ
|
|