|
|
(21), (22) Заявка: 2008116504/09, 29.04.2008
(24) Дата начала отсчета срока действия патента:
29.04.2008
(46) Опубликовано: 27.05.2009
(56) Список документов, цитированных в отчете о поиске:
RU 2290731 C1, 27.12.2006. RU 2035110 C1, 10.05.1995. SU 748666 A1, 15.07.1980. SU 493858 A1, 30.11.1975. US 6133651 A, 17.10.2000.
Адрес для переписки:
109074, Москва, Китайгородский пр-д, 9/5, Военная академия Ракетных войск стратегического назначения имени Петра Великого
|
(72) Автор(ы):
Гуров Алексей Алексеевич (RU), Буланов Роберт Николаевич (RU), Сергунов Юрий Алексеевич (RU)
(73) Патентообладатель(и):
Государственное образовательное учреждение высшего профессионального образования Военная академия Ракетных войск стратегического назначения имени Петра Великого (RU)
|
(54) УСТРОЙСТВО ЗАЩИТЫ ПОТРЕБИТЕЛЕЙ ЭЛЕКТРОЭНЕРГИИ ОТ КРАТКОВРЕМЕННЫХ НАРУШЕНИЙ ЭЛЕКТРОСНАБЖЕНИЯ
(57) Реферат:
Использование: в электротехнике для электроснабжения потребителей, не допускающих кратковременного снижения напряжения. Технический результат заключается в повышении надежности защиты. Устройство содержит генератор сети, тиристорный ключ, реле направления мощности, реле напряжения и блок управления состоянием тиристорного ключа, которые при нарушении электроснабжения отключат аварийную сеть, что приведет к отдаче потребителю энергии, запасенной реактивными элементами L и С, включенными параллельно нагрузке и настроенных в резонанс токов. 4 ил.
Изобретение относится к электротехнике, а именно к электроснабжению при аварийных режимах в сети питания потребителей непрерывных производств, например химической и нефтехимической промышленности.
Известны устройства безотказного электроснабжения ответственных потребителей, включающие электроподстанцию, содержащую два трансформатора с регулированием напряжения под нагрузкой (РПН), две секции сборных шин (с использованием вольтодобавочных трансформаторов или линейных регуляторов), соединенных секционным выключателем, обеспечивающим аварийное переключение питания таким образом, что первая секция является резервным источником питания для потребителей второй секции и наоборот [1].
Главным недостатком известных способов является то, что в момент аварии напряжение на потребителе составляет 30-35%, а затем повышается до 90-95% от номинального, т.е. возникает провал напряжения, не устраняемый трансформаторами с РПН из-за технических характеристик, длительность которого (провала) определяется временем срабатывания релейной защиты (РЗ), устройства автоматического включения резерва (АВР) и коммутационной аппаратуры, и составляет порядка 150-550 мс. Это приводит к срабатыванию защит электротехнических установок, рассогласованию устройств управления функционированием оборудования, что не соответствует непрерывности производства.
Наиболее близким техническим решением к изобретению является устройство защиты потребителей электроэнергии от кратковременных нарушений электроснабжения, использующее два независимых источника питания, два коммутационных аппарата, через которые потребитель подключен к источникам питания питающей линией с эквивалентными параметрами RЛ и LЛ, в схему которого параллельно потребителю с эквивалентным сопротивлением RП и индуктивностью LП введены реактивные элементы L и С для поддержания в аварийном режиме на шинах потребителя напряжения на уровне не ниже 0,9 номинального (Uн) за счет отдачи энергии, запасенной элементами L и С, в сеть [2].
Недостатками этого устройства является то, что, с одной стороны, запасенная энергия элементами L и С, выбранными из условия резонанса напряжения системы «питающая линия – потребитель – реактивные элементы», расходуется, как показали расчеты, неэффективно: примерно 2/3 запасенной энергии отдается в сеть, в точку короткого замыкания, для снижения времени провала напряжения и только 1/3 энергии тратится на совершение технологическим оборудованием полезной работы, а с другой, в точках присоединения нагрузки при резонансе напряжения могут возникать значительные перенапряжения, опасные для изоляции потребителя.
Задачей изобретения является создание устройства защиты потребителей электроэнергии от кратковременных нарушений электроснабжения, обеспечивающего снижение длительности и величины провала напряжения путем немедленного отключения питания потребителя от аварийной сети.
Решение задачи достигается тем, что устройство при использовании двух независимых источников питания, двух коммутационных аппаратов, через которые потребитель с эквивалентным сопротивлением RП и индуктивностью LП и параллельно включенными к нему реактивными элементами L и С подключен питающей линией с эквивалентными параметрами RЛ и LЛ к соответствующим секциям шин с независимыми источниками питания и секционным выключателем, предполагает введение в питающую потребителя сеть:
а) быстродействующего тиристорного ключа, реле направления мощности и блока управления состоянием тиристорного ключа, обеспечивающих немедленное отключение потребителя от поврежденной сети, т.е. в момент возникновения в ней провала напряжения, с одновременной отдачей потребителю энергии, запасенной элементами L и С от внешнего источника в период времени, предшествующий короткому замыканию в сети питания;
б) реле напряжения, формирующего и передающего соответствующий сигнал в блок управления для включения тиристорного ключа после восстановления в питающей сети напряжения до уровня, не ниже 0,9 UН и подключения тем самым к ней потребителя.
Такое решение задачи позволит:
1) сократить количество запасаемой в L и С энергии примерно на 2/3 по сравнению с известным устройством, в котором эта часть энергии предусматривается для снижения времени провала напряжения, а значит, улучшить массогабаритные характеристики реактивных элементов L и С устройства;
2) исключить появление опасных для изоляции потребителя перенапряжений за счет блокирования условий развития резонанса напряжения.
Отсюда следует, что запасенная в элементах L и С энергия должна быть достаточной только для совершения потребителем полезной работы в период его отключения от сети при возникновении в ней короткого замыкания. При этом параметры реактивных элементов L и С выбираются таким образом, чтобы исключить появление на шинах потребителя опасных для его изоляции перенапряжений, возникающих при отключении сети.
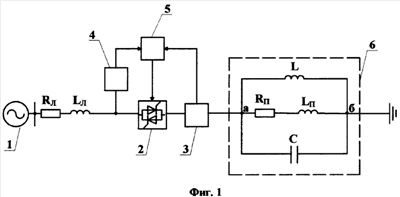
Сущность изобретения поясняется чертежами, где устройство (фиг.1) содержит генератор сети 1, тиристорный ключ 2, реле направления мощности 3, реле напряжения 4, блок управления 5 состоянием тиристорного ключа 2. Реле направления мощности включено входом к тиристорному ключу 2, а выходом, во-первых, к контуру 6, содержащему параллельно включенные индуктивность L и емкость С и эквивалентные параметры нагрузки RП и LП, образуя последовательную цепь: источник 1, тиристорный ключ 2, реле направления мощности 3 и нагрузка RП, LП, а во-вторых – к блоку управления 5.
В схеме (фиг.1) использованы реле направления мощности типа РМ-11, реле напряжения типа РН-50, блок управления, формирующий, в зависимости от положения контактов реле РМ-11 и контактов реле РН-50, команды на отключение или включение тиристорного ключа, изготавливаемого отечественными предприятиями (ВЭИ, ИЭЭ и др.) и имеющего время срабатывания менее 10 мс, т.е. значительно меньше суммарного времени срабатывания устройств РЗ, АВР и коммутационной аппаратуры (150-550 мс), что обеспечивает, с одной стороны, минимизацию величины кратковременно отдаваемой при аварии в сеть запасенной элементами L и С энергии, а с другой, отдачу потребителю почти в полном количестве этой энергии для его функционирования при кратковременном нарушении электроснабжения от основного источника питания.
На фиг.2 изображены осциллограммы изменения напряжения на потребителе при питании от исправной и поврежденной сети.
Фиг.3 и 4 поясняют работу модели предлагаемого устройства, созданной для проверки работоспособности.
Устройство в нормальном режиме работает следующим образом:
напряжение внешней сети 1 через тиристорный ключ 2, находящийся во включенном состоянии, и реле направления мощности 3, пропускающие ток в прямом направлении, подается к контуру 6, обеспечивающему длительное функционирование нагрузки от сети и предварительное накопление энергии магнитного и электрического полей, необходимой для функционирования потребителя в период, определяемый длительностью провала напряжения в сети, а также к блоку управления 5, который выдает команды на отключение или включение тиристорного ключа 2 в зависимости от положения контактов реле направления мощности 3 и реле напряжения.
При аварии в сети, сопровождаемой провалом напряжения от 0,9 UH и ниже, реле направления мощности 3 оказывается под действием обратного тока, созданного энергией, запасенной элементами L и С, и замыкает цепь формирования блоком управления 5 команды на отключение тиристорного ключа 2, разрывающего затем цепь питания потребителя для защиты последнего от провала напряжения.
В отключенном от сети контуре 6 возникает переходный процесс, при котором энергия, запасенная в магнитном поле индуктивности и электрическом поле конденсатора, будет практически полностью расходоваться на совершение технологическим оборудованием полезной работы и кратковременно (не более 10 мс) в минимальном количестве выдаваться в аварийную сеть.
Величина параметров тиристорного ключа, реле направления мощности и блока управления выбираются таким образом, чтобы немедленно отключить аварийную сеть, независимо от вида, места и мощности короткого замыкания в сети, создать тем самым условия для обмена энергией между магнитным полем индуктивности L и электрическим полем конденсатора С в замкнутом контуре с нагрузкой и поддержать напряжение на шинах потребителя на уровне 0,9 UH за счет возникающего в замкнутом контуре 6 режима резонанса токов. При этом сумма энергии полей и ее изменение во времени, определяемая параметрами реактивных элементов L и С, будет расходоваться на совершение технологическим оборудованием полезной работы, в результате чего уменьшится крутизна фронта снижения напряжения и увеличится длительность переходного процесса изменения напряжения до величин, достаточных для поддержания работоспособности потребителя к моменту восстановления напряжения питающей сети до уровня, не ниже 0,9 UH (фиг.2). Осциллограммы изменения напряжения на потребителе при провале напряжения (фиг.2) отличаются для случаев: а) без отключения потребителя от аварийной сети; б) при отключении его от аварийной сети.
После восстановления напряжения сети реле напряжения 4 замыкает контакты формирования блоком управления 5 команды на включение тиристорного ключа 2, включающего затем цепь питания потребителя.
Основными факторами, влияющими на значения электрических параметров элементов, служат: угол отключении/включения тиристорного ключа, угол управления работой тиристорных преобразователей и мощность трансформатора преобразовательного агрегата контура 6, мощность двигателя, сопротивление распределительной сети.
Заявляемый тип построения устройства отличается от прототипа тем, что сокращение длительности провала напряжения в сети питания потребителя достигается за счет немедленного отключения аварийной сети быстродействующим резистором по команде от реле направления мощности, реагирующего на изменение направления тока на обратное, а именно от источника предварительно запасенной энергии на шинах потребителя в аварийную сеть.
Заявителям неизвестен путь решения поставленной задачи с приведенной совокупностью существенных признаков, что говорит об «изобретательском уровне» технического решения.
Реализация устройства по данной схеме позволяет минимизировать (снизить почти до нуля) непроизводительно отдаваемую в аварийную сеть запасенную энергию, уменьшить величины параметров реактивных элементов, исключить перенапряжения, опасные для изоляции потребителя, и, тем самым, получить технико-экономический эффект.
Для проверки работоспособности предлагаемого устройства авторами создана модель устройства (фиг.3), питающего от сети переменного тока частотой 50 Гц потребитель мощностью 2 кВА по схеме (фиг.3), параллельно к которому подключены реактивные элементы: индуктивность L=0,0824 Гн и емкость С=120 мкФ.
При повреждении сети, сопровождаемом провалом напряжения на уровне 0,9 UH, происходит отключение потребителя от аварийной сети (фиг.4), чем обеспечивается перевод контура «потребитель-реактивные элементы» в резонанс токов на основной частоте, при этом уровень напряжения в конце процесса не снижается ниже 0,9 UH при длительности процесса 3 с, что соответствует длительности 93-95% провалов напряжения, возникающих в кабельных линиях напряжением 6 кВ [6].
Результаты моделирования подтверждают работоспособность и возможность технической реализации предлагаемого изобретения.
Источники информации
1. Кудрин Б.И. Электроснабжение промышленных предприятий. – М: Энергоатомиздат, 1995, с.143-144.
2. Патент RU 2290731, 2006.
3. Патент RU 2290729, 2006.
4. Патент RU 2290730, 2006.
5. Князевский Б.А., Липкин Б.Ю. Электроснабжение промышленных предприятий. – М.: Высшая школа, 1986, с.146-147.
6. Нормы качества электрической энергии в системах электроснабжения общего назначения, ГОСТ 13109-97, Приложение Г. Характеристики провалов напряжения в электрических сетях напряжением 6-10 кВ, Минск, Межгосударственный совет по стандартизации, метрологии, сертификации.
Формула изобретения
Устройство защиты потребителей электроэнергии от кратковременных нарушений электроснабжения, в котором напряжение сети через тиристорный ключ и реле направления мощности подается к контуру, состоящему из параллельно подключенных индуктивности L, емкости С и эквивалентных параметров нагрузки RП и LП, а также к блоку управления, который в зависимости от положения контактов реле направления мощности и реле напряжения выдает команды на отключение или включение тиристорного ключа.
РИСУНКИ
|
|