|
|
(21), (22) Заявка: 2008101156/09, 09.01.2008
(24) Дата начала отсчета срока действия патента:
09.01.2008
(46) Опубликовано: 27.05.2009
(56) Список документов, цитированных в отчете о поиске:
RU 2287878 C1, 20.11.2006. RU 95105677 A1, 20.01.1997. US 4851859 A, 25.07.1989. EP 0229552 A1, 22.07.1982. GB 1338753 A1, 28.11.1973.
Адрес для переписки:
690105, г.Владивосток, а/я 105-59, ООО “Нивелир и Ко”
|
(72) Автор(ы):
Соляник Сергей Павлович (RU)
(73) Патентообладатель(и):
ООО “Нивелир и Ко” (RU)
|
(54) ДИАПАЗОННАЯ ШУНТОВАЯ РАДИОПЕЛЕНГАЦИОННАЯ АНТЕННА
(57) Реферат:
Изобретение предназначено для использования в амплитудно-фазометрических радиопеленгаторах с дискретным электронным вращением характеристики направленности антенны. Техническим результатом является расширение диапазона рабочих частот, в котором сохраняются радиопеленгационные свойства. Технический результат достигается за счет того, что антенна снабжена диапазонным коммутатором и дополнительными шунтирующими вставками, расположенными на тех же радиальных осях, что и ранее используемые шунтирующие вставки, но на другом расстоянии от вертикальной оси симметрии антенны. 2 ил.
Изобретение относится к антенной технике и может быть использовано для построения амплитудных фазометрических пеленгаторов с электронным дискретным вращением характеристики направленности (ХН).
Известна радиопеленгационная антенна [1], основой которой является цилиндрический корпус, в нижней части которого установлена заглушка в виде диска с отверстием в центре для ввода коаксиального кабеля. В верхней части цилиндра расположен диск так, что между верхней гранью цилиндра и этим диском образуется кольцевая щель. В отверстие нижней заглушки входит коаксиальный кабель, оплетка которого соединена с нижней заглушкой, а центральный проводник проходит по центру цилиндра и соединяется с центром верхнего диска. В зоне щели на радиальных линиях расположены электронные коммутаторы, которые соединены сигнальными выходами с внутренней гранью резонатора и внешней кромкой центрального диска. Входы управления коммутаторов соединены с выходами устройства управления, которое последовательно включает коммутаторы, формируя тем самым минимум ХН в направлении активизированного коммутатора. Такая антенна предназначена для установки на корпусе подвижного носителя и обеспечивает, при совмещении плоскости диска с поверхностью корпуса, сохранение его аэродинамических характеристик. Недостатком этой антенны является низкий коэффициент усиления и большой угол наклона ХН по отношению к плоскости корпуса подвижного носителя, на котором он установлен.
Наиболее близким к предлагаемой конструкции является устройство, описанное в патенте [2] и показанное на фиг.1. Оно состоит из дискоконусной (конусной) антенны, вертикальных коммутируемых шунтирующих вставок 1-8, соединяющих поверхности конуса 11 и диска 10 (или второго конуса), которые расположены на равных расстояниях друг от друга по окружности относительно оси симметрии антенны. Вращение диаграммы направленности осуществляется устройством управления (коммутатором) 9, расположенным внутри конуса и соединенным своими выходами с входами управления шунтирующих вставок. Устройство управления коммутирует шунтирующие вставки таким образом, чтобы в каждый момент времени один шунт или группа соседних шунтов были подключены к верхнему и нижнему вибратору антенны, образуя минимум ХН, который перемещается вокруг оси антенны по мере их переключения. Конструкция, описанная в патенте [2], при практическом исполнении обеспечила устойчивое формирование ХН в виде кардиоидной диаграммы направленности (ДН) в диапазоне частот четырехкратного отношения верхней и нижней рабочей частоты.
Цель изобретения – изменение конструкции шунтовой радиопеленгационной антенны (ШРПА) для расширения диапазона рабочих частот, в которой сохраняются ее характеристики по формированию ХН, пригодной для осуществления радиопеленгации.
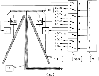
Сущность изобретения состоит во введении в конструкцию устройства [2], показанного на фиг.1, диапазонного коммутатора 9(2) и дополнительных вертикальных коммутируемых шунтирующих вставок 1(2)-8(2) (см. фиг.2). Эти дополнительные вставки расположены по окружности на тех же радиальных осях, что и шунтирующие вставки 1-8, но на другом расстоянии от вертикальной оси симметрии ШРПА. Диапазонный коммутатор 9(2) обеспечивает переключение сигналов управления от формирующего ДН коммутатора 9 на шунтирующие вставки группы 1-8 или группы 1(2)-8(2) в зависимости от заданной рабочей частоты радиопеленгования. Из-за различных точек, выбранных для подключения обоих групп шунтирующих вставок, степень их влияния на формирование минимума ХН является максимальной в соответствующем участке частот. Чем ближе к вертикальной оси симметрии расположена группа шунтирующих вставок, тем выше участок частот, на котором формируется требуемая ДН, и наоборот. Таким образом, перекрытие двух участков рабочих частот, формируемых различными группами шунтирующих вставок, позволяет получить более широкий суммарный диапазон работы ШРПА.
Шунтирующие вставки, находящиеся ближе к центру антенны, имеют в своем составе электронные ключи, расположенные на концах проводника – в точках подключения к вибраторам ШРПА (к конусу и диску), и соединяющий их проводник, обладающий активным сопротивлением. Вставки, находящиеся дальше от центра ШРПА, имеют дополнительный электронный коммутатор, расположенный по центру вставки и делящий активный проводник на два отрезка, также обладающих активным сопротивлением. Это обеспечивает снижение влияния внешних вставок при работе антенны в высокочастотном участке рабочего диапазона.
Предложенная радиопеленгационная антенна обладает, в сравнении с аналогом и прототипом, большей шириной диапазона рабочих частот, в котором сохраняются ее радиопеленгационные свойства.
Источники информации
1. Антенна радиопеленгационная А-311. Руководство по технической эксплуатации 110.11.10.
2. Пат.2287878 Россия, МКИ H01Q9/28. Шунтовая радиопеленгационная антенна. / С.П.Соляник, В.Ю.Гаврилов, В.И.Белкин. – 2005112336/17. Заявлено 25.04.2005. Опубл. 20.11.2006 Бюлл. 32. – 3 с.: илл.
Формула изобретения
Диапазонная радиопеленгационная шунтовая антенна, состоящая из нижнего металлического конуса, соединенного вершиной с внешней оплеткой коаксиального кабеля для съема сигнала, и расположенного над нижним конусом диска или второго конуса, соединенного с центральным проводником коаксиального кабеля, группы шунтирующих вставок, соединяющих поверхности нижнего конуса и верхнего диска или конуса, которые расположены на равных расстояниях друг от друга по окружности относительно оси симметрии антенны и коммутатора, отличающаяся тем, что в конструкцию введена дополнительная группа шунтирующих вставок, расположенных по окружности на радиальных осях, проходящих через имеющиеся шунтирующие вставки, но на другом расстоянии от вертикальной оси симметрии антенны, и диапазонный коммутатор, соединенный входами с соответствующими выходами коммутатора, а выходами – с соответствующими управляющими входами группы шунтирующих вставок и группы дополнительных шунтирующих вставок так, что в зависимости от частоты пеленгования активной является одна из групп шунтирующих или дополнительных шунтирующих вставок, которая предназначена для формирования характеристики направленности для этой частоты таким образом, чтобы в каждый момент времени коммутатор обеспечивал последовательное включение одной шунтирующей вставки из группы шунтирующих или группы дополнительных шунтирующих вставок.
РИСУНКИ
|
|